Schmtic_NXT_03_ - 第43页
心夕 ] 工 - 纖 1 I N T E R F A C E B O A R D 1 心 夕 7 工 - 又 麵 1 I N T E R F A C E B O A R D I 1 7 2 3 1 7 0 I M 153 BCN 10 L M 1 5 3 B C N 2 j E 1 M 1 5 1 C N 2 丄 E l - A M M 1 5 1 M 1 5 1 E 2 M I 5 3 D M 1 5 3 D E 2 s 1 7 2 …

|
y
-
>
1
基板搬送信号
]
於夕
(
後工程
)
LANEI
PANEL
TRANSFER
CONNECTOR
(
OUT
)
後工程基板搬送信号
I
/
F
基板
NEXT
PANEL
TRANSFER
1
/
F
BOARD
1
623
1
60
1
LISMM
5
隱
後工程廳送
n
信号
(
入力
)
PCB
REQ
1
後工掛基板約信号
(
出力
)
PCB
REQI
UNUSED
UNUSED
後工程
、
_
鹏
S
信号
(
出力
)
PCB
REQ
1
RESERVE
RESERVE
RESERVE
RESERVE
RESERVE
RESERVE
L
1
SMM
6
1624
1602
+
RS
-
485
RS
-
485
L
1
SMM
7
夕
7
工
-
又
MODULEn
INTERFACE
tA
A
L
1
SMM
8
L
1
SMM
9
SHIELD
R
-
1
625
I
603
I
:
L
1
SMM
10
-
3
SHIELD
-
l
L
1
SMM
11
/
13
t
L
1
SMM
13
FG
L
1
SMM
12
/
H
L
1
SMM
14
-
1626
1
604
L
1
SMM
15
《
-
又制御盤
BASE
CONTROL
BOX
BCBCN
16
LANEI
PANEL
TRANSFER
CONNECTOR
(
IN
)
+
24
VM
」
;
N
3
+
24
VA
B
3
/
A
3
-
5
"
L
1
SMM
16
:
¥
B
4
/
A
4
GM
GA
L
1
SMM
17
ADDRESS
B
3
/
A
3
1
627
16
0
5
L
15
MM
18
追従許可信号
FOLLOW
PERMIT
AD
00
B
4
/
A
4
7
KV
獅
,
F
”
Address
selling
T
L
1
SMM
19
+
24
VA
POWER
LISMM
20
AD
01
1
628
1 6
0
6
AD
02
AD
03
内部回路
'
INTERNAL
CIRCUIT
:
1
629
I
607
1
«
送信号
PANEL
TRANSFER
SIGNAL
SMM
1
/
SMM
5
CN
;
SW
2
/
SMM
6
u
-
w
謹搬
■
号
]
衫夕
(
後工程
)
LANE
2
PANEL
TRANSFER
ONNECTOR
(
OUT
)
JP
4
SNt
^
3
/
SMM
7
1
630
I
608
SMM
4
/
SMM
8
L
2
SMM
5
CNBL
2
,
後工程炒
5
①
送
n
信号
(
入力
)
PCB
REQI
後工程
,
嶽跡
y
信号
(
出力
)
PCB
REQ
1
UNUS E D
UNUS E D
後工额
SIS
信号
(
出力
)
PCB
REQ
1
RESERVE
RESE R VE
RESERVE
RESE R VE
RESE R VE
RESE R VE
SMM
11
/
SMM
13
L
2
SMM
6
SMM
12
/
SMM
14
163
1
I
609
L
2
SMM
7
SMM
13
/
5
MM
11
L
2
SMM
8
SMM
14
/
SMM
12
L
2
SMM
9
CN
-
CVIF
-
R
:
:
:
:
:
1
632
16
10
L
2
SMM
10
2
"
*
L
2
SMMH
/
13
L
25
MM
13
SNt
41
/
SMM
5
-
i
L
2
SMM
12
/
14
L
2
SMM
14
F
1
633
16 11
L
2
SMM
15
基板搬送
]
衫夕
(
前工程
)
LANE
2
PANEL
TRANSFER
CONNECTOR
(
IN
)
SMM
3
/
SMM
7
乂
!
L
2
SMM
16
SMM
4
/
SMM
8
-
L
2
SMM
17
SMM
11
/
SMMI
3
-
*
1
1
634
1612
p
L
2
SMM
18
SMMI
2
/
SMM
14
-
L
2
SMM
19
SMM
13
/
SMM
11
L
2
SMM
20
SMM
14
/
SMM
12
-
1635
1 6 1 3
-
2
i
1636
1 6
U
JP
2
JP
3
JP
1
»
-
r
OPEN
_
_
;
«
»
!
OPEN
CN
-
M
2
OPEN
1637
1615
FG
GND
ITT
▽
1
638
1616
F U J I
仕様
FUJI
Standard
1
G
39
1 6 1 7
-
2
:
l
<
-
3
後工程側
心夕
〕
I
-
久麵
1
INTERFACE
BOARD
I
riMi
1
640
Next
side
1618
L
/
-
>
2
U
-
V
1
CN
9
im
LM
2
心夕
〕
I
-
X
基板
2
INTERFACE
BOARD
2
ADDRESS
R
¥
]
匕
)
No
.
Pin
No
.
送
n
入力
Send
input
送
n
入力
Send
input
1
641
1 6 19
魟程心夕
〕
工
-
乂
NEXT
INTERFACE
CN
9
LI
SMM
5
L
2
SMM
5
1
642
心夕
〕
工
-
又驅
INTERFACE
BOARD
4
ADDRESS
:
i
I
620
|
~
8
Ml
2
LI
SMM
6
L
2
SMM
6
CN
9
1
643
I
62
I
STAS
2
STAS
2
]
才
7
夕
STASI
2
(
Hirschmann
)
STAS
12
(
Hirschmann
)
1
<
Connector
-
15
-
16
1
644
CABLE CABLE
:
0.3
mrf
1
622
-
17
i
注
)
FUJ
I
仕横
JCNBL
1
'
C N B L
2
(
二延長
/\
—
才又奄追加
Lr
®
対 応 亲
?
。
Notes
)
FUJI
Standard
-
18
correspondence
which
adds
extended
harness
to
CNBL
1
and
CNBL
2
.
serve
as
1645
-
2
D
:
十又回路図
BASE
CIRCUIT
DIAGRAM
NAME
PAGE
%
TITLE
機鐧
I
/
F
INTERFACE
BETWEEN
MACHINES
TYPE
NXT
DRAWING
No
.
RE
01641

心夕
]
工
-
纖
1
INTERFACE
BOARD
1
心夕
7
工
-
又麵
1
INTERFACE
BOARD
I
1723
170
I
M
153
BCN
10
L
M
153
B
CN
2
j
E
1
M
151
CN
2
丄
El
-
AM
M
151
M
151
E
2
MI
53
D
M
153
D
E
2
s
1724
1702
-
A
:
1725
1703
-
Al
I
:
1726
1
704
M
181
-
AI
-
10
M
182
-
A
1
M
181
M
256
M
182
M
256
1727
1705
M
182
-
M
182
-
E
7
M
183
-
M
183
-
E
7
M
175
M
175
-
M
175
-
M
175
M
175
-
M
175
H
1
H
1
X
0
I
6
H
6
-
H
6
X
016
XS
軸心夕
-
口
9
夕基板
1
XS
AXIS
INTRELOCK
BOARD
I
1728
1706
H
2
-
H
2
X
017
H
7
-
H
7
X
017
X
018
H
8
■
H
8
X
018
H
3
-
H
3
-
li
P
1
H
4
-
H
4
-
X
0
I
9
H
9
•
H
9
-
I
X
019
1729
1707
久
-
又制御盤
_
+
24
VM
BASE
CONTROL
BOX
BCBCNI
8
CN
1
+
24
VM
H
5
-
17
P
2
H
5
+
24
VA
1
+
24
VA
1
H
10
乙
H
10
-
I
:
GM
GM
P
3
+
24
VM
4
A
+
24
VM
4
A
+
24
VM
4
B
-
>
1
+
24
VM
4
B
+
24
VM
4
A
li
ADDRESS
P
4
GM
•
GM
-
I
GM
GM
-
GM
-
GM
605
1730
1708
M
191
M
191
-
B
M
192
F
34
-
2
LL
P
5
E
9
M
192
-
E
9
F
33
F
34
-
CiX
P
9
F
33
M
271
M
271
+
24
VM
1
2
FP
0
S
4
+
24
VM
1
E
10
+
24
VM
1
+
24
VMI
E
10
1731
1709
M
1101
-
2
;
SPAREF
1
P
7
M
11 01
E
1
I
Ml
102
M
1102
-
I
Ml
238
M
1239
-
C
^
.
E
11
SC
MI
239
~
2
lC
AP
0
S
1
P
8
Ml
234
M
1238
RY
012
砍
-
JU
MODULE
1
砍
-
儿
2
MODULE
2
M
1235
-
25
^
^
fr
SPAREF
2
P
10
M
1235
-
RY
012
A
RY
012
A
1732
17
10
P
1 1
jN
5
BP
0
S
4
BP
0
S
4
P
12
X
005
P
1 1
X
005
XS
軸心夕
-
基板
2
_
XS
AXIS
INTRELOCK
BOARD
2
1733
17
11
SPARER
2
SPARER
2
P
13
P
2
X
006
P
12
X
006
P
4
免
/
GA
RPOSI
RP
0
S
1
P
14
P
3
X
007
P
13
-
X
007
CN
2
P
14
SPARER
1
SPARER
1
P
15
GA
1734
1712
P
19
P
5
-
M
650
P
15
M
650
ii
P
16
P
9
P
19
-
P
17
P
6
P
16
M
272
M
272
1735
P
18
P
7
OPTOB
P
17
-
l
OPTOB
P
20
P
8
M
273
P
18
M
273
P
20
七
〕
-
10
j
P
10
七丄
1736
CX
002
CY
002
-
I
CX
002
CN
1
=
P
0
W
CN
2
=
I
/
0
F
CN
3
=
I
/
0
A
CN
仁
I
/
O
B
CN
5
=
I
/
0
R
CX
00
A
CX
00
A
CY
002
-
今二
CY
007
CXM
2
_
ZBL
CX
00
A
-
E
CY
002
1737
CY
007
CY
007
-
FI
1738
+
-
D
+
-
D
前工程基板搬送信号
I
/
F
基板
「
一
PREVIOUS
PANEL
TRANSFER
I
/
F
BOARD
_
1
-
1739
CNI
.
--
V
SHIELD
-
C
—
V
SHIELD
SHIELD
SHIELD
MODULE
]
INTERFACE
CNI
1740
1741
1742
I
720
1743
I
72
1
1744
I
722
1745
《
-
又回路図
BASE
CIRCUIT
DIAGRAM
NAME
PAGE
%
TITLE
MODULE
INTERFACE
TYPE
NXT
DRAWING
No
.
RE
01652

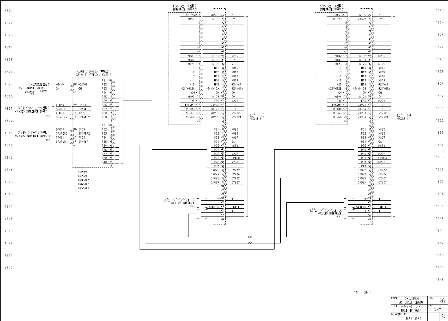
心夕
]
工
-
纖
2
INTERFACE
BOARD
2
心夕
〕
工
-
又麵
2
INTERFACE
BOARD
2
1823
180
I
M
157
BCN
10
L
M
157
B
CN
2
j
E
1
M
155
CNI
1
,
M
155
⑽
丄
El
-
AM
M
155
M
155
E
2
MI
57
D
M
157
D
E
2
s
1824
1802
-
A
:
1
825
I
803
-
Al
1826
1804
M
181
-
AI
-
10
M
182
-
A
1
M
181
M
256
M
182
M
256
1827
1805
M
182
-
M
182
-
E
7
M
183
-
M
183
-
E
7
M
175
M
175
-
M
175
-
M
175
M
175
-
M
175
H
11
H
11
X
0
I
6
H
16
-
H
16
X
016
XS
軸心夕
-
口
9
夕基板
2
XS
AXIS
INTRELOCK
BOARD
2
1828
1806
H
12
H
12
X
017
H
17
H
17
X
017
H
18
X
018
H
18
X
018
H
13
-
H
13
-
li li
P
21
HU
-
HI
4
-
X
0
I
9
H
19
-
H
19
-
X
019
1829
1807
《
-
靡驢設
1
_
±
24
VM
BASE
CONTROL
BOX
BUILD
1
EBCBCNI
1
CN
1
+
24
VM
H
15
-
17
H
15
+
24
VA
1
H
2
H
H
20
+
24
VA
1
:
GM
GM
P
23
+
24
VM
12
A
+
24
VM
12
A
+
24
VM
12
B
-
>
1
+
24
VM
12
B
+
24
VM
4
A
li
ADDRESS
GM
•
GM
GM
-
GM
-
GM
625
1830
1808
M
193
-
2
M
194
E
9
M
194
-
E
9
F
35
F
36
-
2
LL
F
36
P
29
F
35
M
271
M
271
12
FP
0
S
4
+
24
VM
1
2
FP
0
S
4
+
24
VM
1
E
10
+
24
VM
1
+
24
VMI
E
10
XS
軸心夕
-
口竹基板
1
XS
AXIS
INTRELOCK
BOARD
1
183
1
1809
M
1103
-
2
;
SPAREF
1
SPAREF
1
M
1103
E
11
Ml
104
E
11
M
1104
-
I
Ml
263
_
D
落
"
M
1264
-
C
^
.
Ml
262
Mi
264
AP
0
S
1
AP
0
S
1
P
28
M
1261
M
1261
M
1263
RY
012
MODULE
3
MODULE
4
CN
5
SPAREF
2
SPAREF
2
P
30
M
1262
RY
012
A
RY
012
A
-
26
!
1832
18
10
P
31
jN
5
BP
0
S
4
BP
0
S
4
P
32
P
21
X
005
P
31
X
005
XS
軸心夕
-
基板
3
_
XS
AXIS
INTRELOCK
BOARD
3
1833
18
11
SPARER
2
SPARER
2
P
33
P
22
X
006
P
32
X
006
P
24
免
/
GA
RPOSI
RP
0
S
1
P
34
X
007
X
007
CN
2
P
34
SPARER
1
SPARER
1
P
35
GA
1834
1812
P
39
P
25
-
M
650
P
35
M
650
ii
P
37
-
Z
.
P
26
■
M
272
M
272
18 35
18 13
P
38
P
27
-
l
OPTOB
P
37
-
I
OPTOB
P
40
P
28
M
273
P
38
M
273
P
40
-
10
j
18 36
I
8
U
CX
002
CY
002
-
i
CX
002
CN
1
=
P
0
W
CN
2
=
I
/
0
F
CN
3
=
I
/
0
A
CN
仁
I
/
O
B
CN
5
=
I
/
0
R
CX
00
A
CX
00
A
CY
002
-
今二
CY
007
Q
(
002
_
I
^
L
CX
00
A
-
E
CY
002
18 37
18 15
CY
007
CY
007
-
FI
18 38
18 16
+
-
D
+
-
D
tV
:
!
—
儿
20
夕了工一又
_
-
M
0
DULE
2
INTERFACE
_
1
-
18 39
CN I
18 17
.
--
V
SHIELD
-
C
—
V
SHIELD
SHIELD
SHIELD
衫
]
-
奶心夕
〕
工
-
又
MODULES
INTERFACE
CNI
1
840
1818
1841
1819
1
84 2
I
82 0
1843
1
82
1
1844
1
822
1845
4
M
8
M
《
-
又回路図
BASE
CIRCUIT
DIAGRAM
NAME
PAGE
%
TITLE
tyi
-
iu
/
F
MODULE
INTERFACE
TYPE
NXT
DRAWING
No
.
RE
01652