Schmtic_NXT_03_ - 第47页
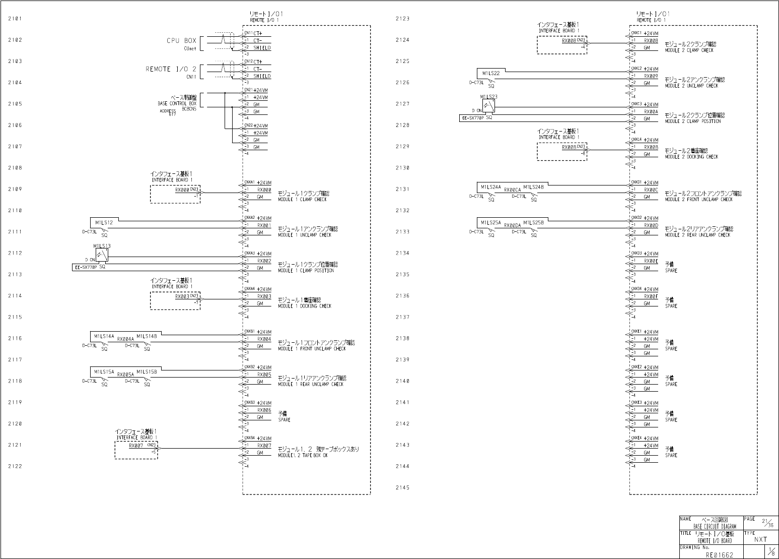
U t - h I / 0 1 REMOTE I / O 1 U t - M / O I REMOTE I / O 1 2 1 0 1 2123 < 汐夕 〕 工 - 又基板 1 INTERFACE BOARD 1 + 24 - VM A 2 1 0 2 2124 C P U B O X CUnet CT - RX 008 RX 008 石为 - 儿 2 夕 5 > 艾確認 MODULE 2 CLAMP CHECK SHIE…

心夕
]
工
-
纖
4
INTERFACE
BOARD
4
心夕
〕
工
-
又麵
4
INTERFACE
BOARD
4
2023
2 00
I
M
165
BCN
10
L
M
165
B
CN
2
j
E
1
M
163
CNM
M
163
⑽
丄
El
-
AM
M
163
M
163
E
2
M
165
D
M
165
D
E
2
i
2024
200 2
-
A
:
2025
2003
-
Al
I
:
2026
2004
M
181
-
AI
-
10
M
182
-
A
1
M
181
M
256
M
182
M
256
2027
2005
M
182
-
M
182
-
E
7
M
183
-
M
183
-
E
7
M
175
M
175
-
M
175
-
M
175
M
175
-
M
175
H
31
H
31
X
0
I
6
H
36
-
H
36
X
016
XS
軸
O
夕一
CDW
基板
4
XS
AXIS
INTRELOCK
BOARD
4
2028
2006
H
32
-
H
32
X
017
H
37
-
H
37
X
017
X
018
H
38
-
H
38
X
018
H
33
-
H
33
-
li
P
61
H
34
-
H
34
-
X
0
I
9
H
39
-
H
39
-
I
X
019
2029
2007
《
-
遞
D
鱗設
3
一
±
24
VM
BASE
CONTROL
BOX
BUILD
3
EBCBCNI
1
CN
1
+
24
VM
H
35
-
17
H
40
-
Br
H
35
-
+
24
VA
1
+
24
VA
1
H
40
:
P
63
-
2
GM
GM
+
24
VM
32
A
+
24
VM
32
A
+
24
VM
32
B
-
>
1
+
24
VM
32
B
+
24
VM
4
A
li
ADDRESS
GM
•
GM
-
I
GM
GM
-
GM
-
GM
725
2030
2008
M
197
M
197
-
B
M
198
-
2
L
E
9
M
198
-
E
9
F
39
-
Cl
!
^
F
40
-
21
L
F
40
-
ClX
P
69
F
39
M
271
M
271
12
FP
0
S
4
+
24
VM
1
2
FP
0
S
4
+
24
VM
1
E
10
+
24
VM
1
+
24
VMI
E
10
XS
軸心夕
-
口竹基板
3
XS
AXIS
INTRELOCK
BOARD
3
203
1
2009
M
1
107
-
2
;
SPAREF
1
SPAREF
1
M
1107
E
1
I
Ml
108
M
1108
-
I
E
11
Ml
270
Mi
272
M
1272
-
C
^
.
AP
0
S
1
AP
0
S
1
P
68
M
1269
M
1269
M
1271
M
1271
RY
012
砍
-
Jl
/
7
MODULE
7
砍
-
儿
8
MODULE
8
CN
5
SPAREF
2
SPAREF
2
P
70
M
1270
RY
012
A
RY
012
A
-
26
!
2032
20
1
0
P
71
CN
5
BP
0
S
4
P
61
P
72
X
005
P
71
X
005
2033
201
I
SPARER
2
P
73
P
62
X
006
P
72
X
006
P
64
笑
/
GA
RP
0
S
1
X
007
P
73
-
X
007
P
74
SPARER
1
P
75
GA
2034
2 0 1 2
P
79
P
65
-
M
650
P
75
M
650
ii
P
77
P
66
-
P
76
M
272
M
272
2035
2013
P
78
P
67
OPTOB
P
77
-
I
OPTOB
P
80
P
68
M
273
M
273
P
80
-
屯
-
10
j
P
70
七丄
20 36
20
14
CX
002
CY
002
-
I
CX
002
CN
1
=
P
0
W
CN
2
=
I
/
0
F
CN
3
=
I
/
0
A
CN
仁
I
/
O
B
CN
5
=
I
/
0
R
CX
00
A
CX
00
A
CY
002
-
今二
CY
007
Q
(
002
_
I
^
L
CX
00
A
-
E
CY
002
20 37
20 15
CY
007
CY
007
-
FI
20 38
20
16
+
-
D
+
-
D
杉
]
-
儿
6
心夕
〕
工
-
又
-
-
M
0
DULE
6
INTERFACE
_
-
-
V
5
HlELD
<
g
<
SHIELD
20 39
CNI
20
1
7
—
V
SHIELD
SHIELD
後工程麵臟信号
I
/
F
麵
NEXT
PANEL
TRANSFER
I
/
F
BOARD
CNI
2040
20
18
2041
20
1
9
2042
20 20
20 43
20 2
1
2044
-
20 22
2045
8
M
《
-
又回路図
BASE
CIRCUIT
DIAGRAM
NAME
PAGE
2
Xe
TITLE
tyi
-
iu
/
F
MODULE
INTERFACE
TYPE
NXT
DRAWING
No
.
RE
01652

Ut
-
hI
/
01
REMOTE
I
/
O
1
Ut
-
M
/
OI
REMOTE
I
/
O
1
2 1 0 1
2123
<
汐夕
〕
工
-
又基板
1
INTERFACE
BOARD
1
+
24
-
VM
A
21 02
2124
CPU
BOX
CUnet
CT
-
RX
008
RX
008
石为
-
儿
2
夕
5
>
艾確認
MODULE
2
CLAMP
CHECK
SHIELD
GM
^
3
1
CN
12
CT
+
2103
2125
REMOTE
I
/
O
2
;
NXC
2
+
24
VM
CT
-
MILS
22
-
2
SHIELD
RX
009
CN
11
MODULE
2
UNCLAMP
CHECK
VC
2
104
2126
D
-
C
73
L
-
3
GM
SQ
CN
21
+
24
VM
又制繼
BASE
CONTROL
BOX
BCBCN
5
M
1
LS
23
+
24
VM
2 1 0 5
2 1 2 7
;
NXC
3
+
24
VM
GM
D
ON
ADDRESS
GM
RX
00
A
衫
2
-
儿
2
艿
\
刀位置確認
MODULE
2
CLAMP
POSITION
SQ
EE
-
SX
770
P
GM
2 1 0 6
2 1 2 8
22
+
24
VM
心夕
〕
x
-
X
麵
1
INTERFACE
BOARD
1
~
R
~
X
00
BCN
23
l
+
24
VM
-
2
GM
CNXC
4
+
24
VM
-
3
GM
2 1 0 7
2 1 2 9
RX
00
B
<
1
石夕
]
-
儿
2
鰱確
IS
MODULE
2
DOCKING
CHECK
GM
2 1 0 8
2 1 3 0
心夕
7
工
-
又麵
1
INTERFACE
BOARD
1
RX
000
CN
231
CNXDl
+
24
VM
CNXAI
+
24
VM
M
1
LS
24
A
M
1
LS
24
B
2 1 0 9
2 1 3
1
RX
000
RX
00
CA
RX
00
C
MODULE
I
CLAMP
CHECK
MODULE
2
FRONT
UNCLAMP
CHECK
V
:
V
.
SQ
D
-
C
73
L
D
-
C
73
L
GM
GM
SQ
2 1 1 0
2 1 3 2
XA
2
+
24
VM
CNXD
2
+
24
VM
MILS
12
M
1
LS
25
A
M
1
LS
25
B
RX
001
RX
00
DA
RX
00
D
=
Ey
]
-
jur
力
5
»
確認
MODULE
1
UNCLAMP
CHECK
MODULE
2
REAR
UNCLAMP
CHECK
V
:
V
.
SQ
V
.
SQ
2
2 1 3 3
D
-
C
73
L
D
-
C
73
L
D
-
C
73
L
G M
G M
S Q
M
1
L S
1 3
4
2 11 2
2 1 3 4
CNXA
3
+
24
VM
JjNXD
3
+
24
-
VM
D
ON
RX
002
RX
00
E
MODULE
I
CLAMP
POSITION
㈣
EE
-
SX
770
P
SQ
GM
GM
SPARE
2 1 1 3
2 1 3 5
心夕
7
工
-
纖
1
INTERFACE
BOARD
1
CNXA
4
+
24
VM
CNXD
4
+
24
VM
2 1 1 4
2 1 3 6
RX
003
RX
003
RX
00
F
予備
GM
GM
MODULE
I
DOCKING
CHECK
SPARE
2 1 1 5
2 1 3 7
工
NXBl
+
24
VM
CNXE
1
+
24
VM
M
1
LS
14
A
M
1
LS
14
B
2 1 1 6
2 1 3 8
RX
004
A
RX
004
+
24
VM
MODULE
1
FRONT
UNCLAMP
CHECK
予備
V
.
"
SQ
V
:
SQ
D
-
C
73
L
D
-
C
73
L
GM
GM
SPARE
GM
2 1 1 7
2 1 3 9
jNXB
2
+
24
VM
CNXE
2
+
24
VM
M
1
LS
15
A
MILS
15
B
RX
005
A
RX
005
+
24
VM
MODULE
1
REAR
UNCLAMP
CHECK
V
:
2 1 1 8
2
U
0
D
-
C
73
L
D
-
C
73
L
G M
G M
SPARE
SQ SQ
GM
2 1 1 9
2
U
1
CNXB
3
+
24
VM
CNXE
3
+
24
VM
RX
006
+
24
VM
予備
m
GM
GM
SPARE SPARE
21 20
2
U
2
GM
心夕
〕
工
-
叉基板
1
INTERFACE
BOARD
I
CNXB
4
+
24
VM
CNXE
4
+
24
VM
RX
007
~
C
"
N
231
2 1 2 1
2 1 4 3
RX
007
+
24
VM
砍
-
儿
1
、
2
残〒
-
力夕細
MODULE
1
、
2
TAPE
BOX
OK
予備
GM
GM
SPARE
GM
2 1 4 4
21 22
2 1 4 5
《
-
又回路図
BASE
CIRCUIT
DIAGRAM
NAME
PAGE
%
TITLE
'
Jt
-
h
1
/
0
额
REMOTE
I
/
O
BOARD
TYPE
NXT
DRAWING
No
.
RE
01662

1
宂
-
卜
I
/
O
1
REMOTE
I
/
O
1
Ut
-
M
/
OI
REMOTE
I
/
O
I
220
I
222 3
CNYA
^
+
24
-
VM
CNYDi
+
24
VM
Ml
SOL
IE
2202
222 4
R
丫
00 0
RY
00
C
+
MODULE
1
CLAMP
予備
P
RY
00
C
-
GM
SPARE
GM
GM
220 3
222 5
+
24
VM
CNYA
2
^
+
24
-
VM
CNYD
2
M
1
S
0
L
2
E
RY
001
RY
00
D
+
MODULE
1
UNCLAMP
予備
P
22 04
222 6
GM
RY
00
D
-
SPARE
GM
GM
心夕
〕
1
-
7
麵
1
INTERFACE
BOARD
1
22 05
22 27
NYA
卜卜
+
24
VM
C
+
24
VM
CNY
iCN
23
R
丫
002
RY
002
RY
00
E
+
技
]
卜
、
]
j
705
yy
MODULE
1
UNCLAMP
予 備
GM
SPARE
220 6
222 8
GM
GM
CNYA
^
+
24
VM
CNYI
+
24
VM
M
1
SOL
18
E
220 7
222 9
RY
00
F
+
=
E
^
-
JUTOh
,
MODULE
1
UNCLAMP
予 備
P
GM
SPARE
GM
GM
220 8
223 0
+
24
VM
C
NY B
^
220 9
22 3
1
予 備
GM
SPARE
GM
22
1
0
22 32
CNYB
2
;
+
24
VM
予 備
221
I
223 3
GM
SPARE
GM
貧
2212
223 4
CNYBJJ
+
24
VM
予 備
GM
SPARE
221 3
223 5
GM
+
24
VM
CNYI
221 4
223 6
予 備
GM
SPARE
GM
221 5
223 7
+
24
VM
CNYC
1
M
1
SOL
3
E
221 6
223 8
RY
008
M
0
DULE
2
CLAMP
P
GM
GM
22 17
223 9
+
24
VM
CNYC
2
M
1
S
0
L
4
E
R
丫
009
-
»
^
j
2
-
)
i
27
yo
5
yy
M
0
DULE
2
UNCLAMP
P
221 8
224 0
GM
GM
心 夕
〕
工 麵
1
INTERFACE
BOARD
1
221 9
224
1
CN Y
,
卜
+
24
VM
CN
23
RY
00
A
RY
00
A
M
0
DULE
2
UNCLAMP
GM
22 20
22 42
GM
+
24
VM
CN
M
1
SOL
28
E
222
1
22 43
卜
、
U
77
^
5
S
^
M
0
DULE
2
UNCLAMP
P
GM
GM
22 44
2222
224 5
《
-
又回路図
BASE
CIRCUIT
DIAGRAM
NAME
PA GE
%
6
TITLE
'
Jt
-
h
1
/
0
额
REMOTE
I
/
O
BOARD
TY PE
NXT
DR AW IN G
No
.
RE
01662