Schmtic_NXT_03_ - 第5页
M 6 M O D U L E 隨 OPESKNEL C P U B O X CPU BOX S E R V O B O X SERVO BOX 雜爾丫 1 ATX POWER SUPPLY | Ha FEEDER OR MTU ( M 6 ) ] P O W E R SUPPLY | < = □ DC POWER SUPPLY CONTROL H 3 ^ MAIN BOARD o X AXIS AMP . X AXIS U K …

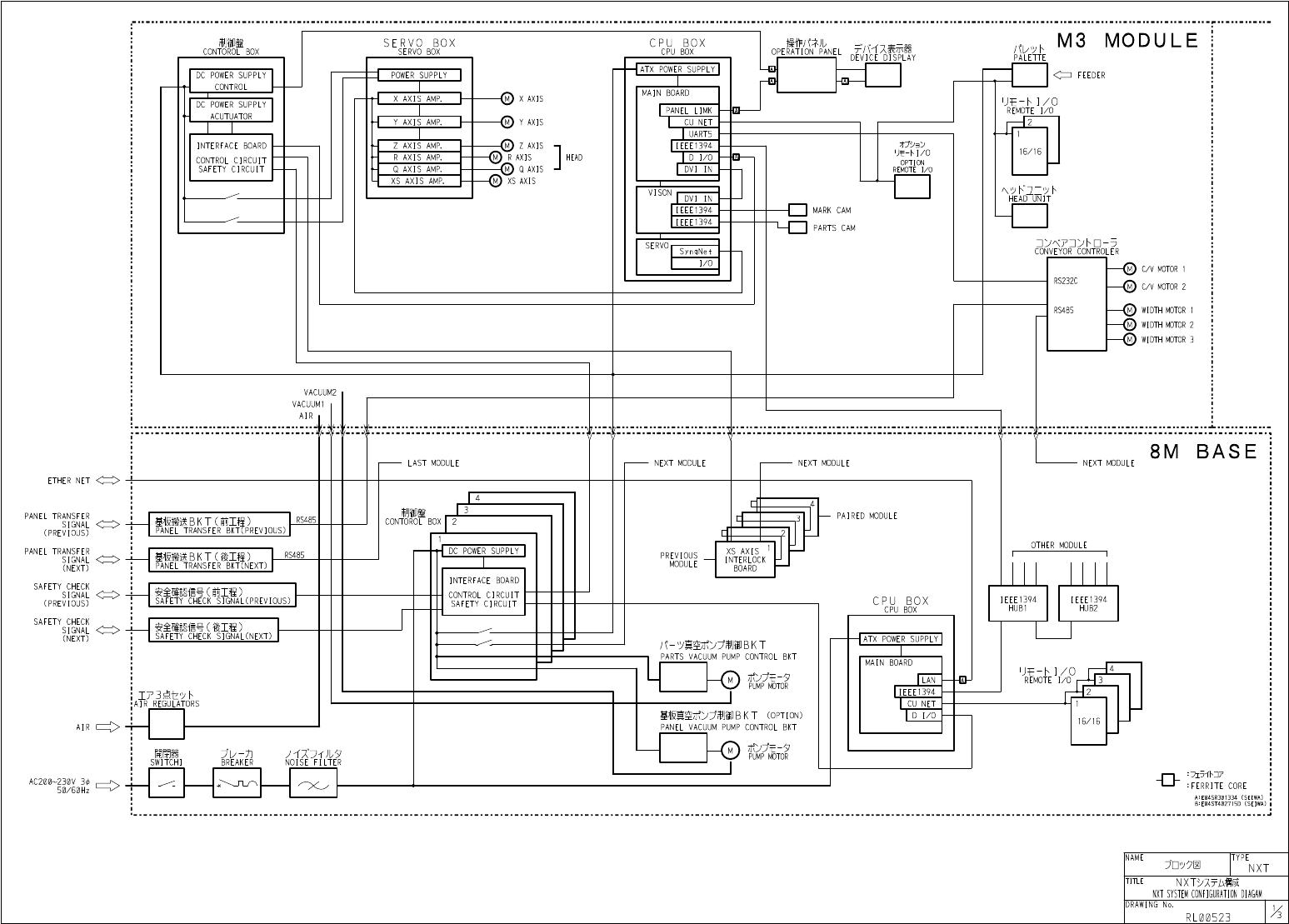
M
3
MODULE
隨
OPESKNEL
CPU
BOX
CPU
BOX
SERVO
BOX
SERVO
BOX
雜爾丫
1
ATX
POWER
SUPPLY
|
Ha
]
P O W E R
SUPPLY
|
<
C
^
FEEDER
DC
POWER
SUPPLY
CONTROL
H
3
^
MAIN
BOARD
o
X
AXIS
AMP
.
X
AXIS
UK
0
DC
POWER
SUPPLY
ACUTUATOR
|
PANEL
L
1
MK
0
©
I
CU
NET
Y
AXIS
AMP
.
Y
AXIS
|
UART
5
—
©
Z
AXIS
-
i
@
R
AXIS
——
^
7
\
n
AYK
」
才为
3
>
Ut
-
hl
/
O
OPTION
REMOTE
I
/
O
I
IEEE
1394
INTERFACE
BOARD
CONTROL
CIRCUIT
SAFETY
CIRCUIT
Z
AXIS
AMP
.
16
/
16
|
D
I
/
O
-
0
~
R
AXIS
AMP
.
HEAD
|
DVI
IN
Q
AXIS
AMP
.
AXIS
ISS
卜
VI
SON
I
DVI
IN
□
IEEE
1394
MARK
CAM
IEEE
1394
PARTS
CAM
C
^
VSC
^
O
-
LS
SERVO
SynqNet
I
/
O
—
©
C
/
V
^
©
C
/
V
MOTOR
1
RS
232
C
MOTOR
2
—
©
©
RS
485
WIDTH
MOTOR
I
WIDTH
MOTOR
2
WIDTH
MOTOR
3
VACUUM
2
VACUUM
1
AIR
■
■
■
■
■
■
V
'
■
■
■
矚
Ijm
■
■
■
■
■
■
■
■
■
■
"
"
"
"
"
v
"
"
"
"
8
M
BASE
LAST
MODULE
NEXT
MODULE
NEXT
MODULE
NEXT
MODULE
ETHER
NET
<
=
C
>
n
3
4
3
CONTSPBOXH
PAIRED
MODULE
PANEL
TRANSFER
1
3
RS
485
SIGNAL
<
^
>
(
PREVIOUS
)
5
2
OTHER
MODULE
J
DC
POWER
SUPPLY
|
PANEL
TRANSFER
XS
AXIS
INTERLOCK
BOARD
RS
485
證送了謚通
4
U
PREVIOUS
MODULE
SIGNAL
(
NEXT
)
INTERFACE
BOARD
CONTROL
CIRCUIT
SAFETY
CIRCUIT
SAFETY
CHECK
flEM
^
LCPREV
.
OUS
)
SIGNAL
<
=
>
(
PREVIOUS
)
IEEE
1394
IEEE
1394
CPU
BOX
CPU
BOX
HUB
1
HUB
2
SAFETY
CHECK
SIGNAL
<
^
>
(
NEXT
)
ATX
POWER
SUPPLY
八一
、
:
/
真空朮
制御
BKT
PARTS
VACUUM
PUMP
CONTROL
BKT
MAIN
BOARD
4
'
^
OTV
^
O
0
|
LAN
□
3
I
IEEE
1394
2
AfR
^
I
^
RS
|
CU
NET
ID
I
/
O
基板真空
(
OPTION
)
PANEL
VACUUM
PUMP
CONTROL
BKT
16
/
16
AIR
-
Q
織
fo
?
SIMI
■
Jzyil
'
JF
:
FERRITE
CORE
-
□
-
AC
200
230
V
30
50
/
60
Hz
^
>
n
—
A
:
E
04
SR
301334
(
SEIWA
)
B
:
E
045
T
402715
D
(
SEIWA
)
NAME
TYPE
艾口
、
>
夕図
NXT
TITLE
NXT
SYSTEM
CONFIGURATION
DIAGAM
DRAWING
No
.
RL
00523

M
6
MODULE
隨
OPESKNEL
CPU
BOX
CPU
BOX
SERVO
BOX
SERVO
BOX
雜爾丫
1
ATX
POWER
SUPPLY
|
Ha
FEEDER
OR
MTU
(
M
6
)
]
P O W E R
SUPPLY
|
<
=
□
DC
POWER
SUPPLY
CONTROL
H
3
^
MAIN
BOARD
o
X
AXIS
AMP
.
X
AXIS
UK
0
DC
POWER
SUPPLY
ACUTUATOR
|
PANEL
L
1
MK
0
©
I
CU
NET
Y
AXIS
AMP
.
Y
AXIS
(
MOTOR
or
LINEAR
MOTOR
)
|
UART
5
—
©
Z
AXIS
-
i
@
R
AXIS
—
©
Q
AXIS
J
才为
3
>
Ut
-
hl
/
O
OPTION
REMOTE
I
/
O
I
IEEE
1394
INTERFACE
BOARD
CONTROL
CIRCUIT
SAFETY
CIRCUIT
Z
AXIS
AMP
.
16
/
16
|
D
I
/
O
-
0
~
R
AXIS
AMP
.
HEAD
|
DVI
IN
Q
AXIS
AMP
.
ISS
卜
VI
SON
I
DVI
IN
□
IEEE
1394
MARK
CAM
IEEE
1394
PARTS
CAM
C
^
VSC
^
O
-
LS
SERVO
SynqNet
I
/
O
—
©
C
/
V
^
©
C
/
V
MOTOR
1
RS
232
C
MOTOR
2
—
©
©
RS
485
WIDTH
MOTOR
I
WIDTH
MOTOR
2
WIDTH
MOTOR
3
VACUUM
2
VACUUM
1
AIR
SHORT
■
V
4
M
BASE
LAST
MODULE
NEXT
MODULE
ETHER
NET
<
=
C
>
CONTSPBOXrr
PANEL
TRANSFER
RS
485
SIGNAL
<
^
>
(
PREVIOUS
)
5
2
OTHER
MODULE
PAIRED
MODULE
J
DC
POWER
SUPPLY
|
PANEL
TRANSFER
XS
AXIS
INTERLOCK
BOARD
RS
485
證送了謚通
4
U
PREVIOUS
MODULE
SIGNAL
(
NEXT
)
INTERFACE
BOARD
CONTROL
CIRCUIT
SAFETY
CIRCUIT
SAFETY
CHECK
flEM
^
LCPREV
.
OUS
)
SIGNAL
<
=
>
(
PREVIOUS
)
IEEE
1394
CPU
BOX
CPU
BOX
HUB
1
SAFETY
CHECK
SIGNAL
<
^
>
(
NEXT
)
ATX
POWER
SUPPLY
八一
、
:
/
真空朮
制御
BKT
PARTS
VACUUM
PUMP
CONTROL
BKT
MAIN
BOARD
'
^
OTV
^
O
0
|
LAN
□
I
IEEE
1394
IrP
1
AfR
^
I
^
RS
|
CU
NET
ID
I
/
O
基板真空
(
OPTION
)
PANEL
VACUUM
PUMP
CONTROL
BKT
16
/
16
AIR
-
Q
織
fo
?
SIMI
■
Jzyil
'
JF
:
FERRITE
CORE
-
□
-
AC
200
230
V
30
50
/
60
Hz
^
>
n
—
A
:
E
04
SR
301334
(
SEIWA
)
B
:
E
045
T
402715
D
(
SEIWA
)
NAME
TYPE
艾口
、
>
夕図
NXT
TITLE
NXT
SYSTEM
CONFIGURATION
DIAGAM
DRAWING
No
.
K
RL
00523

M
3
MODULE
隨
OPESKNEL
CPU
BOX
CPU
BOX
SERVO
BOX
SERVO
BOX
雜爾丫
1
ATX
POWER
SUPPLY
|
Ha
]
P O W E R
SUPPLY
|
<
C
^
FEEDER
DC
POWER
SUPPLY
CONTROL
H
3
^
MAIN
BOARD
o
X
AXIS
AMP
.
X
AXIS
UK
0
DC
POWER
SUPPLY
ACUTUATOR
|
PANEL
L
1
MK
0
©
I
CU
NET
Y
AXIS
AMP
.
Y
AXIS
|
UART
5
—
©
Z
AXIS
-
i
@
R
AXIS
——
^
7
\
n
AYK
」
才为
3
>
Ut
-
hl
/
O
OPTION
REMOTE
I
/
O
I
IEEE
1394
INTERFACE
BOARD
CONTROL
CIRCUIT
SAFETY
CIRCUIT
Z
AXIS
AMP
.
16
/
16
|
D
I
/
O
-
0
~
R
AXIS
AMP
.
HEAD
|
DVI
IN
Q
AXIS
AMP
.
AXIS
ISS
卜
VI
SON
I
DVI
IN
□
IEEE
1394
MARK
CAM
IEEE
1394
PARTS
CAM
C
^
VSC
^
O
-
LS
SERVO
SynqNet
I
/
O
—
©
C
/
V
^
©
C
/
V
MOTOR
1
RS
232
C
MOTOR
2
—
©
©
RS
485
WIDTH
MOTOR
I
WIDTH
MOTOR
2
WIDTH
MOTOR
3
VACUUM
2
VACUUM
1
AIR
yyr
2
M
BASE
LAST
MODULE
CONTWBOX
NEXT
MODULE
NEXT
MODULE
NEXT
MODULE
PANEL
TRANSFER
RS
485
SIGNAL
<
=
C
>
(
NEXT
)
NEXT
MODULE
'
^
MOTVI
^
O
0
INTERFACE
BOARD
CONTROL
CIRCUIT
SAFETY
CIRCUIT
X
5
AXIS
INTERLOCK
BOARD
PREVIOUS
MODULE
PAIRED
MODULE
SAFETY
CHECK
識懸
¥
說
SIGNAL
<
^
>
(
NEXT
)
IEEE
1394
16
/
16
HUB
1
ETHER
NET
<
=
>
CPU
BOX
CPU
BOX
制御盤
(
POWER
ONLY
)
CONTOROL
BOX
PANEL
TRANSFER
RS
485
SIGNAL
<
=
>
(
PREVIOUS
)
J
DC
POWER
SUPPLY
[
ATX
POWER
SUPPLY
八一
、
:
/
真空朮
制御
BKT
PARTS
VACUUM
PUMP
CONTROL
BKT
SAFETY
CHECK
MAIN
BOARD
SIGNAL
<
=
^
>
(
PREVIOUS
)
|
LAN
□
I
IEEE
1394
AfR
^
I
^
RS
|
CU
NET
ID
I
/
O
基板真空
(
OPTION
)
PANEL
VACUUM
PUMP
CONTROL
BKT
AIR
-
Q
織
fo
?
SIMI
■
Jzyil
'
JF
:
FERRITE
CORE
-
□
-
AC
200
230
V
30
50
/
60
Hz
^
>
n
—
I
NDEPENDENCE
BOX
A
:
E
04
SR
301334
(
SEIWA
)
B
:
E
045
T
402715
D
(
SEIWA
)
NAME
TYPE
艾口
、
>
夕図
NXT
TITLE
NXT
SYSTEM
CONFIGURATION
DIAGAM
DRAWING
No
.
RL
00523