Schmtic_NXT_03_ - 第50页
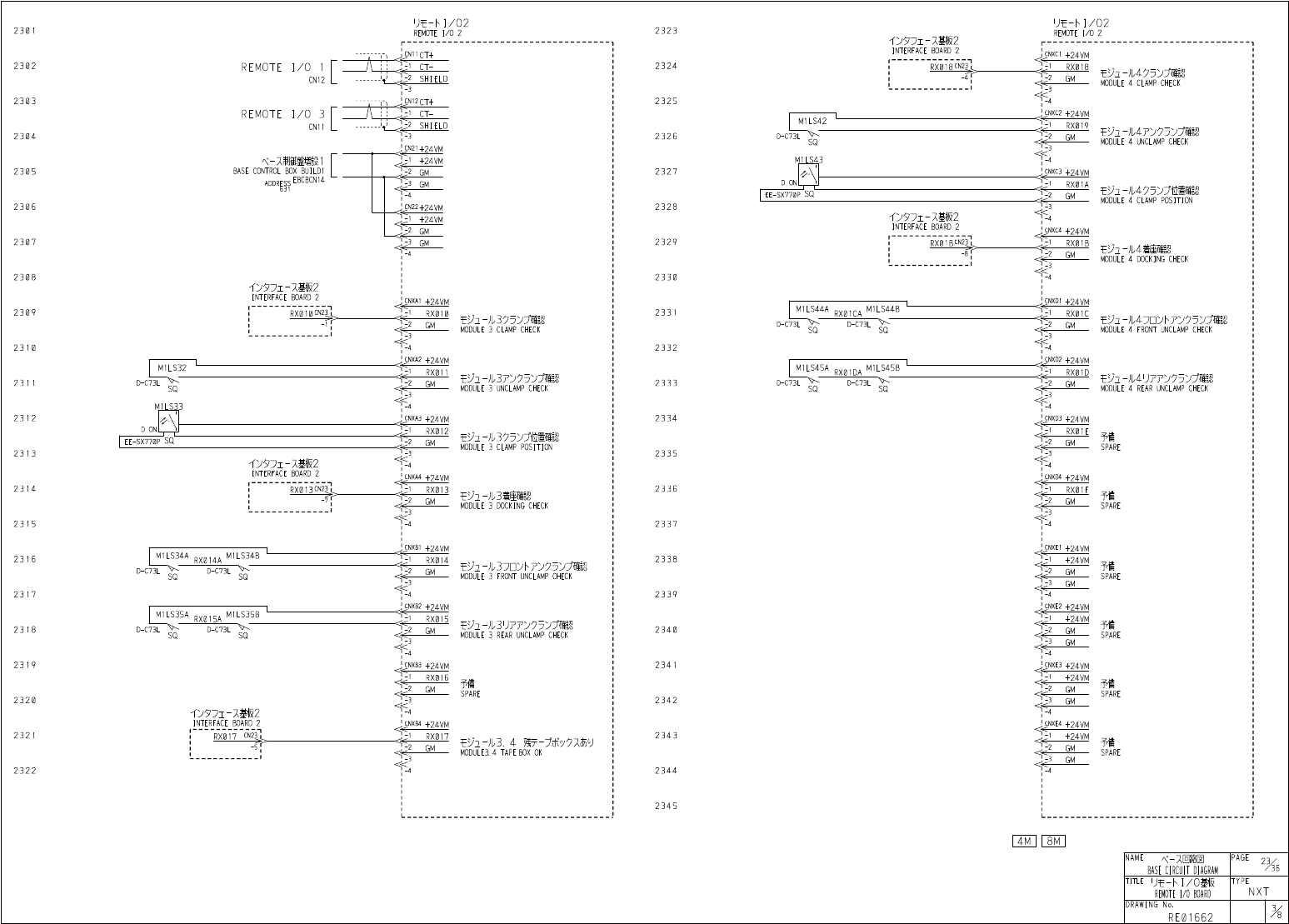
U t - M / 0 2 R E M O T E I / O 2 U t - M / 0 2 R E M O T E I / O 2 2 4 0 I 2 4 2 3 C NY A ^ + 24 - VM CNYD . + 2 4 V M M I S O L 5 E 2 4 0 2 2 4 2 4 R Y 0 1 0 R Y 0 1 C + M O D U L E ] C L A M P 予備 P R Y 0 1 C - G M S P…

Ut
-
hI
/
02
REMOTE
I
/
O
2
Ut
-
M
/
02
REMOTE
I
/
O
2
230
I
2323
<
汐夕
〕
工
-
又基 板
2
INTERFACE
BOARD
2
RX
018
HCT
+
+
24
-
VM
A
2302
2324
REMOTE
I
/
O
1
CT
-
RX
018
MODULE
4
CLAMP
CHECK
-
2
SHIELD
GM
CNI
2
^
3
1
CN
12
CT
+
2303
2325
REMOTE
I
/
O
3
;
NXC
2
+
24
VM
CT
-
MILS
42
-
2
SHIELD
RX
019
CN
11
MODULE
4
UNCLAMP
CHECK
VC
2304
2326
D
-
C
73
L
-
3
GM
SQ
CN
21
+
24
VM
M
1
LS
43
+
24
VM
BASE
CONTROL
BOX
BUILD
!
EBCBCNI
4
2305
2327
;
NXC
3
+
24
VM
GM
J
-
3
D
ON
ADDRESS
GM
RX
01
A
MODULE
4
CLAMP
POSITION
631
SQ
EE
-
SX
770
P
GM
2306
2328
22
+
24
VM
心夕
〕
x
-
X
麵
2
INTERFACE
BOARD
2
+
24
VM
-
2
GM
CNXC
4
+
24
VM
-
3
GM
2307
2329
RX
01
BCN
23
^
RX
01
B
<
1
石夕二
―
儿
4
着座 確認
MODULE
4
DOCKING
CHECK
GM
2308
2330
•
O
夕麵
2
INTERFACE
BOARD
2
RX
010
CN
231
CNXDl
+
24
VM
CNXAI
+
24
VM
M
1
LS
44
A
M
1
LS
44
B
2309
233
1
RX
010
RX
01
CA
RX
01
C
MODULE
3
CLAMP
CHECK
-
ujoybyyodyym
MODULE
4
FRONT
UNCLAMP
CHECK
V
:
V
.
SQ
D
-
C
73
L
D
-
C
73
L
GM
GM
SQ
23
1
0
2332
XA
2
+
24
VM
CNXD
2
+
24
VM
M
1
LS
45
B
MILS
32
M
1
LS
45
A
RX
01
1
RX
01
DA
RX
01
D
MODULE
3
UNCLAMP
CHECK
MODULE
4
REAR
UNCLAMP
CHECK
V
:
V
.
SQ
V
.
SQ
231
I
2333
D
-
C
73
L
D
-
C
73
L
D
-
C
73
L
GM
GM
SQ
M
1
LS
33
4
2 3 1 2
2 3 3 4
CNXA
3
+
24
VM
JjNXD
3
+
24
-
VM
D
ON
RX
012
RX
01
E
MODULE
3
CLAMP
POSITION
㈣
EE
-
SX
770
P
SQ
GM
GM
SPARE
2 3 1 3
2 3 3 5
心夕
7
工
-
纖
2
INTERFACE
BOARD
2
CNXA
4
+
24
VM
CNXD
4
+
24
VM
2 3 1 4
2 3 3 6
RX
01
RX
0
I
3
RX
01
F
予備
G M
G M
MODULE
3
DOCKING
CHECK
SPARE
2 3 1 5
2 3 3 7
工
NXBl
+
24
VM
CNXE
1
+
24
VM
M
1
LS
34
A
M
1
LS
34
B
23
16
2 3 3 8
RX
0
I
4
A
RX
014
+
24
VM
MODULE
3
FRONT
UNCLAMP
CHECK
予備
V
.
"
SQ
V
:
SQ
D
-
C
73
L
D
-
C
73
L
GM
GM
SPARE
GM
2 3 1 7
2 3 3 9
jNXB
2
+
24
VM
CNXE
2
+
24
VM
M
1
LS
35
A
MILS
35
B
RX
015
A
RX
015
+
24
VM
MODULE
3
REAR
UNCLAMP
CHECK
V
:
2 3 1 8
2 3 4 0
D
-
C
73
L
D
-
C
73
L
GM
GM
SPARE
SQ SQ
GM
2 3 1 9
2 3 4
1
CNXB
3
+
24
VM
CNXE
3
+
24
VM
RX
016
+
24
VM
予備
m
GM
GM
SPARE SPARE
2 3 2 0
2 3 4 2
G M
心夕
〕
工
-
叉基板
2
INTERFACE
B
0
ARD
_
2
c
"
N
2
"
jl
CNXB
4
+
24
VM
CNXE
4
+
24
VM
232
1
2 3 4 3
RX
017
RX
017
+
24
VM
^
1
-
)
13
,
4
残〒
-
力夕 細
M
0
DULE
1
4
TAPE
BOX
OK
予備
GM
GM
SPARE
GM
2 3 4 4
2 3 2 2
2 3 4 5
4
M
8
M
《
-
又回路図
BASE
CIRCUIT
DIAGRAM
NAME
PAGE
%
TITLE
'
Jt
-
h
1
/
0
额
REMOTE
I
/
O
BOARD
TYPE
NXT
DRAWING
No
.
RE
01662

Ut
-
M
/
02
REMOTE
I
/
O
2
Ut
-
M
/
02
REMOTE
I
/
O
2
240
I
2423
CNYA
^
+
24
-
VM
CNYD
.
+
24
VM
MISOL
5
E
2402
2424
RY
010
RY
01
C
+
MODULE
]
CLAMP
予備
P
RY
01
C
-
GM
SPARE
GM
GM
2403
2425
+
24
VM
CNYA
2
^
+
24
VM
CNYD
2
M
1
S
0
L
6
E
RY
011
RY
01
D
+
^
j
2
-
)
i
37
yo
5
yy
MODULE
]
UNCLAMP
予備
P
2404
2426
GM
RY
0
ID
-
SPARE
GM
GM
心 夕
〕
工 麵
2
INTERFACE
BOARD
2
2405
2427
NYA
卜卜
+
24
VM
CNY
+
24
VM
C
iCN
23
RY
012
RY
012
RY
01
E
+
技
]
卜
、
U
7
乃
'
刀
M
0
DULE
3
UNCLAMP
予備
GM
RY
0
IE
-
SPARE
2406
2428
GM
GM
CNYA
^
+
24
VM
CNYI
+
24
VM
M
1
SOL
38
E
2407
2429
RY
013
RY
01
F
+
^
2
-
)
i
3
jDyb
,
^
jyyyodyy
M
0
DULE
3
UNCLAMP
予備
T
p
GM
RY
01
F
-
SPARE
GM GM
2408
2430
+
24
VM
C
NYB
^
2409
243
1
RY
014
予備
GM
SPARE
GM
24
1
0
2432
CNYB
2
;
+
24
VM
RY
015
予備
241
I
2433
GM
SPARE
GM
貧
2412
2434
CNYBJJ
+
24
VM
RY
016
予備
GM
SPARE
2413
2435
GM
+
24
VM
CNYI
2414
2436
RY
017
予備
GM
SPARE
GM
2415
2437
+
24
VM
CNYC
1
M
1
S
0
L
7
E
24
16
2438
RY
018
M
0
DULE
4
CLAMP
P
GM
GM
2417
2439
+
24
VM
CNYC
2
^
M
1
S
0
L
8
E
RY
019
^
J
2
-
U
7
y
^
5
yy
M
0
DULE
4
UNCLAMP
P
2418
2440
GM
GM
心 夕
〕
工 麵
2
INTERFACE
BOARD
2
2419
244
1
CNY
,
卜
+
24
VM
CN
23
RY
01
A
RY
01
A
M
0
DULE
4
UNCLAMP
GM
2420
2442
GM
+
24
VM
CN
M
1
S
0
L
48
E
242
1
2443
RY
01
B
卜
、
U
77
^
5
S
^
M
0
DULE
4
UNCLAMP
P
GM
GM
2422
2444
2445
4
M
8
M
《
-
又回路図
BASE
CIRCUIT
DIAGRAM
NAME
PAGE
%
6
TITLE
■
Jt
-
h
1
/
0
额
REMOTE
I
/
O
BOARD
TYPE
NXT
DRAWING
No
.
%
RE
01662

Ut
-
hI
/
03
REMOTE
I
/
O
3
Ut
-
M
/
03
REMOTE
I
/
O
3
250
I
2523
<
汐夕
〕
工
-
又基板
3
INTERFACE
BOARD
3
RX
028
HCT
+
CNXC
1
+
24
VM
A
2502
2524
REMOTE
I
/
O
2
-
i
CT
-
RX
028
MODULE
6
CLAMP
CHECK
-
2
SHIELD
GM
CNI
2
^
3
1
CN
12
CT
+
2503
2525
REMOTE
I
/
O
A
;
NXC
2
+
24
VM
CT
-
MILS
62
-
2
SHIELD
RX
029
CN
11
MODULE
6
UNCLAMP
CHECK
VC
2504
2526
D
-
C
73
L
-
3
GM
SQ
CN
21
+
24
VM
M
1
LS
63
+
24
VM
BASE
CONTROL
BOX
BUILD
2
EBCBCNI
4
2505
2527
;
NXC
3
+
24
VM
GM
J
-
3
D
ON
ADDRESS
GM
RX
02
A
MODULE
6
CLAMP
POSITION
709
SQ
EE
-
SX
770
P
GM
2506
2528
22
+
24
VM
心夕
〕
x
-
X
麵
3
INTERFACE
BOARD
3
~
R
~
X
02
BCN
23
T
+
24
VM
-
2
GM
CNXC
4
+
24
VM
-
3
GM
2507
2529
RX
02
B
<
1
石夕
]
-
儿
6
鰱磋
5
MODULE
6
DOCKING
CHECK
GM
2508
2530
心夕
7
工
-
7
麵
3
INTERFACE
BOARD
3
RX
020
CN
231
CNXDl
+
24
VM
CNXAI
+
24
VM
M
1
LS
64
A
M
1
LS
64
B
2509
253
1
RX
020
RX
02
CA
RX
02
C
MODULE
5
CLAMP
CHECK
MODULE
6
FRONT
UNCLAMP
CHECK
V
:
V
.
SQ
D
-
C
73
L
D
-
C
73
L
GM
GM
SQ
25
1
0
2532
XA
2
+
24
VM
CNXD
2
+
24
VM
M
1
LS
65
A
M
1
LS
65
B
MILS
52
RX
021
RX
02
DA
RX
02
D
MODULE
5
UNCLAMP
CHECK
MODULE
6
REAR
UNCLAMP
CHECK
V
:
V
.
SQ
V
.
SQ
251
I
2533
D
-
C
73
L
D
-
C
73
L
D
-
C
73
L
GM
GM
SQ
M
1
LS
53
4
2512
2534
CNXA
3
+
24
VM
JjNXD
3
+
24
-
VM
D
ON
-
l
RX
022
RX
02
E
MODULE
5
CLAMP
POSITION
㈣
EE
-
SX
770
P
SQ
GM
GM
SPARE
2513
2535
心夕
7
工
-
纖
3
INTERFACE
BOARD
3
CNXA
4
+
24
VM
CNXD
4
+
24
VM
2514
2536
RX
023
CN
23
RX
023
RX
02
F
予備
GM
GM
MODULE
5
DOCKING
CHECK
SPARE
2515
2537
工
NXBl
+
24
VM
CNXE
1
+
24
VM
M
1
LS
54
A
M
1
LS
54
B
25
1
6
2538
RX
024
A
RX
024
+
24
VM
MODULE
5
FRONT
UNCLAMP
CHECK
予備
V
.
"
SQ
V
:
SQ
D
-
C
73
L
D
-
C
73
L
GM
GM
SPARE
GM
2517
2539
jNXB
2
+
24
VM
CNXE
2
+
24
VM
M
1
LS
55
A
MlLS
55
B
RX
025
A
RX
025
+
24
VM
MODULE
5
REAR
UNCLAMP
CHECK
V
:
2518
2540
D
-
C
73
L
D
-
C
73
L
GM
GM
SPARE
SQ SQ
GM
2519
254
1
CNXB
3
+
24
VM
CNXE
3
+
24
VM
RX
026
+
24
VM
予備
m
GM
GM
SPARE SPARE
2520
2542
GM
心夕
〕
工
-
叉基板
3
INTERFACE
B
0
ARD
_
3
c
"
N
2
"
jl
CNXB
4
+
24
VM
CNXE
4
+
24
VM
252
1
2543
RX
027
RX
027
+
24
VM
6
残 〒
-
力 夕 細
MODULES
.
6
TAPE
BOX
OK
予 備
GM
GM
SPARE
GM
2544
2522
2545
8
M
《
-
又回路図
BASE
CIRCUIT
DIAGRAM
NAME
PAGE
%
TITLE
'
Jt
-
h
1
/
0
额
REMOTE
I
/
O
BOARD
TYPE
NXT
DRAWING
No
.
%
RE
01662