Schmtic_NXT_03_ - 第54页
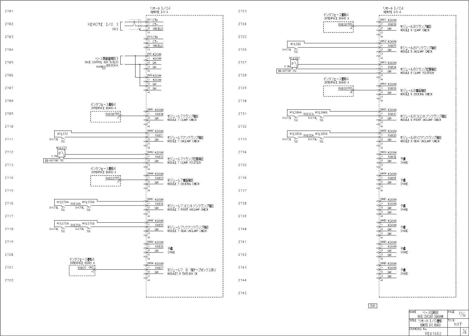
1 宂 - 卜 1 / 0 4 REMOTE I / O 4 U t - M / 0 4 REMOTE I / O 4 280 I 2 8 2 3 CNYA ^ + 24 - VM CNYD . + 24 VM M 1 S 0 L 13 E 2 8 0 2 2 8 2 4 RY 030 RY 03 C + M 0 DULE 7 CLAMP 予備 P RY 03 C - GM SPARE GM GM 2 8 0 3 2 8 2 5 + 2…

Ut
-
M
/
04
REMOTE
I
/
O
4
Ut
-
hI
/
04
REMOTE
I
/
O
4
270
I
2723
<
汐夕
〕
工
-
又基板
4
INTERFACE
BOARD
4
RX
038
HCT
+
CNXC
1
+
24
VM
A
2702
2724
REMOTE
I
/
O
3
-
i
CT
-
RX
038
石为
-
儿
8
夕
5
>
艾確認
MODULE
8
CLAMP
CHECK
-
2
SHIELD
GM
CNI
2
^
3
1
CN
12
CT
+
2703
2725
二
1
CT
-
;
NXC
2
+
24
VM
MILS
82
SHIELD
RX
039
^
Ji
-
)
iQ
7
y
^
5
yyw
^
MODULE
8
UNCLAMP
CHECK
VC
2704
2726
D
-
C
73
L
GM
SQ
CN
21
+
24
VM
M
1
LS
83
+
24
VM
BASE
CONTROL
BOX
BUILD
3
EBCBCNI
4
2705
2727
;
NXC
3
+
24
VM
GM
J
-
3
D
ON
ADDRESS
GM
RX
03
A
MODULE
8
CLAMP
POSITION
731
SQ
EE
-
SX
770
P
GM
2706
2728
22
+
24
VM
心夕
〕
x
-
X
麵
4
INTERFACE
BOARD
4
+
24
VM
-
2
GM
CNXC
4
+
24
VM
-
3
GM
2707
2729
RX
03
BCN
23
^
RX
03
B
<
1
石夕
]
-
儿
8
鰱確
IS
MODULE
8
DOCKING
CHECK
GM
2708
2730
心夕
7
工
-
7
麵
4
INTERFACE
BOARD
4
RX
030
CN
231
CNXDl
+
24
VM
CNXAI
+
24
VM
M
1
LS
84
A
M
1
LS
84
B
2709
273
1
RX
030
RX
03
CA
RX
03
C
MODULE
7
CLAMP
CHECK
-
儿
8
xrm
夕
MODULE
8
FRONT
UNCLAMP
CHECK
V
:
V
.
SQ
D
-
C
73
L
D
-
C
73
L
GM
GM
SQ
27
1
0
2732
XA
2
+
24
VM
CNXD
2
+
24
VM
M
1
LS
85
A
M
1
LS
85
B
MILS
72
RX
031
RX
03
DA
RX
03
D
MODULE
7
UNCLAMP
CHECK
MODULE
8
REAR
UNCLAMP
CHECK
V
:
V
.
SQ
V
.
SQ
271
I
2733
D
-
C
73
L
D
-
C
73
L
D
-
C
73
L
GM
GM
SQ
M
1
LS
73
4
2712
2734
CNXA
3
+
24
VM
JjNXD
3
+
24
-
VM
D
ON
RX
032
RX
03
E
MODULE
7
CLAMP
POSITION
㈣
EE
-
SX
770
P
SQ
GM
GM
SPARE
2713
2735
心夕
7
工
-
纖
4
INTERFACE
BOARD
4
RX
033
CNXA
4
+
24
VM
CNXD
4
+
24
VM
2714
2736
RX
033
RX
03
F
予備
GM
GM
MODULE
7
DOCKING
CHECK
SPARE
2715
2737
工
NXBl
+
24
VM
CNXE
1
+
24
VM
M
1
LS
74
A
M
1
LS
74
B
2716
2738
RX
034
A
RX
034
+
24
VM
MODULE
7
FRONT
UNCLAMP
CHECK
予備
V
.
"
SQ
V
:
SQ
D
-
C
73
L
D
-
C
73
L
GM
GM
SPARE
GM
2717
2739
jNXB
2
+
24
VM
CNXE
2
+
24
VM
M
1
LS
75
A
MILS
75
B
RX
035
A
RX
035
+
24
VM
MODULE
7
REAR
UNCLAMP
CHECK
V
:
2718
2740
D
-
C
73
L
D
-
C
73
L
GM
GM
SPARE
SQ SQ
GM
2719
274
1
CNXB
3
+
24
VM
CNXE
3
+
24
VM
RX
036
+
24
VM
予備
m
GM
GM
SPARE SPARE
2720
2742
GM
心夕
〕
工
-
叉基板
4
INTERFACE
B
0
ARD
_
4
c
~
N
2
~
jl
CNXB
4
+
24
VM
CNXE
4
+
24
VM
272
1
2743
RX
037
RX
037
+
24
VM
砍
-
儿
7
、
8
残〒
-
力夕細
MODULE
!
8
TAPE
BOX
OK
予備
GM
GM
SPARE
GM
2744
2722
2745
8
M
《
-
又回路図
BASE
CIRCUIT
DIAGRAM
NAME
PAGE
%
6
TITLE
'
Jt
-
h
1
/
0
额
REMOTE
I
/
O
BOARD
TYPE
NXT
DRAWING
No
.
14
RE
01662

1
宂
-
卜
1
/
04
REMOTE
I
/
O
4
Ut
-
M
/
04
REMOTE
I
/
O
4
280
I
282 3
CNYA
^
+
24
-
VM
CNYD
.
+
24
VM
M
1
S
0
L
13
E
280 2
282 4
RY
030
RY
03
C
+
M
0
DULE
7
CLAMP
予備
P
RY
03
C
-
GM
SPARE
GM
GM
280 3
282 5
+
24
VM
CNYA
2
^
+
24
VM
CNYD
2
M
1
S
0
LUE
RY
031
RY
03
D
+
^
-
iiiyyodyy
M
0
DULE
7
UNCLAMP
予備
P
280 4
282 6
GM
SPARE
GM
GM
心夕
〕
I
麵
4
INTERFACE
BOARD
4
280 5
282 7
NYA
卜卜
+
24
VM
CNY
+
24
VM
C
iCN
23
R
丫
032
RY
032
RY
03
E
+
技
]
47
XD
卜
、
U
7
乃
'
刀
M
0
DULE
7
UNCLAMP
予備
GM
SPARE
280 6
282 8
GM
GM
CNYA
^
+
24
VM
CNYI
+
24
VM
M
1
S
0
L
78
E
280 7
282 9
RY
03
F
+
M
0
DULE
7
UNCLAMP
予備
T
p
GM
SPARE
GM
GM
280 8
283 0
+
24
VM
C
NYB
^
280 9
283
1
予備
GM
SPARE
GM
28
1
0
28 32
CNYB
2
;
+
24
VM
RY
03 5
予備
281
I
283 3
GM
SPARE
GM
貧
281 2
283 4
CNYBJJ
+
24
VM
予備
GM
SPARE
281 3
283 5
GM
+
24
VM
CNYI
281 4
283 6
予備
GM
SPARE
GM
281 5
283 7
+
24
VM
CNYC
1
M
1
S
0
L
15
E
28
16
283 8
晚
-
儿
8
夕初
M
0
DULE
8
CLAMP
P
GM
GM
281 7
283 9
+
24
VM
CNYC
2
M
1
S
0
L
16
E
RY
039
-
»
砍
-
儿
8
,
力
M
0
DULE
8
UNCLAMP
P
281 8
284 0
GM
GM
心夕
〕
工麵
4
INTERFACE
BOARD
4
281 9
284
1
CN Y
,
卜
+
24
VM
CN
23
RY
03
A
RY
03
A
-
)
18
jayh
,
U
7
^
75
^
M
0
DULE
8
UNCLAMP
GM
282 0
284 2
GM
+
24
VM
CN
M
1
S
0
L
88
E
282
1
284 3
卜
、
U
77
^
5
S
^
M
0
DULE
8
UNCLAMP
P
GM
GM
282 2
284 4
284 5
8
M
《
-
又回路図
BASE
CIRCUIT
DIAGRAM
NAME
PAGE
%
TITLE
■
Jt
-
h
1
/
0
额
REMOTE
I
/
O
BOARD
TY PE
NXT
DRAWING
No
.
%
RE
01662

fe
:
^
CLLE
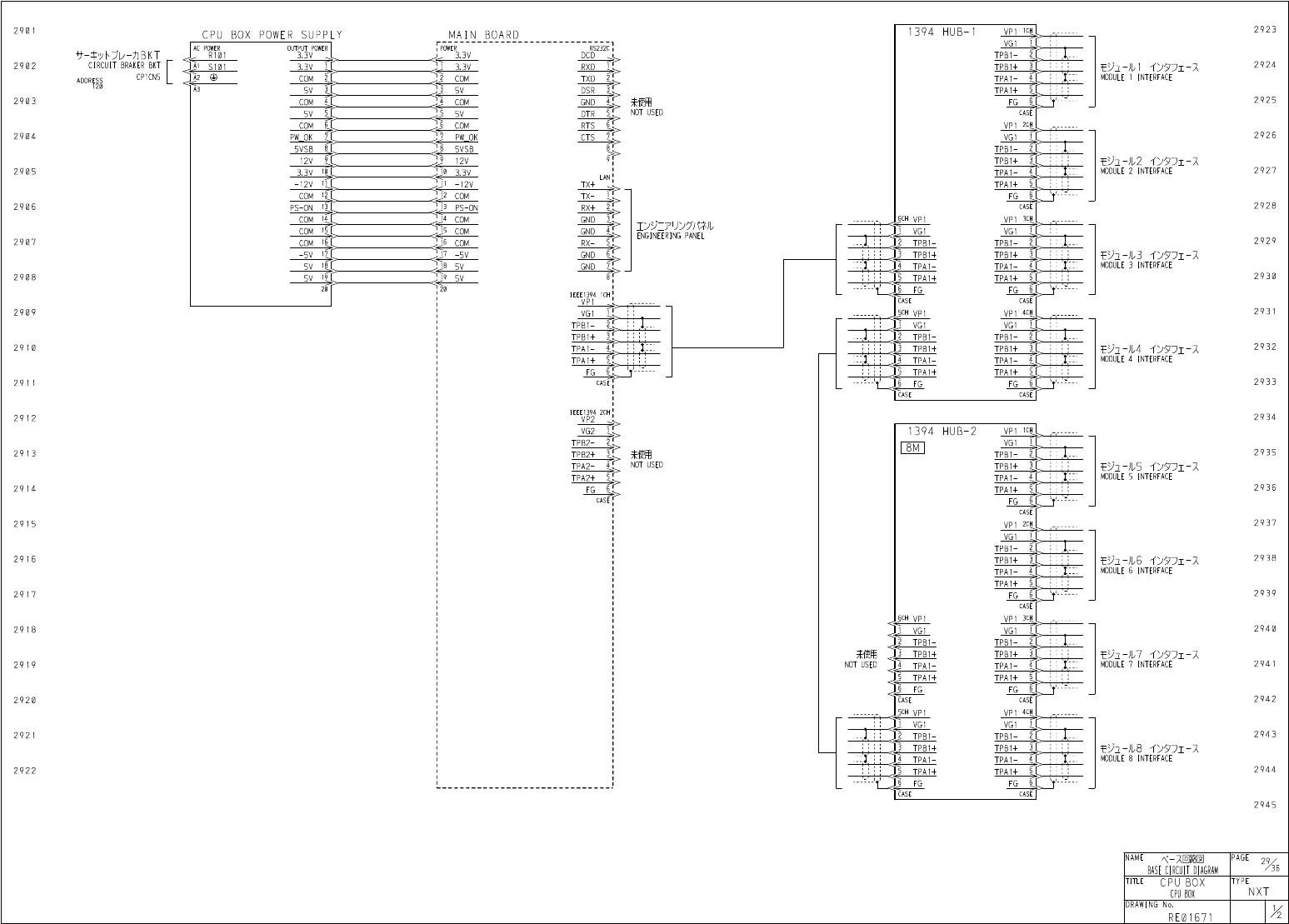
2923
290
I
1394
HUB
-
1
VP
1
CPU
BOX
POWER
SUPPLY
MAIN
BOARD
VG
1
RS
232
C
AC
POWER
〆
R
101
OUTPUT
POWER
3.3
V
、
POWER
廿
-
牛
、
外
HBKT
CIRCUIT
BRAKER
BKT
CP
1
CNS
3.3
V
DCD
TPB
1
-
2924
夕
7
工一又
MODULE
I
INTERFACE
2902
S
101
3.3
V
3.3
V
RXD
TPB
1
+
©
TPA
1
-
1
TPA
1
+
5
COM
1
、
j
COM
TXD
ADDRESS
3
~
A
3
5
V
5
V
DSR
2925
纖
NOT
USED
2903
COM COM
GND
FG
5
V
^
COM
^
CASE
5
V
DTR
VPl
2
C
COM
RTS
f
2926
2904
PW
OK
PW
0
K
CTS
VG
1
5
VSB
TPB
1
-
[
〔
LC
砍
-
儿
2
心夕
〕
工
-
又
MODULE
2
INTERFACE
12
V
12
V
TPB
1
+
r
2927
2905
3.3
V
3.3
V
TPA
1
-
LAN
TPA
1
+
5
-
12
V
i
-
12
V
TX
+
!
12
Cp
COM COM
TX
-
FG
2928
2906
3
RX
+
l
CAS
PS
-
ON
PS
-
ON
jCH
ypi
VPl
3
C
1
COM COM
GND
工
二
7
切浪儿
ENGINEERING
PANEL
COM
'
5
COM
GND
VGI
VG
1
2929
2907
COM
l
TPB
1
COM
RX
-
TPB
1
-
J
2
O
夕
7
工
-
又
MODULE
3
INTERFACE
GND
1
-
5
V
TPB
1
+
TPB
1
+
5
V
5
V
GND
TPA
1
-
TPA
1
-
2930
2908
j
TPA
1
+
TPA
1
+
j
5
V
5
V
2
rr
FG
FG
IEEE
1394
1
CH
CASECASE
VPl
293
1
2909
JJCHVP
]
VPMCHI
VGI
〕
]
[
〔
TPB
1
-
VGI VGI
rnn
〕
]
TPB
1
+
TPB
1
-
TPB
1
-
[
〔
2932
心夕
〕
工
-
又
MODULE
4
INTERFACE
29
1
0
TPA
1
-
TPB
1
+
TPB
1
+
4
TPA
1
-
TPA
1
+
TPA
1
-
j
TPA
1
+
TPA
1
+
j
FG
2933
29
1
I
CASI
FG
FG
CASE
CASE
IEEE
1394
2
CH
2934
2912
VP
2
1394
HUB
-
2
VG
2
VPl
VGI
2935
纖
NOT
USED
2913
TPB
2
+
TPB
1
-
O
夕
7
工
-
又
MODULE
5
INTERFACE
TPB
1
+
L
TPA
1
-
TPA
2
+
2936
2914
TPA
1
+
l
FG
CASI
FG
CASf
2937
2915
VPl
2
CH
VGI
M
.
1
TPB
1
-
r
2938
晚
-
儿
6
夕
7
工
-
又
MODULE
6
INTERFACE
29
1
6
TPB
1
+
TPA
1
-
4
:
:
:
TPA
1
+
i
2939
2917
FG
CASE
jCH
ypi
vpijcH
2940
2918
VGI VGI
2
TPB
1
TPB
1
-
t
j
TPB
1
+
未使用
NOT
USED
晚
-
儿
7
心夕
〕
工
-
又
MODULE
7
INTERFACE
TPB
1
+
2941
2919
TPA
1
-
TPA
1
-
j
TPA
1
+
TPA
1
+
L
6
FG FG
2942
2920
CASE
:
ASE
l
5
CH
VP
]
VPMCHI
VGI VGI
2943
292
1
J
TPB
1
-
TPB
1
-
TPB
1
+
3
石
:
-
儿
8
心夕
〕
工
-
;
l
MODULE
8
INTERFACE
TPBH
:
:
:
I
TPA
1
-
TPA
1
-
2944
2922
j
TPA
14
-
TPA
1
+
1
FG
FG
CASE
CASE
2945
《
-
又回路図
BASE
CIRCUIT
DIAGRAM
NAME
PAGE
%
6
TITLE
TYPE
CPU
BOX
CPU
BOX
NXT
DRAWING
No
.
%
RE
01671