Schmtic_NXT_03_ - 第57页
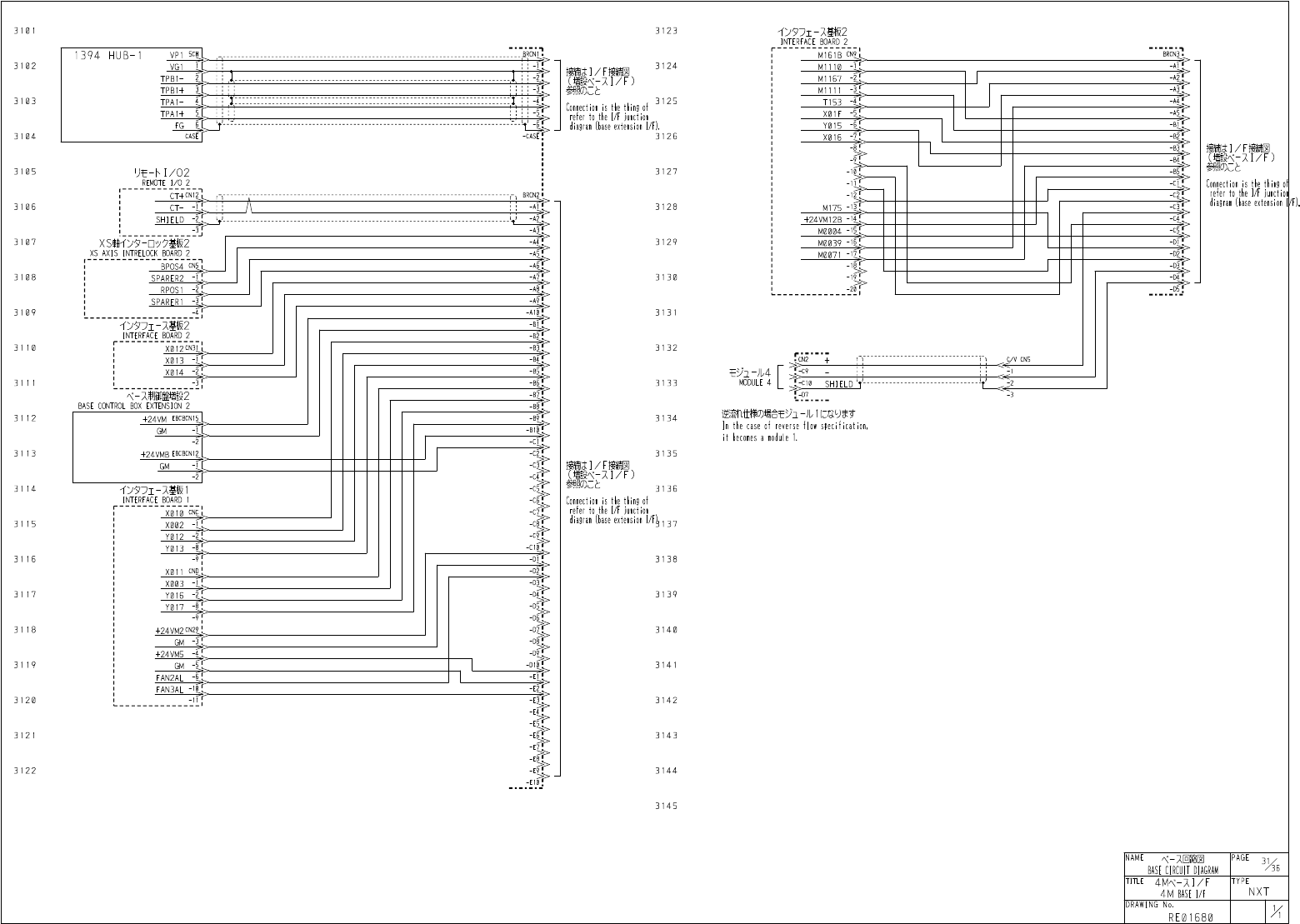
心夕 〕 工 - 纖 2 I N T E R F A C E B O A R D 2 3 1 0 1 3 1 2 3 ■ " B R CN 3 1 1 3 9 4 H U B - 1 V P 1 B C H £ RCN 1 M 1 6 1 B 3 1 0 2 3 1 2 4 V G 1 M 1 1 1 0 ? I ¥ ^ ) T P B 1 - l M l 1 6 7 T P B 1 + 3 M 1 1 1 1 : I I ,…

心夕
〕
工
-
又麵
1
INTERFACE
BOARD
I
心夕
〕
工
_
;
(
基板
1
3023
INTERFACE
BOARD
I
300
I
EXTENSION
BOARD
EXTENSION
BOARD
EXTENSION
BOARD
UART
chM
RX
1
DI
/
DO
I
DI
/
DO
2
l
^
GM
^
GM
DI
1
COM
—
1
DI
2
C
0
M
1
3024
3002
TX
1
Dll
00
X
000
DI
2
00
X
010
■
r
52
CTS
1
Dll
01
X
001
DI
2
01
X
01
1
RTS
」
Dll
02
X
002
DI
2
02
X
012
3025
3003
GND
Dll
03
X
003
DI
2
03
X
013
-
5
X
004
Dll
04
DI
2
04
X
014
GND
6
6
RX
一
2
Dll
05
X
005
DI
2
05
X
015
3026
3004
TX
2
DM
06
X
006
DI
2
06
X
016
二二
8
X
017
Dll
07
i
DI
2
07
^
CTS
2
X
007
RTS
2
Dll
08
X
008
DI
2
08
X
018
未使用
NOT
USED
3027
3005
0
X
009
0
X
019
RX
3
Dll
09
DI
2
09
X
00
A
-
H
X
01
A
TX
」
Dll
10
DI
2
10
2
12
:
12
X
00
B
2
X
01
B
CTS
3
Dll
11
DI
2
11
3028
3
0
0
6
-
'
3
X
00
C
3
X
01
C
RTS
」
Dll
12
DI
2
12
DI
1
13
1
生
-
14
X
00
D
-
14
X
01
D
GND
DI
2
13
;
'
5
X
00
E
X
01
E
GND
Dll
14
DI
2
14
3029
3007
Dll
15
-
16
X
00
F
-
16
X
01
F
RX
4
DI
2
15
-
17
GM
z
'
1
GM
TX
4
Dll
COMJ
DI
2
COM
0
1
开
-
卜
1
/
01
REMOTE
I
/
O
I
r
卜
-
18
-
18
NC
I
CTS
4
NC
^
,
9
3030
3008
19
RTS
4
NC NC
NC NC
UART
ch
5
DCD
5
I
丫
000
1
CT
-
'
Y
010
D
01
00
D
02
00
303
1
3009
-
22
Y
001
:
2
SHIELD
D
01
01
D
02
01
丫
0 11
RXD
5
二
23
丫
002
二
23
丫
01
2
DPI
02
D
02
02
TXD
5
I
T
>
丫
003
CN
12
CT
+
二
24
Y
013
D
01
03
D
02
03
A
DSR
5
3032
30
1
0
丫
004
二
H
Y
0
H
D
01
04
D
02
04
CT
-
未使用
NOT
USED
I
GND
IE
6
丫
005
D
01
05
SHIELD
D
02
05
丫
015
DTR
5
7
丫
006
-
3
D
01
06
D
02
06
Y
016
RTS
5
28
C
2
^
28
C
2
^
3033
301
I
-
28
丫
007
-
28
丫
01
7
D
01
07
D
02
07
CTS
5
29
丫
008
29
Y
018
D
01
08
D
02
08
Ut
-
卜
1
/
02
REMOTE
I
/
O
2
RI
D
01
09
3
'
-
30
Y
009
30
丫
019
D
02
09
Si
j
Y
00
D
3034
3 0 1 2
SHELL
UART
ch
6
DCD
6
l
Y
00
A
D
01
10
D
02
10
丫
01
A
HCT
+
D
01
11
Y
00
B
D
02
11
Y
01
B
有
RXD
6
Y
00
C
CT
-
Y
01
C
Y
01
D
DPI
12
D
02
12
IE
3035
3013
TXD
6
I
D
01
13
SHIELD
D
02
13
-
35
Y
00
E
-
3
二
3
S
Y
01
E
DSR
6
D
01
14
D
02
14
GND
4
^
綱
NOT
USED
CN
12
CT
+
3
.
二
36
Y
01
F
DPI
15
Y
00
F
D
0215
r
~
!
-
i
A
3036
30
14
-
37
-
37
DTR
6
NC
CT
-
NC
^
38
+
24
VMI
:
2
SHIELD
二
38
+
24
VMI
RTS
6
DPI
COM
,
1
D
02
C
0
M
1
•
3
-
39
+
24
VMI
CTS
6
D
01
COM
一
0
+
24
VM
1
DQ
2
COM
0
30 37
30 15
-
40
-
40
RI
Ut
-
卜
1
/
03
REMOTE
I
/
O
3
UART
ch
7
DCD
7
30 38
30
16
RXD
7
HCT
+
TXD
7
I
CT
-
DSR
7
30 39
30 17
SHIELD
GND
iL
纖
NOT
USED
CUnet
-
3
CU
-
A
ht
DTR
7
CN
12
CT
+
CU
-
B
>
I
-
!
-
i
RTS
7
/
V
3040
30
18
FG
CT
-
CTS
7
3
SHIELD
RI
3041
30
19
UART
ch
8
DCD
8
UE
-
hI
/
04
REMOTE
I
/
O
4
RXD
8
30 42
30 20
TXD
8
DSR
8
纖
NOT
USED
GND
i
CT
-
30 43
30 2
1
:
2
SHIELD
DTR
8
RTS
8
CTS
8
l
12
CT
+
3044
-
30 22
CT
-
RI
9
SHIELD
30 45
《
-
又回路図
BASE
CIRCUIT
DIAGRAM
NAME
PAGE
%
TITLE
TYPE
CPU
BOX
CPU
BOX
NXT
DRAWING
No
.
%
RE
01671

心夕
〕
工
-
纖
2
INTERFACE
BOARD
2
3
10
1
3 1 2 3
■
"
BRCN
31
13 94
HU B
-
1
VP
1
BCH
£
RCN
1
M
161
B
3
1
02
3
124
VG
1
M
11 10
?
I
¥
^
)
TPB
1
-
l
Ml
167
TPB
1
+
3
M
1 11 1
:
I
I
,
3
103
3 1 2 5
TPA
1
-
T
153
Connection
is
Ihe
thing
ol
refer
to
the
I
/
F
junction
diagram
(
base
extension
I
/
F
)
.
TPA
1
+
5
X
01
F
-
5
l
FG
f
Y
015
霧
3
1
04
3 1 2 6
CASE
E
X
016
3
105
3 1 2 7
1
开
-
卜
1
/
02
REMOTE
I
/
O
2
Connection
is
tlie
thing
ol
refer
to
the
I
/
F
junction
diagram
(
base
extension
I
/
F
)
.
f
卜
BRCN
2
CT
+
A
3
10
6
3 1 2 8
M
175
-
ij
CT
一
+
24
VM
12
B
SHIELD
M
0004
-
1
3
107
XS
軸心夕
-
口以夕基板
2
XS
AXIS
INTRELOCK
BOARD
2
BP
0
S
4
CN
{
3 1 2 9
M
0039
i
M
0071
3
108
3 1 3 0
-
Ai
RP
0
S
1
-
A
1
SPARER
1
3
109
3
13
1
-
A
1
心夕
〕
工
-
又基板
2
INTERFACE
BOARD
2
X
012
CN
3
J
'
}
'
H
>
3
110
3
1
32
-
B
TCN
"
IE
C
/
V
CN
5
X
013
ty
]
-
儿
4
MODULE
4
X
014
■
i
3
3 1 3 3
1 0
SHIELD
T
又制繼設
2
BASE
CONTROL
BOX
EXTENSION
2
-
B
;
逝飢仕
_
場合
ty
]
-
儿
i
izr
^
m
fl ow
specilication
,
3 1 1 2
3
1 3 4
+
24
VM
EBCBC
-
Bc
In
the
it
becomes
a
module
I
.
ol
case
reverse
-
B
1
G M
3 1 1 3
3 1 3 5
+
24
VMB
EBCBCN
12
IF
璦
■
:
I
/
F
接続図
、
rn
^
zt
Connection
is
the
thing
ol
refer
to
the
I
/
F
junction
diagram
(
base
extension
G M
心夕
〕
工
-
又基板
1
INTERFACE
BOARD
I
3
114
3 1 3 6
-
C
.
I
/
F
^
3 1 1 5
1
37
X
002
丫
012
丫
013
3
116
3 1 3 8
1
X
011
X
003
3 1 1 7
3 13 9
丫
0 1 6
Y
017
3 1 1 8
3
U
0
CN
2
卜卜
+
24
VM
2
GM
-
D
(
+
24
VM
5
3 1 1 9
3
U
1
-
D
1
G M
FAN
2
AL
FAN
3
AL
-
1
3
1 20
3
U
2
3 1 2 1
3 14 3
3
1 44
3 12 2
-
El
3 1 4 5
《
-
又回路図
BASE
CIRCUIT
DIAGRAM
NAME
PAGE
3
XB
TITLE
TYPE
歓一
;
U
/
F
4
M
BASE
I
/
F
NXT
DRAWING
No
.
X
RE
016 80

069103
d
X
•
ON
SNlsvg
J
/
ls
NoisMt
1
XN
ILLJdAll
isli
〕
_
IKIy
ILLJICJvd
ILLJil
Lnsrn
s
f
少
V
IVrnNVJ
17
rzm
zCSIzrn
ALU
(
CVJdld
ioVA
sfevd
)
(
CNrNo
-
観
o
'
o
ij
_
_
l
§
1
LnNAt
(
N
+
Vv
L
3
_
rnNvi
5
ZE
IZZE
93
M
LnLU
—
—
VJ
2
'
A
3
.
(
j
/
l
uo
!
SSJXa
as
_
2
)
lJ
6
B
!
f
吋
CNnn
uo
!
pun
二
n
}
J
^
J
_
ljo
6
Ji
^
s
'
~
0
!
pauJ
0
CSIZE
□
M
(
xslglgo
)
s
雪
)
CNNVJOMnooo
NV
1
V
CSJNA
17
CSJ
-
I
-
CNINVJm
Isdvds
【
soda
一对
CNrn
6
lCNrn
01
a
-
i
/
lf
sLLJis
对
sodCQLn
:
:
:
c
—
卜
5
A
9
l
/
_
'
\
lc
5
CNE
81
CS
1
E
s
'
cslgvogsINI
sixv
sx
910
A
:
i
rn
00
x
SI
l
10
X
6
rnCSJE
卜
lCSJE
s
'
CNgvsyvjslm
iK
—
HKAV
r
-
-
f
s
'
•
53
lnpo
=
ioJJ
!
Mlons
二
!
:
iads
gll
asjasj
Joss
_
2
}
II
】
oornovirn
91
CNJE
6
-
Q
wr
SA
01
V
■
-
(
j
/
l
uo
!
suas
9
s
_
2
)
5
.
?
p
!
llolpun
^
-
l
务
0
一
J
,
f
J
jMJi
af
s
!
.
ipauJ
Z
10
A
f
.
r
IX
卜
rntNrn
as
_
2
)
56
Bi
CSJrn
83
1
•
{
j
/
|
.
lsssi
uo
!
lif
j
/
|
af
。
1
」
ajaj
|
0
6
U
!
l
|
i
31
|
一
S
一
UG
!
P
9
UUC
3
al
_
JIIUJIIHS
>
-
010
X
V
5
i
_
i
:
s
!
_
y
!
_
vs
:
Isl
_
_
函
K
-
HRAV
8
31
n
_
81
T
5
I
+
J
0
u
?
xbKi
-
-
}
圍
J
/
I
囊
LOrnCSJrn
tlCSJrn
§
19
7
:
1
1
.
VJT
§
9
MA
17
CNJ
+
95
SCQ
LnfncvlE
£
lCSJ
£
s
csl
_
-
3
f
•
g
d
|
npoiu
B
S
9
§
3
{
!
rr
3
S
¥
§
01
T
c
£
ol
一
sllpcuds
M
0
|
|
asJa
>
AaJ
|
0
£
§
2
oof
s
泥
a
?
a
^
-
H
}
s
^
ass
lNAtCN
+
33
s
9
l
-
IJ
\
17
s
CSJlCSIrn
f
lglsN
3
ixLIJxoco
_
_
lgiNC
0 3
svg
―
謹面
r
<
JV
f
.
rn
-
r
-
-
g
—
alILUIIHSy
-
rnECVJE
l
lCSJrn
LnLLJ
_
ln
_
LnllrlAg
:
V
f
m
1710
X
—
E
10
X
g
A
/
3
SM
CSJ
10
X
0
SO
「
ri
:
s
!
—
y
!
—
vs
:
IN
_
f
丨
5
權
r
<
—
HRrv
CNIrnznn
0
lzrn
i
'
f
IS
f
lrnCNIrn
60
zrn
01
V
-
sdvds
SI
ISOdV
^
s
'
i
.
lv
f
f
uLLJavds
0
rnCSJrn
80
CSJE
s
'
61
-
,
VSOdJ
_
l
_
g
!
l
!
_
8
:
cd
!
llNI
-
:
i
:
ix
8
s
-
f
rn
00
I
卜
TN
2
a
—
f
w
'
r
vCNcslicsl
+
9
6
cslCNrn
A
0
CVJrn
7
V
.
—
z
>
0
isT
,
Tlv
-
wr
:
*
,
Br
>
si
^
alLLJIHS
V
f
f
Lnlrn
—
13
-
{
j
/
l
U
0
!
SS
29
J
)
营
J
6
B
!
-
15
-
<
N
'
rn
uo
!
p
.
ts
-
al
!
J
0
一
Jal
jo
oJi
9
一
|
一
S
!
.
il
3
auu
03
90
CS
1
E
iv
_
㈡
£
11
■
Tpl
/
7
_
31
i
!
s
:
to
/
Hlirl
•
S
5
111
!
*
S
}
3
auusr
:
c
=
0
!
le
3
!
j
!
3
adssl
j
assAaJ
JoassallJ
uj
羅
:
sLns
義議
CSJl
—
z
,
§
19
LZZl
S
0
ZE
07
AJIJi
ic
^
Ill
)
aM
丫
r
f
910
X
!
svv
对
0
zrn
CNJr
-
n
—
3
SV
:
LnsA
9
LL
-
19
M
7
TW
ivdi
f
SM
rnLnil
—
Ivdi
I
I
scslZE
sCSJrn
+
sdl
—
…
m
5
z
.
9151
'
CQdl
—
7
.
.
:
.
mi
OA
l
^
CNrn
CNJ
0
CNrn
Llt
'
T
IVM
1
—
g n H
snnl
9
l
9
i
IdA
§
19
」
1
l
al
33
VJS
1
N
1
函
K
-
HRrv
rnCSICNrn
1
0
CNrn