Schmtic_NXT_03_ - 第6页
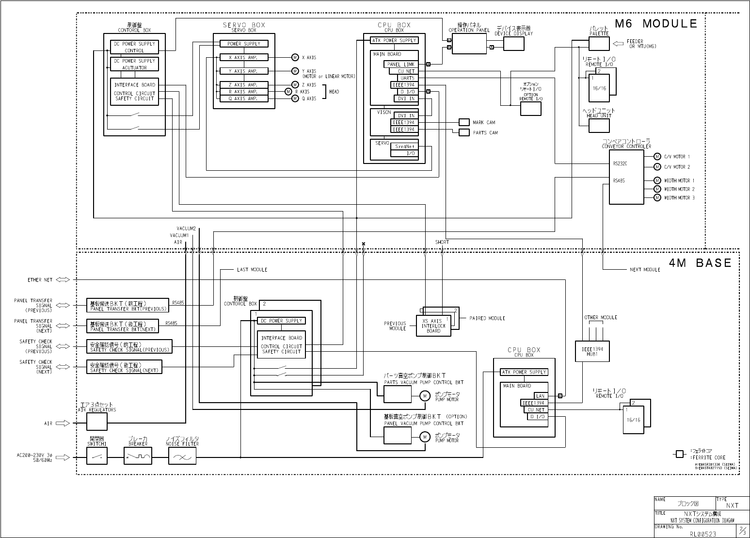
M 3 M O D U L E 隨 O P E S K N E L C P U B O X CPU BOX S E R V O B O X SERVO BOX 雜爾丫 1 ATX POWER SUPPLY | Ha ] P O W E R SUPPLY | < C ^ FEEDER DC POWER SUPPLY CONTROL H 3 ^ MAIN BOARD o X AXIS AMP . X AXIS U K 0 DC POW…

M
6
MODULE
隨
OPESKNEL
CPU
BOX
CPU
BOX
SERVO
BOX
SERVO
BOX
雜爾丫
1
ATX
POWER
SUPPLY
|
Ha
FEEDER
OR
MTU
(
M
6
)
]
P O W E R
SUPPLY
|
<
=
□
DC
POWER
SUPPLY
CONTROL
H
3
^
MAIN
BOARD
o
X
AXIS
AMP
.
X
AXIS
UK
0
DC
POWER
SUPPLY
ACUTUATOR
|
PANEL
L
1
MK
0
©
I
CU
NET
Y
AXIS
AMP
.
Y
AXIS
(
MOTOR
or
LINEAR
MOTOR
)
|
UART
5
—
©
Z
AXIS
-
i
@
R
AXIS
—
©
Q
AXIS
J
才为
3
>
Ut
-
hl
/
O
OPTION
REMOTE
I
/
O
I
IEEE
1394
INTERFACE
BOARD
CONTROL
CIRCUIT
SAFETY
CIRCUIT
Z
AXIS
AMP
.
16
/
16
|
D
I
/
O
-
0
~
R
AXIS
AMP
.
HEAD
|
DVI
IN
Q
AXIS
AMP
.
ISS
卜
VI
SON
I
DVI
IN
□
IEEE
1394
MARK
CAM
IEEE
1394
PARTS
CAM
C
^
VSC
^
O
-
LS
SERVO
SynqNet
I
/
O
—
©
C
/
V
^
©
C
/
V
MOTOR
1
RS
232
C
MOTOR
2
—
©
©
RS
485
WIDTH
MOTOR
I
WIDTH
MOTOR
2
WIDTH
MOTOR
3
VACUUM
2
VACUUM
1
AIR
SHORT
■
V
4
M
BASE
LAST
MODULE
NEXT
MODULE
ETHER
NET
<
=
C
>
CONTSPBOXrr
PANEL
TRANSFER
RS
485
SIGNAL
<
^
>
(
PREVIOUS
)
5
2
OTHER
MODULE
PAIRED
MODULE
J
DC
POWER
SUPPLY
|
PANEL
TRANSFER
XS
AXIS
INTERLOCK
BOARD
RS
485
證送了謚通
4
U
PREVIOUS
MODULE
SIGNAL
(
NEXT
)
INTERFACE
BOARD
CONTROL
CIRCUIT
SAFETY
CIRCUIT
SAFETY
CHECK
flEM
^
LCPREV
.
OUS
)
SIGNAL
<
=
>
(
PREVIOUS
)
IEEE
1394
CPU
BOX
CPU
BOX
HUB
1
SAFETY
CHECK
SIGNAL
<
^
>
(
NEXT
)
ATX
POWER
SUPPLY
八一
、
:
/
真空朮
制御
BKT
PARTS
VACUUM
PUMP
CONTROL
BKT
MAIN
BOARD
'
^
OTV
^
O
0
|
LAN
□
I
IEEE
1394
IrP
1
AfR
^
I
^
RS
|
CU
NET
ID
I
/
O
基板真空
(
OPTION
)
PANEL
VACUUM
PUMP
CONTROL
BKT
16
/
16
AIR
-
Q
織
fo
?
SIMI
■
Jzyil
'
JF
:
FERRITE
CORE
-
□
-
AC
200
230
V
30
50
/
60
Hz
^
>
n
—
A
:
E
04
SR
301334
(
SEIWA
)
B
:
E
045
T
402715
D
(
SEIWA
)
NAME
TYPE
艾口
、
>
夕図
NXT
TITLE
NXT
SYSTEM
CONFIGURATION
DIAGAM
DRAWING
No
.
K
RL
00523

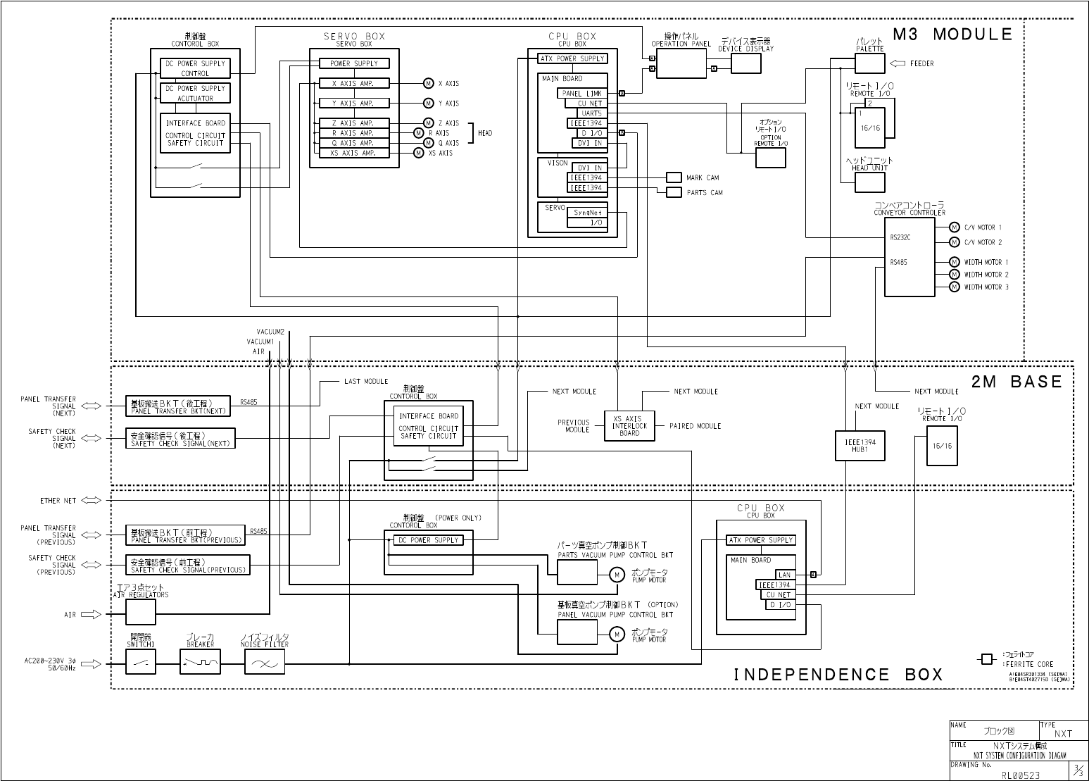
M
3
MODULE
隨
OPESKNEL
CPU
BOX
CPU
BOX
SERVO
BOX
SERVO
BOX
雜爾丫
1
ATX
POWER
SUPPLY
|
Ha
]
P O W E R
SUPPLY
|
<
C
^
FEEDER
DC
POWER
SUPPLY
CONTROL
H
3
^
MAIN
BOARD
o
X
AXIS
AMP
.
X
AXIS
UK
0
DC
POWER
SUPPLY
ACUTUATOR
|
PANEL
L
1
MK
0
©
I
CU
NET
Y
AXIS
AMP
.
Y
AXIS
|
UART
5
—
©
Z
AXIS
-
i
@
R
AXIS
——
^
7
\
n
AYK
」
才为
3
>
Ut
-
hl
/
O
OPTION
REMOTE
I
/
O
I
IEEE
1394
INTERFACE
BOARD
CONTROL
CIRCUIT
SAFETY
CIRCUIT
Z
AXIS
AMP
.
16
/
16
|
D
I
/
O
-
0
~
R
AXIS
AMP
.
HEAD
|
DVI
IN
Q
AXIS
AMP
.
AXIS
ISS
卜
VI
SON
I
DVI
IN
□
IEEE
1394
MARK
CAM
IEEE
1394
PARTS
CAM
C
^
VSC
^
O
-
LS
SERVO
SynqNet
I
/
O
—
©
C
/
V
^
©
C
/
V
MOTOR
1
RS
232
C
MOTOR
2
—
©
©
RS
485
WIDTH
MOTOR
I
WIDTH
MOTOR
2
WIDTH
MOTOR
3
VACUUM
2
VACUUM
1
AIR
yyr
2
M
BASE
LAST
MODULE
CONTWBOX
NEXT
MODULE
NEXT
MODULE
NEXT
MODULE
PANEL
TRANSFER
RS
485
SIGNAL
<
=
C
>
(
NEXT
)
NEXT
MODULE
'
^
MOTVI
^
O
0
INTERFACE
BOARD
CONTROL
CIRCUIT
SAFETY
CIRCUIT
X
5
AXIS
INTERLOCK
BOARD
PREVIOUS
MODULE
PAIRED
MODULE
SAFETY
CHECK
識懸
¥
說
SIGNAL
<
^
>
(
NEXT
)
IEEE
1394
16
/
16
HUB
1
ETHER
NET
<
=
>
CPU
BOX
CPU
BOX
制御盤
(
POWER
ONLY
)
CONTOROL
BOX
PANEL
TRANSFER
RS
485
SIGNAL
<
=
>
(
PREVIOUS
)
J
DC
POWER
SUPPLY
[
ATX
POWER
SUPPLY
八一
、
:
/
真空朮
制御
BKT
PARTS
VACUUM
PUMP
CONTROL
BKT
SAFETY
CHECK
MAIN
BOARD
SIGNAL
<
=
^
>
(
PREVIOUS
)
|
LAN
□
I
IEEE
1394
AfR
^
I
^
RS
|
CU
NET
ID
I
/
O
基板真空
(
OPTION
)
PANEL
VACUUM
PUMP
CONTROL
BKT
AIR
-
Q
織
fo
?
SIMI
■
Jzyil
'
JF
:
FERRITE
CORE
-
□
-
AC
200
230
V
30
50
/
60
Hz
^
>
n
—
I
NDEPENDENCE
BOX
A
:
E
04
SR
301334
(
SEIWA
)
B
:
E
045
T
402715
D
(
SEIWA
)
NAME
TYPE
艾口
、
>
夕図
NXT
TITLE
NXT
SYSTEM
CONFIGURATION
DIAGAM
DRAWING
No
.
RL
00523

FROM
MODULE
!
心夕方
-
;
(
麵
1
INTERFACE
BOARD
I
123
0
I
FROM
MODULE
1
M
2
PB
1
E
JCN
10
M
153
B
El
124
02
M
2
CRI
3
X
:
ADDRESS
E
2
M
151
rcNTPG
825
P
6
GM
M
272
14
)
A
2
M
256
M
181
]
A g
DRESS
M
182
E
7
29
125
03
:
-
BL
-
12
ty
]
一
Ji
/
2
cty
FROM
M
0
DULE
2
石夕
]
_
/
|
L
/
2
ctcJ
FROM
M
0
DULE
2
_
M
2
CR
13
X
126
令
;
it
-
万
Y
-
UU
-
正常
BASE
SAFETY
RELAY
OK
04
M
2
PB
1
E
M
1
CR
21
E
X
00
D
■
CN
2
P
16
^
CNII
CN
2
E
1
M
272
P
16
GM
\
?
PB
-
n
929
E
2
M
153
D
127
05
•
A
2
M
256
DP
3
-
7
E
7
M
183
NXT
:
OFF
12
128
0
6
石夕
]
一儿
i
cty
FROM
MODULE
1
5
運転準備
OK
MACHINE
READY
OK
ai
%
1
M
1
CR
4
X
晚
-
儿
1
安全扉
MODULE
!
SAFETY
DOOR
ai
R
7
fi
丫
009
M
1
CR
3
IE
129
07
16
12
M
191
10
+
24
VM
4
A
E
9
M
191
-
SQ
o
16
b
G
6
A
-
234
P
-
ST
-
US
130
08
MICR
3
IE
1
ai
8
^
16
b
FROM
M
0
DULE
2
13
1
09
G
6
A
-
234
P
-
ST
-
US
砍
-
儿
2
安全扉
M
0
DULE
2
SAFETY
DOOR
ai
R
^
R
MICR
32
E
S
■
CN
:
11
+
24
VM
4
B
E
9
MI
92
M
192
-
<
rt
SQ
1
32
0
16
b
G
6
A
-
234
P
-
ST
-
US
MICR
32
E
1
133
ai
8
^
4
16
b
G
6
A
-
234
P
-
ST
-
US
1
34
2
衫
]
-
JU
夕力
:
MODULE
1
CLAMP
CHECK
衫
IL
-
儿
2
为
:
MODULE
2
CLAMP
CHECK
GM
RX
000
RX
008
1
35
3
6
MODULE
1
CLAMP
CHECK
晚
-
儿
295
>
遞
MODULE
2
CLAMP
CHECK
GM
M
1
CR
1
IX
M
1
CR
12
X
i
MODULE
I
CLAMP
CHECK
136
4
M
1
LS
11
804
838
16
16
11
F
V
:
SQ
12
G
6
A
-
234
P
-
ST
-
US
G
6
A
-
234
P
-
ST
-
US
M
1
CR
11
X
1
M
1
CR
12
X
1
13
1
37
5
14
+
24
VM
1
MODULE
2
CLAMP
CHECK
ai
80
R
834
16
16
M
1
LS
21
b
-
15
RX
000
G
6
A
-
234
P
-
ST
-
US
G
6
A
-
234
P
-
ST
-
US
V
:
SQ
16
+
24
VM
1
1
38
6
-
17
RX
008
衫
]
-
儿
1
着座確認
MODULE
I
DOCKING
CHECK
晚
-
儿
2
着座確
IS
MODULE
2
DOCKING
CHECK
+
24
VM
1
杉
2
-
儿
1
着座確認
M
1
LS
14
-
19
RX
003
RX
003
RX
00
B
MODULE
I
DOCKING
CHECK
4
1
39
青
BLU
7
D
ON
EE
-
5
X
770
P
二
20
+
24
VM
1
茶
BRW
6
-
儿
i
着座確認
MODULE
1
DOCKING
CHECK
ai
m
晚
-
儿
2
着座願
MODULE
2
DOCKING
CHECK
ai
8
^
8
M
1
CR
21
X
M
1
CR
22
X
SQ
黒
BLK
22
儿
2
着座廳
MODULE
2
DOCKING
CHECK
140
8
M
1
L
524
A
16
16
bl
D
ON
EE
-
SX
770
P
青
BLU
G
6
A
-
234
P
-
ST
-
US
G
6
A
-
234
P
-
ST
-
US
茶
BRW
M
1
CR
21
XI
M
1
CR
22
X
1
SQ
U
1
9
黒
BLK
ai
ms
a
|
834
16
16
bl
G
6
A
-
234
P
-
ST
-
US
G
6
A
-
234
P
-
ST
-
US
142
20
2
M
6
前工程安獅
l
:
確認
PREVIOUS
SIDE
SAFETY
DOOR
CLOSE
OK
a
|
804
後工程安全扉閉
C
確認
NEXT
SIDE
SAFETY
DOOR
CLOSE
OK
816
la
巳
7
-
CN
-
Ml
B
7
'
18
+
24
VM
4
B
C
^
J
5
_
_
CN
-
M
^
B
5
+
24
VM
4
A
M
0
CRIX
M
0
CR
2
X
_
1
143
前工程
O
夕
7
工
-
又
PREVIOUS
INTERFACE
後工程心夕
〕
工
-
乂
NEXT
INTERFACE
2
1
ic
B
8
B
8
M
0003
M
0004
-
B
6
16
16
b b
G
6
A
-
234
P
-
ST
-
US
G
6
A
-
234
P
-
ST
-
US
144
22
M
0
CR
1
X
1
M
0
CR
2
XU
1
ai
808
8
^
4
la
16
16
b b
145
G
6
A
-
234
P
-
ST
-
US
G
6
A
-
234
P
-
ST
-
US
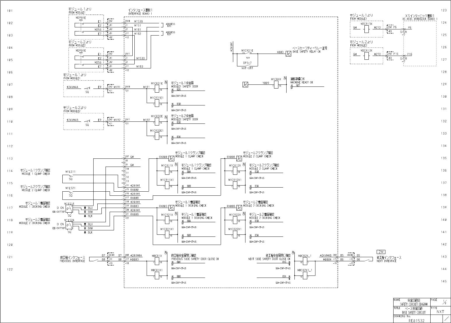
安全回路図
SAFETY
CIRCUIT
DIAGRAM
NAME
PAGE
X
TITLE
令乂安全回路
BASE
SAFETY
CIRCUIT
TYPE
NXT
DRAWING
No
.
RE
01532