Schmtic_NXT_03_ - 第62页
3 6 2 3 3 6 0 I C P U B O X VPl 1394 » - I 3 6 2 4 3 6 0 2 V G 1 E 3 T P B 1 - ^ T P B 1 + 3 2 M ^ - 7 I / F 2 M B A S E I / F e > : : i 3 6 2 5 3 6 0 3 T P A 1 - T T P A 1 + 1 e > F G CASE 3 6 2 6 3 6 0 4 CT + CU …

心夕
〕
工
(
讓
1
INTERFACE
BOARD
1
350
I
3523
BRCN
3
■
M
157
B
3
S
02
3524
M
1110
iCf
M
1138
M
1111
3503
3525
T
152
-
A
:
X
01
F
-
Bi
丫
015
3504
3526
X
016
接続
(
SI
/
F
接続図
3505
3527
Connection
is
the
thing
of
refer
to
the
I
/
F
junction
diagram
(
base
extension
l
/
F
)
.
I
3506
3528
M
175
+
24
VM
4
B
-
M
0004
-
3
B
07
3529
M
0023
-
D
:
M
0015
3508
3530
-
Dl
.
3509
353
1
35
1
0
3532
■
CN
2
CN
3
t
'
yn
-
儿
B
(
偶数
)
MODULE
B
(
Odd
)
^
2
351
I
3533
/
SHIELD
T
3512
3534
3513
3535
3514
3536
3515
3537
35
1
6
3538
3517
3539
3518
3540
3519
354
1
3520
3542
352
1
3543
3544
3522
3545
《
-
又回路図
BASE
CIRCUIT
DIAGRAM
NAME
PAGE
TITLE
TYPE
2
Mm
/
F
2
M
BASE
l
/
F
NXT
DRAWING
No
.
%
RE
01700

3623
360
I
CPU
BOX
VPl
1394
»
-
I
3624
3602
VG
1
E
3
TPB
1
-
^
TPB
1
+
3
2
M
^
-
7
I
/
F
2
M
BASE
I
/
F
e
>
:
:
i
3625
3603
TPA
1
-
T
TPA
1
+
1
e
>
FG
CASE
3626
3604
CT
+
CU
NE
^
BRC
N
2
A
>
>
-
|
>
CT
-
-
l
-
A
二
3627
3605
SHIELD
>
>
3628
3606
4
*
-
>
3629
3607
-
>
制御
BKT
CONTROL
BKT
3630
3608
+
24
VM
EBCBCN
^
L
IE
GM
363
1
3609
+
24
VMB
IC
GM
3632
36
1
0
-
>
B
8
X
012
EBCBCI
X
013
3633
361
I
-
Bi
X
014
-
3
+
24
VM
2
GM
3634
3612
+
24
VM
5
GM
2
Mm
/
F
2
M
BASE
I
/
F
+
24
VM
2
-
7
IE
3
B
35
3613
GM
GM
-
ILC
e
>
3636
3614
3637
3615
-
D
3
>
-
D
4
^
-
D
5
3638
36
16
-
D
6
3639
3617
2
M
《
-
又
2
M
BASE
—
心刃工
-
又麵
■
■
—
■
CL
6
?
—
JINB
~
X
0
~
0
F
~
"
n
-
>
-
DI
0
3640
3618
-
E
2
-
E
:
X
001
3641
3619
Y
00
E
Y
00
F
-
E
6
3642
3620
CNC
X
0
I
0
-
E
8
X
002
-
>
-
Ef
丫
012
r
>
3643
362
1
-
El
丫
013
X
00
F
D
X
011
X
001
3644
3622
Y
00
E
X
003
Y
00
F
丫
016
丫
017
3645
X
010
X
002
丫
012
Y
013
《
-
又回路図
BASE
CIRCUIT
DIAGRAM
NAME
PAGE
%
X
011
X
003
TITLE
自立制繼
I
/
F
INDEPENDENCE
CONTROL
BOX
i
/
F
TYPE
丫
016
NXT
丫
017
DRAWING
No
.
X
RE
01710

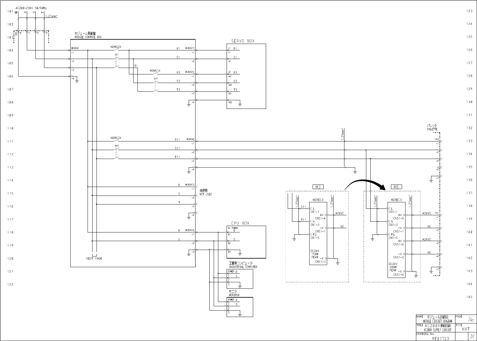
CN
1
-
1
+
V
>
>
CN
51
-
4
<
<
N
CN
1
-
3
-
V
CN
51
-
1
<
<
FG
CN
1
-
5
DC
24
V
I
50
W
PEAK
CN
51
-
3
M
2
REC
3
-
4
R
MCBCN
13
未删
NOT
USED
S
-
<
<
<
-
<
c
-
4
CPU
BOX
AC
POWER
R
MCBCN
16
R
Al
S
s
A
2
-
3
LJ
NEXT
PAGE
INDUSTRIAL
COMPUTER
JOWER
R
s
3
t
二夕
MONITOR
:
OWER
R
S
3
M
3
TU
4.42
S
11
衫
]
-
麵盤
MODULE
CONTROL
BOX
SERVO
BOX
M
2
MS
3
X
MCBCN
2
R
11
123
124
125
126
127
128
129
130
13
1
八
V
外
PALETTE
1
32
133
1
34
1
35
136
M
6
1
37
M
2
REC
3
1
38
CN
1
-
1
+
24
VC
+
V
>
p
-
CN
5
I
-
5
1
39
<
<
N
CN
1
-
3
GC
-
V
>
>
CN
5
I
-
1
140
<
<
FG
CN
1
-
5
+
24
VC
十
V
>
>
CN
5
I
-
6
U
1
GC
-
V
>
>
CN
51
-
2
142
DC
24
V
240
W
-
3
PEAK
143
-
V
>
>
CN
5
I
-
4
144
145
儿回
_
MODULE
CIRCUIT
DIAGRAM
NAME
PAGE
VM
TITLE
AC
200
VttM
AC
200
V
SUPPLY
CIRCUIT
TYPE
NXT
DRAWING
No
.
X
RE
01723
AC
200
230
V
50
/
60
Hz
0
I
㊉
1.25
mm
2
02
、
"
f
5
03
M
2
MS
2
X
MCBCNI
MCBCN
1
2
L
JJ
R
1
R
1
04
2.21
S
1
SI
-
2
-
2
05
T
1
-
3
M
2
MSIX
R
3
MCBCNI
5
<
3
R
3
0
6
-
A
1
439
S
3
S
3
-
A
2
07
T
3
T
3
-
Bl
08
-
4
-
B
2
09
0
2
3
4
5
6
7
8
9
20
2
1
22
,
+
24
VC
3
e
£
LnCN
.
l
ziLnCN
.
l
GC