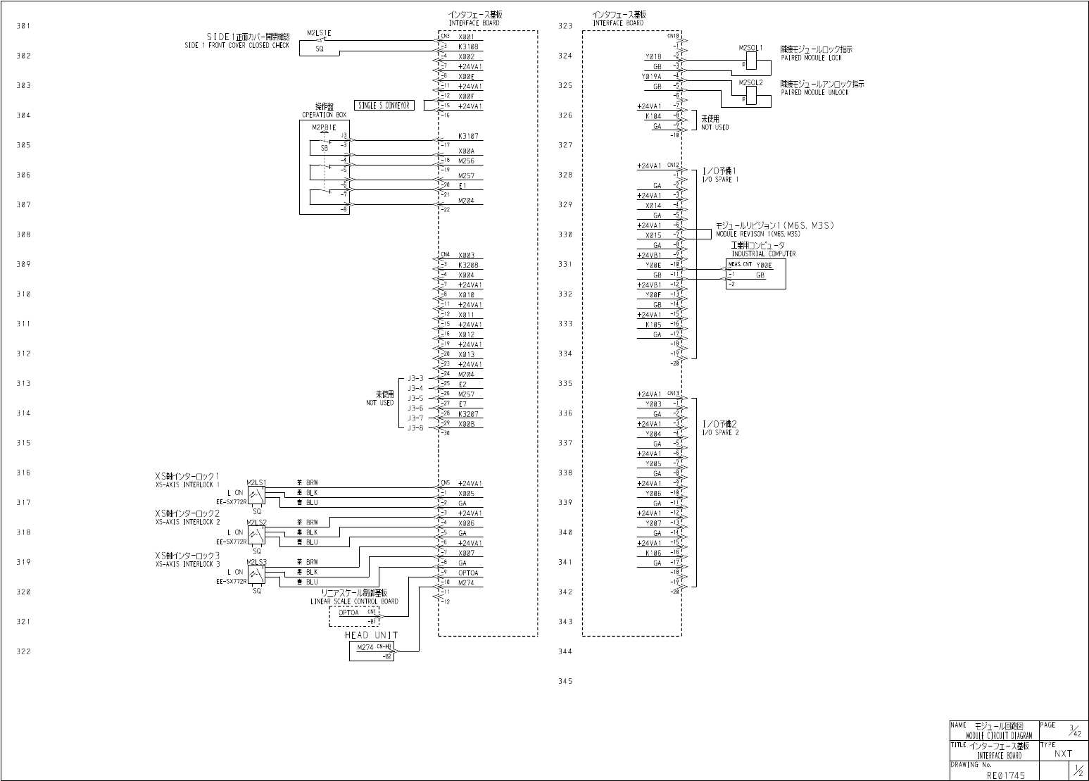
Schmtic_NXT_03_ - 第66页
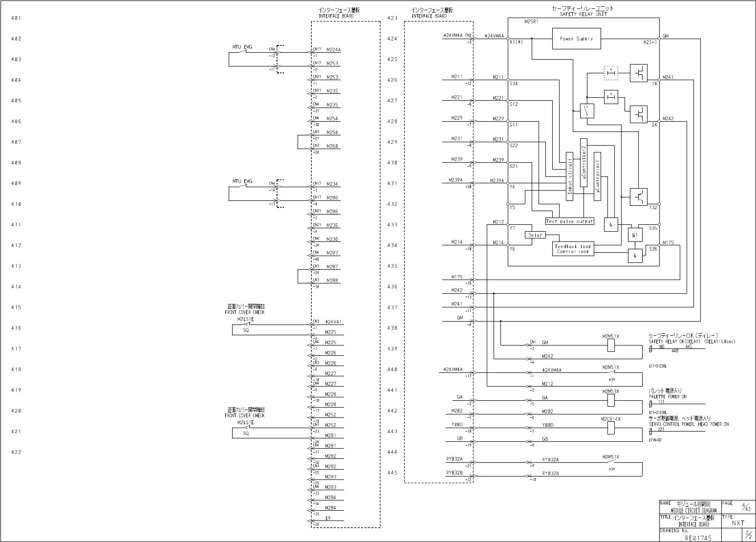
SAFETY RELAY UNIT 心夕 - 〕 工 - 遞 INTERFACE BOARD O 夕 _ 7 工 - 又 麵 INTERFACE BOARD 40 I 423 M 2 SR 1 + 24 VM 4 A CN 2 + 24 VM 4 A 1 ㈣ 402 424 Power Supply A 1 ( + ) A 2 ( - ) MTU EMG : N 17 M 224 A rr 403 425 JCN 17 M 253 M …

心夕
〕
工
-
又基板
INTERFACE
BOARD
jrCN
3
X
001
O
夕
〕
工
-
又基板
INTERFACE
BOARD
30
I
323
M
2
LS
1
E
SIDE
1
IE
®
?
]
/
\
M
-
W
^
SIDE
I
FRONT
COVER
CLOSED
CHECK
K
3108
M
2
S
0
L
1
mWl
一儿匚
1
、
>
9
指示
PAIRED
MODULE
LOCK
SQ
302
324
X
002
Y
018
P
+
24
VA
1
GB
X
00
E
Y
019
A
M
2
S
0
L
2
PAIRED
MODULE
UNLOCK
303
325
+
24
VA
1
GB
12
X
00
F
P
口
:
SINGLE
S
CONVEYOR
-
15
+
24
VA
1
+
24
VA
1
OPERATION
BOX
304
326
-
16
K
104
纖
NOT
USED
GA
M
2
PB
1
E
K
3107
305
327
-
17
SB
X
00
A
18
M
256
+
24
VA
1
\
/
om
\
I
/
O
SPARE
1
19
306
328
M
257
El
GA
-
21
+
24
VA
1
307
329
3
T
X
014
-
22
GA
(
M
6
S
、
M
3
S
)
MODULE
REV
I
SON
I
(
M
6
S
.
M
3
S
)
工黜
〕
〉
匕
°
2
-
夕
INDUSTRIAL
COMPUTER
如
S
.
CNT
Y
00
E
^
+
24
VA
1
308
330
X
015
GA
4
N
4
X
003
+
24
VB
1
309
33
1
K
3208
Y
00
E
X
004
GB GB
T
2
+
24
VA
1
+
24
VB
1
3
1
0
332
X
010
Y
00
F
+
24
VA
1
GB
+
24
VA
1
X
011
3
333
+
24
VA
1
K
105
X
012
GA
+
24
VA
1
312
334
-
20
X
013
:
23
+
24
VA
1
-
2
i
M
204
-
J
3
-
3
J
3
-
4
-
<
^
313
335
-
25
E
2
夫使用
NOT
USED
-
26
M
257
+
24
VA
1
J
3
-
5
-
27
E
7
丫
003
J
3
-
6
-
<
;
^
J
3
-
7
-
<
^
4
-
J
3
-
8
314
336
-
28
K
3207
GA
I
/
0
fi
2
I
/
O
SPARE
2
;
29
X
00
B
+
24
VA
1
丫
004
315
337
GA
+
24
VA
1
Y
005
316
338
GA
XS
軸心夕
-
口竹
1
XS
-
AXIS
INTERLOCK
I
M
2
LS
1
茶
BRW
'
5
+
24
VA
1
+
24
VA
1
3
黒
BLK
L
ON
EE
-
SX
772
R
丫
006
X
005
青
BLU
317
339
GA
GA
SQ
XS
軸心夕
-
OW
2
XS
-
AXIS
INTERLOCK
2
+
24
VA
1
+
24
VA
1
茶
BRW
^
2
LS
2
X
006
丫
007
"
A
318
L
ON
EE
-
SX
772
R
黒
BLK
340
GA
GA
青
BLU
+
24
VA
1
+
24
VA
1
SQ
X
007
K
106
XS
軸心夕
-
□
,
力
3
XS
-
AXIS
INTERLOCK
3
■
茶
BRW
319
M
2
LS
3
34
1
GA
GA
A
黒
BLK
L
ON
EE
-
SX
772
R
OPTOA
青
BLU
二
10
M
274
SQ
丨
」
二奶
-
臟卸麵
LINEAR
SCAL
_
E
CONTROL
BOARD
厂
OPTOA
;
-
B
1
!
320
342
II
-
2
i
12
32
1
343
H EA D
U NI T
M
274
-
CN
344
322
345
儿回
_
MODULE
CIRCUIT
DIAGRAM
NAME
PAGE
TITLE
心 夕
-
基 板
INTERFACE
BOARD
TYPE
NXT
DRAWING
No
.
%
RE
01745

SAFETY
RELAY
UNIT
心夕
-
〕
工
-
遞
INTERFACE
BOARD
O
夕
_
7
工
-
又麵
INTERFACE
BOARD
40
I
423
M
2
SR
1
+
24
VM
4
A
CN
2
+
24
VM
4
A
1
㈣
402
424
Power
Supply
A
1
(
+
)
A
2
(
-
)
MTU
EMG
:
N
17
M
224
A
rr
403
425
JCN
17
M
253
M
211
CN
21
M
2
UA
1
M
241
M
253
404
426
S
34
14
N
21
M
235
A
M
221
405
427
S
12
M
235
M
229
CN
4
M
254
M
229
1
1
M
242
406
428
SI
1
24
-
38
M
254
M
231
-
27
M
21
LA
407
429
S
22
M
260
-
28
M
239
M
239
1
408
430
S
21
o
o
M
239
A
M
239
A
1
MTU
EMG
409
43
1
CNjj
、
jNi
7
M
234
-
20
:
丫
4
o
jNl
7
M
286
410
432
O
<
)
丫
5
Y
32
M
286
Test
Pulse
output
M
212
41
I
433
&
O
<
)
M
236
丫
7
S
35
Delay
JjN
4
M
236
!
-
39
M
2
I
4
M
214
M
175
412
434
<
>
C
-
Feedback
loop
Comtrol
loop
丫
6
S
36
M
287
&
'
jN
3
M
287
413
435
-
29
M
175
jN
3
M
288
414
436
-
30
M
242
M
241
正面力八
-
開閉磁
S
FRONT
COVER
CHECK
M
2
LS
1
E
415
437
GM
貧
CN
3
+
24
VA
1
=
rti
416
438
SQ
M
225
iz
-
^
<
-
UU
-
OK
(
xVb
-
)
SAFETY
RELAY
OK
(
DELAY
)
(
DELAY
:
1.0
sec
)
M
2
MS
1
X
CNl
GM
M
225
!
06
445
417
439
珊
M
226
M
242
-
4
M
226
LC
1
-
D
123
BL
M
2
MS
1
X
418
440
+
24
VM
4
-
A
+
24
VM
4
A
M
227
439
M
227
M
212
-
2
419
44
1
AV
外電源入
y
PALETTE
POWER
ON
M
2
MS
3
X
M
228
GA
GA
10
ILL
-
5
M
228
b
正面力八
-
開閉確認
FRONT
COVER
CHECK
M
2
LS
1
E
420
442
M
202
M
202
LC
1
-
D
123
BL
廿
-
獅電源
、
MK
電源入
y
SERVO
CONTROL
POWER
,
HEAD
POWER
ON
a
|
221
«
y
M
252
M
2
CR
14
X
Y
00
D
M
252
Y
00
D
42
1
443
23
SQ
b
M
281
GB
GB
LY
1
N
-
D
2
M
281
422
444
M
282
M
2
MS
1
X
RY
032
A
RY
032
A
才
r
M
282
439
445
RY
032
B
25
RY
032
B
M
283
-
10
M
283
M
284
=
Ey
:
i
_
儿回
_
MODULE
CIRCUIT
DIAGRAM
NAME
PAGE
34
VM
M
284
35
TITLE
心 夕
-
基 板
INTERFACE
BOARD
TYPE
E
9
NXT
36
DRAWING
No
.
%
RE
01745

心夕
〕
工
-
又基板
INTERFACE
BOARD
O
夕
〕
工
-
又基板
INTERFACE
BOARD
50
I
523
El
.
-
CN
2
El
M
153
B
八
-
'
伽
51
光源
PARTS
CAMERA
!
LAMP
E
2
M
151
E
2
502
524
SP
丫
010
SP
Y
011
1
-
A
4
SP
GB
503
525
AS
SP
丫
012
A
6
SP
Y
013
A
7
SP
GB
504
526
,
8
SP
丫
014
^
A
9
SP
丫
015
未使用
NOT
USED
-
10
M
256
256
M
181
GB
505
1
E
7
527
B
1
M
182
E
7
Y
016
2
MI
75
B
2
M
175
M
175
丫
017
-
13
X
016
B
3
X
016
HI
GB
506
4
X
017
528
B
4
X
017
H
2
-
12
-
15
X
018
X
018
H
3
-
16
X
019
B
6
X
019
H
4
Z
軸高社
>
廿
Z
AXIS
HEIGHT
SENSOR
507
7
+
24
VAI
529
-
B
7
+
24
VA
1
H
5
2
LS
1
+
24
VA
1
-
18
+
24
VM
4
A
:
B
8
+
24
VM
4
A
+
24
VM
4
A
K
103
SQ
-
19
GM
GM
GM
+
24
VB
1
508
B
10
E
9
530
M
191
Y
01
E
纖
NOT
USED
1
M
271
1
M
271
F
33
GB
:
2
22
SP
Y
01
F
509
53
1
:
3
-
23
SP
GB
-
C
4
RY
012
-
24
RY
012
1
5
RY
012
A
-
25
RY
012
A
BASE
5
10
532
-
26
※
咄時電源接続扉
SW
2
個直列
電雛続扉
•
- -
POWER
CONECTION
DOOR
M
2
LS
4
M
2
LS
4
Hs
for
►
fe
,
SI
of
+
24
VM
1
E
10
a
poier
supply
connection
door
is
connected
with
tio
-
piece
series
.
v
:
Di
Ell
M
1101
SQ
5
533
D
2
X
005
CN
19
PI
X
005
M
2
S
0
L
1
E
正面力八
-
□
竹
FRONT
COVER
LOCK
D
3
X
006
P
2
X
006
Y
008
A
P
以
X
007
P
3
X
007
GB
512
534
D
5
GA
P
4
GA
D
6
M
650
P
5
M
650
El
CN
4
P
9
Y
009
A
SP
513
535
E
2
M
272
P
6
M
272
GB
E
3
OPTOB
P
7
OPTOB
-
E
4
M
273
P
8
M
273
5
14
536
Y
00
AA
CN
3
-
E
5
P
10
SP
E
6
1
GB
D
8
<
;
<
515
537
D
9
DI
0
CN
4
Y
00
BA
E
7
<
;
<
GB
516
538
E
8
E
9
10
+
Y
00
CA
517
539
•
Cl
-
2
GB
才
^
SHIELD
SHIELD
518
540
10
CPU
BOX
+
24
VM
4
ACN
22
IEEE
1394
1
CH
519
54
1
VP VP
1
M
272
W
+
24
VM
4
A
VG VG
1
TPB
-
TPB
1
-
OPTOBA
卜
□
一儿基板
CONVEYOR
CONTROL
BOARD
15
a
+
\
520
542
TPB
+
TPB
1
+ +
24
VA
1
+
24
VA
1
TPA
-
TPA
1
-
\
TPA
+
TP
AH
GA
RS
485
心 夕 工
-
7
RS
485
INTERFACE
V
52
1
543
FG
FG
-
2
T
SHIELD SHIELD
FG
■
CN
2
R
E
1
M
153
B
544
52 2
-
A
1
:
ASE
M
151
E
2
RS
485
心 夕 工
-
7
RS
485
INTERFACE
m
M
6
A
2
M
256
M
181
SHIELD
Bl
E
7
M
182
BASE
一
545
B
2
E
10
+
24
VM
1
LD
Ml
101
Ell
D
2
+
24
VM
4
B
+
24
VM
4
B
;
B
9
R
M
191
1
X
005
PI
=
Ey
:
i
_
儿回
_
MODULE
CIRCUIT
DIAGRAM
NAME
PAGE
X
2
D
3
X
006
P
2
W
GA
P
4
TITLE
TYPE
m
/
F
BASE
INTERFACE
,
SHIELDSHIELD
NXT
-
D
7
+
DRAWING
No
.
X
:
9
RE
01755