Schmtic_NXT_03_ - 第72页
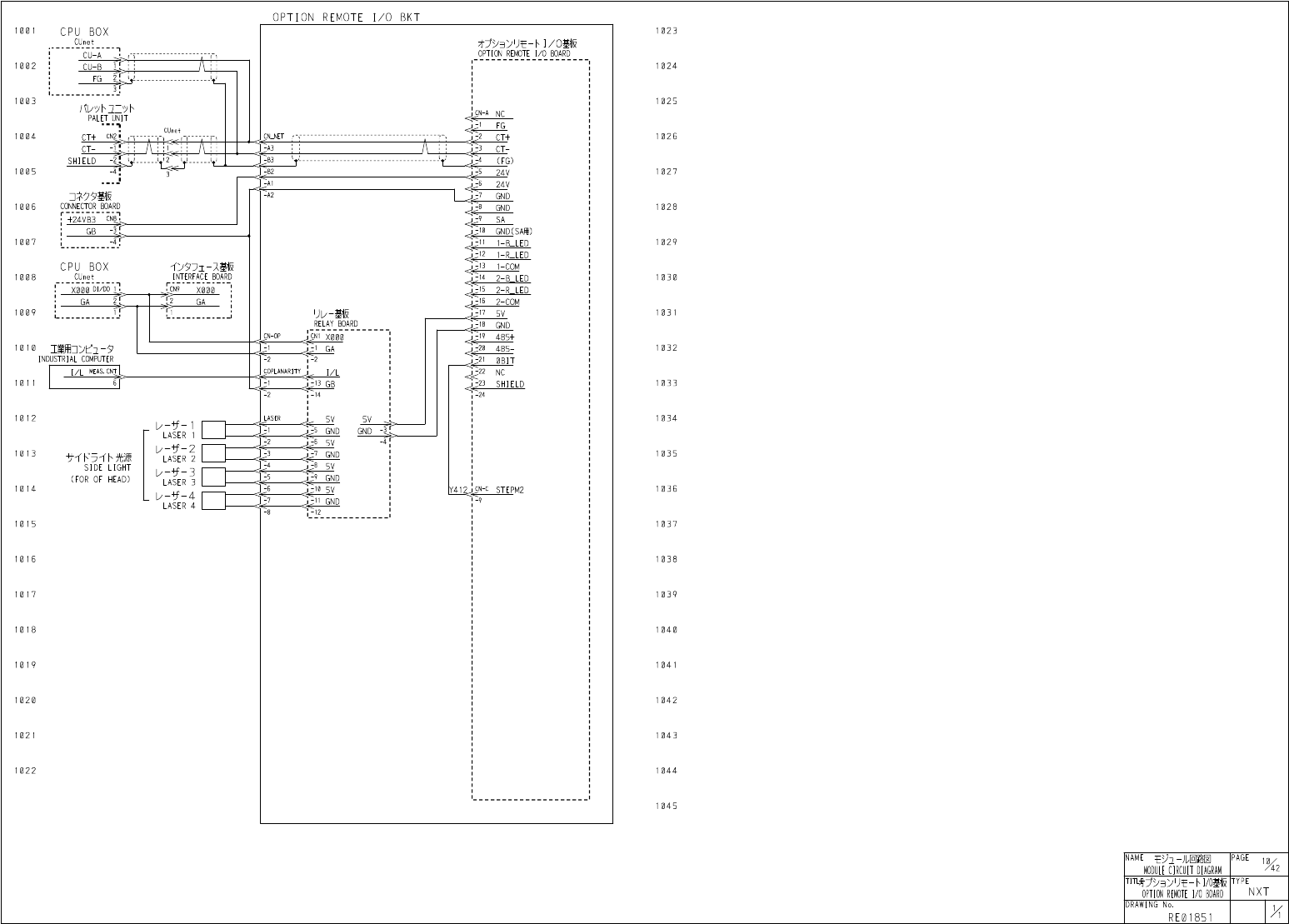
O P T I O N R E M O T E I / O B K T I 0 0 I C P U B O X C U n e t 1 0 2 3 才 卜 I / 0 _ O P T I O N R E M O T E I / O B O A R D C U - A A I 0 0 2 1 0 2 4 C U - B F G I 0 0 3 1 0 2 5 K U 外 2 二外 P A L E T U N I T N C F G CUn…

Ut
-
M
/
02
REMOTE
I
/
O
2
Ut
-
M
/
02
REMOTE
I
/
O
2
90
I
923
CNYA
^
+
24
-
VB
3
CNYD
.
+
24
VB
3
SIDE
I
FEEDER
PALLET
CLAMP
R
丫
010
3
ISOLI
902
924
RY
01
C
+
予備
p
RY
01
C
-
GB
SPARE
GB
GB
903
925
+
24
VB
3
CNYA
2
^
+
24
VB
3
CNYD
2
>
r
-
夕八
V
外
31
SOL
2
夕力
%
夕
7
-
赤点滅
SIDE
1
SIGNAL
TOWER
RED
FLASH
RY
01
D
+
r
?
>
SIDE
1
FEEDER
PALLET
UNCLAMP
R
丫川
P
904
926
GB
RY
01
D
-
O
夕
7
工一又基板
INTERFACE
BOARD
GB
GB
905
927
NYA
卜卜
+
24
VB
3
CN
+
24
VB
3
C
残亍
-
刘動作指示
SIDE
1
TAPE
CUT
R
丫
012
3
ISOL
3
黄点滅
SIDE
1
SIGNAL
TOWER
YELLOW
FLASH
RY
01
E
+
RY
012
B
P
GB
RY
0
IE
-
906
928
GB
GB
+
24
VB
3
CNYA
4
+
24
VB
3
CNY
夕
m
刃
-
緑点滅
SIDE
I
SIGNAL
TOWER
GREEN
FLASH
RY
01
F
+
907
929
RY
013
予備
GB
RY
01
F
-
SPARE
GB
GB
908
930
+
24
VB
3
C
NYB
^
909
93
1
RY
014
予備
GB
SPARE
GB
9
1
0
93 2
+
24
VB
3
CN
.
RY
015
予備
9
933
GB
SPARE
GB
貧
912
934
CNYBJJ
+
24
-
VB
3
RY
016
予備
GB
SPARE
913
935
GB
+
24
VB
3
CNYI
914
936
RY
017
予備
GB
SPARE
GB
915
937
M
2
PL
1
+
24
VB
3
CNYC
1
夕夕丈儿夕
〕
一赤点
n
SIDE
I
SIGNAL
TOWER
RED
ON
RY
018
OBLK
OORG
ORED
916
938
GB
GB
917
939
+
24
VB
3
CNYC
2
夕外儿夕
7
-
黄点灯
SIDE
1
SIGNAL
TOWER
YELLOW
ON
RY
019
OYEL
918
940
GB
GB
919
94
1
CNYC
^
+
24
VB
3
夕
m
夕
9
-
mu
SIDE
1
SIGNAL
TOWER
GREEN
ON
RY
01
A
OGRN
GB
920
942
GB
OGLY
CNYC
,
卜
+
24
-
VB
3
92
1
943
RY
01
B
予備
GB
SPARE
GB
92 2
=
Ey
:
i
_
儿回
_
MODULE
CIRCUIT
DIAGRAM
NAME
PAGE
X
2
TITLE
'
Jt
-
h
1
/
0
额
REMOTE
I
/
O
BOARD
TYPE
NXT
DRAWING
No
.
RE
01767

OPTION
REMOTE
I
/
O
BKT
I
00
I
CPU
BOX
CUnet
1
023
才
卜
I
/
0
_
OPTION
REMOTE
I
/
O
BOARD
CU
-
A
A
I
002
1
024
CU
-
B
FG
I
003
1
025
KU
外
2
二外
PALET
UNIT
NC
FG
CUnet
1
004
1
026
^
COET
;
CT
+
CN
^
CT
+
穴
CT
-
CT
-
(
FG
)
SHIELD
1
005
1
027
B
2
24
V
■
A
I
24
V
夕麵
CONNECTOR
BOARD
:
+
24
VB
3
CN
8
}
-
A
2
GND
I
006
1
028
GND
SA
0
GND
(
SAffl
)
1
-
B
—
LED
GB
七
4
I
007
1
029
1
-
R
LED
心夕
〕
工
-
又麵
INTERFACE
BOARD
CPU
BOX
CUnet
X
000
DI
/
DO
J
,
I
008
1
030
2
-
B
—
LED
B
X
000
2
-
R
LED
—
4
6
2
-
COM
GA
GA
4
1
009
UL
/
-
麵
RELAY
BOARD
JjNl
X
000
不
1
GA
1
03
1
-
«
7
5
V
J
^
GND
-
*
9
工
N
-
OP
485
+
Xi
10
10
1
032
<
4
-
2
INDUSTRIAL
COMPUTER
0
BIT
I
/
j M E A
^
C N T l
COPLANARITY
iNC
I
/
L
H
10
11
1033
13
GB
SHIELD
-
2
1012
1
034
J
.
ASER
5
V
BV
1
LASER
1
U
-
tf
-
2
LASER
2
[
y
-
tf
-
3
LASER
3
_
U
-
^
-
4
LASER
4
GND
GND
-
2
5
V
1013
1
035
GND
tKK
5
讣卜光源
SIDE
LIGHT
(
FOR
OF
HEAD
)
5
V
-
9
GND
I
0
U
1 0 3 6
Y
412
cicSN
-
c
10
5
V
STEPM
2
u
GND
-
12
1 0 1 5
1 0 3 7
1 0
1 6
1 0 3 8
1 0
1 7
1 0 3 9
1 0
1 8
1
0 4 0
1 0
1 9
1
0 4
1
1
02 0
1
0 4 2
1
02
1
1
0 4 3
1
0 4 4
1
02 2
1
0 4 5
=
Ey
:
i
_
儿回
_
MODULE
CIRCUIT
DIAGRAM
NAME
PAGE
%
T
1
TL
牙为
3
y
」
f
-
卜
OPTION
REMOTE
I
/
O
BOARD
TYPE
NXT
DRAWING
No
.
X
RE
01851

卜
□
—
儿基板
CONVEYOR
CONTROL
BOARD
人
7
]
:
y
卜
□
一儿基板
CONVEYOR
CONTROL
BOARD
1
123
1 1 0
1
3
-
1
3
-
1
T
2
LS
1
T
2
LS
6
>
+
24
VA
1
+
24
VA
-
\
1
124
茶
BRW
茶
BRW
I
1
0 2
L
ON
HPF
9024
.
HPX
-
NT
4
L
ON
HPF
9024
,
HPX
-
NT
4
-
\
CX
000
CX
008
ly
-
y
^
]
>
S
7
基板通麵認
L
LANEI
CONVEYOR
PANEL
PASS
CHECK
L
U
-
>
2
]
>
S
7
基板通麵認
L
LANE
2
CONVEYOR
PANEL
PASS
CHECK
L
黒
BLK
黒 巳
LK
GA
GA
SQ
SQ
青
BLU
青
BLU
CY
004
-
CY
009
1
125
I
103
桃
PNK
桃
PNK
4
T
2
LS
7
T
2
LS
2
>
2
+
24
VA
j
-
2
+
24
VA
茶
BRW
茶
BRW
L
ON
HPF
9024
.
HPX
-
NT
4
L
ON
HPF
9024
,
HPX
-
NT
4
©
•
\
CX
001
CX
009
ly
-
yi
基板通過賴
LANEI
CONVEYOR
PANEL
PASS
CHECK
R
b
-
>
2
]
W
麵删確認
R
LANE
2
CONVEYOR
PANEL
PASS
CHECK
R
1
126
II
04
黒
BLK
黒
BLK
Jj
GA
CY
004
J
GA
SQ
SQ
胄
BLU
青
BLU
桃
PNK
桃
PNK
-
儿 又 間 接 続
Connection
belween
^
module
-
bases
TCN
"
一 儿 一
N
-
又
Pel
接 続
1
127
bases
I
105
+
24
VA
+
24
VA
-
CN
2
CX
002
CX
00
A
1
/
一
>
1
隣芒
yn
-
儿停止卜
1
」
力
“
一
LANEI
ADJACENT
MODULE
STOP
TRIGGER
u
-
>
2
隣
Eyn
-
儿停止卜
1
j
力
n
-
LANE
2
ADJACENT
MODULE
STOP
TRIGGER
¥
2
:
-
E
7
:
-
E
8
GA
GA
1
128
I
106
T
2
LS
3
T
2
LS
8
4
+
24
VA
+
24
VA
(
OPTION
)
ly
-
yi
]
:
W
麵
;
(
卜力
(
赔職
LANEI
CONVEYOR
PANEL
STOPPER
CHECK
(
OPTION
)
U
_
>
2
]
>
▽
基板叉卜
W
艇確認
LANE
2
CONVEYOR
PANEL
STOPPER
CHECK
1
129
A
I
107
茶
BRW
茶
BRW
CX
003
CX
00
B
2
2
STM
"
A
STM
11
A
GA
GA
SQ
SQ
青
BLU
青
BLU
1
130
I
108
T
2
LS
4
T
2
LS
9
1
+
24
VA
1
+
24
VA
LANEI
CONVEYOR
PANEL
UNCLAMP
CHECK
[
y
-
y
2
jy
\
7
m
7
y
05
yym
^
LANE
2
CONVEYOR
PANEL
UNCLAMP
CHECK
113
1
么
\
茶
BRW
I
109
茶
BRW
CX
004
CX
00
C
PM
-
K
44
P
黒
BLK
L
ON
PM
-
K
44
P
黒
BLK
L
ON
GA
GA
3
SQ
SQ
白
WHT
D
ON
白
WHT
D
ON
1132
青
BLU
青
BLU
0
T
2
LS
5
T T
2
LS
5
R
T
2
LSI
0
T
T
2
L
510
R
2
+
24
VA
+
24
VA
青
BLU
茶
BRW
茶
BRW
CX
005
CX
00
D
iy
-
yi
LANEI
CONVEYOR
BACK
-
UP
PIN
CHECK
竹乃龙
)
検知
LANE
2
CONVEYOR
BACK
-
UP
PIN
CHECK
2
1
133
EX
-
19
A
-
PN
-
R
黒
BLK
EX
-
19
A
-
PN
-
R
黒 巳
LK
GA
GA
茶
BRW
SQ SQ SQ SQ
青
BLU
青
BLU
1
1
34
2
+
24
VA
+
24
VA
CX
006
CX
00
E
予備
m
GA
GA
SPARE SPARE
1 1 3 5
3
J
-
4
+
24
VA
>
4
+
24
VA
1
136
4
CX
007
CX
00
F
予備予備
GA
GA
SPARE SPARE
、
3
1
1
37
5
1
1
38
6
1
1
39
7
1
140
8
1
U
1
9
1
142
I
12 0
1
143
1 1 2 1
1
144
I
12 2
1
145
=
Ey
:
i
_
儿回
_
MODULE
CIRCUIT
DIAGRAM
NAME
PAGE
%
TITLE
TYPE
□
^
7
CONVEYOR
NXT
DRAWING
No
.
RE
01773