Schmtic_NXT_03_ - 第83页
— 儿 制 御 盤 MODULE CONTROL BOX f " ' RirMCBCNYl S 11 S 11 Til T 11 才 开 - 卜 I / O OPTION REMOTE 1 / 0 C P U B O X CUnet U - NET CT + CU - A A A 3 CU - B - B 3 FG SHIELD 3 r - y CUnet 2 1 0 1 2 1 0 2 2 1 0 3 2 1 0 …

—
儿制御盤
MODULE
CONTROL
BOX
f
"
'
RlT
'
MCBCI
S
11
Til
M
3
E
C
\
1
M
2
REC
3
+
V
CN
1
-
1
CN
51
-
4
<
<
N
CN
1
-
3
CN
51
-
1
-
V
<
<
FG
-
V
>
>
CN
1
-
5
CN
51
-
3
才
,
开
_
卜
I
/
O
OPTION
REMOTE
I
/
O
E
""
CT
-
T
"""
!
CPU
BOX
CUnet
DC
24
V
I
50
W
PEAK
CU
-
A
A
CU
-
B
FG
SHIELD
3
r
-
y
CUnet
A
才为
ay
宂
-
卜
I
/
Om
«
JCPUBOX
/
\
gS
REMOTE
I
/
O
2
When
there
is
no
option
remote
1
/
0
.
it
connects
with
CPUBOX
.
CT
+
CN
1
-
1
.
A
CT
-
SHIELD
心 夕 工
-
又 麵
INTERFACE
BOARD
+
24
VA
1
A
K
3107
K
3108
-
>
1
rr
-
>
5
:
RE
_
M
0
TE
_
I
/
0
2
:
R X
0 1
B
R
2
Xc
-
2023
DEVICE
PALETTE
八
V
外麵
PALETTE
BOARD
2024
^
CNI
POWER
+
24
VC
SLOT
卜
SLOT
I
+
24
VC
+
24
-
V
<
;
2025
+
24
V
-
2
GC
GC
0
V
-
2
-
3
0
V
2026
EVENT
J T T
^
WRITE
>
r
-
夕
-
]
二外
1
FEEDER
UNIT
1
-
6
2027
1
-
8
ERR
-
9
SET
2028
-
10
SG
TX
-
12
RX
2029
FG
2030
+
24
V
SL
0
T
2
^
SL
0
T
2
+
24
V
-
2
0
V
203
1
0
V
EVENT
WRITE
2032
-
夕
-
2
二外
2
FEEDER
UNIT
2
FEED
PALETTE
CT
+
CT
+
-
8
CT
-
CT
-
ERR
2033
-
9
SHIELD
SHIELD
SET
-
3
-
10
ADDRESS
SG
-
13
GND
TX
2034
-
14
-
12
+
24
VA
1
A
K
3107
K
3108
RX
01
B
RX
-
13
FG
-
14
2 03 5
-
10
-
11
2 03 6
-
12
2 03 7
20 0
I
200 2
2 00 3
2 00 4
2 00 5
2 00 6
2 00 7
2 00 8
2 00 9
20
1
0
2 01
1
2 0 1 2
2 01 3
2 0
1 4
2 015
2 03 8
20
16
SLOT
20
^
0
V
-
V
SLOT
20
+
24
V
+
24
V
-
2
2 03 9
2 0
1
7
-
3
0
V
EVENT
WRITE
2 040
刃
-
夕
_
]
二外
20
FEEDER
UNIT
20
20
1
8
COMP
IE
2 041
2 0
1
9
S ET
-
10
S G
T X
2 04 2
20 20
R X
-
1 2
-
12
-
13
F G
-
14
2 04 3
20 2
1
2044
-
20 22
2 04 5
2 0
S LO T
儿回
_
MODULE
CIRCUIT
DIAGRAM
NAME
PAGE
%
TITLE
TYPE
八
V
外
:
Z
二外
PALETTE
UNIT
NXT
DRAWING
No
.
RE
01804
ziLnCNl
ziLnCSJ
'
㊉

—
儿 制 御 盤
MODULE
CONTROL
BOX
f
"
'
RirMCBCNYl
S
11
S
11
Til
T
11
才 开
-
卜
I
/
O
OPTION
REMOTE
1
/
0
CPU
BOX
CUnet
U
-
NET
CT
+
CU
-
A
A
A
3
CU
-
B
-
B
3
FG
SHIELD
3
r
-
y
CUnet
2 1 0 1
21 02
21 03
2
10 4
21 05
2
10 6
2
10 7
2
10 8
M
6
E E
CN
OJ
M
2
REC
3
+
V
CN
1
-
1
CN
51
-
5
<
<
N
-
V
CN
1
-
3
CN
51
-
1
<
<
FG
+
V
>
>
CN
1
-
5
CN
51
-
6
-
V
>
p
-
CN
51
-
2
DC
24
V
240
W
CN
51
-
4
-
V
>
>
PEAK
2
109
才
卜
i
/
om
«
jcpuBox
^
i
REMOTE
I
/
O
2
When
there
is
no
option
remote
1
/
0
.
it
connects
wi th
CPUBOX
.
2 1 1 0
CT
+
CN
1
-
1
■
fT
A
CT
-
2
SHIELD
-
3
心 夕 工
-
又 麵
INTERFACE
BOARD
2 11 2
+
24
VA
1
A
CNi
乙
■
、
21 13
K
3107
K
3108
-
'
1
21 14
RE
_
M
0
TE
_
_
I
/
0
2
:
R X
0 1
B
R
2
Xc
-
{
I
21 15
I
RX
01
E
R
2
RX
01
F
R
2
21 16
RX
013
R
2
Xa
-
4
^
RX
014
R
2
Xb
-
^
21 17
心夕
-
口工
-
7
麵
INTERFACE
BOARD
M
224
A
CN
2118
M
253
2119
M
234
M
28
G
GA
21 20
0109
K
3109
K
3109
2 1 2 1
CPU
BOX
21 22
UART
DCD
6
RXD
6
TXD
6
t
DSR
6
GND
1
DTR
6
ij
RTS
6
CTS
6
r
RI
SHELLf
21 23
DEVICE
PALETTE
八
V
外麵
PALETTE
BOARD
21 24
+
24
VC
CNl
POWER
+
24
VC
SLOT
^
SLOT
I
+
24
-
V
<
:
21 25
+
24
V
-
2
GC
GC
0
V
-
2
-
2
-
3
0
V
21 26
+
24
VC
+
24
VC
EVENT
-
5
WRITE
>
r
-
夕
-
]
二外
1
FEEDER
UNIT
1
GC
GC
21 27
-
8
ER R
-
3
-
9
SE T
21 28
-
10
SG
R
11
TX
-
12
RX
S
11
21 29
FG
Ti l
21 30
+
24
V
SL
0
T
2
^
SL
0
T
2
-
5
+
24
V
-
3
-
2
0
V
21 31
0
V
EVENT
WRITE
21 32
-
夕
-
2
二外
2
FEEDER
UNIT
2
FEED
PALETTE
CT
+
CT
+
-
8
CT
-
CT
-
ERR
21 33
-
9
SHIELD
SHIELD
SET
-
3
-
10
ADDRESS
SG
-
13
GND
TX
21 34
-
14
-
12
+
24
VA
1
A
K
3107
K
3108
RX
01
B
RX
01
E
RX
01
F
RX
013
RX
014
RX
-
13
FG
-
14
21 35
-
10
11
21 36
-
12
21 37
-
6
21 38
CN
4
52
12
21 39
-
u
+
24
VS
i
SL
0
T
45
13
+
24
V
2140
-
2
0
V
0
V
EVENT
2
U
1
-
5
WRITE
-
6
FEED
A
FEEDER
UNIT
45
COMP
21 42
-
8
-
9
SE T
-
10
-
10
SG
21 43
TX
-
5
-
12
RX
-
13
FG
2
14 4
-
14
21 45
45
SL OT
儿回
_
MODULE
CIRCUIT
DIAGRAM
NAME
PAGE
%
TITLE
TYPE
八
V
外
]
二外
PALETTE
UNIT
NXT
DRAWING
No
.
%
RE
01804
3
iLn
(
Nl

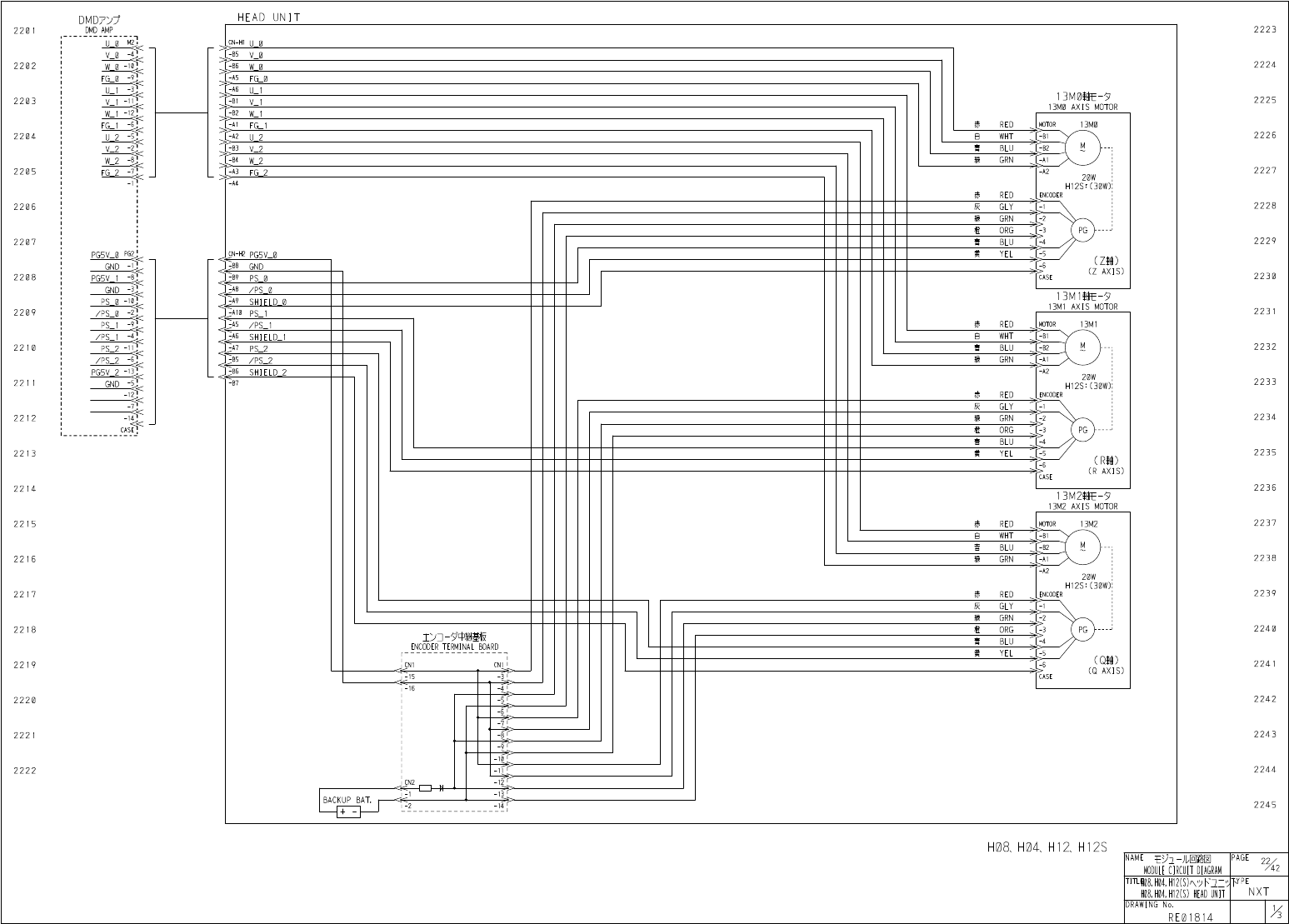
HEAD
UNIT
DMD
7
W
DMD
AMP
2223
220
I
U
_
0
M
2
.
U
0
V
—
0
V
-
0
2224
2202
B
6
W
0
W
0
-
A
5
FG
—
0
FG
0
-
A
6
U
1
U
1
1
3
^^
0
軸石
-
夕
13
M
0
AXIS
MOTOR
2225
2203
,
V
_
1
V
」
-
B
2
W
_
1
W
1
1
赤
RED
13
M
0
MOTOR
FG
」
FG
1
2226
2204
白
WHT
-
B
1
U
2
U
一
2
M
青
BLU
B
3
-
B
2
V
一
2
V
2
緑
GRN
-
A
1
W
2
W
一
2
2227
2205
-
A
2
FG
一
2
FG
2
20
W
-
A
4
H
12
S
:
(
30
W
)
赤
RED
ENCODER
2228
2206
灰
GLY
n
GRN
-
2
橙
ORG
PG
-
3
2229
2207
青
BLU
-
4
黄
丫
EL
PG
5
V
0
P
I
CN
-
H
2
PG
5
V
0
-
5
(
z
軸
)
(
Z
AXIS
)
^
B
8
-
6
GND
GND
I
,
PS
0
2230
2208
CASE
PG
5
V
1
-
A
8
GND
/
P
$
0
13
M
赃
-
夕
13
M
1
AXIS
MOTOR
i
3
l
PS
0
SHIELD
-
0
223
1
2209
/
PS
0
PS
」
-
A
5
赤
RED
13
M
1
MOTOR
PS
1
/
PS
」
-
A
6
白
WHT
-
B
1
/
PS
」
SHIELD
」
M
2232
青
22
1
0
BLU
-
A
7
-
B
2
PS
2
PS
2
緑
GRN
;
5
-
A
1
/
PS
一
2
/
PS
一
2
-
B
6
PG
5
V
2
-
i
SHIELD
2
20
W
2233
221
I
-
B
7
GND
H
12
S
:
(
30
W
)
赤
RED
ENCODER
灰
GLY
J
<
2234
2212
緑
GRN
-
2
橙
ORG
PG
-
3
青
BLU
-
4
2235
黄
YEL
2213
-
5
(
R
軸
)
(
R
AXIS
)
-
6
CASE
2236
2214
1
覽軸
f
-
夕
13
M
2
AXIS
MOTOR
2237
赤
RED
2215
13
M
2
MOTOR
白
WHT
-
B
1
M
青
BLU
-
B
2
2238
緑
GRN
2216
-
A
1
20
W
H
12
S
:
(
30
W
)
2239
赤
RED
2217
ENCODER
灰
GLY
綠
GRN
-
2
2240
橙
ORG
2218
PG
-
3
工
:
一夕中継基板
青
BLU
-
4
ENCODER
TERMINAL
BOARD
黄
丫
EL
-
5
(
Q
軸
)
(
Q
AXIS
)
2241
2 2 1 9
-
6
CN
1
5
-
3
CASE
-
16
2242
22 20
iL
Tr
2243
222
1
2244
2222
CN
2
BACKUP
BAT
.
2245
H
08
、
H
04
H
1
Z
H
12
S
ty
]
-
儿回
_
MODULE
CIRCUIT
DIAGRAM
NAME
PAGE
%
,
叩
⑸
WK
]
二
)
H
08
,
H
04
,
H
12
(
S
)
HEAD
UNIT
"
fvYPE
NXT
DRAWING
No
.
RE
018
U