Schmtic_NXT_03_ - 第86页
方 - 外 3 < 八 S T E P M O T O R D R I V ER 茶 B R W X 1 0 9 f R l 黒 B L K L O N G B \ / 白 W H T D O N 青 B L U - 7 X 1 0 A o n \ / ^ 9 V G B - 1 1 + 2 4 V B 4 CN 2 R E D 赤 - 12 B L K 黒 - 13 - 5 B L U 青 - 14 2 4 W H T 白 15…

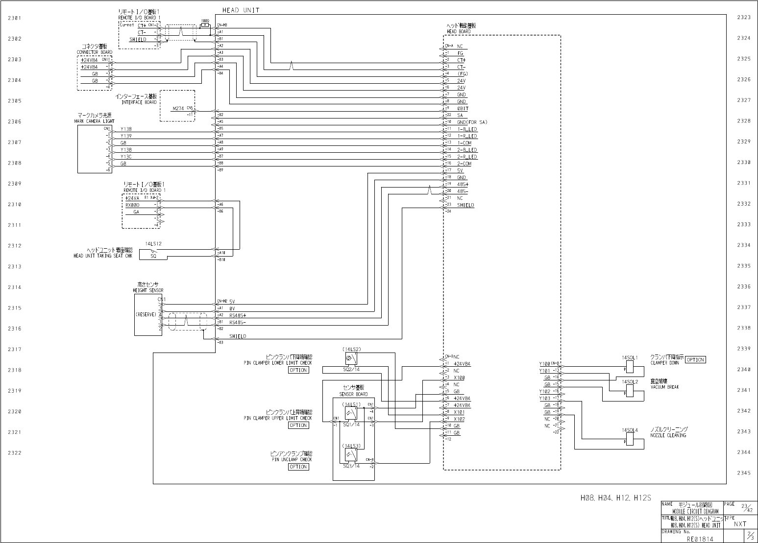
HEAD
UNIT
饨
-
卜
1
/
0
基板
1
REMOTE
I
/
O
BOARD
1
Cu
-
net
CT
+
CM
1
-
2
]
、
2323
230
I
100
Q
vvK
機能麵
HEAD
BOARD
I
-
H
3
K
CT
-
3
2324
2302
-
Bi
SHIELD
-
A
2
夕基板
CONNECTOR
BOARD
r
+
24
VB
4
CN
'
-
A
NC
^
A
3
FG
2325
2303
-
B
3
CT
+
K
-
A
4
+
24
VB
4
CT
-
-
B
4
(
FG
)
GB
2326
2304
GB
24
V
^
24
V
GND
心 夕 工
-
;
l
基 板
INTERFACE
BOARD
2327
2305
GND
0
BIT
7
-
夕力巧光源
MARK
CAMERA
LIGHT
-
B
2
22
SA
4
2328
2306
-
A
5
0
GNDCFOR
SA
)
1
-
B
—
LED
-
B
5
Y
138
-
A
7
丫
139
1
-
R
LED
七
4
2329
2307
-
13
GB
1
-
C
0
M
-
U
Y
13
B
2
-
B
—
LED
4
-
B
7
5
2
-
R
—
LED
Y
13
C
2 33 0
2 308
-
B
8
-
16
G B
2
-
C
0
M
-
B
9
5
V
、
-
W
GND
233
1
2 309
1
开
-
卜
I
/
O
基板
1
REMOTE
I
/
O
BOARD
+
24
V
A
Ri
485
+
485
-
Xd
-
2
]
1
NC
2 33 2
2 3
1
0
RX
00
D
SHIELD
GA
2 33 3
2 31
I
ULS
12
2 33 4
2 31 2
WK
]
:
、
外着座確認
HEAD
UNIT
TAKING
SEAT
CHK
33
^
V
:
SQ
-
B
10
2 33 5
2 31 3
高社
〉
廿
HEIGHT
SENSOR
2 33 6
2 31 4
C M
*
JN
-
H
2
5
V
2 33 7
2 31 5
^
0
V
>
(
RESERVE
)
4
-
A
2
RS
485
+
;
B
1
RS
485
-
2 33 8
2 3
1 6
2
-
B
2
SHIELD
-
B
3
2 33 9
(
14
LS
2
)
2 31 7
匕
°
力刃八下降
_
認
PIN
CLAMPER
LOWER
LIMIT
CHECK
艿
:
^
下降指牙
CLAMPER
DOWN
BNC
14
S
0
L
1
、
OPTION
Yl
00
CN
-
g
^
'
丫
10
'
GB
-
«
iC
+
24
VB
4
SQ
2
/
14
2 340
P
2 318
OPTION
NC
X
100
真空破壊
VACUUM
BREAK
14
S
0
L
2
GB
-
1
NC
補反
SENSOR
BOARD
2 341
2 319
Y
102
-
>
GB
P
丫
103
i
+
24
VB
4
(
14
LS
1
)
CN
1
GB
-
I
+
24
VB
4
2 34 2
匕
^
刃八上昇
_
認
PIN
CLAMPER
UPPER
LIMIT
CHECK
CN
1
L
_
l
2 32 0
G B
-
1
X
1 01
cm
:
9
X
102
NC
-
2
!
SQ
1
/
14
OPTION
10
GB
NC
/
力
!
/
?
1
」
一二
:
NOZZLE
CLEANING
US
0
L
4
2 34 3
2 32
1
-
1 1
G B
-
12
P
(
14
LS
3
)
2 34 4
>
\
iiyyy
^
yjms
PIN
UNCLAMP
CHECK
2 32 2
CN
-
B
SQ
3
/
14
OPTION
-
2
2 34 5
H
08
、
H
04
H
12
、
H
12
S
=
Ey
:
i
_
儿回
_
MODULE
CIRCUIT
DIAGRAM
NAME
PAGE
%
,
叩
⑸
WK
]
二
)
H
08
,
H
04
,
H
12
(
S
)
HEAD
UNIT
"
fvYPE
NXT
DRAWING
No
.
K
RE
018
U

方
-
外
3
<
八
STEP
MOTOR
DRIVER
茶
BRW
X
109
fRl
黒
BLK
L
ON
GB
\
/
白
WHT
D
ON
青
BLU
-
7
X
10
A
on
\
/
^
9
V
GB
-
11
+
24
VB
4
CN
2
RED
赤
-
12
BLK
黒
-
13
-
5
BLU
青
-
14
24
WHT
白
15
CO
GRN
緑
-
16
▽
本
;
N
3
DCSV
0
G
二
2
PB
5
PB
6
PB
7
-
5
-
8
NM
1
/
▽
本
二
6
RES
/
RXD
^
8
TXD
V
GB
VVK
繼麵
HEAD
BOARD
-
CNC
^
+
24
VB
4
上昇
■
認於廿
UPPER
LIMIT
CHECK
-
2
XI
08
i
/
八
-
戻
y
確認廿
LEVER
RETURN
CHECK
(
ORIGIN
POSITION
)
XI
09
令
下降纏認心廿
LOWER
LIMIT
CHECK
XI
0
A
動作指示受取
y
入力
COMMAND COMMAND
XI
0
B
上昇
iW
乍險出力
UP
INDICATION
丫
108
令
下降
_
転出力
DOWN
INDICATION
YI
09
-
8
原点復帰驗出力
ZERO
SET
INDIC
/
士
Y
10
A
GB
>
0
GB
-
12
NC
4
:
HI
S
8
PM
-
F
44
P
SQ
,
外
"
乂外匕
。
)
许
-
夕
HEAD
STEP
1
NG
MOTOR
IPT
HE A D
UNI T
HE A D
UNI T
240
I
2423
2402
2424
2403
2425
2404
2426
2405
2427
51
)
R
24
-
06
2428
2407
2429
2408
2430
2409
243
1
24
-
10
2432
241
1
2433
2412
2434
2413
2435
2414
2436
2415
2437
2416
2438
2417
2439
2418
2440
2419
244
1
2420
2442
242
1
2443
2422
2444
2445
H
08
、
H
04
H
12
、
H
12
S
PAGE
%
"
fvYPE
NX T
於
]
-
儿回
_
MODULE
CIRCUIT
DIAGRAM
TITI
18
,
H
04
,
H
12
(
S
)
VVKJZ
'
;
18
,
H
04
,
H
12
(
S
)
HEAD
UNIT
DRAWING
No
.
NAME
RE
01814
HEAD
BOARD
DNC
TX
(
14
LS
4
T
) (
14
LS
4
R
)
m
下降
1
/
八
-
OFF
検知
NOZZLE
LOWER
LEVER
OFF
DETECTION
茶
BRW
EX
-
11
B
-
PN
茶
BRW
+
24
VB
4
富
BLU
X
103
青
BLU
SQ
4
T
/
I
4
SQ
4
R
/
14
黒
BLK
X
104
-
yXJl
/
有無
NOZZLE
PRESENCE
CHECK
^
SENSOR
GB
U
4
LS
5
T
) (
14
LS
5
R
)
«
=
^
>
GB
茶
BRW
EX
-
11
A
-
PN
茶
BRW
+
24
VB
4
青
BLU
L
ON
+
24
VB
4
青
BLU
SQ
5
T
/
14
SQSR
/
14
黒
BLK
0
MDCHG
-
11
X
112
4
>
2
GB
-
>
3
GB
14
NC
15
RX
-
16
NC
+
24
VB
4
紐確認
(
橙
)
NEGATIVE
PRESSURE
CHECK
(
ORANGE
)
負圧確認
(
赤
)
NEGATIVE
PRESSURE
CHECK
(
RED
)
(
14
PS
1
)
+
24
VB
4
X
110
X
1 11
SP
1
/
I
4
GB
GB
NC
NC
-
10
)
\
-
2
CN
rKL
$
本
R
s
0
$
CN
25
T
2
-
3
34
B
4
24

HEAD
UNIT
DMD
7
W
DMD
AMP
2
S
23
250
I
U
_
0
M
2
.
U
0
V
—
0
V
-
0
2524
2502
B
6
W
0
W
0
-
A
5
FG
—
0
FG
0
-
A
6
U
1
1
3
^^
0
軸石
-
夕
13
M
0
AXIS
MOTOR
2525
2503
-
B
1
V
」
-
B
2
W
1
赤
RED
13
M
0
-
A
1
MOTOR
FG
」
2526
2504
白
WHT
:
A
2
u
一
2
-
B
1
U
2
M
青
BLU
B
3
-
B
2
V
一
2
V
2
緑
GRN
-
B
4
-
A
1
W
2
W
2
2527
2505
-
A
3
-
A
2
FG
一
2
FG
2
20
W
-
A
4
赤
RED
ENCODER
2528
2506
灰
GLY
n
GRN
-
2
橙
ORG
PG
-
3
2529
2507
青
BLU
-
4
黄
丫
EL
PG
5
V
0
P
I
CN
-
H
2
PG
5
V
0
-
5
(
z
軸
)
(
Z
AXIS
)
]
;
B
8
GND
-
6
GND
2530
2508
PS
0
CASE
PG
5
V
1
-
A
8
GND
/
P
$
0
PS
0
SHIELD
-
0
253
1
2509
3
<
A
5
/
PS
0
PS
1
/
PS
」
2532
25
1
0
-
A
7
PS
2
PS
2
;
5
/
PS
一
2
/
PS
一
2
-
B
6
PG
5
V
2
-
i
SHIELD
2
2533
251
I
-
B
7
GND
J
<
2534
2512
2535
2513
2536
2514
1
覽軸
f
-
夕
13
M
2
AXIS
MOTOR
2537
赤
RED
2515
13
M
2
MOTOR
白
WHT
-
B
1
M
青
BLU
-
B
2
2538
緑
GRN
25
1
6
-
A
1
20
W
2539
赤
RED
2517
ENCODER
灰
GLY
綠
GRN
-
2
2540
橙
ORG
2518
PG
-
3
工
:
一夕中継基板
青
BLU
-
4
ENCODER
TERMINAL
BOARD
黄
丫
EL
-
5
(
Q
軸
)
(
Q
AXIS
)
2541
2519
-
6
CN
1
5
-
3
CASE
-
16
2542
2520
iL
2543
252
1
2544
2522
CN
2
BACKUP
BAT
.
2545
H
01
ty
]
-
儿回
_
MODULE
CIRCUIT
DIAGRAM
NAME
PAGE
%
TITLE
H
0
K
'
V
卜
"
]
二外
II
HEAD
UNIT
TYPE
NXT
DRAWING
No
.
RE
01823