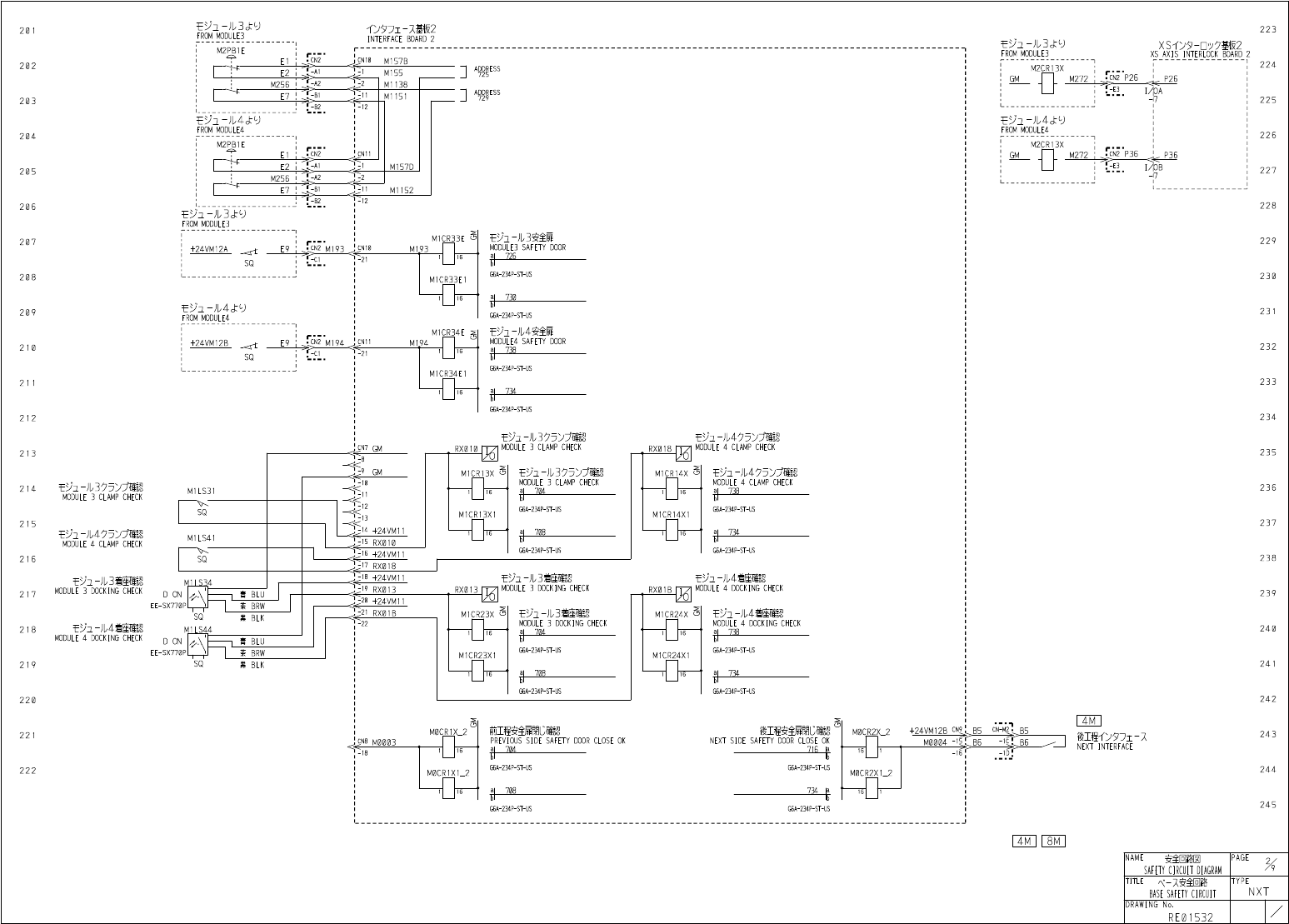
Schmtic_NXT_03_ - 第9页
F R O M M 0 D U L E 5 心夕 〕 I ( 麵 3 I N T E R FA C E B O A R D 3 3 2 3 3 0 I ty ] - ji / 5 cty F R O M M O D U L ES _ M 2 C R I 3 X M 2 P B 1 E rcNr J C N 1 0 M 1 6 1 B E l 3 2 4 3 0 2 : A D D R ES S E 2 M 1 5 9 M l 1 6 7…

FROM
M
0
DULE
3
心夕万
-
;
(
麵
2
INTERFACE
BOARD
2
223
20
I
-
)
13
^
FROM
M
0
DULE
3
_
M
2
CRI
3
X
M
2
PB
1
E
rcNr
El
224
202
:
ADDRESS
E
2
M
155
r
,
CN
2
P
26
P
26
GM
M
272
14
)
A
1
M
256
Ml
138
:
ADDRESS
E
7
Ml
151
729
225
203
:
-
BL
-
12
FROM
M
0
DULE
4
FROM
M
0
DULE
4
_
M
2
CR
13
X
226
204
M
2
PB
1
E
^
2
P
36
^
3
CHU
CN
2
E
1
M
272
P
36
GM
E
2
M
157
D
227
205
-
n
•
A
2
M
256
E
7
M
1152
12
228
206
FROM
M
0
DULE
3
晚
-
儿
3
安全扉
M
0
DULE
3
SAFETY
DOOR
ai
77
G
M
1
CR
33
E
229
207
12
M
193
10
+
24
VM
12
A
E
9
M
193
-
SQ
16
b
G
6
A
-
234
P
-
ST
-
US
230
208
MICR
33
E
1
a
|
7
^
16
b
FROM
M
0
DULE
4
23
1
209
G
6
A
-
234
P
-
ST
-
US
砍
-
儿
4
安全扉
M
0
DULE
4
SAFETY
DOOR
a
|
718
MICR
34
E
S
■
CN
:
11
+
24
VM
12
B
E
9
MI
94
M
194
-
<
rt
SQ
232
2
10
16
b
G
6
A
-
234
P
-
ST
-
US
M
1
CR
34
EI
233
2
ai
7
^
4
16
b
G
6
A
-
234
P
-
ST
-
US
234
212
衫
]
-
儿
3
夕力
:
MODULE
3
CLAMP
CHECK
^
j
2
-
u
^
yym
MODULE
4
CLAMP
CHECK
'
7
GM
RX
010
RX
018
235
213
6
^
j
2
-
)
i
3
^
75
yjms
MODULE
3
CLAMP
CHECK
a
|
704
^
j
2
-
ui
75
yjms
MODULE
4
CLAMP
CHECK
ai
738
GM
M
1
CR
13
X
M
1
CRUX
'
-
11
MODULE
3
CLAMP
CHECK
236
214
M
1
LS
31
16
16
F
V
:
SQ
-
12
G
6
A
-
234
P
-
ST
-
US
G
6
A
-
234
P
-
ST
-
US
M
1
CR
13
X
1
M
1
CR
14
X
1
-
13
237
215
+
24
VM
11
MODULE
4
CLAMP
CHECK
ai
708
734
16
16
M
1
LS
41
b
-
'
5
RX
010
G
6
A
-
234
P
-
ST
-
US
G
6
A
-
234
P
-
ST
-
US
V
:
SQ
16
+
24
VM
11
238
2
16
-
17
RX
018
衫
]
_
儿
3
鍵確認
MODULE
3
DOCKING
CHECK
tyn
-
M
着座確認
MODULE
4
DOCKING
CHECK
+
24
VM
11
找
]
-
儿
3
着座確認
MILS
34
RX
013
RX
013
RX
01
B
MODULE
3
DOCKING
CHECK
4
239
青
BLU
217
D
ON
EE
-
5
X
770
P
二
20
+
24
VM
11
茶
BRW
!
-
2
l
晚
-
儿
3
着座確認
MODULE
3
DOCKING
CHECK
ai
704
着座確認
MODULE
4
DOCKING
CHECK
ai
738
RX
01
B
M
1
CR
23
X
^
M
1
CR
24
-
X
^
SQ
黒
BLK
22
MODULE
4
DOCKING
CHECK
240
218
VII
LS
^
A
16
16
bl
D
ON
EE
-
SX
770
P
青
BLU
G
6
A
-
234
P
-
ST
-
US
G
6
A
-
234
P
-
ST
-
US
茶
BRW
M
1
CR
23
XI
M
1
CR
24
X
1
SQ
241
219
黒
BLK
a
|
708
a
|
734
16
16
bl
G
6
A
-
234
P
-
ST
-
US
G
6
A
-
234
P
-
ST
-
US
242
220
4
M
6
前工程安獅
l
:
確認
PREVIOUS
SIDE
SAFETY
DOOR
CLOSE
OK
a
|
704
後工程安全扉閉
C
確認
NEXT
SIDE
SAFETY
DOOR
CLOSE
OK
716
la
+
24
VM
12
B
CN
9
B
5
M
0
CR
1
X
_
2
M
0
CR
2
X
_
2
243
後工程心夕
〕
工
-
乂
NEXT
INTERFACE
22
1
M
0004
-
15
!
B
6
M
0003
B
6
16
16
b b
G
6
A
-
234
P
-
ST
-
US
G
6
A
-
234
P
-
ST
-
US
244
222
M
0
CR
1
X
1
_
2
M
0
CR
2
XU
2
ai
708
la
16
16
b b
245
G
6
A
-
234
P
-
ST
-
US
G
6
A
-
234
P
-
ST
-
US
4
M
8
M
安全回路図
SAFETY
CIRCUIT
DIAGRAM
NAME
PAGE
TITLE
令乂安全回路
BASE
SAFETY
CIRCUIT
TYPE
NXT
DRAWING
No
.
RE
01532

FROM
M
0
DULE
5
心夕
〕
I
(
麵
3
INTERFACE
BOARD
3
323
30
I
ty
]
-
ji
/
5
cty
FROM
MODULES
_
M
2
CRI
3
X
M
2
PB
1
E
rcNr
JCN
10
M
161
B
El
324
302
:
ADDRESS
E
2
M
159
Ml
167
625
,
CN
2
P
46
P
46
GM
M
272
14
)
A
1
M
256
:
A
5
D
DRESS
Ml
180
E
7
29
325
303
:
-
BL
-
12
一儿
6
cty
FROM
M
0
DULE
6
_
M
2
PB
1
E
石夕
]
一
FROM
M
0
DULE
6
_
M
2
CR
13
X
326
304
^
2
P
56
^
3
亍
CHU
CN
2
E
1
M
272
P
56
GM
M
161
D
E
2
327
305
-
n
•
A
2
M
256
E
7
M
1181
12
328
306
FROM
MODULES
EV
]
-
/
11
/
5
女全屝
MODULES
SAFETY
DOOR
ai
fi
?
G
M
1
CR
35
E
329
307
12
M
195
10
+
24
VM
22
A
E
9
M
195
-
SQ
16
b
G
6
A
-
234
P
-
ST
-
US
330
308
MICR
35
E
1
a
|
630
16
b
FROM
M
0
DULE
6
33
1
309
G
6
A
-
234
P
-
ST
-
US
tVH
一儿
6
女全屝
M
0
DULE
6
SAFETY
DOOR
a
|
MICR
36
E
S
■
CN
:
11
+
24
VM
22
B
E
9
MI
96
M
196
-
<
rt
SQ
332
3
1
0
16
b
G
6
A
-
234
P
-
ST
-
US
MICR
36
E
1
333
3
ai
B
^
4
16
b
G
6
A
-
234
P
-
ST
-
US
334
312
衫
]
-
儿
5
夕力
:
MODULE
5
CLAMP
CHECK
晚
-
儿
6
为
:
MODULE
6
CLAMP
CHECK
'
7
GM
RX
020
RX
028
335
313
6
晚
-
儿
595
、
虞認
MODULE
5
CLAMP
CHECK
a
|
604
晚
-
儿
695
>
遞
MODULE
6
CLAMP
CHECK
ai
638
GM
M
1
CR
15
X
M
1
CR
16
X
'
-
11
MODULE
5
CLAMP
CHECK
336
314
M
1
LS
51
16
16
F
V
:
SQ
-
12
G
6
A
-
234
P
-
ST
-
US
G
6
A
-
234
P
-
ST
-
US
M
1
CR
15
X
1
M
1
CR
16
X
1
-
13
337
315
+
24
VM
21
MODULE
6
CLAMP
CHECK
si
608
634
16
16
M
1
LS
61
b
-
'
5
RX
020
G
6
A
-
234
P
-
ST
-
US
G
6
A
-
234
P
-
ST
-
US
V
:
SQ
IB
+
24
VM
21
338
3
16
-
17
RX
028
衫
]
_
儿
5
鍵確認
MODULE
5
DOCKING
CHECK
晚
-
儿
6
鍵職
MODULE
6
DOCKING
CHECK
+
24
VM
21
杉
]
-
儿
5
着座確認
MODULE
5
DOCKING
CHECK
MILS
54
-
19
RX
023
RX
023
RX
02
B
4
339
青
BLU
317
D
ON
EE
-
5
X
770
P
J
-
20
+
24
VM
21
.
-
21
RX
02
B
茶
BRW
晚
-
儿
5
着座確認
MODULE
5
DOCKING
CHECK
ai
B
(
M
-
晚
-
儿
6
着座職
MODULE
6
DOCKING
CHECK
ai
fi
^
8
M
1
CR
25
X
^
M
1
CR
26
X
SQ
黒
BLK
22
儿
6
着座確
MODULE
6
DOCKING
CHECK
340
318
M
1
L
5
E
A
16
16
bl
D
ON
EE
-
SX
770
P
青
BLU
G
6
A
-
234
P
-
ST
-
US
G
6
A
-
234
P
-
ST
-
US
茶
BRW
M
1
CR
25
XI
M
1
CR
26
X
1
SQ
341
319
黒
BLK
a
|
G
08
a
|
G
34
16
16
bl
G
6
A
-
234
P
-
ST
-
US
G
6
A
-
234
P
-
ST
-
US
342
320
6
前工程安獅
l
:
確認
PREVIOUS
SIDE
SAFETY
DOOR
CLOSE
OK
a
|
604
後工程安全扉閉
C
確認
NEXT
SIDE
SAFETY
DOOR
CLOSE
OK
616
la
M
0
CR
1
X
」
M
0
CR
2
X
_
3
343
32
1
M
0004
CN
;
M
0003
16
16
b b
G
6
A
-
234
P
-
ST
-
US
G
6
A
-
234
P
-
ST
-
US
344
32 2
M
0
CR
1
X
1
_
3
M
0
CR
2
XU
3
a
|
B
08
la
16
16
b b
345
G
6
A
-
234
P
-
ST
-
US
G
6
A
-
234
P
-
ST
-
US
8
M
安全回路図
SAFETY
CIRCUIT
DIAGRAM
NAME
PAGE
TITLE
令乂安全回路
BASE
SAFETY
CIRCUIT
TYPE
NXT
DRAWING
No
.
RE
01532

ty
]
~
jL
/
7
cty
FROM
M
0
DULE
7
心夕
〕
I
(
麵
4
INTERFACE
BOARD
4
423
40
I
—
儿
7
j
:
y
FROM
M
0
DULE
7
XSXA
^
T
^
S
4
M
2
PB
1
E
rcNr
JCN
10
M
165
B
El
424
402
M
2
CRI
3
X
:
ADDRESS
E
2
M
163
^
2
^
66
B
25
P
66
GM
M
272
14
)
A
2
M
256
Ml
196
:
ADDRESS
M
1209
E
7
529
425
403
:
-
BL
-
12
石
y
:
i
-
儿
FROM
M
0
DULE
8
_
M
2
PB
1
E
FROM
M
0
DULE
8
_
M
2
CR
13
X
426
404
rCN
2
P
76
亍
CHU
CN
2
E
1
M
272
P
76
GM
M
165
D
E
2
427
405
-
n
•
A
2
M
256
E
7
M
1210
12
428
406
儿
7
d
:
y
FROM
M
0
DULE
7
晚
-
儿
7
安全扉
M
0
DULE
7
SAFETY
DOOR
ai
S
7
G
M
1
CR
37
E
429
407
12
M
197
10
+
24
VM
32
A
E
9
M
197
-
SQ
16
b
G
6
A
-
234
P
-
ST
-
US
430
408
MICR
37
E
1
ai
16
b
儿
8
cty
FROM
M
0
DULE
8
43
1
409
G
6
A
-
234
P
-
ST
-
US
砍
-
儿
8
安全扉
M
0
DULE
8
SAFETY
DOOR
ai
S
^
R
MICR
38
E
S
■
CN
:
11
+
24
VM
32
B
E
9
MI
98
M
198
-
<
rt
SQ
432
410
16
b
G
6
A
-
234
P
-
ST
-
US
MICR
38
E
1
433
41
I
ai
S
^
4
16
b
G
6
A
-
234
P
-
ST
-
US
4
-
34
412
MODULE
7
CLAMP
CHECK
砍
-
儿
8
为
:
^
遞
2
MODULE
8
CLAMP
CHECK
'
7
GM
RX
030
RX
038
435
413
6
晚
-
儿
795
顧
MODULE
7
CLAMP
CHECK
晚
-
儿
895
>
遞
MODULE
8
CLAMP
CHECK
GM
M
1
CR
17
X
M
1
CR
18
X
'
-
11
MODULE
7
CLAMP
CHECK
436
414
M
1
LS
71
■
538
a
|
a
|
16
16
F
V
:
SQ
-
12
G
6
A
-
234
P
-
ST
-
US
G
6
A
-
234
P
-
ST
-
US
M
1
CR
17
X
1
M
1
CR
18
X
1
-
13
437
415
+
24
VM
31
MODULE
8
CLAMP
CHECK
3
l
508
534
16
16
M
1
LS
81
b
-
'
5
RX
030
G
6
A
-
234
P
-
ST
-
US
G
6
A
-
234
P
-
ST
-
US
V
:
SQ
IB
+
24
VM
31
438
416
-
17
RX
038
衫
]
_
儿
7
鍵確認
MODULE
7
DOCKING
CHECK
晚
-
儿
8
鍵職
MODULE
8
DOCKING
CHECK
+
24
VM
31
找
]
-
儿
7
着座確認
MILS
74
-
19
RX
033
RX
033
RX
03
B
MODULE
7
DOCKING
CHECK
4
439
青
BLU
417
D
ON
EE
-
5
X
770
P
二
20
+
24
VM
31
茶
BRW
晚
-
儿
7
着座確認
MODULE
7
DOCKING
CHECK
a
|
S
(
M
-
晚
-
儿
8
着座職
MODULE
8
DOCKING
CHECK
M
1
CR
27
X
^
M
1
CR
28
X
SQ
黒
BLK
22
儿
8
着座確
MODULE
8
DOCKING
CHECK
440
418
MILSe
A
16
16
bl
D
ON
EE
-
SX
770
P
青
BLU
G
6
A
-
234
P
-
ST
-
US
G
6
A
-
234
P
-
ST
-
US
茶
BRW
M
1
CR
27
XI
M
1
CR
28
X
1
SQ
441
419
黒
BLK
a
|
508
a
|
534
16
16
bl
G
6
A
-
234
P
-
ST
-
US
G
6
A
-
234
P
-
ST
-
US
442
420
I
8
M I
6
前工程安獅
l
:
確認
PREVIOUS
SIDE
SAFETY
DOOR
CLOSE
OK
a
|
S
04
後工程安全扉閉
c
確認
NEXT
SIDE
SAFETY
DOOR
CLOSE
OK
S
16
la
B
5
M
0
CR
1
X
_
4
M
0
CR
2
X
443
42
1
後工程心夕
〕
工
-
乂
NEXT
INTERFACE
M
0004
-
15
!
B
6
M
0003
B
6
16
16
b b
G
6
A
-
234
P
-
ST
-
US
G
6
A
-
234
P
-
ST
-
US
444
422
M
0
CR
1
XU
4
M
0
CR
2
X
1
a
|
S
08
S
切
la
16
16
b b
445
G
6
A
-
234
P
-
ST
-
US
G
6
A
-
234
P
-
ST
-
US
8
M
安全回路図
SAFETY
CIRCUIT
DIAGRAM
NAME
PAGE
X
TITLE
令乂安全回路
BASE
SAFETY
CIRCUIT
TYPE
NXT
DRAWING
No
.
RE
01532