Schmtic_NXT_03_ - 第90页
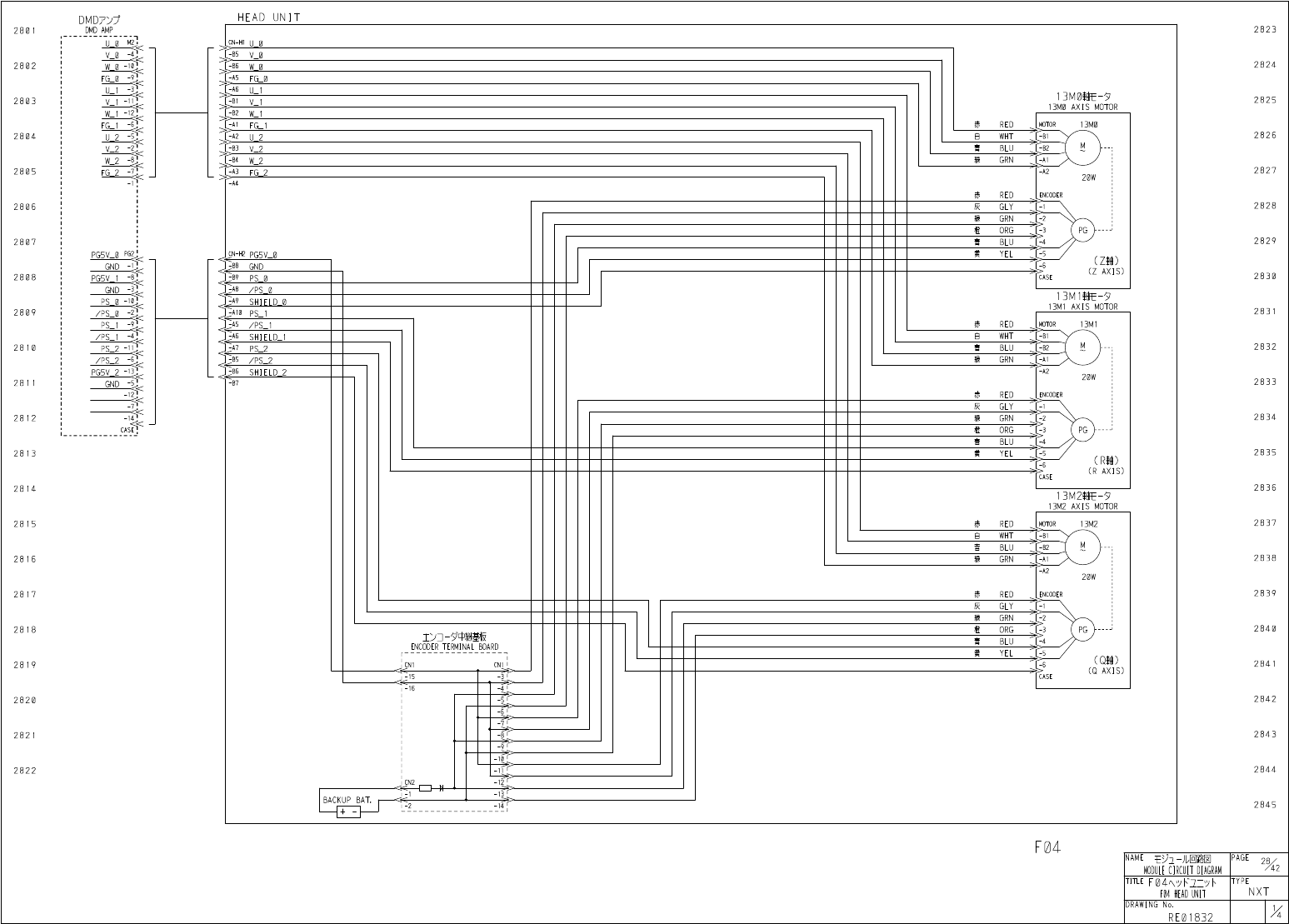
H E A D U N I T DMD 7 W D M D A M P 2 8 2 3 2 8 0 I U _ 0 M 2 . U 0 V — 0 V - 0 2 8 2 4 2 8 0 2 B 6 W 0 W 0 - A 5 F G — 0 F G 0 - A 6 U 1 U 1 1 3 ^ ^ 0 軸 石 - 夕 1 3 M 0 A X I S M O T O R 2 8 2 5 2 8 0 3 , V _ 1 V 」 - B 2 …

HEAD
UNIT
HEAD
UNIT
270
I
2723
V
外
、
'
機能基板
HEAD
BOARD
HEAD
BOARD
SENSOR
BOARD
2702
2724
(
14
LS
4
)
A
DNC
PIN
UNCLAMP
CHECK
2703
2725
CN
TX
SQ
4
/
U
二
2
+
24
VB
4
OPTION
cm
^
3
+
24
VB
4
2704
2726
X
103
匕
°
力
5
>
/
\
°
上譯
_
PIN
CLAMPER
UPPER
LIMIT
CHECK
CN
1
CNI
X
104
-
SQ
5
/
U
-
3
GB
OPTION
2705
2727
GB
+
24
VB
4
(
14
LS
12
)
+
24
VB
4
2706
2728
'
0
MDCHG
匕
。
奶
>
八
。
下降端磁
S
PIN
CLAMPER
LOWER
LIMIT
CHECK
-
11
X
112
4
SQ
12
/
14
>
2
GB
OPTION
2707
2729
«
3
GB
14
NC
15
RX
2708
2730
-
16
2709
273
1
NC
(
14
LS
13
)
27
1
0
2732
+
24
VB
4
-
\
+
24
VB
4
m
吸着確認入力
NOZZLE
PICK
-
UP
CHECK
X
110
SQ
27
1
I
2733
X
111
GB
(
ULS
10
)
GB
2712
2734
NC
真空破麵認入力
PART
PICK
-
UP
CHECK
NC
SQ
-
10
2 7 1 3
2 7 3 5
2 7 1 4
2 7 3 6
扮
/
t
下降指示
CLAMPER
DOWN
2 7 1 5
2 7 3 7
I
4
SOL
5
OPTION
Y
108
CN
-
'
•
+
24
VB
4
X
108
Y
109
<
i
<
2 7 1 6
2 7 3 8
Y
10
A
z
軸
:
;
u
-
棚拙力
Z
AXIS
BRAKE
RELEASE
14
S
0
L
7
X
109
GB
-
4
X
10
A
NC
-
1
GB
-
1
2 7 1 7
2 7 3 9
X
10
B
2 7 1 8
2 7 4 0
2 7 1 9
2 7 4
1
2 7 2 0
2 7 4 2
2 7 2
1
2 7 4 3
2 7 4 4
2 7 2 2
2 7 4 5
H
01
ty
]
-
儿回
_
MODULE
CIRCUIT
DIAGRAM
NAME
PAGE
%
TITLE
H
0
WVK
'
IZ
二外
II
HEAD
UNIT
TYPE
NXT
DRAWING
No
.
RE
01823

HEAD
UNIT
DMD
7
W
DMD
AMP
2823
280
I
U
_
0
M
2
.
U
0
V
—
0
V
-
0
2824
2802
B
6
W
0
W
0
-
A
5
FG
—
0
FG
0
-
A
6
U
1
U
1
1
3
^^
0
軸石
-
夕
13
M
0
AXIS
MOTOR
2825
2803
,
V
_
1
V
」
-
B
2
W
_
1
W
1
1
赤
RED
13
M
0
MOTOR
FG
」
FG
1
2826
2804
白
WHT
-
B
1
U
2
U
一
2
M
青
BLU
B
3
-
B
2
V
一
2
V
2
緑
GRN
-
A
1
W
2
W
一
2
2827
2805
-
A
2
FG
一
2
FG
2
20
W
-
A
4
赤
RED
ENCODER
2828
2806
灰
GLY
n
GRN
-
2
橙
ORG
PG
-
3
2829
2807
青
BLU
-
4
黄
丫
EL
PG
5
V
0
P
I
CN
-
H
2
PG
5
V
0
-
5
(
z
軸
)
(
Z
AXIS
)
^
B
8
-
6
GND
GND
I
,
PS
0
2830
2808
CASE
PG
5
V
1
-
A
8
GND
/
P
$
0
13
M
赃
-
夕
13
M
1
AXIS
MOTOR
i
3
l
PS
0
SHIELD
-
0
283
1
2809
/
PS
0
PS
」
-
A
5
赤
RED
13
M
1
MOTOR
PS
1
/
PS
」
-
A
6
白
WHT
-
B
1
/
PS
」
SHIELD
」
M
2832
青
28
1
0
BLU
-
A
7
-
B
2
PS
2
PS
2
緑
GRN
;
5
-
A
1
/
PS
一
2
/
PS
一
2
-
B
6
PG
5
V
2
-
i
SHIELD
2
20
W
2833
281
I
-
B
7
GND
赤
RED
ENCODER
灰
GLY
J
<
2834
2812
緑
GRN
-
2
橙
ORG
PG
-
3
青
BLU
-
4
2835
黄
YEL
2813
-
5
(
R
軸
)
(
R
AXIS
)
-
6
CASE
2836
2814
1
覽軸
f
-
夕
13
M
2
AXIS
MOTOR
2837
赤
RED
2815
13
M
2
MOTOR
白
WHT
-
B
1
M
青
BLU
-
B
2
2838
緑
GRN
28
16
-
A
1
20
W
2839
赤
RED
2817
ENCODER
灰
GLY
綠
GRN
-
2
2840
橙
ORG
2818
PG
-
3
工
:
一夕中継基板
青
BLU
-
4
ENCODER
TERMINAL
BOARD
黄
丫
EL
-
5
(
Q
軸
)
(
Q
AXIS
)
2841
2819
-
6
CNl
5
-
3
CASE
-
16
2842
2820
iL
Tr
2843
282
1
2844
2822
CN
2
BACKUP
BAT
.
2845
F
04
ty
]
-
儿回
_
MODULE
CIRCUIT
DIAGRAM
NAME
PAGE
%
TITLE
「
04
'
外
"
]
二
'
〉
卜
F
04
HEAD
UNIT
TYPE
NXT
DRAWING
No
.
RE
01832

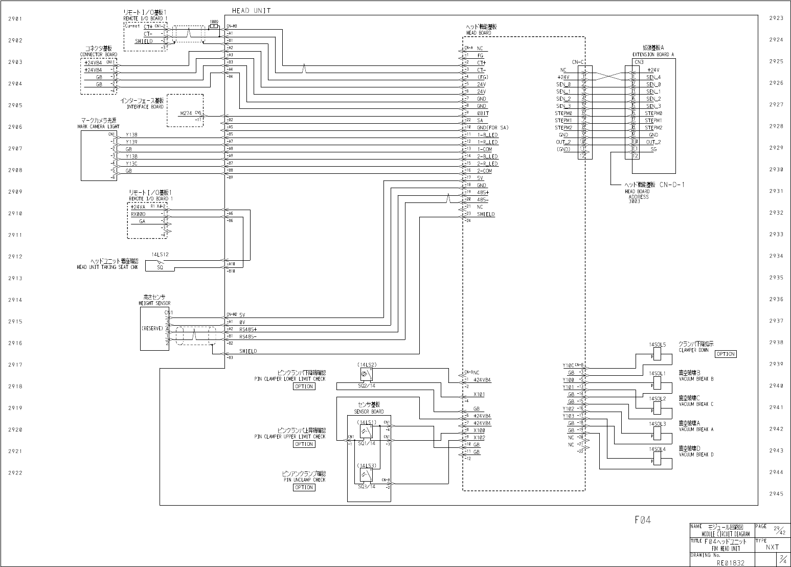
HEAD
UNIT
饨
-
卜
1
/
0
基板
1
REMOTE
I
/
O
BOARD
1
Cu
-
net
CT
+
CM
1
-
2
]
、
2923
290
I
100
Q
vvK
機能麵
HEAD
BOARD
I
-
H
3
K
CT
-
3
2924
2902
-
Bi
SHIELD
-
A
2
拡張麵
A
EXTENSION
BOARD
A
夕基板
CONNECTOR
BOARD
r
+
24
VB
4
CN
'
-
A
NC
^
A
3
FG
2925
2903
CN
-
C
CN
3
-
B
3
CT
+
K
-
A
4
+
24
VB
4
CT
-
NC
+
24
V
-
B
4
(
FG
)
GB
+
24
V
SEN
_
0
SEN
_
1
SEN
」
SEN
」
STEPM
0
STEPM
1
STEPM
2
SEN
_
4
SEN
一
0
2926
2904
GB
24
V
Jl
^
24
V
GND
SEN
」
SEN
一
3
STEPM
0
STEPM
1
STEPM
2
心 夕 工
-
;
l
基 板
INTERFACE
BOARD
2927
2905
GND
0
BIT
7
-
夕力巧光源
MARK
CAMERA
LIGHT
-
B
2
22
SA
4
292 8
290 6
-
A
5
0
GNDCFOR
SA
)
1
-
B
—
LED
-
B
5
Y
138
GND GND
¥
-
A
7
丫
139
1
-
R
LED
OU
"
^
.
(
GND
)
OUT
-
2
<
^
4
292 9
290 7
-
13
GB
1
-
C
0
M
SG
11
^
-
u
Y
13
B
2
-
B
—
LED
4
-
B
7
5
2
-
R
—
LED
Y
13
C
293 0
290 8
-
B
8
-
16
GB
2
-
C
0
M
-
B
9
5
V
、
-
W
GND
”
K
機能麵
CN
-
D
-
1
HEAD
BOARD
ADDRESS
293
1
290 9
1
开
-
卜
I
/
O
基板
1
REMOTE
I
/
O
BOARD
+
24
V
A
Ri
485
+
485
-
3003
Xd
-
2
]
1
NC
293 2
29
1
0
RX
00
D
SHIELD
GA
293 3
29
1
I
ULS
12
293 4
291 2
WK
]
:
、
外着座確認
HEAD
UNIT
TAKING
SEAT
CHK
33
^
V
:
SQ
-
B
10
293 5
291 3
高社
〉
廿
HEIGHT
SENSOR
293 6
291 4
CM
*
JN
-
H
2
5
V
293 7
291 5
^
0
V
>
(
RESERVE
)
4
-
A
2
RS
485
+
;
B
1
RS
485
-
293 8
初八下降指示
CLAMPER
DOWN
29
1
6
2
-
B
2
14
S
0
L
5
SHIELD
OPTION
P
-
B
3
293 9
(
14
LS
2
)
291 7
Y
10
CCN
-
匕
°
力刃八下降
_
認
PIN
CLAMPER
LOWER
LIMIT
CHECK
真空破壊
B
VACUUM
BREAK
B
BNC
GB
14
S
0
L
1
+
24
VB
4
丫
100
SQ
2
/
14
294 0
p
291 8
OPTION
丫
101
GB
X
10 1
真空破壊
C
VACUUM
BREAK
C
14
S
0
L
2
GB
-
1
補反
SENSOR
BOARD
294 1
291 9
Y
102
-
>
GB
P
丫
103
i
+
24
VB
4
(
14
LS
1
)
CN
1
真空破壊
A
VACUUM
BREAK
A
GB
-
I
+
24
VB
4
US
0
L
3
294 2
匕
^
刃八上昇
_
認
PIN
CLAMPER
UPPER
LIMIT
CHECK
CN
1
L
_
l
292 0
GB
-
1
X
10 0
P
cm
:
9
X
102
NC
-
2
!
SQ
1
/
14
OPTION
10
GB
NC
真空破壊
D
VACUUM
BREAK
D
US
0
L
4
294 3
292
1
-
11
GB
-
12
P
(
14
LS
3
)
294 4
>
\
iiyyy
^
yjms
PIN
UNCLAMP
CHECK
292 2
CN
-
B
SQ
3
/
14
OPTION
294 5
F
04
=
Ey
:
i
_
儿回
_
MODULE
CIRCUIT
DIAGRAM
NAME
PAGE
%
TITLE
「
04
'
外
"
]
二
'
〉
卜
F
04
HEAD
UNIT
TYPE
NXT
DRAWING
No
.
RE
01832