Schmtic_NXT_03_ - 第94页
H E A D U N I T DMD 7 W D M D A M P 3 2 2 3 3 2 0 I U _ 0 M 2 . U 0 V — 0 V - 0 3 2 2 4 3 2 0 2 B 6 W 0 W 0 - A 5 F G — 0 F G 0 - A 6 U 1 U 1 1 3 ^ ^ 0 軸 石 - 夕 1 3 M 0 A X I S M O T O R 3 2 2 5 3 2 0 3 , V _ 1 V 」 - B 2 …

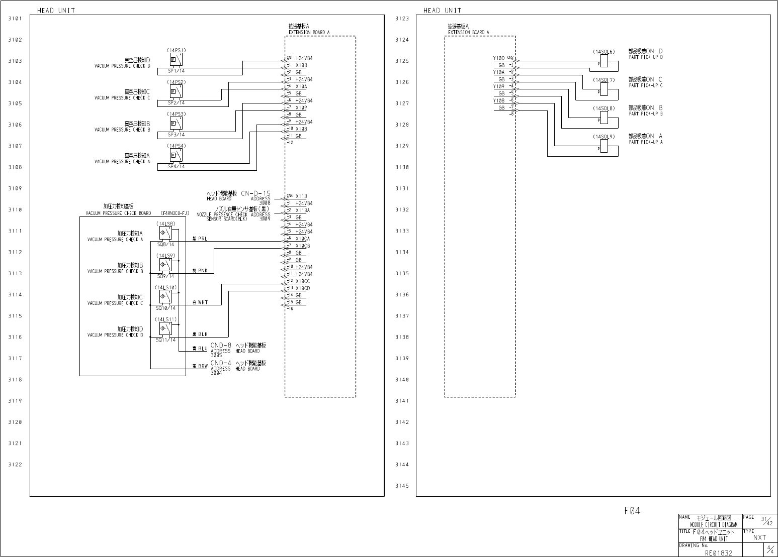
HEAD
UNIT
HEAD
UNIT
3
1 0
1
3 1 2 3
拡張籠
A
EXTENSION
BOARD
A
拡張議
A
EXTENSION
BOARD
A
3
1
02
3
124
(
14
PS
1
)
部品吸着
ON
D
PART
PICK
-
UP
D
(
14
S
0
L
6
)
CNi
+
24
VB
4
Y
10
D
CN
2
^
真空圧檄
OD
VACUUM
PRESSURE
CHECK
D
^
4
3
103
3 1 2 5
D
X
10
B
GB
SP
1
/
14
GB
Y
10
A
部品吸着
ON
C
PART
PICK
-
UP
C
+
24
VB
4
GB
(
14
S
0
L
7
)
(
14
P
52
)
3
1
04
3 1 2 6
X
10
A
丫
109
真空圧檄
OC
VACUUM
PRESSURE
CHECK
C
P
GB GB
丫
108
+
24
VB
4
SP
2
/
14
3
105
3 1 2 7
:
Hz
部品吸着
ON
B
PART
PICK
-
UP
B
X
109
GB
(
14
S
0
L
8
)
(
14
P
53
)
GB
D
+
24
VB
4
真空圧檄
OB
3
10
6
3 1 2 8
10
X
108
VACUUM
PRESSURE
CHECK
B
SP
3
/
14
部品吸着
ON
A
PART
PICK
-
UP
A
"
GB
(
14
S
0
L
9
)
-
12
(
14
PS
4
)
3
107
3 1 2 9
P
0
"
'
真空圧検知
A
VACUUM
PRESSURE
CHECK
A
SP
4
/
14
3
108
3 1 3 0
3
1 0 9
3
1 3
1
WK
椴能麵
CN
-
D
-
15
HEAD
BOARD
有無
■
基板
(
黒
)
—
NOZZLE
PRESENCE
CHECK
ADDRESS
SENSOR
BOARD
(
BLK
)
jN
4
X
1 1 3
—
4
ADDRESS
3008
+
24
VB
4
加圧纖麵
VACUUM
PRESSURE
CHECK
BOARD
(
F
4
RNDCB
-
FJ
)
3
110
3
1
32
X I
1 3
A
G B
3009
(
14
LS
8
)
+
24
VB
4
+
24
VB
4
3
3 1 3 3
加圧力檄
OA
VACUUM
PRESSURE
CHECK
A
紫
PRL
X
10
CA
SQ
8
/
U
3 1 1 2
3
1 3 4
G B
(
HLS
9
)
GB
加圧力検知
B
VACUUM
PRESSURE
CHECK
B
二
10
+
24
VB
4
H
+
24
VB
4
4
桃
PNK
3 1 1 3
3 1 3 5
SQ
9
/
U
-
'
2
X
10
CC
(
14
LS
10
)
-
13
X
10
CD
3
114
3 1 3 6
M
G B
加圧廳
C
VACUUM
PRESSURE
CHECK
C
4
GB
白
WHT
SQ
10
/
U
-
16
3
115
3 1 3 7
(
14
LS
1
I
)
加圧鳩
OD
VACUUM
PRESSURE
CHECK
D
黒
BLK
3
116
3 1 3 8
SQI
1
/
14
CND
-
8
WK
搬麵
ADDRESS
HEAD
BOARD
青
BLU
3005
3 1 1 7
3 1 3 9
CND
-
4
外
、
,
繼基板
ADDRESS
HEAD
BOARD
3004
茶
BRW
3 1 1 8
3
U
0
3 1 1 9
3
U
1
3
1 2 0
3
U
2
3 1 2 1
3 1 4 3
3
1 4 4
3 1 2 2
3 1 4 5
F
04
ty
]
-
儿回
_
MODULE
CIRCUIT
DIAGRAM
NAME
PAGE
%
TITLE
「
04
'
外
"
]
二
'
〉
卜
F
04
HEAD
UNIT
TYPE
NXT
DRAWING
No
.
RE
01832

HEAD
UNIT
DMD
7
W
DMD
AMP
3223
320
I
U
_
0
M
2
.
U
0
V
—
0
V
-
0
3224
3202
B
6
W
0
W
0
-
A
5
FG
—
0
FG
0
-
A
6
U
1
U
1
1
3
^^
0
軸石
-
夕
13
M
0
AXIS
MOTOR
3225
3203
,
V
_
1
V
」
-
B
2
W
_
1
W
1
1
赤
RED
13
M
0
MOTOR
FG
」
FG
1
3226
3204
白
WHT
-
B
1
U
2
U
一
2
M
青
BLU
B
3
-
B
2
V
一
2
V
2
緑
GRN
-
A
1
W
2
W
一
2
3227
3205
-
A
2
FG
一
2
FG
2
20
W
-
A
4
赤
RED
ENCODER
3228
3206
灰
GLY
n
GRN
-
2
橙
ORG
PG
-
3
3229
3207
青
BLU
-
4
橙
丫
EL
PG
5
V
0
P
I
CN
-
H
2
PG
5
V
0
-
5
(
z
軸
)
(
Z
AXIS
)
^
B
8
-
6
GND
GND
I
,
PS
0
3230
3208
CASE
PG
5
V
1
-
A
8
GND
/
P
$
0
1
3
M
赃
-
夕
13
M
1
AXIS
MOTOR
i
3
l
廿
-
if
冲継麵
SERVO
JERMINAL
BOARD
Jam
廿
-
神継麵
SERVO
TERMINAL
_
B
0
ARD
CNI
0
^
赤
PS
0
SHIELD
-
0
323
1
3209
/
PS
0
PS
」
-
A
5
RED
13
M
1
CN
501
CN
501
MOTOR
PS
1
/
PS
」
-
A
6
白
WHT
-
1
3
-
B
1
/
PS
」
SHIELD
」
M
3232
O
青
32
1
0
BLU
-
A
7
-
B
2
PS
2
PS
2
緑
GRN
;
5
-
A
1
/
PS
一
2
/
PS
一
2
-
B
6
PG
5
V
2
-
i
SHIELD
2
20
W
3233
321
I
-
B
7
GND
赤
RED
ENCODER
灰
GLY
-
25
.
26
^
-
25
.
26
J
<
3234
3212
緑
GRN
-
23
.
-
21
24
-
2
橙
ORG
PG
-
3
青
BLU
-
4
3235
黄
YEL
3213
-
28
-
10
-
10
-
5
(
C
軸
)
(
C
AXIS
)
-
29
-
6
-
12
-
20
,
27
‘
30
CASE
-
12
3236
3214
1
覽軸
f
-
夕
13
M
2
AXIS
MOTOR
3237
赤
RED
3215
13
M
2
MOTOR
白
WHT
-
B
1
M
青
BLU
-
B
2
3238
緑
GRN
3216
-
A
1
20
W
3239
赤
RED
3217
ENCODER
灰
GLY
綠
GRN
-
2
3240
橙
ORG
3218
PG
-
3
WK
!
'
臟
HEAD
POWER
BOARD
青
BLU
-
4
黄
丫
EL
-
5
(
Q
軸
)
(
Q
AXIS
)
3241
3219
-
6
CN
1
5
-
3
CASE
-
16
3242
3220
iL
Tr
3243
322
1
3244
3222
CN
2
BACKUP
BAT
.
3245
OF
ty
]
-
儿回
_
MODULE
CIRCUIT
DIAGRAM
NAME
PAGE
%
TITLE
TYPE
OFwKlZ
二外
OF
HEAD
UNIT
NXT
DRAWING
No
.
RE
01861

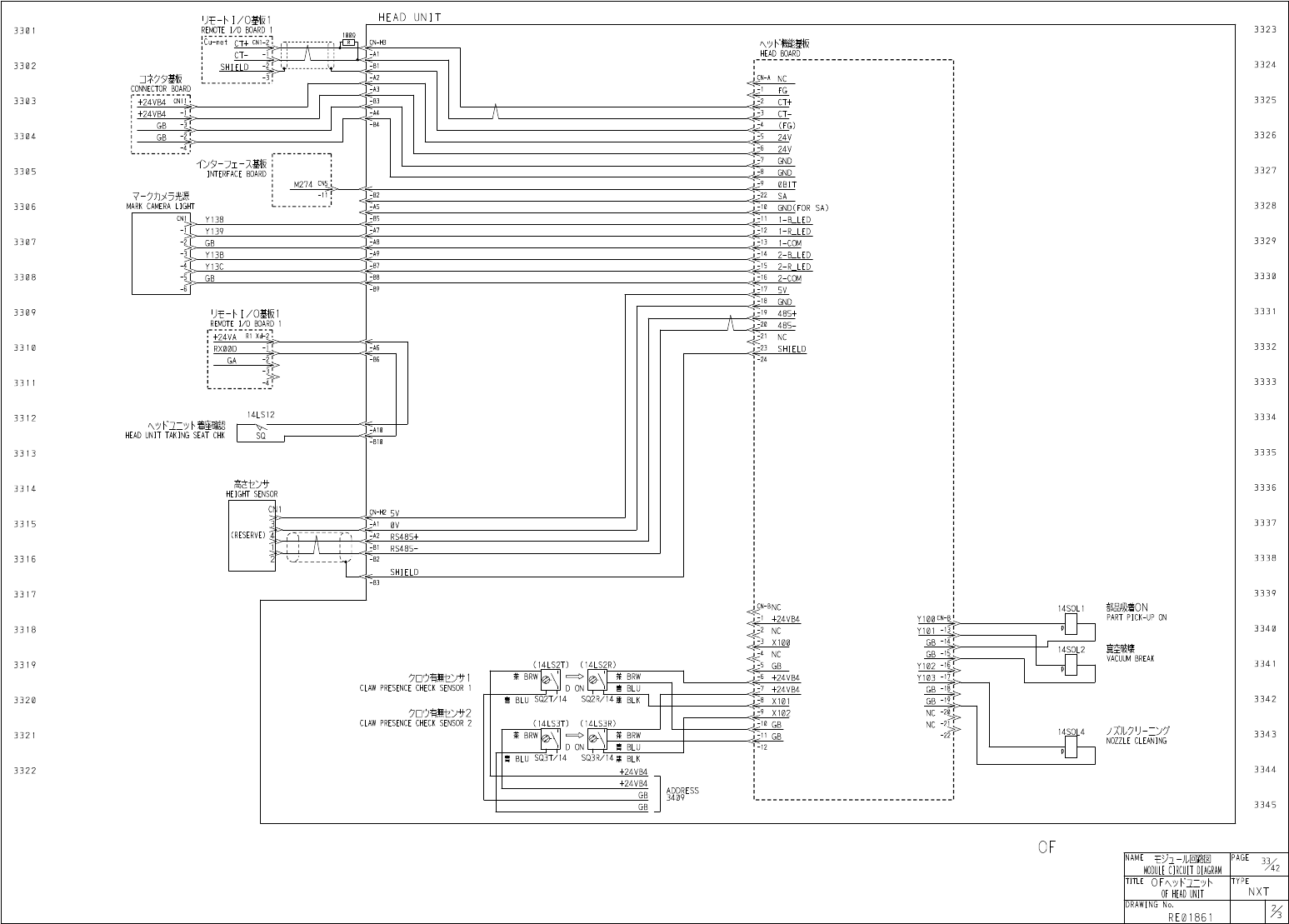
HEAD
UNIT
饨
-
卜
1
/
0
基板
1
REMOTE
I
/
O
BOARD
1
Cu
-
net
CT
+
CM
1
-
2
]
、
3323
330
I
100
Q
vvK
機能麵
HEAD
BOARD
I
-
H
3
K
CT
-
3
3324
3302
-
Bi
SHIELD
-
A
2
夕基板
CONNECTOR
BOARD
r
+
24
VB
4
CN
'
-
A
NC
^
A
3
FG
3325
3303
-
B
3
CT
+
K
-
A
4
+
24
VB
4
CT
-
-
B
4
(
FG
)
GB
3326
3304
GB
24
V
^
24
V
GND
心夕工
-
;
l
基板
INTERFACE
BOARD
3327
3305
GND
0
BIT
7
-
夕力巧光源
MARK
CAMERA
LIGHT
-
B
2
22
SA
4
3328
3306
-
A
5
0
GNDCFOR
SA
)
1
-
B
—
LED
-
B
5
Y
138
-
A
7
丫
139
1
-
R
LED
七
4
3329
3307
-
13
GB
1
-
C
0
M
J
2
-
U
Y
13
B
2
-
B
—
LED
4
-
B
7
5
2
-
R
—
LED
Y
13
C
333 0
330 8
-
B
8
-
16
GB
2
-
C
0
M
-
B
9
5
V
、
-
W
GND
333
1
330 9
1
开
-
卜
I
/
O
基板
1
REMOTE
I
/
O
BOARD
+
24
V
A
Ri
485
+
485
-
Xd
-
2
]
1
NC
333 2
33
1
0
RX
00
D
SHIELD
GA
333 3
331
I
ULS
12
333 4
331 2
WK
]
:
、
外着座確認
HEAD
UNIT
TAKING
SEAT
CHK
33
^
V
:
SQ
-
B
10
333 5
331 3
高社
〉
廿
HEIGHT
SENSOR
333 6
331 4
CM
*
JN
-
H
2
5
V
333 7
331 5
^
0
V
>
(
RESERVE
)
4
-
A
2
RS
485
+
;
B
1
RS
485
-
333 8
33
16
2
-
B
2
SHIELD
-
B
3
333 9
33 17
部品吸着
ON
PART
PICK
-
UP
ON
BNC
14
S
0
L
1
Y
100
CN
-
1
+
24
VB
4
334 0
P
331 8
NC
丫
101
GB
X
10 0
真空破壊
VACUUM
BREAK
14
S
0
L
2
GB
-
1
NC
334 1
M
4
LS
2
T
) (
14
LS
2
R
)
331 9
Y
102
-
>
GB
P
有 無
1
CLAW
PRESENCE
CHECK
^
SENSOR
I
茶
BRW
茶
BRW
Y
103
-
'
V
GB
-
I
+
24
VB
4
青
BLU
+
24
VB
4
胃
BLU
SQ
2
T
/
I
4
SQ
2
R
/
14
黒 巳
LK
334 2
332 0
GB
-
l
X
101
夕
□
,
有無
ty
!
t
2
CLAW
PRESENCE
CHECK
^
SENSOR
2
NC
-
2
!
X
102
(
I
4
LS
3
T
)
(
14
LS
3
R
)
'
0
GB
NC
yXi
^
'
J
-
zy
^
NOZZLE
CLEANING
14
S
0
L
4
334 3
茶
BR W
茶
BR W
332
1
上
11
GB
青
BLU
-
12
P
青
BLU
SQ
3
T
/
14
SQ
3
R
/
14
黒
BLK
334 4
332 2
+
24
VB
4
+
24
VB
4
ADDRESS
GB
3409
334 5
GB
OF
ty
]
-
儿回
_
MODULE
CIRCUIT
DIAGRAM
NAME
PAGE
%
TITLE
TY PE
OFwKlZ
二外
OF
HEAD
UNIT
NXT
DRAWING
No
.
K
RE
01861