Schmtic_NXT_03_ - 第99页
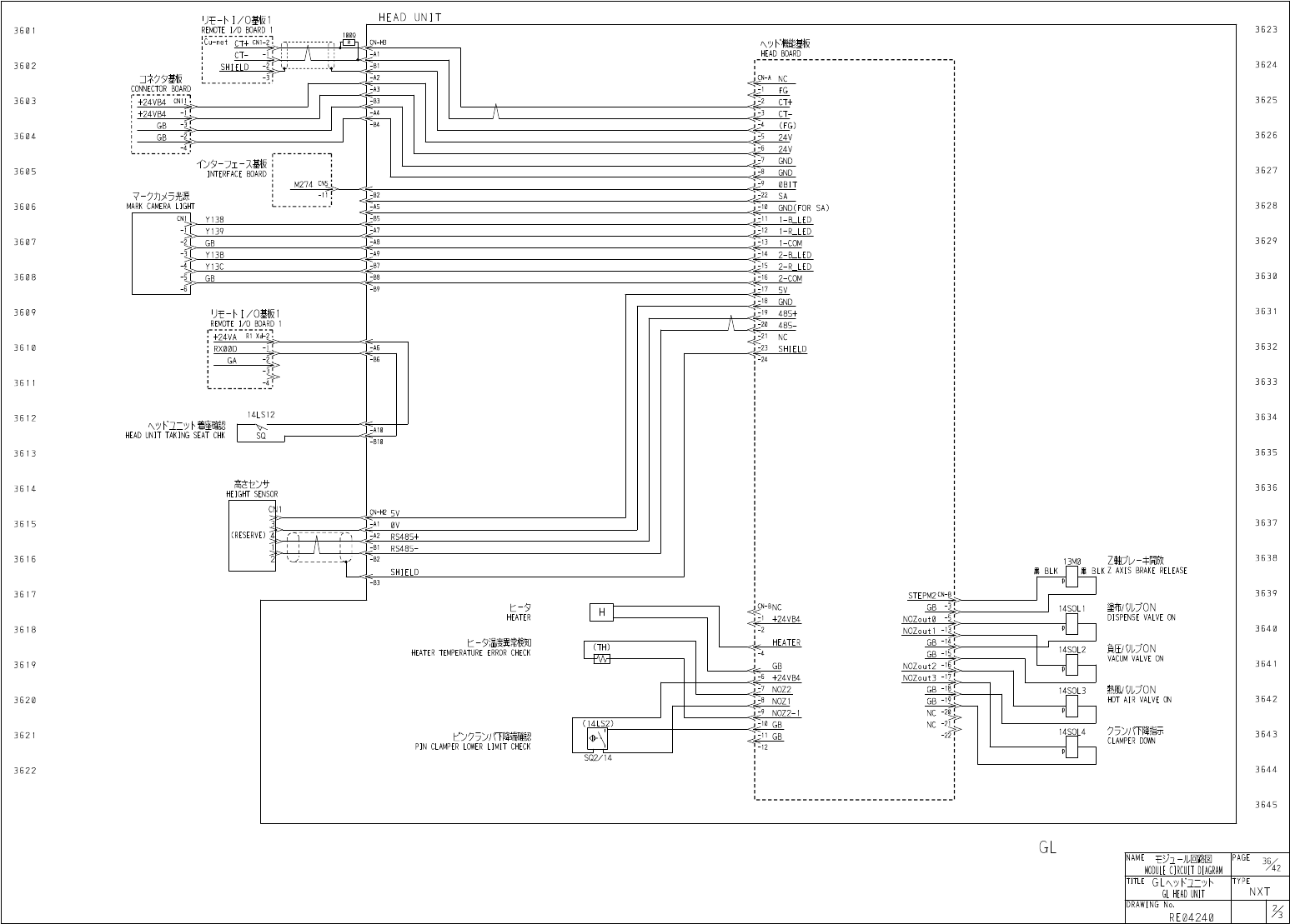
H E A D U N I T 3 7 0 I 3 7 2 3 W 機能基板 H E A D B O A R D 3 7 0 2 3 7 2 4 ( H L S 4 ) D N C 残量検知 R E M A I N I N G C H E C K 3 7 0 3 3 7 2 5 N C S Q 4 / U 二 2 + 2 4 V B 4 ( 1 4 L S 5 ) ^ 3 + 2 4 V B 4 3 7 0 4 3 7 2 6 N O …

HEAD
UNIT
饨
-
卜
1
/
0
基板
1
REMOTE
I
/
O
BOARD
1
Cu
-
net
CT
+
CM
1
-
2
]
、
3623
360
I
100
Q
vvK
機能麵
HEAD
BOARD
I
-
H
3
K
CT
-
3
3624
3602
-
Bi
SHIELD
-
A
2
夕基板
CONNECTOR
BOARD
r
+
24
VB
4
CN
'
-
A
NC
^
A
3
FG
3625
3603
-
B
3
CT
+
K
-
A
4
+
24
VB
4
CT
-
-
B
4
(
FG
)
GB
3626
3604
GB
24
V
^
24
V
GND
心 夕 工
-
;
l
基 板
INTERFACE
BOARD
3627
3605
GND
0
BIT
7
-
夕力巧光源
MARK
CAMERA
LIGHT
-
B
2
22
SA
4
3628
3606
-
A
5
0
GNDCFOR
SA
)
1
-
B
—
LED
-
B
5
Y
138
-
A
7
丫
139
1
-
R
LED
七
4
3629
3607
-
13
GB
1
-
C
0
M
J
2
-
U
Y
13
B
2
-
B
—
LED
4
-
B
7
5
2
-
R
—
LED
Y
13
C
363 0
360 8
-
B
8
-
16
GB
2
-
C
0
M
-
B
9
5
V
、
-
W
GND
363
1
360 9
1
开
-
卜
I
/
O
基板
1
REMOTE
I
/
O
BOARD
+
24
V
A
Ri
485
+
485
-
Xd
-
2
]
1
NC
363 2
36
1
0
RX
00
D
SHIELD
GA
363 3
361
I
ULS
12
363 4
361 2
WK
]
:
、
外着座確認
HEAD
UNIT
TAKING
SEAT
CHK
33
^
V
:
SQ
-
B
10
3
B
35
361 3
高社
〉
廿
HEIGHT
SENSOR
363 6
361 4
CM
*
JN
-
H
2
5
V
363 7
361 5
^
0
V
>
(
RESERVE
)
4
-
A
2
RS
485
+
;
B
1
RS
485
-
363 8
Z
軸
〕
V
-
牛纖
黒
BLKZ
AXIS
BRAKE
RELEASE
36
16
2
-
B
2
13
M
0
黒
BLK
SHIELD
P
-
B
3
363 9
361 7
STEPM
2
CN
-
mi
%
jm
DISPENSE
VALVE
ON
匕
-
夕
HEATER
BNC
GB
14
S
0
L
1
H
+
24
VB
4
NOZout
0
364 0
P
361 8
-
2
NOZoutl
匕
-
夕離異常検知
HEATER
TEMPERATURE
ERROR
CHECK
GB
-
l
HEATER
(
TH
)
負圧
/
a
艾
ON
VACUM
VALVE
ON
14
S
0
L
2
-
4
GB
-
1
L
-
W
364 1
361 9
N
0
Zout
2
GB
P
N
0
Zout
3
吸
+
24
VB
4
m
>
%
yoH
HOT
AIR
VALVE
ON
GB
-
I
N
0
Z
2
US
0
L
3
364 2
362 0
GB
-
1
N
0
Z
1
P
NC
-
2
!
N
0
Z
2
-
1
(
14
LS
2
)
10
GB
NC
艿
>
/ \
°
下降指示
CLAMPER
DOWN
US
0
L
4
364 3
匕
。
、
力
5
>
八下降
*
§
PIN
CLAMPER
LOWER
LIMIT
CHECK
362
1
-
11
GB
-
12
P
SQ
2
/
14
364 4
362 2
364 5
GL
ty
]
-
儿回
_
MODULE
CIRCUIT
DIAGRAM
NAME
PAGE
%
TITLE
TYPE
GL
^
vv
卜
n
:
Z
二
7
卜
GL
HEAD
UNIT
NXT
DRAWING
No
.
K
RE
04240

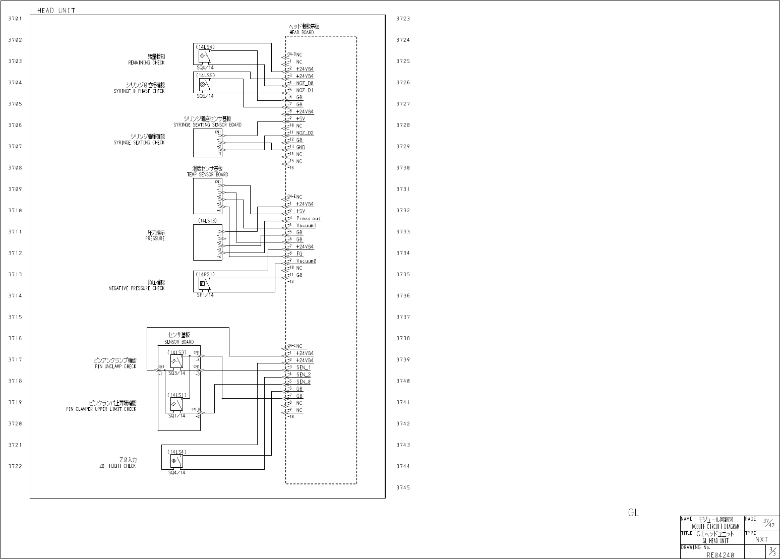
HEAD
UNIT
370
I
3723
W
機能基板
HEAD
BOARD
3702
3724
(
HLS
4
)
DNC
残量検知
REMAINING
CHECK
3703
3725
NC
SQ
4
/
U
二
2
+
24
VB
4
(
14
LS
5
)
^
3
+
24
VB
4
3704
3726
NOZ
—
D
0
SYRINGE
0
PHASE
CHECK
NOZ
D
1
SQ
5
/
U
GB
3705
3727
GB
+
24
VB
4
、
:
/
访
"
着座廿麵
SYRINGE
SEATING
SENSOR
BOARD
+
5
V
3706
3728
>
0
NC
-
il
NOZ
D
2
<
^
<
4
>
2
GB
4
SYRINGE
SEATING
CHECK
3707
3729
«
3
GND
14
NC
>
5
NC
<
^
<
3708
唼 讓
TEMP
SENSOR
BOARD
3730
-
16
3709
373
1
+
24
VB
4
37
1
0
3732
+
5
V
(
I
4
LSI
3
)
Vacuuml
圧力指示
PRESSURE
37
1
I
3733
GB
GB
+
24
VB
4
3712
3734
FG
Vacuum
0
10
NC
H
GB
(
HPS
1
)
37
1
3
3735
負圧確認
-
12
NEGATIVE
PRESSURE
CHECK
SP
1
/
U
3714
3736
3715
3737
廿基板
SENSOR
BOARD
3716
3738
(
14
LS
3
)
CNI
+
24
VB
4
PIN
UNCLAMP
CHECK
3717
3739
-
4
+
24
VB
4
CNI CNI
SEN
」
SQ
3
/
14
3718
3740
SEN
一
0
GB
(
14
LS
)
3719
匕
。
力
5
>
/
(
上昇
_
認
PIN
CLAMPER
UPPER
LIMIT
CHECK
374
1
NC
CN
-
^
B
NC
SQ
1
/
14
^
2
-
10
3720
3742
372
1
3743
(
HLS
4
)
Z
0
入力
Z
0
HIGHT
CHECK
3744
3722
SQ
4
/
14
3745
GL
ty
]
-
儿回
_
MODULE
CIRCUIT
DIAGRAM
NAME
PAGE
%
TITLE
TYPE
GL
^
vv
卜
n
:
Z
二
7
卜
GL
HEAD
UNIT
NXT
DRAWING
No
.
%
RE
04240

3 8 2 3
3 8 0
I
3 82 4
X
-
夕
FEEDER
3 80 2
-
办心基板
FEEDER
MAIN
BOARD
3 82 5
3 80 3
3 82 6
3 80 4
Ml
SLO
<
N
6
+
24
V
/
+
24
V
+
24
V
-
夕
/
\
°
)
以芒
-
夕
FEEDER
PULSE
MOTOR
M
3 827
3 80 5
-
2
0
V
0
V
-
3
0
V
一
EVENT
EVENT
3 82 8
3 80 6
-
5
WRITE
WRITE
-
6
丄
FEED
FEED
COMP COMP
3 82 9
3 80 7
-
8
I E RR
E RR
L SI
32
>
f
-
外外
sw
FEEDER
SET
SWITCH
北
SET
SET
-
10
S G
S G
0
V
3 830
3 808
ILTX
T X
-
1 2 1
R X
^
-
10
_
RX
-
13
1
F GF G
3 83
1
3 80 9
原 位 置 频 反
ORIGIN
POSITION
SENSOR
BOARD
-
14
2
3 83 2
3 8
1
0
3 83 3
3 81
I
3 83 4
X
-
夕肅基板
FEEDER
PANEL
BOARD
3 81 2
3 83 5
3 81 3
+
24
V
0
V
EVENT
I
;
3 83 6
3 81 4
WRITE
FEED
COMP
3 83 7
3 81 5
ERR
SET
SG
3 83 8
3 8
1 6
T X
RX
FG
-
1
3 83 9
3 81 7
2
3 840
3 818
3 841
3 819
3 84 2
3 82 0
3 843
3 82
1
3 844
3 822
3 845
W
8
FEEDER
儿回
_
MODULE
CIRCUIT
DIAGRAM
NAME
PAGE
%
TITLE
>
r
-
夕
:
z
二外
FEEDER
UNIT
TYPE
NXT
DRAWING
No
.
%
RE
0
184
-
0