文档中心
/
CM101维修手册
CM101维修手册 - 第485页
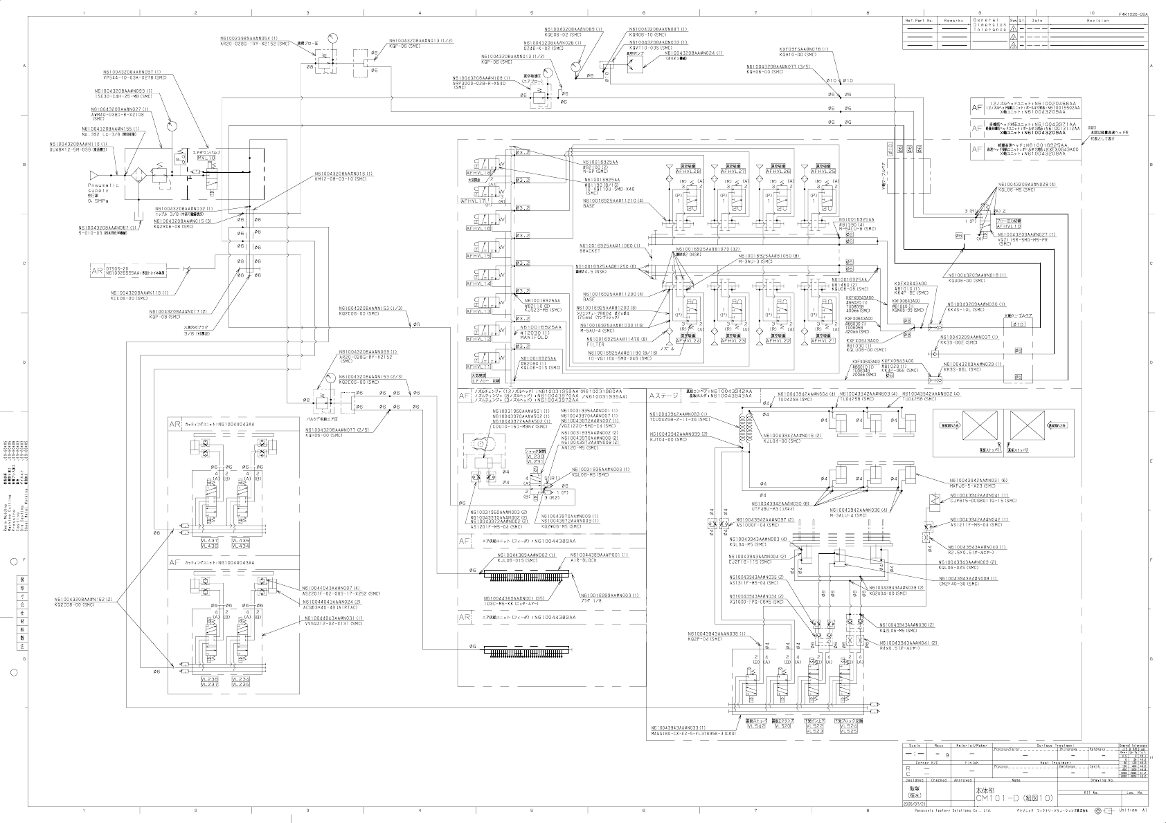
CM101-D 维修手册 5. 5. 空气回路图 EJM5B- C-MMC05-A00-0 0
目录
100%
显示:宽度
宽度
1 / 509
回到旧版
旧版
?
CM101-D
维修手册
=
备忘录
=
EJM5B-
C-MMC04-A01-0
0
CM101-D
维修手册
5.
5.
空气回路图
EJM5B-
C-MMC05-A00-0
0
该页面需要启用 JavaScript 才能进行交互式预览。