文档中心
/
德森印刷机说明书2019年10月
德森印刷机说明书2019年10月 - 第60页
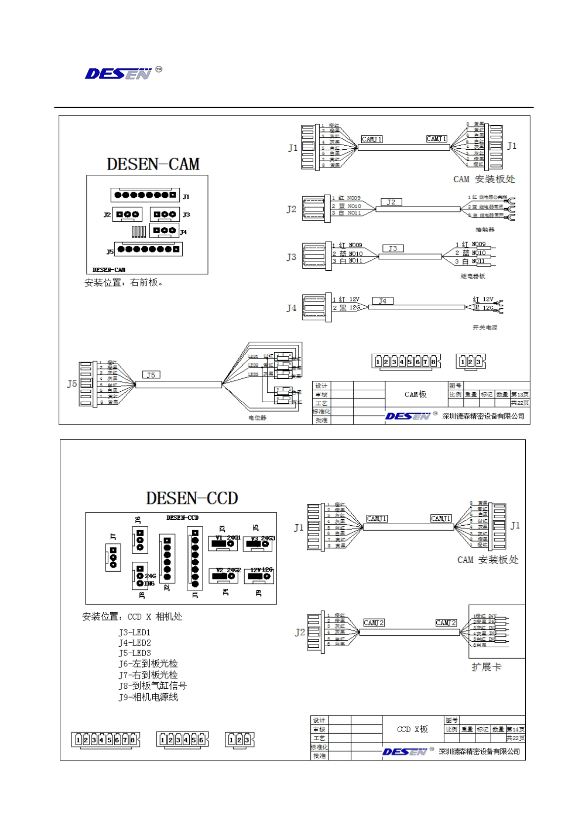
深圳德森精密设备有限公司 第五章 电气 解析 57 5.4 电路板 解析
目录
100%
显示:宽度
宽度
1 / 66
回到旧版
旧版
?
深圳德森精密设备有限公司
第五章
电气
解析
56
深圳德森精密设备有限公司
第五章
电气
解析
57
5.4
电路板
解析
深圳德森精密设备有限公司
第五章
电气
解析
58
该页面需要启用 JavaScript 才能进行交互式预览。