文档中心
/
德森印刷机说明书2019年10月
德森印刷机说明书2019年10月 - 第64页
深圳德森精密设备有限公司 第五章 电气 解析 61
目录
100%
显示:宽度
宽度
1 / 66
回到旧版
旧版
?
深圳德森精密设备有限公司
第五章
电气
解析
60
深圳德森精密设备有限公司
第五章
电气
解析
61
深圳德森精密设备有限公司
第五章
电气
解析
62
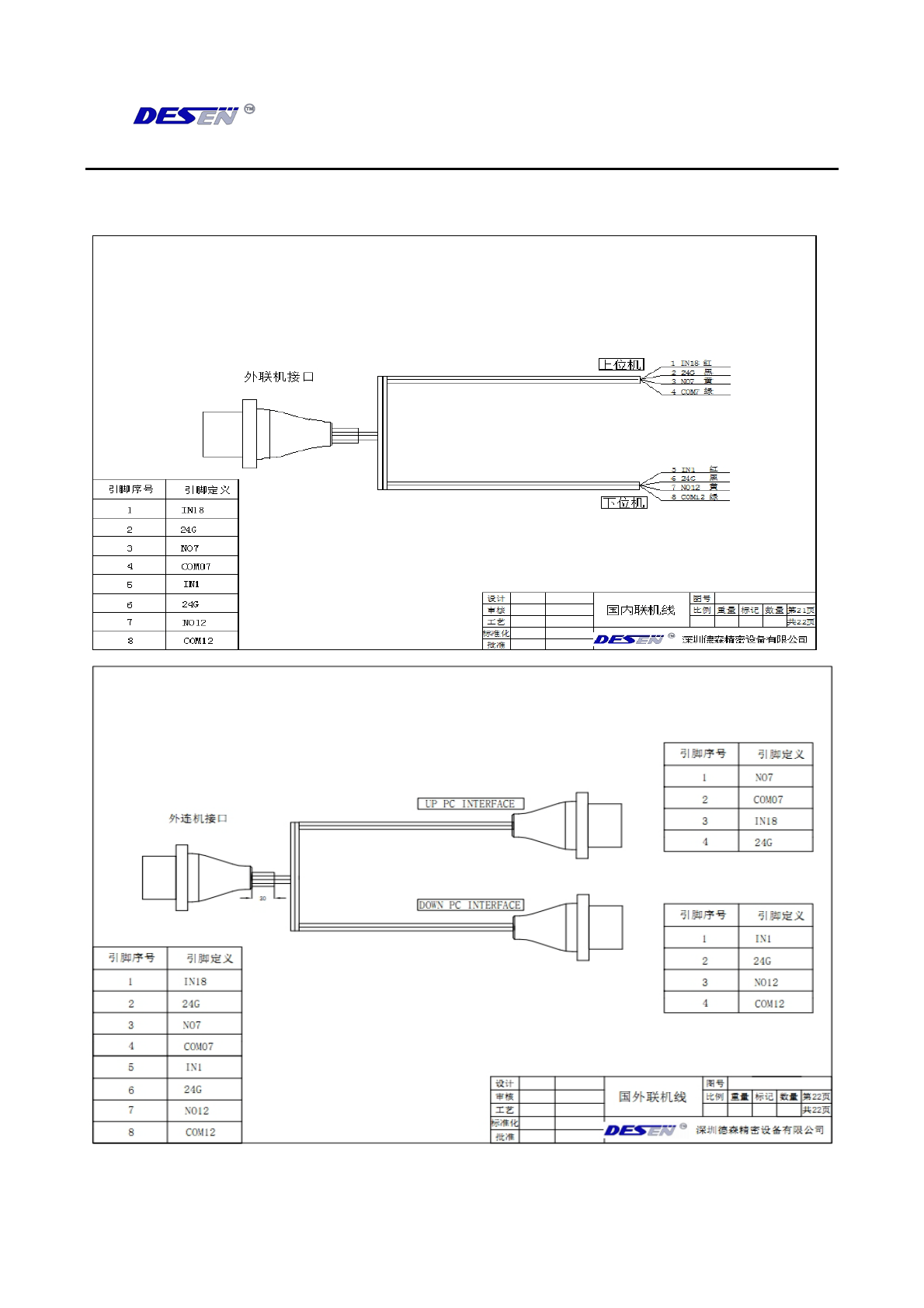
5.
5
联机线示
意图
该页面需要启用 JavaScript 才能进行交互式预览。