WaferTransportSolutionManual - 第24页
HEAVY PALLET RAILS ELECTRONIC CONTR OL 1.16 Wafer Transport Solutio n Chapter Issue 1 August 11 ELECTRONIC CONTROL Controller See the Machine Controller Chapter of the printer manual for further information on the machin…

HEAVY PALLET RAILS
ELECTRICAL SCHEMATIC
Chapter Issue 1 August 11 Wafer Transport Solution 1.15
ELECTRICAL SCHEMATIC
Motherboard
USB
Machine
Controller M36
NextMove
ES
Machine PC
Power Supply
Enclosure M37
M36SK21
3SK35
M36SK28
+12V
DC IN 10
0V
+12V
DC IN 11
0V
Board at Left
Optical Sensor
Board at Right
Optical Sensor
8SK10
8SK03
M36SK11
+12V
DC IN 8
0V
+12V
DC IN 9
0V
Board at Stop
Optical Sensor
Board Stop
S/State Switch
10SK24
+V
Out
0V
(L)
M36SK19
+12V
DC IN 5
0V
8SK26
Moving
Rail Home
RE
BU
OG
YE
Moving Rail
Stepper Motor
Heavy Pallet
Servo Motor
Node 17
M
CAN_H
CAN_L
CAN_GND
CAN_H
CAN_L
CAN_GND
+42V SW
0V RETURN
+24V US
0V RETURN
Pneumatic Solenoid Bank
Snugger
Belts Drop
Phase A-
Phase A+
Phase B+
Phase B-
N17SK4
N17SK3
N17SK2
8SK20
M37SK20
+42V SW
0V RETURN
+24V US
0V RETURN
M37SK04
+24V US
0V RETURN
+24V SW
0V RETURN
+12V
0V RETURN
N2SK1
+24V US
0V RETURN
+24V SW
0V RETURN
+12V
0V RETURN
Machine Node 2
CAN_H
CAN_L
CAN_GND
CAN_H
CAN_L
CAN_GND
N2SK3
N2SK2
CAN Bus Out
To Node 4
CAN Bus In
From Node 7
N2SK4
DIG OUT 9 (24V US)
0V RETURN
DIG OUT 15 (24V US)
0V RETURN
16SK10
16SK03
M36SK22
8SK34
DIG OUT 9 (24V US)
0V RETURN
Vacuum Tooling
N2SK2
8SE8
8SE9
8SE06

HEAVY PALLET RAILS
ELECTRONIC CONTROL
1.16 Wafer Transport Solution Chapter Issue 1 August 11
ELECTRONIC CONTROL
Controller See the Machine Controller Chapter of the printer manual for further information
on the machine controller.
Nodes 2 and 17 Machine Node 2 provides the motor drive control signals (CAN), whilst the M37
Power Supply provides the drive motor power (see the Electrical Schematic for
details). The heavy pallet stepper motor is Node 17.
CAN Bus In
N2PL2
Snugger and
Belt Drop
Solenoids
N2SK4
CAN Bus Out
N2SK3
Vacuum Tooling
N2SK2
Power
N2PL1

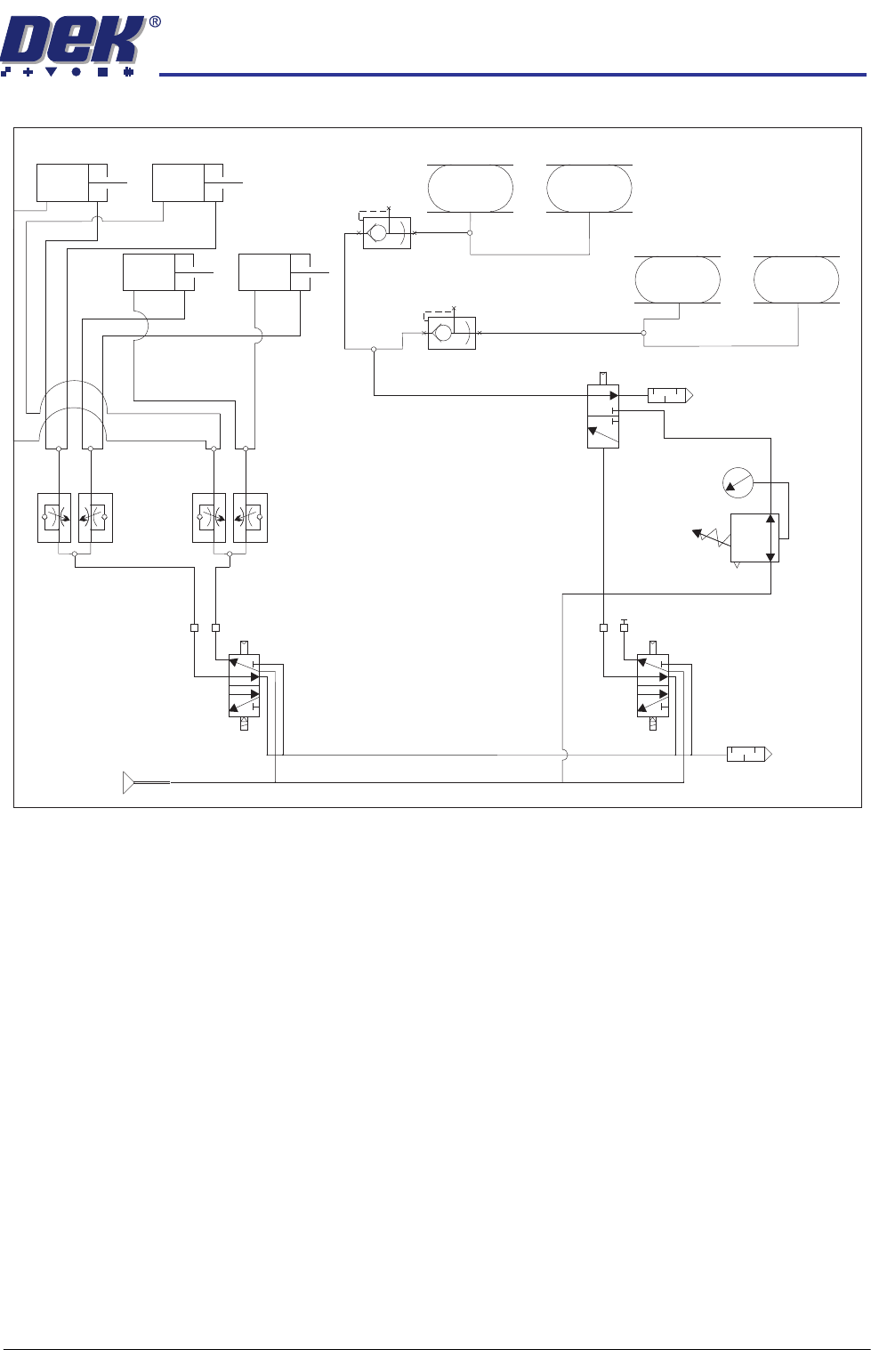
HEAVY PALLET RAILS
PNEUMATIC SCHEMATIC
Chapter Issue 1 August 11 Wafer Transport Solution 1.17
PNEUMATIC SCHEMATIC
Snugger Left
Snugger Right
IN
OUT
5/2
16SK10
5/2
16SK03
Flow Controllers
Snugger Pilot Valves
and Regulators
Rail Lift and Drop Cylinders
Mains Air In
A
B
A
B