STF-100NA_User Manual(Chi) - 第201页
11.1.42. B o o ard IO Map(DI O) A /S S 器具 资 材信息 11 - 9 9 SMT 顶级人脉圈平台资料下载

High Speed M
u
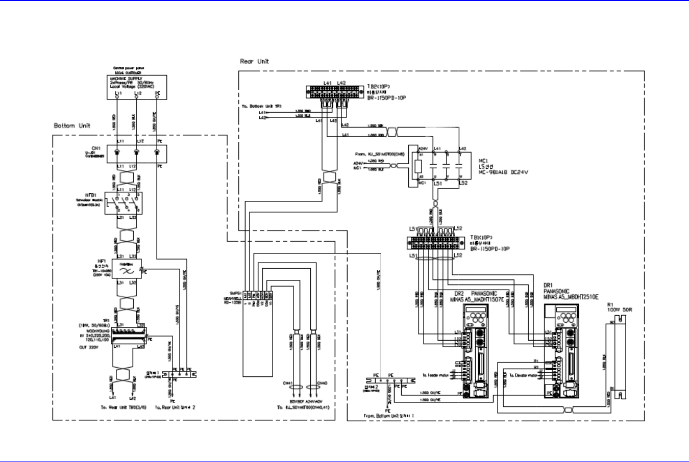
11.1.41.
配
u
lti Tray Feeder S
配
线图
T
F
-100NA
用户
手
手册
11-98
SMT顶级人脉圈平台资料下载

11.1.42. B
o
o
ard IO Map(DIO)
A
/S
S
器具资材信息
11-99
SMT顶级人脉圈平台资料下载

High Speed M
u
11.1.43. B
o
u
lti Tray Feeder S
o
ard IO Map(M
o
T
F
-100NA
用户
手
o
ther Board)
手册
11-100
SMT顶级人脉圈平台资料下载