DECAN_L2_TRM(Ver4.4_CS20.12) - 第181页
Page +$1:+$ 177 DECAN L2

Page
+$1:+$
176
DECAN
L2
Electric Control Part

Page
+$1:+$
177
DECAN
L2

Page
+$1:+$
178
DECAN
L2
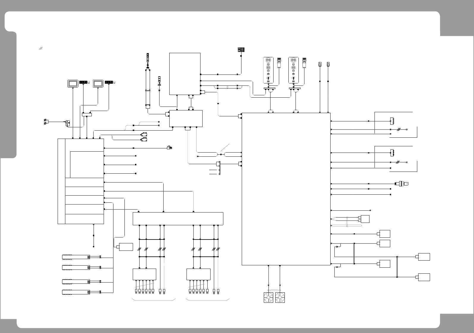
Harness Wiring Diagram (1/8)
FLAT CABLE
TB1-3C
TB1-8C
TOWER LAMP
FLY CAMERA1~6
SM471_VIS011
G
LOCK
R
S
T
M
E
E
CHANGE
F/FEEDER
RESET
0N
STOP
START
READY
E
O
P
C
N
Y
RESET
F/FEEDER
CHANGE
STOP
START
READY
P
O
T
S
Y
N
C
E
E
E
M
R
G
<FRONT-OP> <REAR-OP>
LOCK
0N
CPCI 6U RACK
COM1/2USBVGA1 COM3/4
PC-232 SERIAL
SBC
<FRONT>
<REAR>
PCIE ADAPTER
PCIE X1
PCIE X1
PCIE X1
AXIO B/D #1-CN1
AXIO B/D #2-CN1
AXIO B/D #3-CN1
SM511_KV003-3
USB HUB
SM511-PC005
SM511-PC006
NT-A8 #1
NT-A8 #2
PC POWER SUPPLY
SM511_PC003
SM511_KV003-2
SAFETY CONTROL B/D
CN30
CN3
F-OP
CN31
CN3
R-OP
[SC]
CN34
T-BOX
FRONT
CN36
T-BOX
REAR
SM511_CV023-5
P1 P2
COM1
COM2
COM3
COM4
COM5
CN4 CN9
PWR(12V)
AXIO#1-CN2
AXIO #2 B/D-CN2
SM511C_VIS012
SM400 VISION IF B/D
CN1
CN1
FIDUCIAL CAMERA
SM400 CAMERA IO B/D#1
[FLY1]
CN1CN3
SM511C_VIS001-1
CN6CN8
SM511_VIS003-1
SM511_VIS005
SM511_VIS007
CN5
SM511_VIS008
CN10
SM511_VIS010
SM511_FD001-18
SM511_FL002-16.17
SM511_FL001-16.17
DECAN_VIS009
IT MASTER
CN1(12V)
SM511_VIS000
SM511C_VIS012-2
SM471_VIS002-1
DECAN_VIS006
FLY CAMERA1~6
FIDUCIAL CAMERA
HEAD1 HEAD2
CN11
CN1
입력
CN10
CN11
CN21
CN27
CN28
CN25
CN26
CN2 CN7
HD1-CN1
HD2-CN1
CONV I/F B/D
[CV]
SM511_CV132
[SUB]
CONV.SUB I/F B/D
CN32
CN28
SM511_CV003
CN6
CN1
CN18
CN3
SM511_CV113
CN17
CN2
START,FFD,RFD
CN7
SM511_PW127
CN4
CN2
SM511_OP103
START,STOP,RESET,FFD
CN5
SM511_OP104
START,STOP,RESET,FFD
CN2
SM33_OP005
SM33_OP005
CN7
CN13
SM511_CV104
CN8
SM511_CV126
SM511_CV126-1
M
1
2
OUT
AIR SENSOR
CN29
CN3
CN1
CN4
CN1
CN6
CN13
EM,READY,DOOR,FSO
[VIS]
CN24
FL1-15
FL1-15
SM511_FD002-18
121234 5
CN18
MC1
21
22
+A1
-A2
CN19
SM41_SC006
SM511C_VIS001-2
SM471_VIS002-2
SM511_VIS003-2
J4R-3
J4R-4
J9L-3
J9L-4
SM511_CV104-1
J6R-2
SM48_CV026-1
J11L-2
SM511_CV023-4
J6R-3
J6R-4
J11L-3
J11L-4
SM511_OP104-1
SM511_OP001
SM511_OP001
SM511_PC003-1
T6L(9.10)
T6L(7.8)
SM471_PW067
220V PWR
SM511_SC105
SM511_SC105-1
SM471_SC007-1
AXIO#3-CN2
FRONT R DRIVER-PW
21/22
JUMPER
SM471_VIS011
P1 P2
COM1
COM2
COM3
COM4
COM5
SM400 CAMERA IO B/D#2
[FLY2]
DECAN_VIS009
SM471_VIS002-1
DECAN_VIS006
1212345
SM471_VIS002-2
SM511_VM111 SM511_VM111-1
REAR PANEL LAN PORT
SM511_PW149-1
FFD-CN4
SM511_IT005
PWR
SM511_IT004
CAN
J1R
CN26 CN27
J1R-3
J1R-4
SM511_FD101-1
SM511-SC001
SM511-SC002
SM511_SC122
SM511_SC123
SM511_SC007-2
SM511-SC007-3
SM511_SC120
SM511_SC121
CN33
CN35
CN20
CN22
RFD-CN4
SC-J1R
CN4
SM511_SC204
F/R T-BOX HOST
SM511_CV034
SM511_CV035
SM511_CV101
F.R-DRV-PW
DECAN_SC111-2
HD1-PW
PWR(24V)
PWR(24V)
PWR(24V)
FFD-PWR
SM511_FD101
PWR(24V)
PWR(24V)
PWR(24V)
HD2-PW
R.R-DRV-PW
VGA
VGA
SM511_CA202
TW-LP
TW-BZ
J9LJ4R
PC-232-EXT
LAN-EXT
R-PW-PANEL
DOOR.FFD.READY.START
DSTOP.RESET SW
J6R
SM511_CV202
J11L
AIRSEN
SM511_CV202
(DC BRK)
FLY1-PWFLY-PW
FLY-CAM FLY1-CAM
FID1-CAM1
FID1-CAM2
F.Y-BRK
F.HD-BRK R.HD-BRK
R.Y-BRK
FID-CAM1
FID-CAM2
FLY2-PWFLY-PW
FLY-CAM FLY2-CAM
FID2-CAM1
FID2-CAM2
FID-CAM1
FID-CAM2
PWR(24V)
PWR(24V)
PWR(24V)
F.XY M O D U L E
R.XY MODULE
13
14
(24G)
(+24V)
CN23
SAFEGUARD OVERRIDE KEY
AX-CN1
SM511-SC009
SM511_AX001
CN5
CN-FSO
SM33_SC008
PS1+24V
PS1-24G
PS2+24V
PS2-24G
T6L
PS1
PS2
PS2+24V
PS2-24G
PS2
CAN
SC-EN1
VGA2
CN6
SM511_PW020
LEFT-FAN
CN7
SM511_PW021
RIGHT-FAN
RIGHT LEFT
SM471_PW022
SUB-CN6/7
15S
15S
15S
15S
15S
15S
15S
15S
15P
9P
15P
9P
15P
9P
15P
9P
JST 20P
DECAN_SC111-2
J1R-1
J1R-2
PWR(24V)
Molex 2p
Molex 2p
(HEAD AMP)
F ERROR LAMP
V1+_BASE_343
F-OW-LAMP
PWR
PWR
SM51-1_CV101-1
CV-RFD-PWR
5557-10R/5559-10P
X
X
⓸䇭⽀⢰䁇 㻈ᴴ
MULTIPORT
LAN1
F BARCODR
SM511_IT001
R BARCODR
SM511_IT003
OPTION
SCAN
L/R-CN1
ADAPTOR
RELAY-BK2
SM511_PW149
RY11
RELAY-BK1-5
SM511-PW033
6
4
(+24V)
(+24V)
RY1
SM511_PW148
SM511_PW202
CN2
입력
SC-EN2
RELAY-BK1-4
SM511-PW032
6
4
(+24V)
(+24V)
RY2
SM511_PW149
SM511_PW202
SM511_PW127
JST 20P
SM511_FD001-18
SM511_FL002-16.17
SM511_FL001-16.17
SM511_FD002-18
㩅䑄
HD1
HD2
CN3
CN2
CN1
FAN
RACK FAN
RACK-FAN-EXT
CV-CN16
SM511_CV109-3
SM511_CV109-1
COM6
6
COM6
6
REAR R DRIVER-PW
FRONT FEEDER BASE RIGHT B/D
JK1 JK2 JK3 JK4 JK5 JK6
JK7 JK8 JK9 JK10 JK11 JK12
JJ1 JJ2 JJ3 JJ4 JJ5 JJ6
JJ7 JJ8 JJ9 JJ10 JJ11 JJ12
AM03-000765A
AM03-000764A
CAN
PWR
CAN
PWR
FRONT FEEDER BASE LEFT B/D
CAN_CH1_L
CAN_CH2_R
SM_FD023
SM_FD022
AM03-000765A
AM03-000764A
SM_FD023
SM_FD022
REAR FEEDER BASE RIGHT B/D
JK1 JK2 JK3 JK4 JK5 JK6
JK7 JK8 JK9 JK10 JK11 JK12
JJ1 JJ2 JJ3 JJ4 JJ5 JJ6
JJ7 JJ8 JJ9 JJ10 JJ11 JJ12
CAN
PWR
CAN
PWR
REAR FEEDER BASE LEFT B/D
CAN_CH3_L
CAN_CH4_R