DECAN_L2_TRM(Ver4.4_CS20.12) - 第191页
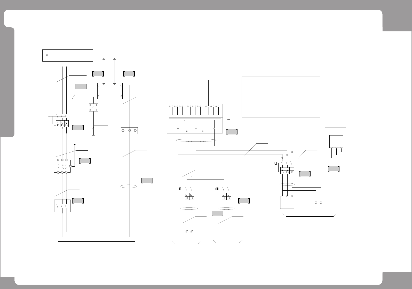
Page +$1:+$ 187 DECAN L2 Electric Power (1/6) NO. P ART NO. P ART NAME Q'TY Old No. Supply Supply L T Reference 1 J90831063A MAIN_POWER_CABLE_A SSY S M33-PW001 1 2 AM03-010915A CAB LE ASSY -EARTH_HEAD1 1 3 AM03-0109…

Page
+$1:+$
186
DECAN
L2
Electric Power (1/6)
240
AM03-010917A
AM03-010916A
2.5 mm (BLK)
2.5 mm (BLK)
-MAIN S/W
(600VAC,20A)
L32
L33
L31
-NF1
L22
L21
L23
2P-C16
-CP1
SM511_PW003-1
J90831063A
SM33_PW001
2.5 mm (BLK)
FACTORY MAIN POWER
4.0 mm (BLK)
(3 /PE 60HZ 200~415VAC)
-MCCB1
(3Ø, 20A)
L13
L12
L11
APPROX. 5KVA)
T
SR
FRAME GROUND
-TRANS
220V
208200 220
L31
PE
1L1
1L2
22S
22R
SM471_PW008
22T
3P-C16
-CP3
TF2L1
TF2L2
TF2L3
220V 220V
0V 220V
200220415380 200 208 380240 415
L32
415208 220 380240
L33
2.5 mm (BLK)
FX,RX,FY1,FY2,RY1,RY2,FS,RS AXIS(SERVO)
6.SECONDARY #1 : 1Ø 220(2.5KVA)
SECONDARY #2 : 3Ø 220(3KVA)
2.FREQUENCY : 50/60Hz
1.CAPACITY : 5.5KVA
3.PHASE : 3Ø
4. CONNECTION: Y-Y
<TRANS SPECIFICATION>
5.PRIMARY : 3Ø 200/208/220/240/380/415V, 5KVA
DC POWER #3,#4(24VDC)
(FZ1~FZ6, RZ1~RZ6 AXIS)
to MC1
22R 22T
CONTROL RACK(PC) (150VA)
MONITOR1,2 (35W * 2)
DC POWER #1,#2(24VDC) (400W * 2)
AC FAN (14W * 7)
-TB2
2.5 mm (BLK)
TF1L1
TF1L2
2.5 mm (BLK)
SM511_PW006
2L1
2L2
2.5 mm (BLK)
SM511-PW202
2P-C16
-CP2
2.5 mm (BLK)
AM03-010914A
AM03-010915A
SM471_PW007
-MC1
-MC2
AM03-010925A
AM03-010912A
AM03-010913A
SM511_PW003-2
SM511_PW004
SM511_PW003-3
SM511_PW003
SM511_PW005
AM03-010945A AM03-005482A
AM03-005697A
SM511_PW040
AM03-005483A
(23860)
(23860)
(400W * 2)
(LC1D096BD-20A)
2.5 mm (BLK)
4.0 mm (Y/G)
(3Ø, 20A)
4.0 mm (Y/G)
OPTION
PUMP(400W)
2.5 mm (BLK)
(MSOD-Q11CX(KP)-2.1A)
246
135
1
456
23
2
1
264
135
4
3
24
13
6
5
2
1
4
3
1A 6A
13A 15A
13 5
13 5
2
2
2
2
PE02
2
2
2
2 2
PE(PE01)
PE8
F_HD_FG
F_HD_FG
R_HD_FG
R_HD_FG
2
2
2
2
-
1
4
5
6
9
8
7
10
11
12
2 3

Page
+$1:+$
187
DECAN
L2
Electric Power (1/6)
NO. PART NO. PART NAME Q'TY Old No. Supply Supply LT Reference
1 J90831063A MAIN_POWER_CABLE_ASSY SM33-PW001 1
2 AM03-010915A CABLE ASSY-EARTH_HEAD1 1
3 AM03-010912A CABLE ASSY-EARTH_HEAD2 1
4 AM03-010913A CABLE ASSY-REAR_ELEC_PANEL_EARTH 1
5 AM03-010914A CABLE ASSY-MCCB_NF1_EARTH 1
6 AM03-010916A CABLE ASSY-NF1_MAIN_SWITCH 1
7 AM03-010917A CABLE ASSY-MAIN_SWITCH_TRANS 1
8 AM03-005697A CABLE ASSY-AC RELAY JUMPER 1
9 AM03-005482A CABLE ASSY-CP1_TB1_MC1 1
10 AM03-010945A CABLE ASSY-PS34_AC_PS12_DC_PW_T6L 1
11 AM03-005483A CABLE ASSY-CP2_TB1_MC2_CABLE 1
12 AM03-010925A CABLE ASSY-CP3_MC2_INPUT_220V 1

Page
+$1:+$
188
DECAN
L2
Electric Power (2/6)
1
2
3
4
7 8
FROM CP2
AC220V
24G
+24V
2L2
2L1
24G
+24V 24G
-PS3
(SHUTTLE/CONVEYOR BELT 4AXIS)
DRVER PWR
-MC1
+24V 24G
HEAD FRONT Z1~Z10
24G
-PS4
+24V
1.5 mm (BLK)1.5 mm (BLK)
AM03-010945A
0.5 mm (BLK) 0.5 mm (BLK)
2.5 mm (BLK)
-TB1 (17~20 : DC24V)
AM03-010080A
CN1 CN1
CP2-2
CP2-4
SM471_PW120-2
SM471_PW121-2
[BS12,BS34,BW12,BW34 DRIVER]
T6L
12
(CONN)
3564
SM511_PW109
SM471_PW120-3
+24V
HEAD REAR Z1~Z10
SM511_PW123 SM511_PW124
MS1, WS1, WW1, MS2, WS2, WW2
AM03-005497A
AM03-005496A
AM03-005499A
AM03-010935A AM03-010936A
AM03-010931A
SM511_PW202
SM411_PW029
FROM PS #1
(LC1D096BD-20A)
(200W)
(24V 3A * 2, 24V 2A * 4)
2.5 mm (BLK)
2.5 mm (BLK)
0.8 mm (BLK)
0.8 mm (BLK)
(300W)
(300W)
12D
11B
13
14
11D
12B
1,2 1,2 3,41,2
24V(400W)
IN
(-)
24V(400W)
(+)
AC
IN
PE09
(-)
(+)
AC
PE10
22
2 2
2
DC POWER B/D #2
CN1
[DP2]
[BS1] [BS2]
2
2
2
2
5
6
6