AX501维修手册 - 第302页

󱠁 B5 󱞵 󱯉 4022 593 52701/1 × 1 B.90 AX-301/501  AX -3/5 08.01  B05.fm ■ 变压器,电路图 󱍙󰐄󰼝󰐁  • 󱈊󱍙󲶽󱈊 󲫄󲣌󲚖 B5.5.5.2  • 󰿁󱍙󳕎󱏃󲣌󲚖 󱈊󲫄  101 A-series 󱈊󲫄 4022-592-49162…

100%1 / 802
B05.fm
4022 593 52701/1
×
1
󱯉
08.01
AX-301/501
AX-3/5 B.89
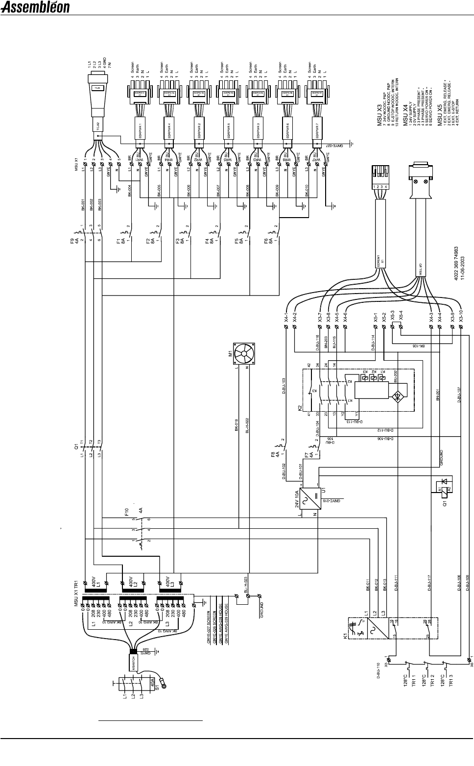
B5.5.5.1 供电单元和选购件变压器,电路图
供电单元
100
󱈊󲳞󲨂
4022-592-42752-130
󱠁
B5
󱞵
󱯉
4022 593 52701/1
×
1
B.90 AX-301/501 AX-3/5 08.01

B05.fm
变压器,电路图
󱍙󰐄󰼝󰐁
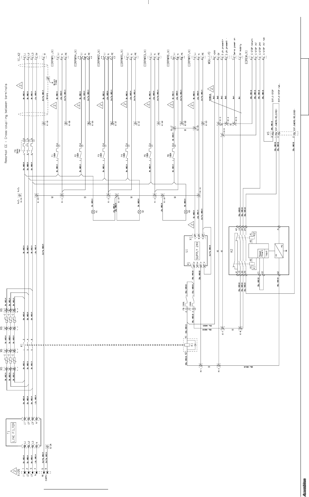
󱈊󱍙󲶽󱈊󲫄󲣌󲚖 B5.5.5.2
󰿁󱍙󳕎󱏃󲣌󲚖󱈊󲫄
101 A-series
󱈊󲫄
4022-592-49162-130
4022 593 52701/1
×
1
󱯉
08.01 AX-301/501 AX-3/5 B.91
B05.fm
󱠁
B5
󱞵

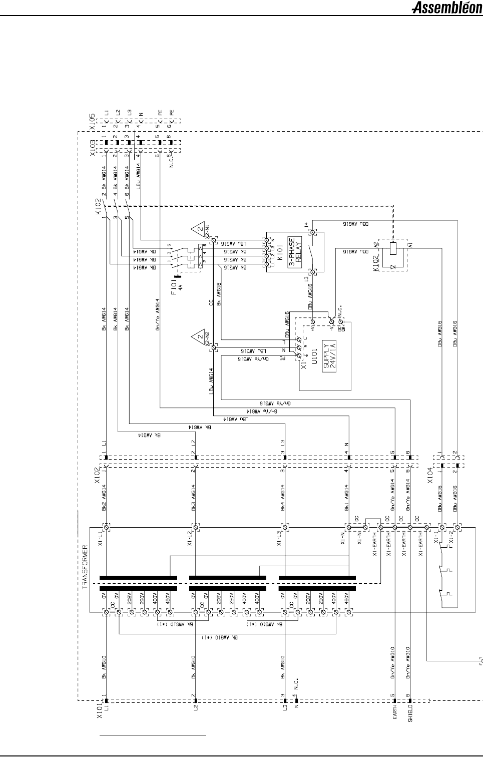
B5.5.5.2 带集成变压器的供电单元,电路图
102
󳎛󱍙󱈊󱈊󲫄