AX501维修手册 - 第453页
4022 593 52701/1 × 1 08.01 AX-301/501 AX-3/5 C.83 C05.fm C5 C5.5.4.3 传输控制器 4022-594-4200x C5.5.4.3.1 传输控制器 4022-594-4200x ,电源电路图 84 4022-594-420 0x 400V AC 4A ϝⳌ AMP/CPC 7p 3322 …

C05.fm
4022 593 52701/1 × 1
08.01
AX-301/501
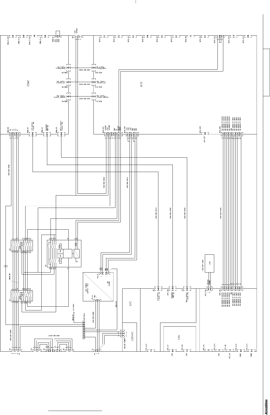
AX-3/5C.82
C5.5.4.2 传输控制器 4022-592-4225X,电路图
83
4022-592-4225x
REV.DIG.OUT
REV.DIG.IN
E-STOP
RI ࠡッ
RI ৢッ
RO ৢッ
RO ࠡッ
Y 䕈⬉ᴎ 24V
Z 䕈ৢッ
TR/PM 㐕ᖭ
CAN I/O ⬉⑤
Z 䕈㓪ⷕ఼
Z 䕈⬉ᴎ
X 䕈㓪ⷕ఼
X 䕈⬉ᴎ
䖤ࡼव
ࠊ఼
Ethernet
䖤ࡼ Ethernet
ᵓৃ⫼
ᵓৃ⫼
ᴎ఼ህ㒾
ᴎ఼ህ㒾
ᴎ఼ህ㒾
ᴎ఼ህ㒾
ᵓৃ⫼
ᵓৃ⫼
ᴎ఼ህ㒾
ᴎ఼ህ㒾
ᵓৃ⫼
ᵓৃ⫼
ᴎ఼ህ㒾
ᴎ఼ህ㒾
ᵓৃ⫼
ᵓৃ⫼-
ഄッᄤ
4022-592-422511-11001

