AX501维修手册 - 第454页

󱠁 C5 󱞵 󱯉 4022 593 52701/1 × 1 C.84 AX-301 /501  AX-3/5 08.01 󰑔󲱨 C05.fm C5.5.4.3.2 传输控制器 4022-594-4200x ,电路图  85 󲱨󰁼 4022-594-420 0x 󱈊󲫄 1 䖤ࡼ᥹ষᵓ ᳝݇䆺ᚙˈ 䇋খ㾕೒㸼 130-002 3322-405-23062

100%1 / 802
4022 593 52701/1 × 1 󱯉
08.01 AX-301/501 AX-3/5 C.83
C05.fm
󱠁
C5
󱞵
󰑔󲱨
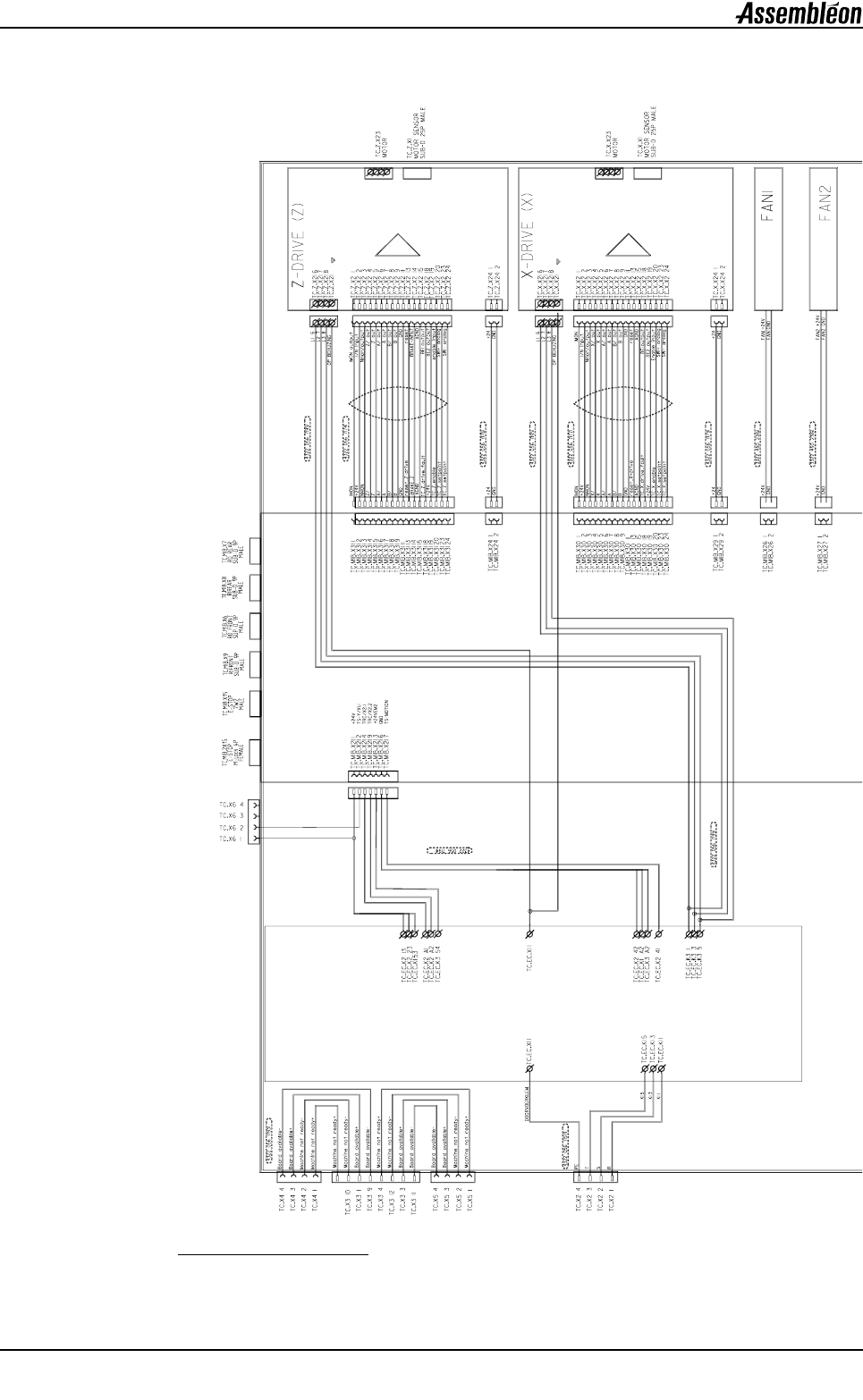
C5.5.4.3 传输控制器 4022-594-4200x
C5.5.4.3.1 传输控制器 4022-594-4200x,电源电路图
84
󲱨󰁼
4022-594-4200x
󱈊󰭥󱈊󲫄
400VAC 4A ϝⳌ
AMP/CPC 7p
3322 405 23063
󱠁
C5
󱞵
󱯉 4022 593 52701/1 × 1
C.84 AX-301/501 AX-3/5 08.01
󰑔󲱨
C05.fm
C5.5.4.3.2 传输控制器 4022-594-4200x,电路图
85
󲱨󰁼
4022-594-4200x
󱈊󲫄
1
䖤ࡼ᥹ষᵓ
᳝݇䆺ᚙˈ
䇋খ㾕೒㸼 130-002
3322-405-23062
4022 593 52701/1 × 1 󱯉
08.01 AX-301/501 AX-3/5 C.85
C05.fm
󱠁
C5
󱞵
󰑔󲱨
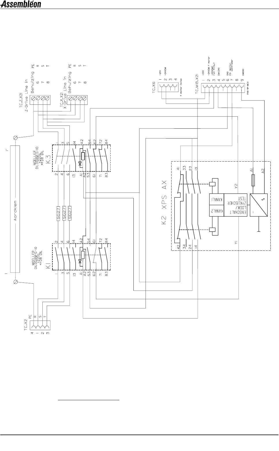
86
󲱨󰁼
4022-594-4200x
󱈊󲫄
2
䖤ࡼव
䖤ࡼ᥹ষᵓ
3322-405-23062