AX501维修手册 - 第721页
4022 593 52711/1 × 1 08.01 A-series E.21 E05.fm E5 E5.2 诊断树形图和表 E5.2.1 诊断树形图图形含义 22 䫭䇃 ᷥᔶ 䖲ヺ ᮑ އᅮ ⌟䆩 㒧䆎ˋֵᙃ 乘ᅮНℹ偸 i n ᓔྟˋ 㒧ᴳ

E5
4022 593 52711/1 × 1
E.20 A-series 08.01
E05.fm
第 E5 章 故障排除
E5.1 故障排除流程
1.
2.
3.
21
5
䆞ᮁᷥᔶ
ݙᆍ˛ԩᯊ˛
㒧ᵘ
˄ߎއᅮ˅
ℹ偸
˄㦋পㄨḜ˅
ᡔᴃ㒚㡖
˄ᬍℷᮑǃLEDᣛ⼎♃ㄝ˅
ℹ偸
བԩخ˛
খ㗗ֵᙃ
Ⳍ݇ݙᆍԡ㕂

E5
4022 593 52711/1 × 1
E.22 A-series 08.01
E05.fm
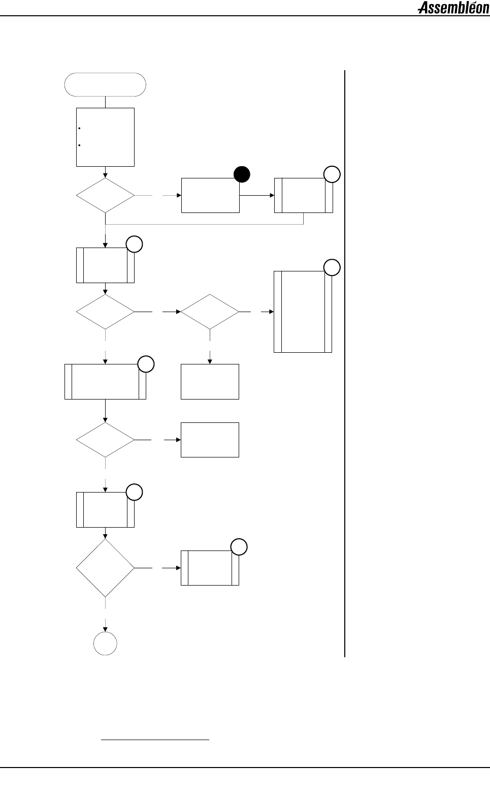
E5.2.2
针对提升或下降
A-series
供料器推车时出现故障的诊断树形图
参考:
1.E5.2.2.1.
, E5.2.2.2.
2.E5.2.2.3.
3.E8.3.5.
AX301/501 B8.4.1.6
AX-201 B8.13.0.6
4.E5.2.2.4.
5.E5.2.2.5.
23
ᦤछϟ䰡 A-series
կ఼᭭䔺ᯊߎ⦄ⱘᬙ䱰
ᖿ䗳Ẕᶹ
⬉⇨ষ
ᦤछᬙ䱰˛
৺
ᰃ
⬉⇨ষ
ᰃ৺ℷᐌ˛
ᰃ
৺
ᰃ৺ব㛣˛
৺
ᰃ
ϟ䰡ᬙ䱰
i
䰡ϟ᭭䔺
1
2
ᬙ䱰⮛⢊˖
ᤶᤳണⱘ
ᑻষᵓ
᭭䔺ষᵓDŽ
3
ষᰃ৺ব㛣˛
ᰃ
৺
এ䰸㛣∵DŽ
ẔᶹᴎẄষ
ᰃ৺ব㛣DŽ
ᑻ᭭䔺
ᰃ৺ݐᆍ˛
ᰃ
৺
㾷އݐᆍ
䯂乬DŽ
4
A1
এ䰸㛣∵DŽ
Ẕᶹᑻ
᭭䔺ⱘݐᆍᗻ
5
4
᭭䔺ᦤछ
ϟ䰡ᬙ䱰DŽ
᭭䔺छ䰡
ऩܗᬙ䱰DŽ
