N7202A029B40_SPG_Parts List_零件部品一覽表 - 第107页
Ref No. Remarks R 1 Q'ty 14-I 基板位置決めリフト:SPG PCB POSITIONING LIFT:SPG イラスト No. Part No. 品 名 品 番 数量 R 2 パーツリスト Kit No. キット品番 Kit Name キット名称 N610140071AA Part Nam e 備 考 セク ション No . PARTS LIST Section No. R 3 PLATE 1 1 …

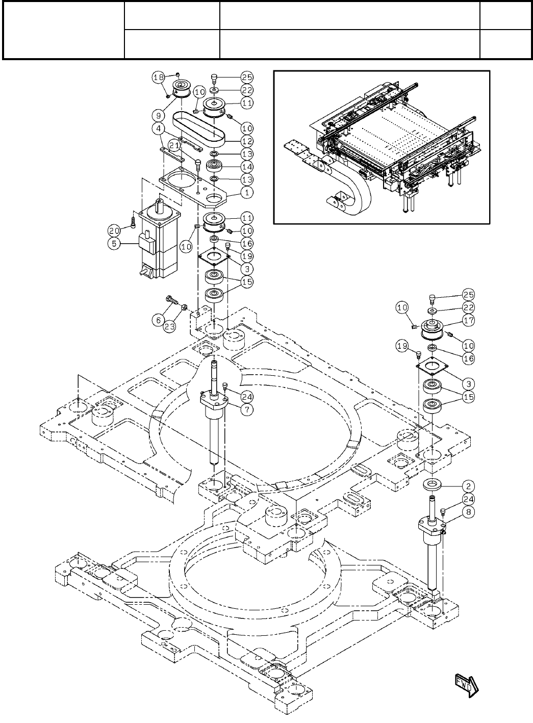
14-I
基板位置決めリフト:SPG
PCB POSITIONING LIFT:SPG
パーツレイアウト
Kit No.
キット品番
Kit Name
キット名称
N610140071AA
セクションNo.
PARTS LAYOUT
Section No.
--
S79
( KN610140071AA-15-9 )

Ref
No.
Remarks R
1
Q'ty
14-I
基板位置決めリフト:SPG
PCB POSITIONING LIFT:SPG
イラスト
No.
Part No.
品 名品 番 数量
R
2
パーツリスト
Kit No.
キット品番
Kit Name
キット名称
N610140071AA
Part Name
備 考
セクションNo.
PARTS LIST
Section No.
R
3
PLATE
1
1 N210172320AC
PLATE
1
2 N210116781AA
COLLAR
4
3 N210026041AA
COLLAR
1
4 N210172321AA
PLATE
4
5 N210026242AA
NUT-PLATE
2
6 N210116782AB
PIN
4
7 N510020598AA MMS4-15
MOTOR
1
8 MSMD022G1T2
S
MSMD022G1T2
BOLT
1
9 N510020805AA
Hexagon head bolt Best class M6X20-6g A2-70 no marking
BALL-SCREW
1
10 N510063904AA BTK1605S-2.6ZZGT+218.5LCp5R(B)(32831718K000)
BALL-SCREW
3
11 N510064136AA BTK1605S-2.6ZZGT+145LCp5R(B)(32831719K000)
SCREW
12
12 N510018387AA
Hexagon socket set screw Cup point M6X8-45H A2J (Trivalent)
WASHER
1
13 N510026549AA MMSRB10-1.0
BEARING
1
14 KXF0E3L8A00 6200ZZCM
BEARING
8
15 KXF00LCAA00 6300ZZCM
PULLEY
1
16 N510022798AA P25-5GT-15-33F(K0602-016)
T-BELT
1
17 KXF0E08GA00 300-5GT-15(DDA)
PULLEY
5
18 N510022795AA P25-5GT-15-6F(K0602-013)
BOLT
16
19 N510017344AA
Hexagon socket head cap screw M4X10-10.9 A2J (Trivalent)
BOLT
4
20 N510017351AA
Hexagon socket head cap screw M4X16-10.9 A2J (Trivalent)
BOLT
2
21 N510017433AA
Hexagon socket head cap screw M6X16-10.9 A2J (Trivalent)
WASHER
4
22 N510020101AA Thick washer M6
NUT
1
23 N510017867AA
Hexagon nut Type-1 Best class M6-6H-4T A2J (Trivalent)
BOLT
16
24 N510017346AA
Hexagon socket head cap screw M4X12-10.9 A2J (Trivalent)
BOLT
4
25 N510017428AA
Hexagon socket head cap screw M6X12-10.9 A2J (Trivalent)
S80
--
( KN610140071AA-15-9 )

14-J
基板位置決めリフト:SPG
PCB POSITIONING LIFT:SPG
パーツレイアウト
Kit No.
キット品番
Kit Name
キット名称
N610140071AA
セクションNo.
PARTS LAYOUT
Section No.
--
S81
( KN610140071AA-15-10 )