N7202A029B40_SPG_Parts List_零件部品一覽表 - 第510页
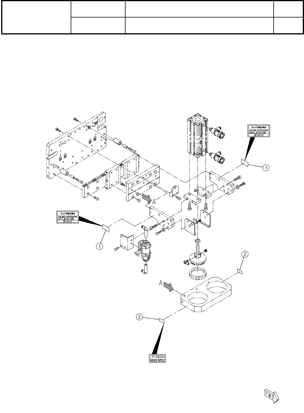
110-C 銘板・警告ラベル( はんだ自動供給): SPV Label(Solder Auto Di spensing):SPV パーツレイアウト Kit No . キット品番 Kit Name キット名称 MTKA000322AA セクションNo. PARTS LAYOUT Section No. - - O255 ( KMTKA000322AA-01 -3 )

Ref
No.
Remarks R
1
Q'ty
110-B
銘板・警告ラベル(はんだ自動供給):SPV
Label(Solder Auto Dispensing):SPV
イラスト
No.
Part No.
品 名品 番 数量
R
2
パーツリスト
Kit No.
キット品番
Kit Name
キット名称
MTKA000322AA
Part Name
備 考
セクションNo.
PARTS LIST
Section No.
R
3
LABEL
1
1 MTPL000116AA
LABEL
1
2 KXF0DNCAA00 (Drawing available 0DNCA)
O254
-
-
( KMTKA000322AA-01-2 )

110-C
銘板・警告ラベル(はんだ自動供給):SPV
Label(Solder Auto Dispensing):SPV
パーツレイアウト
Kit No.
キット品番
Kit Name
キット名称
MTKA000322AA
セクションNo.
PARTS LAYOUT
Section No.
-
-
O255
( KMTKA000322AA-01-3 )

Ref
No.
Remarks R
1
Q'ty
110-C
銘板・警告ラベル(はんだ自動供給):SPV
Label(Solder Auto Dispensing):SPV
イラスト
No.
Part No.
品 名品 番 数量
R
2
パーツリスト
Kit No.
キット品番
Kit Name
キット名称
MTKA000322AA
Part Name
備 考
セクションNo.
PARTS LIST
Section No.
R
3
LABEL
1
1 MTPL000116AA
LABEL
1
2 KXF0DNCAA00 (Drawing available 0DNCA)
O256
-
-
( KMTKA000322AA-01-3 )