Tape feeder module 88mm X FS07_20211118_074831 - 第7页
Tape feeder module 88mm X FS07 Page 7 / 13 18.11.2021

Tape feeder module 88mm X FS07
Page 6 / 13 18.11.2021

Tape feeder module 88mm X FS07
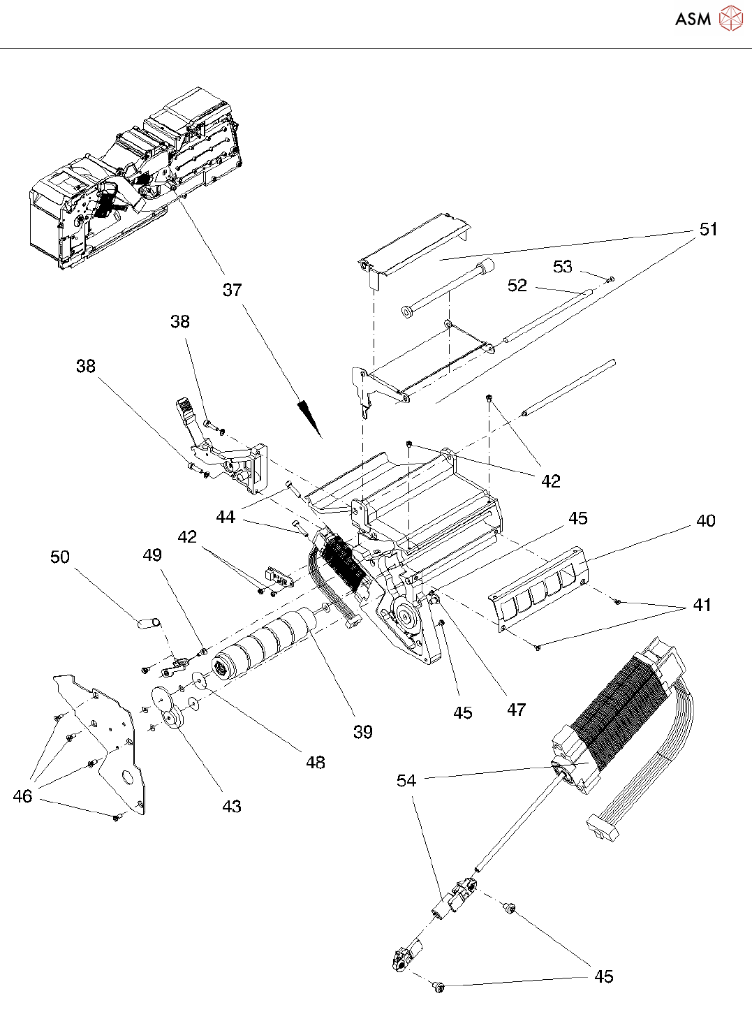
Page 7 / 13 18.11.2021

Tape feeder module 88mm X FS07
Page 8 / 13 18.11.2021