PTS-NXT3c-07 - 第44页
㸨㹌㹁㸮㸱㹀ࠉ㸯㸰㸱㸲㸳㸴㸨 2 28 23 25 26 26 26 22 27 6 17 18 7 13 1 11 12 24 20 19 UL01540 H01/H02-NC03B-NOZZLE ST A TION ++1&%ࣀࢬࣝࢫࢸ࣮ࢩࣙࣥ 4 4 P TS - N X T3 c - 0 7

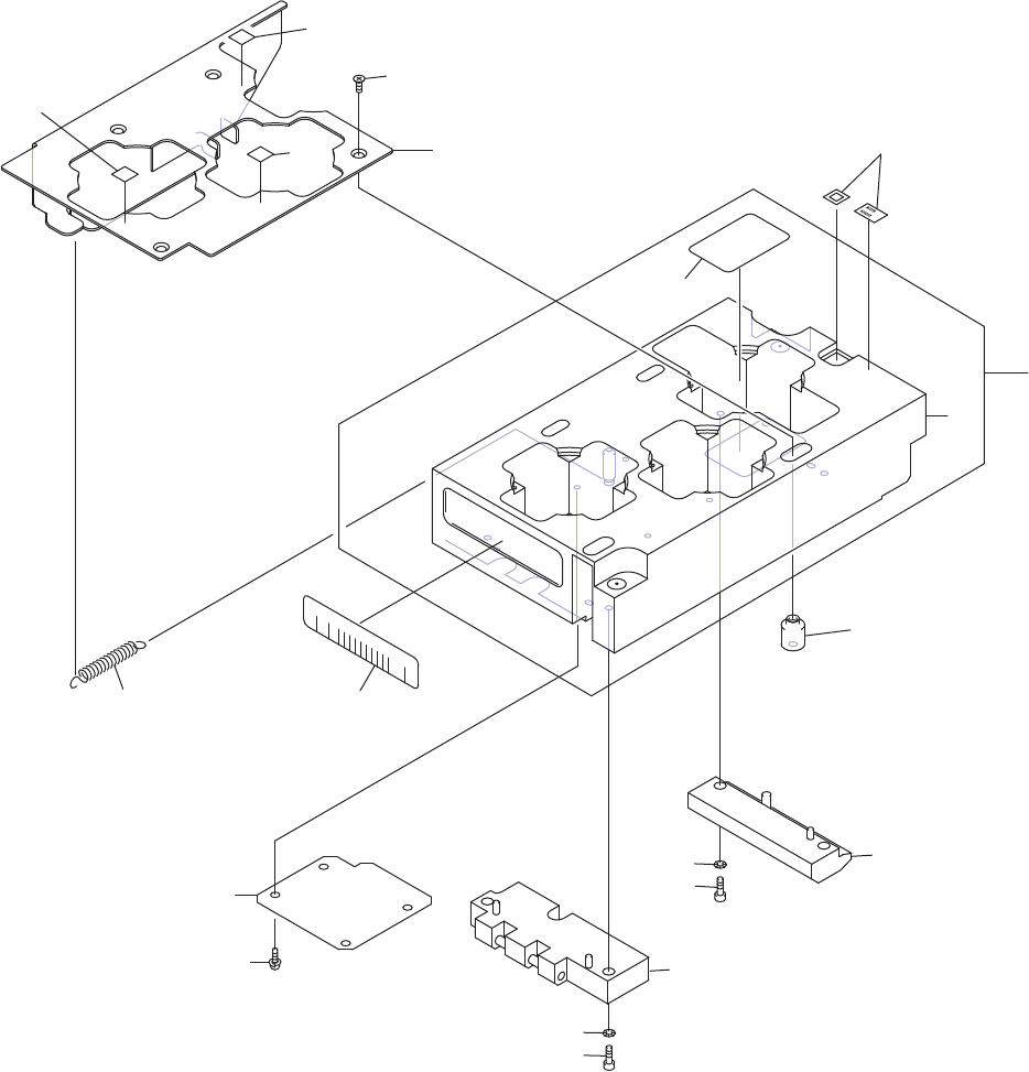
H04/H04S-NEPTA-NOZZLE STATION
H04/H04S-NEPTA-ノズルステーション
UL04610
No. Drg.No. & Code No. QTY Description Rating Remarks
番号 図番 & コード番号 個数 品名 規格 備考
1 AA5FZ07 1 HOLDER
ホルダ
2 PS00773 1 SHEET
シート
18pieces/sheet, Consumable Parts
3 PX07233 1 SEAL, BAR CODE
シール バーコード
unit serial number
4 PX07222 1 SEAL, BAR CODE
シール バーコード
unit serial number
5 AA5FY02 1 GUIDE
ガイド
6 2MGTMA005201 2 BOLT, HEX SOCKET
ボルト 六角穴
7 W1011A 2 WASHER, CONICAL
ワッシャ 皿
M-4-L
8 AA96706 1 BLOCK
ブロック
9 2MHEFA042101 2 BOLT, HEX SOCKET
ボルト 六角穴
10 W1010A 2 WASHER, CONICAL
ワッシャ 皿
M-3-L
11 PZ29951 8 BOLT
ボルト
12 PM85634 8 WASHER
ワッシャ
13 PB85071 1 SHUTTER
シヤツタ
15 PZ05022 1 SPRING, TENSION
スプリング ヒツパリ
16 PM03YY6 1 HOLDER
ホルダ
43
PTS- NXT3c- 07

㸨㹌㹁㸮㸱㹀ࠉ㸯㸰㸱㸲㸳㸴㸨
2
28
23
25
26
26
26
22
27
6
17
18
7
13
1
11
12
24
20
19
UL01540
H01/H02-NC03B-NOZZLE STATION
++1&%ࣀࢬࣝࢫࢸ࣮ࢩࣙࣥ
44
PTS- NXT3c- 07

H01/H02-NC03B-NOZZLE STATION
H01/H02-NC03B-ノズルステーション
UL01540
No. Drg.No. & Code No. QTY Description Rating Remarks
番号 図番 & コード番号 個数 品名 規格 備考
1 AA96823 1 HOLDER
ホルダ
2 2AGTMA001200 1 HOLDER
ホルダ
6 2MGTMA004501 1 SHEET
シート
3pieces/sheet, Consumable Parts
7 AA0HH03 1 GUIDE
ガイド
11 2MHEFA042101 2 BOLT, HEX SOCKET
ボルト 六角穴
12 W1010A 2 WASHER, CONICAL
ワッシャ 皿
M-3-L
13 AA96507 1 BLOCK
ブロック
17 2MHEFA042101 2 BOLT, HEX SOCKET
ボルト 六角穴
18 W1010A 2 WASHER, CONICAL
ワッシャ 皿
M-3-L
19 PB20132 1 DOG, SW
ドッグ SW
20 K67660 4 SCREW, WASHER ASS'Y
小ネジ 座金組込み
M02.5X005 ナベセムス P2(ステンレス)
22 PZ05022 1 SPRING, TENSION
スプリング ヒツパリ
23 2MGKMA002900 1 SHUTTER
シャッタ
24 2MGTMA006203 4 PIN, GUIDE
ピン ガイド
25 PZ29951 4 BOLT
ボルト
26 PX00081 1 NAMEPLATE
銘板
27 PX01982 1 SEAL, BAR CODE
シール バーコード
unit serial number
28 PX02132 1 SEAL, BAR CODE
シール バーコード
unit serial number
45
PTS- NXT3c- 07