SP60P-M Mechanical 20120628 - 第178页
7-A ハンダ自 動 供 給 U(M) Solder Auto-Dispensing Unit (M ) パーツレイアウト Ki t N o . キット 品番 Kit N am e キット名称 KXFX03APA00 セクションNo. PARTS LAYOUT Section No. S17

Ref
No.
Remarks
R
1
Q'ty
㪍
䉝䊄䊋䊮䉴䊃䉴䉨䊷䉳䉶䉾䊃㩿㪣㪔㪊㪌㪇㪀㪑㪪㪧㪍㪇㪄㪤
Advanced Squeegee Set (L = 350):SP60-M
䍐䍵䍛䍢
㪥㫆㪅
Part No.
ຠ䇭䇭ฬຠ⇟ ᢙ㊂
R
2
䊌䊷䉿䊥䉴䊃
Kit N
o
.
䉨䉾䊃ຠ
⇟
Kit Name
䉨䉾䊃ฬ⒓
N610080601AA
Part Name
䇭䇭䇭⠨
䍜䍖䍚䍌䍻㪥㫆㪅
PARTS LIST
Section No.
R
3
HOLDER
1
1 N210001337AA
HOLDER
1
2 N210001338AA
HOLDER
2
3 N210103973AB
BOLT
2
4 KXFB08MDA00
PLATE
2
5 N210098324AA
PLATE
2
6 N210098325AA
BALL-BUTTON
2
7 KXF0167AA00 BBT8
SCREW
2
8 XXE5D8FT
Hexagon socket set screw Cup point M5X8-45H SOB
BOLT
8
9 N510017516AA
Hexagon socket button head screw M4X10-10.9 A2J (Trivalent)
BOLT
8
10 N510017344AA
Hexagon socket head cap screw M4X10-10.9 A2J (Trivalent)
WASHER
8
11 N510018479AA
Small round-plain washer 4 10H A2J (Trivalent)
WASHER
8
12 N510020099AA Thick washer for M4
SQUEEGEE
2
13 N510047260AA
PFOS_Free Dimpie metal squeegee 350X40X0.2(DDA)
PLATE
2
14 N210097985AB
BLOCK
2
15 N210050698AA
BLOCK
2
16 N210050700AA
BLOCK
1
17 N210099381AB
BLOCK
1
18 N210099382AB
PIN
8
19 N210008119AC
PIN
8
20 N210008118AB
BRACKET
4
21 N210099383AA
PIN
16
22 N510020572AA MMS1-10
SPRING
8
23 N510020800AA 87UL4-10
SPRING
8
24 N510020797AA 87UF3-10
KIT
1
25 N610004783AB
KIT
1
26 N610093466AA
KIT
1
27 N610004821AA
KIT
1
28 N610080789AA
KIT
2
29 N610097604AA
KIT
2
30 N610097605AA
KIT
2
31 N610097606AA
KIT
2
32 N610097607AA
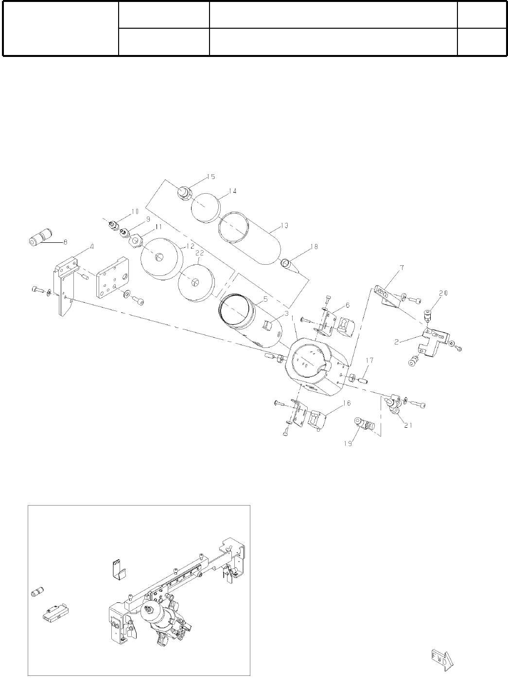
S16
-0##

7-A
ハンダ自
動
供
給
U(M)
Solder Auto-Dispensing Unit (M)
パーツレイアウト
Ki
t
N
o
.
キット
品番
Kit Name
キット名称
KXFX03APA00
セクションNo.
PARTS LAYOUT
Section No.
S17

Ref
No.
Remarks
R
1
Q'ty
7-A
ハンダ自
動
供
給
U(M)
Solder Auto-Dispensing Unit (M)
イラスト
No.
Part No.
品 名品番 数量
R
2
パーツリスト
Kit N
o
.
キット品
番
Kit Name
キット名称
KXFX03APA00
Part Name
備 考
セクションNo.
PARTS LIST
Section No.
R
3
SLEEVE
1
1 KXFB030GA00
BLOCK
1
2 KXFB030HA00
BLOCK
1
3 N210038516AA
PLATE
1
4 KXFB030KA00
HOLDER
1
5 N610110404AA
BRACKET
2
6 N210047072AA
BRACKET
1
7 KXFB030SA00
JOINT
1
8 KXF02AXAA00 KQH06-00
COUPLER
1
9 KXF09RVAA00 MC-10PM
COUPLER
1
10 KXF02WSAA00 MC-04SH
JOINT
1
11 KXF0DWUWA00 No.386 M-1/4X1/8 SUS
CAP
1
12 N210131551AB
CARTRIDGE
2
13 KXF08WJAA00 PC170
PLUNGER
2
14 KXF08WKAA00 PC01
PLUG
2
15 N510031309AA PCS03
SENSOR
1
16 N510017107AA CX-412
PLUNGER
2
17 KXF077WAA00 BPJ6
NOZZLE
5
18 KXF08WMAA00
A
LOP-32-63
SPEED-CONTROLLER
1
19 KXF00YAAA00 AS1001F-04
JOINT
2
20 KXF029HAA00 KJH04-M5
JOINT
1
21 KXF02DMAA00 KQU04-99
RUBBER
1
22 N210133078AA
S18