yg200_kgt_j.pdf - 第27页
Wiring par ts list K GT -2010 P AGE 24 Condential & Proprietary No Part No. Part Name Q'ty Remarks No Part No. Part Name Q'ty Remarks 1 KGA-M55G0-106 LAN CABLE 10M 1 10M 39 KGA-M6522-202 SP ARE RELA Y 1 G6…

PAG E
23
W-ATS (KGX)
Confi dential & Proprietary
KGX-000-CCV1
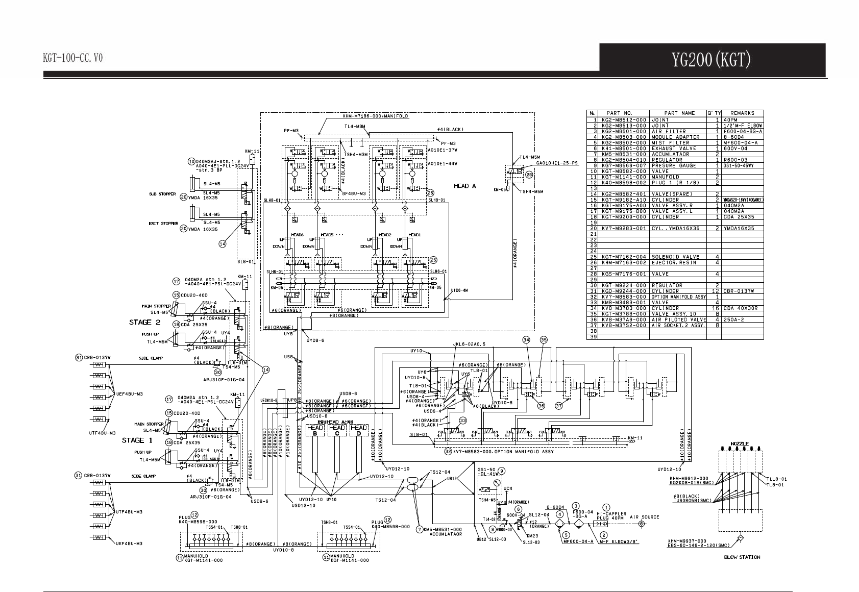
Air circuit(YG200-SF+FES)

Wiring parts list
KGT-2010
PAGE
24
Condential & Proprietary
No Part No. Part Name Q'ty Remarks No Part No. Part Name Q'ty Remarks
1 KGA-M55G0-106 LAN CABLE 10M 1 10M 39 KGA-M6522-202 SPARE RELAY 1 G6D-1A-AP
2 KGA-M66X3-021 HNS,RS232C-BCR-F 1 1500MM J876 40 KV7-M6561-010 POWER SUPPLY1 1 GS21
3 KGA-M66X3-121 HNS,RS232C-BCR-R 1 2700MM J877 41 KGT-M4899-002 LIGHT 1 ASSY 1
HL11(L=300); LAMP RED/YELLOW/GREEN
4 KGA-M55G0-406 LAN CABLE 30M 1 30M
42 KGT-M4899-102 LIGHT 1 ASSY 1
HL11(L=350); LAMP RED/YELLOW/GREEN
5 KGA-M55G0-006 LAN CABLE 5M 1 5M 43 KGT-M4899-202 LIGHT 1 ASSY 1
HL11(L=450); LAMP RED/YELLOW/GREEN
6 KGK-M530H-001 USB FDD 1 A14 44 KGT-M4899-302 LIGHT 1 ASSY 1
HL11(L=550); LAMP RED/YELLOW/GREEN
7 KGD-M8300-011 IONIZER 1 A16 or A17
45 KGT-M4899-402 LIGHT 1 ASSY 1
HL11(L=650); LAMP RED/YELLOW/GREEN
8 KGD-M8300-011 IONIZER 2 A16,A17 46 KGT-M4899-502 LIGHT 1 ASSY 1
HL11(L=750); LAMP RED/YELLOW/GREEN
9 KGA-M55B2-020 BCR,SYMBOL TYPE 5M 1 A43/A44 47 KGT-M4899-XXX LIGHT 1 ASSY 1 HL11; LAMP RED/YELLOW/GREEN
10 KGC-M655E-001 SENSOR,ASSY 1 AREA SENSOR
48 KGS-M4897-011 LIGHT,ERROR 1 HL12,HL13
11 KU6-M711N-A02 NOZZLE ASSY. 1 Assembleon 49 KHG-M4896-011 ERROR LIGHT ASSY 2 HL12,HL13
12 K46-M641F-000 PARTS, 1-3 4 BNL6 (DIN)
50 KHG-M4897-011 LIGHT,ERROR 1 HL12,HL13
13 90K41-000712 LABEL ALERT 7 CHARGE MARK COVER
51 KGS-M4896-011 ERROR LIGHT ASSY 2 HL12,HL13
14 90K41-000711 LABEL ALERT 2 CHARGE MARK DUCT 52 KGT-M3703-000 CLAMP UNIT COVER L,R 1 INTERFACE COVER L,R
15 KGA-M660E-200 HNS,CLI2 1 CLI 2 PLATE
53 KGT-M3704-000 20NS E/L FRONT COM. 1 INTERLOCK FRONT COM.
16 KGA-M660E-300 HNS,CLI3 1 CLI 3 PLATE 54 KGT-M3705-000 20NS E/L FRONT L 1 INTERLOCK FRONT LEFT
17 KGA-M660E-400 HNS,CLI4 1 CLI 4 PLATE 55 KGT-M3706-000 20NS E/L FRONT R 1 INTERLOCK FRONT RIGHT
18 K87-M113B-000 CLANK ARM 1 CTF-A08-791-B
56 KGT-M3704-100 20NS E/L REAR COM. 1 INTERLOCK REAR COM.
19 K87-M113C-100 CLAMP PIN 1 CTF-A08-793-90 57 KGT-M3706-100 20NS E/L REAR R 1 INTERLOCK REAR LEFT
20 KV7-M6561-010 POWER SUPPLY1 1 DC24V 300W 58 KGT-M3705-100 20NS E/L REAR L 1 INTERLOCK REAR RIGHT
21 KV8-M7162-104 VALVE 1 DOWN VALVE 59 KGA-M139A-100 GROMMET ASSY ION+1 1 IONIZER
22 KK1-M6563-200 FERRITE CORE 1 E01 60 KGA-M139A-200 GROMMET ASSY ION+2 1 IONIZER
23 KGA-M135B-010 COVER LIGHT UNIT 1 EL1 61 KGA-M139A-000 GROMMET ASSY NORMAL 1 IONIZER NON
24 KGT-M3704-200 20EMG E/L FRONT COM. 1 EMG FRONT COM. 62 KGT-M5184-003 SEAL,ITEM NO. 1 ITEM SEAL
25 KGB-M3705-200 20EMG E/L FRONT LR 1 EMG FRONT L,R 63 KM6-M661K-001 HNS,QF31-NF11 1 J0015
26 KGT-M3704-300 20EMG E/L REAR COM. 1 EMG REAR COM. 64 KM5-M661E-023 HNS,QF-TM11 1 J003
27 KGB-M3705-300 20EMG E/L REAR LR 1 EMG REAR L,R 65 KM6-M661G-003 HNS,TM11-TC11 1 J004
28 KH1-M6185-100 FAN MOTOR ASSY 1 FAN1 66 KK1-M664J-010 HNS,PE 1000 1 J0089,KGT:J125
29 KJ0-M4187-000 FAN GUARD 2 FAN1 67 KGT-M661G-000 HNS,TC11-QF/XT21 1 J011
30 KGA-M6185-101 FAN MOTOR ASSY 2 FAN2,FAN3 68 KW8-M661J-000 HNS,TM11-QF31 1 J014
31 KGA-M4187-000 FAN GUARD 119MM 4 FAN2,FAN3 69 KW8-M661L-000 HNS,NF11-KM10 1 J018
32 KV8-M3701-010 CARRIAGE ASSY (20) 1 FES20 CART 70 KGT-M661H-001 HNS,QF21-GS21 1 J020
33 KGA-M1354-101 LAMP SPARE 1 FL6D 6W 71 KGT-M661A-002 HNS,C/R PWR 1 J021
34 KGT-M654N-A10 SENSOR,CLUTCH ASSY 1 FOR SPARE PARTS, CLUTCH 72 KGT-M661E-000 HNS,CONVEYOR PWR 1 J022
35 KGT-M654L-A00 SENSOR,DOWN1 ASSY. 1 FOR SPARE PARTS, DOWN 1,3,5,7 73 KGT-M661J-001 HNS,CONVEYOR PWR2 1 J026
36 KGT-M654M-A00 SENSOR,DOWN2 ASSY. 1 FOR SPARE PARTS, DOWN 2,4,6,8 74 KGT-M661K-001 HNS,CONVEYOR PWR3 1 J027
37 KGT-M654G-A10 SENSOR,POS1 ASSY. 1 FOR SPARE PARTS, NOZZLE POS.1 75 KGT-M661L-010 HNS,FAN PWR 1 J028
38 KGA-M6522-020 SPARE RELAY SET 1 G6B-2114P-US-P6B 76 KHN-M661M-401 HNS,TAP CHANGE 1 10 J030-J037,J039-J040

Wiring parts list
KGT-2010
PAGE
25
Condential & Proprietary
No Part No. Part Name Q'ty Remarks No Part No. Part Name Q'ty Remarks
77 KHN-M661M-501 HNS,TAP CHANGE 2 1 J038 115 KGT-M665W-000 HNS,BRAKE 1 J094
78 KGT-M662E-000 HNS,I/F-DC24V 1 J043 116 KGT-M66GA-000 HNS,CN11 DO 1 J098
79 KGT-M661N-000 HNS,LED.DRIVER PWR 1 J044 117 KK1-M664J-010 HNS,PE 1000 4 J121-J124
80 KV7-M66N2-002 HNS,LIGHT2 1 J0507;LDC1/J0514;LDC2
118 90K30-2PR170 HNS,EARTH 1 J126
81 KV7-M66N3-001 HNS,LIGHT3 1 J0508;LDC1/J0510;LDC2 119 90K30-2KL070 HNS,EARTH 1 J127
82 KGT-M661X-002 HNS,I/O.HEAD PWR 1 J051 120 90K30-5PP070 HNS,EARTH 2 J128,J129
83 KGT-M661Y-001 HNS,DC24V Y-FLEX 2 J052,J057
121 90K30-5PP130 HNS,EARTH 6 J130-J135
84 KV7-M66N5-000 HNS,LIGHT5 1 J0521 122 90K30-4PP050 HNS,EARTH 2 J146,J149
85 KGT-M662A-000 HNS,HEAD.PWR X-FLEX 4 J053,J055,J058,J060 123 90K30-4PP030 HNS,EARTH 2 J147,J148
86 KGT-M665A-000 HNS,CONV. DRIVER 4 J071-J074
124 KM0-M536A-010 HNS,PE 70 4 J150-J153
87 KGT-M665E-000 HNS,CONV. MOTOR 2 J075,J078 125 KGT-M66H1-000 HNS,AREA 1 J161
88 KGT-M665U-000 HNS,CONV.MOTOR2 2 J076,J077
126 KGT-M668A-001 HNS,I/O A 1 J171
89 KGT-M665F-002 HNS,CONV.MOTOR3 2 J079,J080
127 KGT-M668E-002 HNS,I/O B 1 J172
90 KGT-M665G-000 HNS,CONV. VALVE 1 J081 128 KGT-M668F-000 HNS,CUNET-HEAD A 1 J173
91 KGT-M665H-002 HNS,VALVE YT-FLEX 2 J082,J083
129 KGT-M668G-000 HNS,CUNET Y-FLEX 2 J174,J179
92 KGR-M66TB-002 HNS,COM1 1 J0830/J0840 130 KGT-M668H-001 HNS,I/O X-FLEX 2 J175,J180
93 KGR-M66TB-201 HNS,COM3 3 J0832,J0833,J0834/J0833,J0834,J0835 131 KGT-M668K-001 HNS,I/O X-FLEX2 2 J177,J182
94 KGR-M66TB-201 HNS,COM3 2 J0832,J0833/J0833,J0834
132 KGT-M66A1-000 HNS,PI1 1 J191
95 KGR-M66TB-201 HNS,COM3 1 J0833/J0834 133 KGT-M66A2-000 HNS,PI2 1 J192
96 KGR-M66T9-001 HNS,SET POS1 1 J0835/J0838 134 KGT-M66A3-001 HNS,PI3 1 J193
97 KGR-M66T9-101 HNS,SET POS2 1 J0836 135 KGT-M66A4-002 HNS,PI4 1 J194
98 KGR-M66T9-201 HNS,SET POS3 1 J0837 136 KGT-M66A5-000 HNS,PI5 1 J195
99 KGR-M66X9-001 HNS,TERMINATION 1 J0839 137 KHF-M66L2-000 HNS,PI6 SHORT 1 J196
100 KGT-M665J-010 HNS,0T 1 J084 138 KGT-M66A7-001 HNS,PI Y YT 4 J197,J198,J209,J210
101 KGT-M665K-000 HNS,CONV. SENSOR 1 J085 139 KGT-M66AA-001 HNS,X-PI Y-FLEX 2 J200,J212
102 KGS-M66U6-001 HNS,STICK FEEDER 1 J0856/J0885 140 KGT-M66AE-003 HNS,PI Z R 2 J202,J214
103 KGT-M665L-000 HNS,CONV. SENSOR2 1 J086 141 KGT-M66AF-000 HNS,Z.R-PI Y-FLEX 4 J203,J204,J215,J216
104 KGT-M665M-000 HNS,CONV. SENSOR3 1 J087 142 KGT-M66AG-000 HNS,Z.R-PI X-FLEX 4 J205,J206,J217,J218
105 KGA-M66X3-021 HNS,RS232C-BCR-F 1 J0876/J0892 143 KGT-M66AJ-000 HNS,YT-PI YT-FLEX 2 J221,J222
106 KGA-M66X3-121 HNS,RS232C-BCR-R 1 J0877/J0893 144 KGT-M66AK-002 HNS,WP 2 J223,J225
107 KGT-M665N-000 HNS,CONV. SENSOR4 1 J088 145 KGT-M66AK-100 HNS,W-PI 2 J224,J226
108 90K30-2PP015 HNS,EARTH 1 J088/J099 146 KGT-M66F1-000 HNS,MO1 1 J231
109 KKS-M66U6-000 HNS,STICK FEEDER 1 J0885 147 KGT-M66F2-003 HNS,MO2 1 J232
110 KJV-M66U6-000 HNS,STICK FEEDER 1 J0885 148 KGT-M66F3-001 HNS,MO3 1 J233
111 KGT-M665R-001 HNS,ORG/OT YT-FLEX 2 J089,J091 149 KGT-M66F4-005 HNS,MO4 1 J234
112 KGT-M665T-012 HNS,CONV3 SENSOR 1 J090 150 KGT-M66F5-000 HNS,MO5 1 J235
113 KGT-M665V-011 HNS,CONV2 SENSOR 1 J092 151 KGT-M66F6-000 HNS,MO6 1 J236
114 KGT-M665X-011 HNS,CONV. SENSOR5 1 J093 152 KGT-M66F7-001 HNS,X-MO Y-FLEX 2 J237,J244