文档中心
/
yg200_kgt_j.pdf
yg200_kgt_j.pdf - 第22页
在线预览 yg200_kgt_j.pdf PDF 文档。
目录
100%
显示:宽度
宽度
1 / 32
回到旧版
旧版
?
PA
G E
20
W
-A
TS (KGX)
Con
fi
dential & Proprietary
KGX-000-CCV1
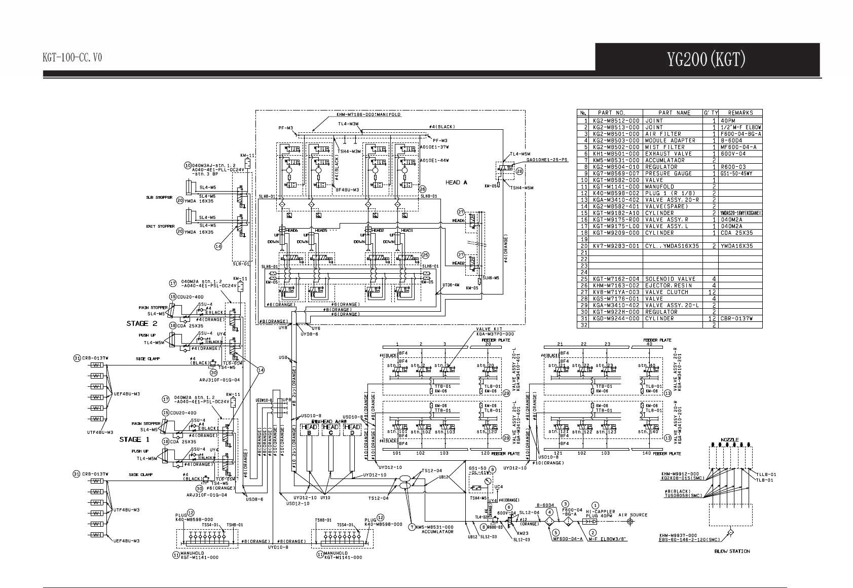
Air circuit(Y
G200-FNC)
该页面需要启用 JavaScript 才能进行交互式预览。