yg200_kgt_j.pdf - 第25页

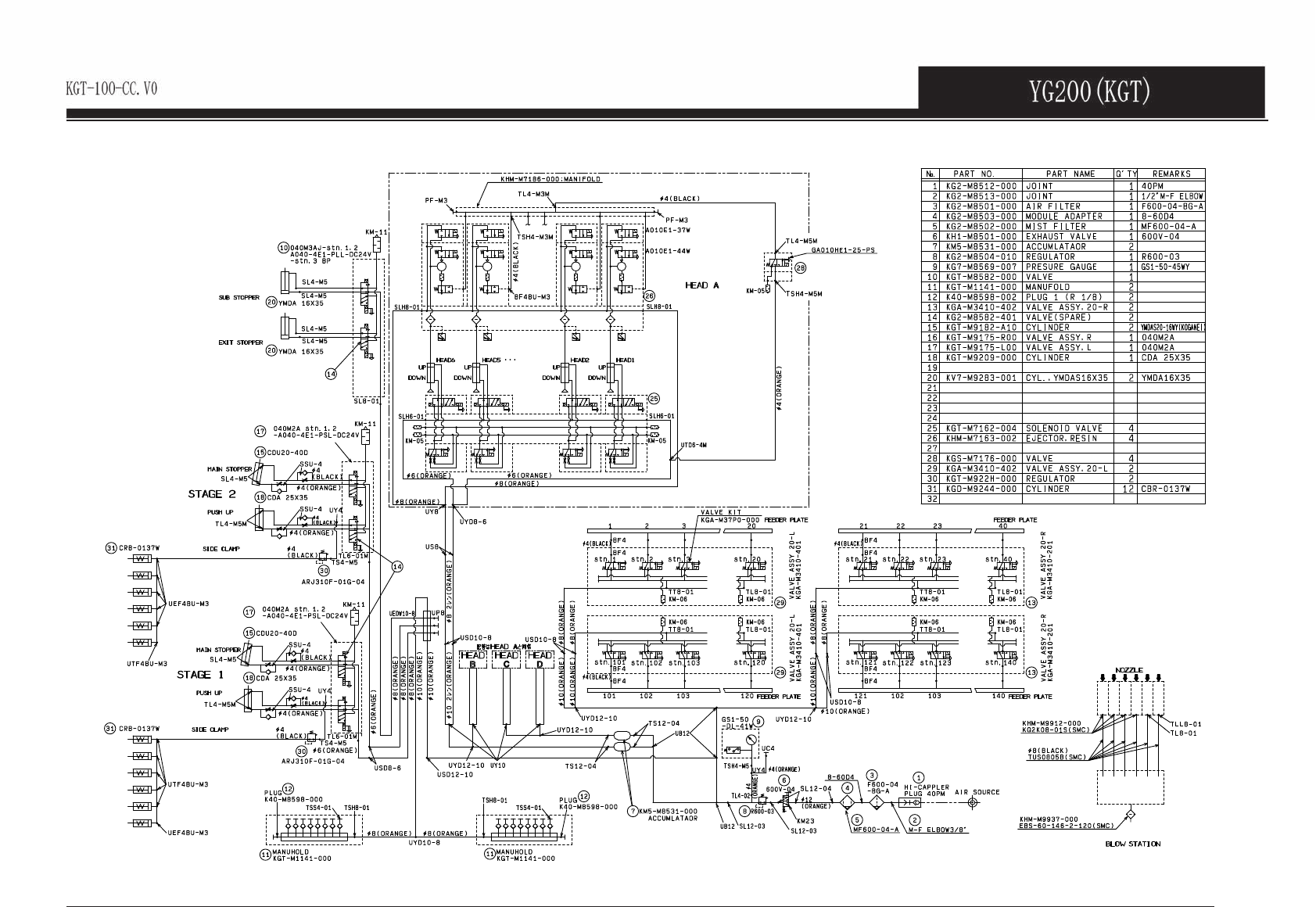
PA G E 22 W -A TS (KGX) Con fi dential & Proprietary KGX-000-CCV1 Air circuit(Y G200-SF)

100%1 / 32
PAG E
21
W-ATS (KGX)
Con dential & Proprietary
KGX-000-CCV1
Air circuit(YG200-FNC+FES)
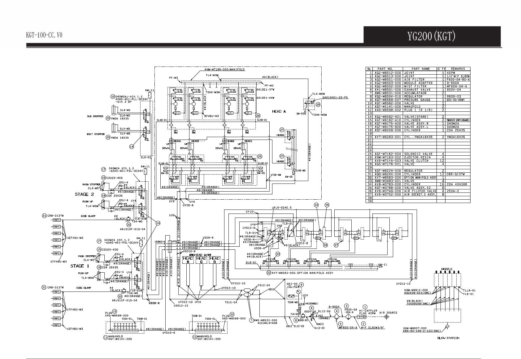
PAG E
22
W-ATS (KGX)
Con dential & Proprietary
KGX-000-CCV1
Air circuit(YG200-SF)
PAG E
23
W-ATS (KGX)
Con dential & Proprietary
KGX-000-CCV1
Air circuit(YG200-SF+FES)