文档中心
/
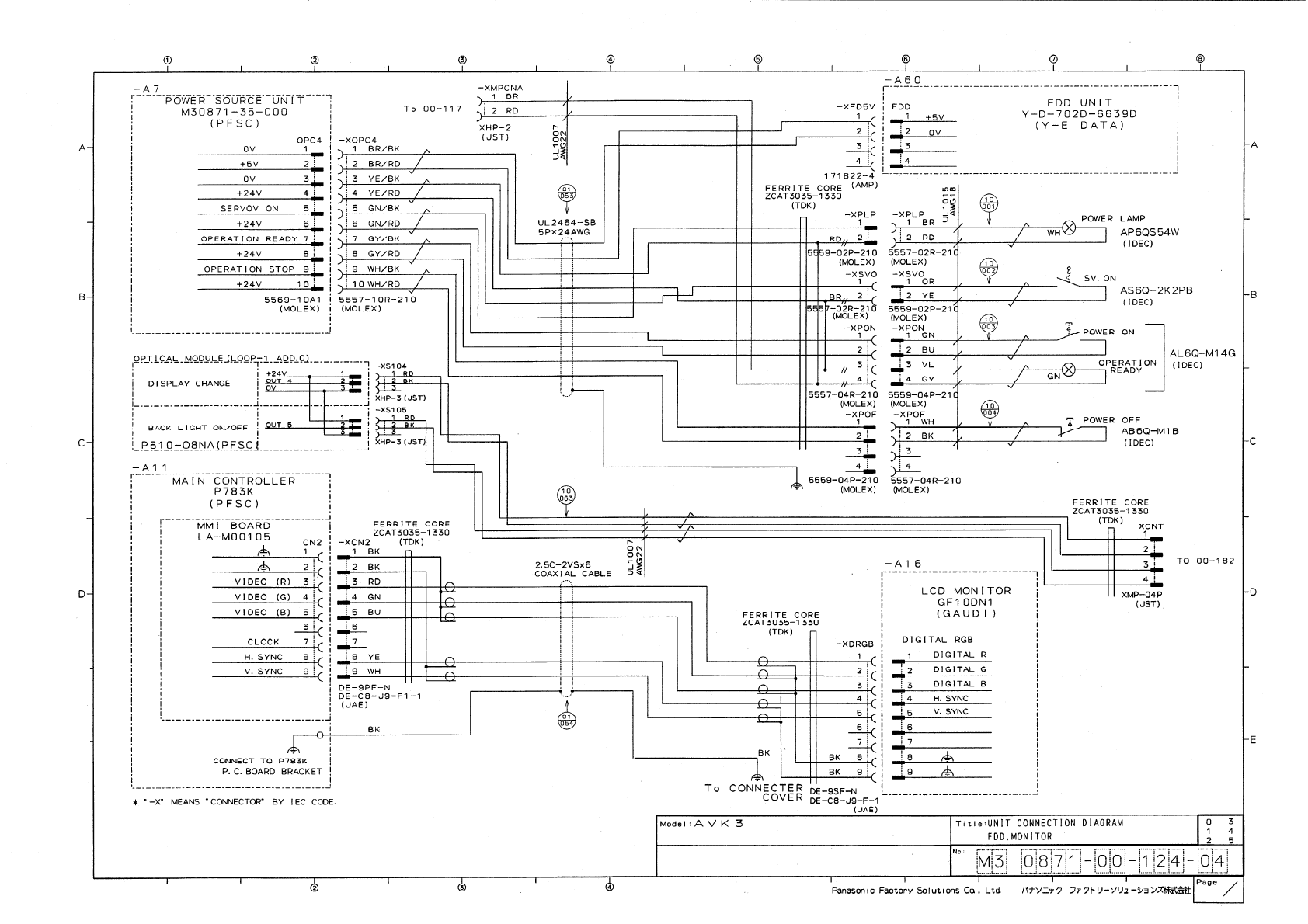
Q131225E05
Q131225E05 - 第31页
在线预览 Q131225E05 PDF 文档。
目录
100%
显示:宽度
宽度
1 / 117
回到旧版
旧版
?
该页面需要启用 JavaScript 才能进行交互式预览。