文档中心
/
MN-E00372EDW-XX_B(1)
MN-E00372EDW-XX_B(1) - 第239页
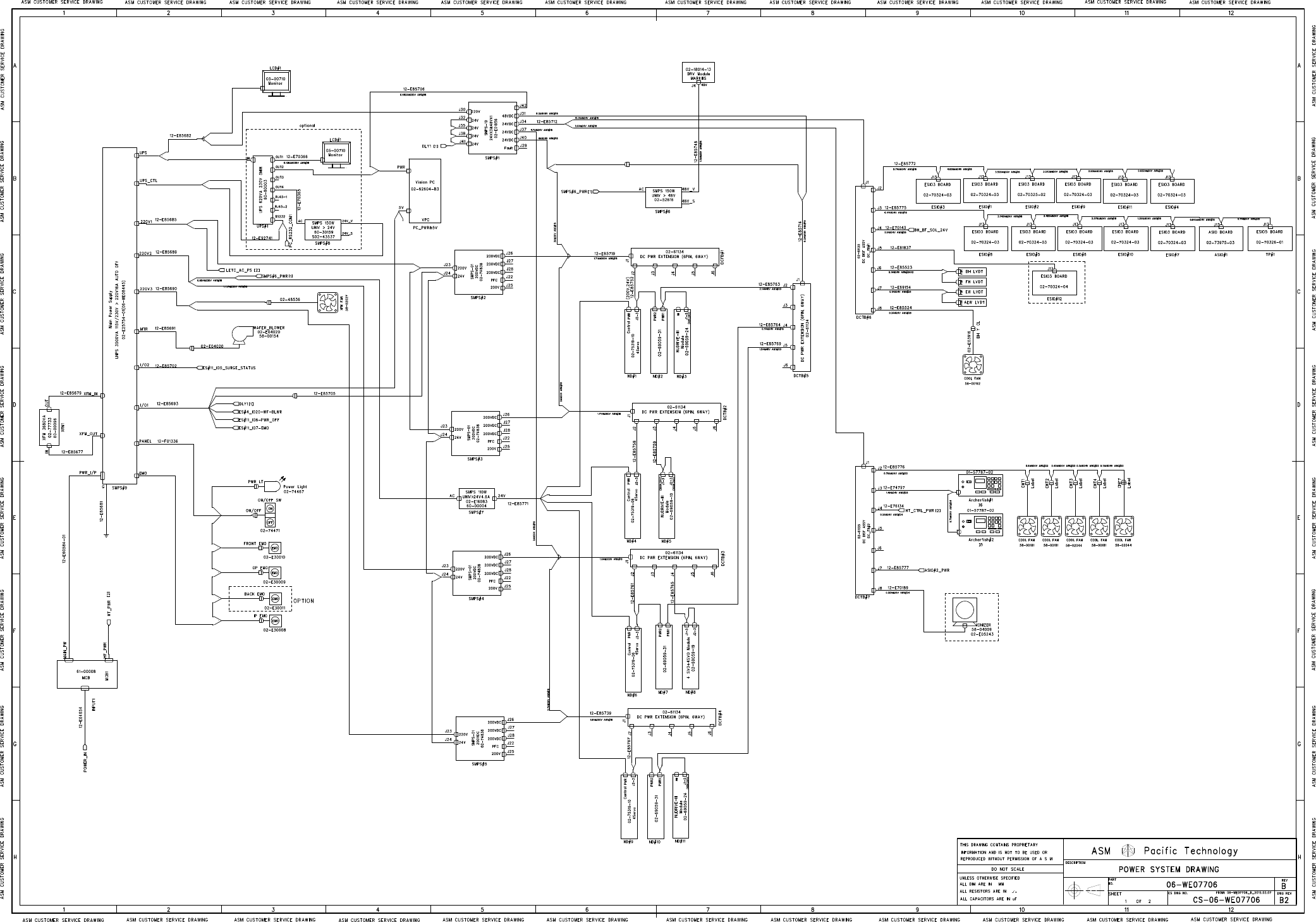
A-24 AD8312FC WIRING & M/C CONFIGURATION
目录
100%
显示:宽度
宽度
1 / 268
回到旧版
旧版
?
A-23
AD8312FC WIRING & M/C CONFIGURATION
A-24
AD8312FC WIRING & M/C CONFIGURATION
A-25
AD8312FC WIRING & M/C CONFIGURATION
该页面需要启用 JavaScript 才能进行交互式预览。