TR7DN_维修调整 - 第40页
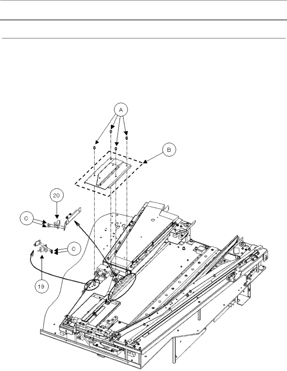
维修调整要领书 3-7 3- 6. Y 轴中央导轨监视传感器的更换 请拆下固定螺丝( A ),将 GUIDE_RAIL_C_B 组件( B )从 Y 装置卸下。 请拆下传感器固定螺丝( C ),更换传感器 ( ⑱ 、 ⑲ ) 。 ⑱ Y 轴中央导轨监视传感器 B (货号: 40119401 ) ⑲ Y 轴中央导轨监视传感器 A (货号: 40119400 )

维修调整要领书
3-6
3-5.
元件浮起传感器的更换及调整
请拆下固定螺丝(A),更换各传感器(⑭~⑰)。
不能正常动作时,请调整传感器板(C)及传感器托架(D)的安装位置,进行传感器的光轴调整。
⑭CMPNT CMPNT 10.5 RECEIVE SENS ASM ASM(货号:40117237)
⑮CMPNT CMPNT 23.5 RECEIVE SENS ASM(货号:40117239)
⑯CMPNT CMPNT 23.5 SENS ASM(货号:40117238)
⑰CMPNT CMPNT 10.5 SENS ASM(货号:40117240)
15
A
17
A
B
C
D
16
A
B
C
D
14

维修调整要领书
3-7
3-6.
Y 轴中央导轨监视传感器的更换
请拆下固定螺丝(A),将 GUIDE_RAIL_C_B 组件(B)从 Y 装置卸下。
请拆下传感器固定螺丝(C),更换传感器(⑱、⑲)。
⑱Y 轴中央导轨监视传感器 B(货号:40119401)
⑲Y 轴中央导轨监视传感器 A(货号:40119400)

维修调整要领书
3-8
3-7.
Z 装置传感器布置图
※L 侧也相同。
No.
货号
品名
备注
1 HD001710000 叠盘箱锁定传感器 (×2)
2 HD000900000 叠盘箱安装传感器 (×2)
3 HD00057000A 闸门打开传感器 (×2)
4 HD00057000A 闸门关闭传感器 (×2)
5 40045713 Z 负向极限传感器 (×2)
6 HD00057000A Z 原点传感器 (×2)
7 40045713 Z 正向极限传感器 (×2)
8 40117244 托盘误插入传感器(投光侧) L 侧为 40117245
9 40117184 托盘误插入传感器(受光侧) L 侧为 40117193