TR7DN_维修调整 - 第87页
维修调整要领书 8-3 8- 3. 气动系统配管图 ( 选配:低速 2 模式 ) 闸门部 Y 卡盘部

维修调整要领书
8-2
8-2.
气动系统配管图(标准)
【Y装置L侧】 【Y装置R侧】
【Z装置R侧】 【Z装置L侧】

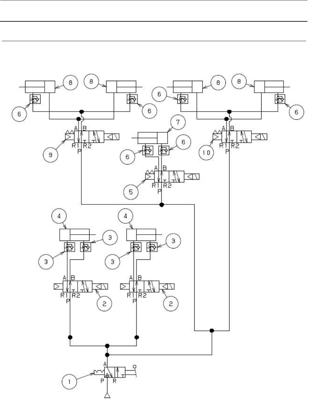
维修调整要领书
8-3
8-3.
气动系统配管图(选配:低速 2 模式)
闸门部
Y 卡盘部

维修调整要领书
9-1
9.
调试模式
为了在组装或更换零部件时单独用 TR7DN 检验动作,备有简单的自我诊断模式,可诊断托盘收进部的
动作、校验传感器等。
调试模式由下述菜单组成。当初始化未完成时,6 之后的菜单不会显示。
1. Initialize
2. Sensor Check
3. Z Jog Right
4. Z Jog Left
5. Shutter
6. Pull Out Tray
7. Y Holder
8. Z Unit
9. Y Unit Adjustment
10. Center Guide
9-1.
调试模式的启动和结束
按住 ONLINE 和 按钮并同时接通电源,即可启动调试模式。
调试模式一启动,LCD 上出现“■”后显示 ROM 修订版,再显示菜单选择。
<图 9-1-1 调试模式的初始显示>
<图 9-1-2 显示 ROM 修订版>
<图 9-1-3 调试模式菜单选择的初始显示>
调试模式的结束,是通过电源 OFF 来进行。
R01:修订版 V01:版本
L01:级别
STD:标准规格 10:表示TR7DN
ROM Revision
R20-V01-L01 STD 10
TEST MODE
1. Initialize