N7201A003C - 第180页
CM602-L 维修手册 1.6 560 小时检查一次 [ 每月一次 ] Page 1-120 1. 皮带的检查 1. 将伺服开关置于 OFF (O) 。 2. 打开安全盖。 3. 在各传送带的边缘,用手转动皮带的同时 目视检查。 4. 关闭安全盖。 5. 将伺服开关置于 ON ( I ) 。 4H4C-504P EJM8A-C-MMC01-A04-01

CM602-L
维修手册
1.6
560
小时检查一次
[
每月一次
]
Page 1-119
1.6.7
基板传送带的检查
使用工具
皮带张力计
需要时间
10
分钟
要求
该维护作业,应在电源开关处于
ON ( I )
的状态下进行。在吸头的动作范围内进行作
业时,请务必使伺服开关处于
OFF (O)
,并打开安全盖。
(
打开安全盖可以切断向
XY
电机的供电。
)
请按下述步骤,检查基板传送带上的基板传送皮带是否有异常。
∗ 在进行维护作业时有必要卸下供料器工作台盖和整体交换台车。
(
“1.2.2
整体交换台车的拆卸和安装,
1.2.4
供料器工作台盖的拆卸和安装
”)
作业工序
1.
皮带的检查
2.
皮带张力的检查
EJM8A-C-MMC01-A04-01

CM602-L
维修手册
1.6
560
小时检查一次
[
每月一次
]
Page 1-120
1.
皮带的检查
1.
将伺服开关置于
OFF (O)
。
2.
打开安全盖。
3.
在各传送带的边缘,用手转动皮带的同时
目视检查。
4.
关闭安全盖。
5.
将伺服开关置于
ON ( I )
。
4H4C-504P
EJM8A-C-MMC01-A04-01

CM602-L
维修手册
1.6
560
小时检查一次
[
每月一次
]
Page 1-121
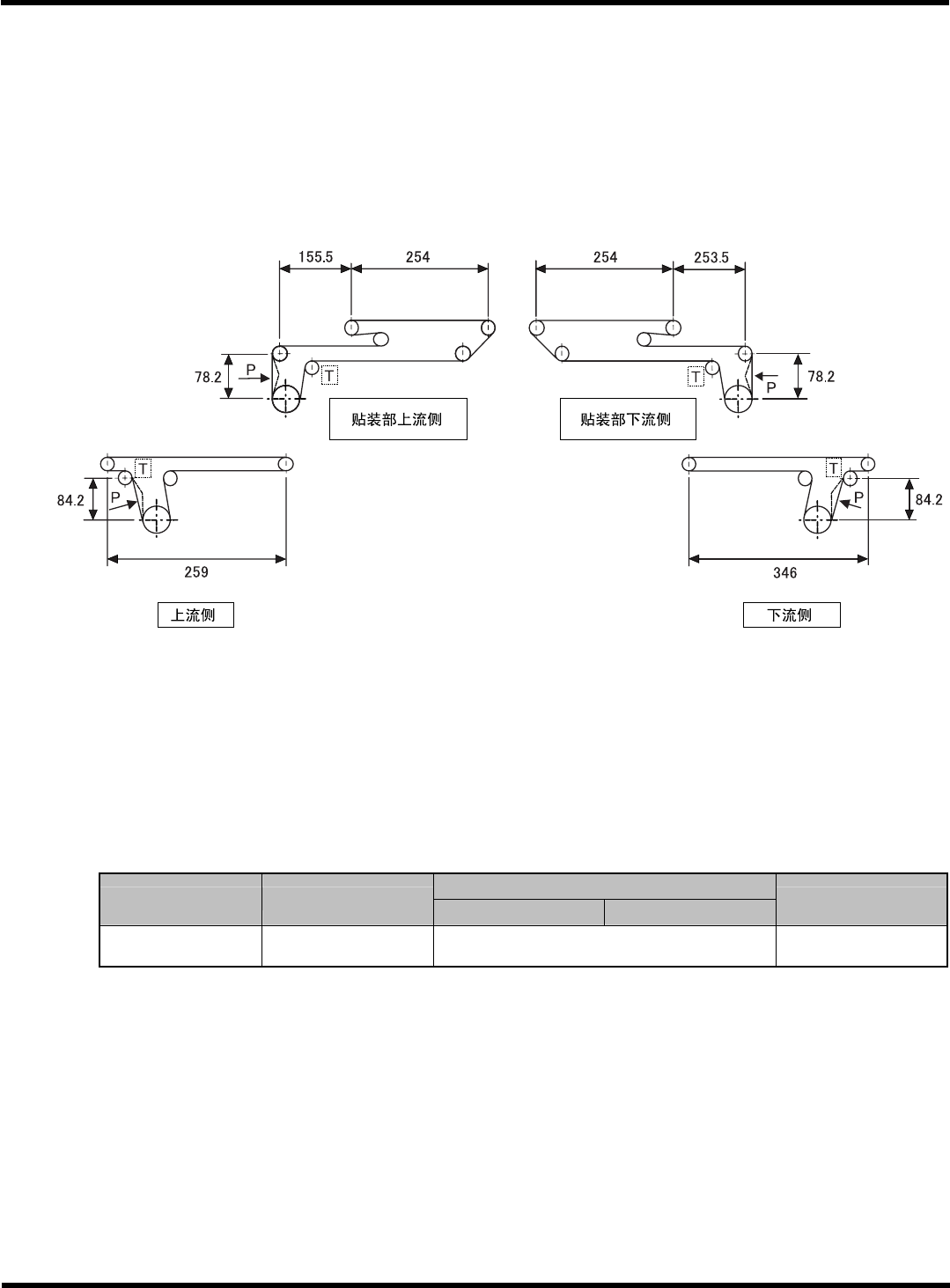
2.
皮带张力的检查
请用手指拉跨距的中间部位
(
下图
P
部
)
,并使用皮带张力器
(
频率测量器
)
确认固有振动数是否为
规格值。
请在频率测量器上输入下述参数。
皮带单位质量
:
0.07
g
/cm
2
皮带宽度
: 8.5 mm
跨距长度
:
参照下图
如果超过规格值的范围,请用张力皮带轮
(
下图
T)
进行调整。
(
单位
: mm)
上图为
1
个工作台。请在
A
、
B
各工作台上各自进行。
频率规格值
贴装部
机种
上流侧
上流侧
下流侧
下流侧
CM602-L
300 Hz
±
10 Hz 360 Hz
±
10 Hz 300 Hz
±
10 Hz
EJM8A-C-MMC01-A04-01
4X3C-410C