ETF8DR-Rev00.pdf - 第11页
- 8 - REF.NO NOTE PART NO D E S C R I P T I O N 品 名 Qty 1 401-43874 FRAME_ASSY フレーム組 1 2 401-43875 UPPER_COVER_ASSY アッパーカバー組 1 3 401-43876 UC_FRONT_R_ASSY アッパーカバーフロント R 組 (1) 4 WP-0320500-SE WASHER 3.2X0.5 平座金小形丸 M 3 (1)…

- 7 -
4. EF08HDR (4)
1
4
10
7
8
9
18
13
23
24
21
22
15
14
17
11
5
3
28
30
29
31
32
32
33
34
34
32
34
35
35
36
38
37
37
39
40
41
43
44
45
42
35
46
16
30
50
51
52
56
57
54
55
53
60
59
61
68
62
63
64
65
66
63
67
69
70
72
73
A
A
2
25
B
B
C
D
D
C
75
76
74
58
71
49
27
47
26
27
48
48
6
19
20
12

- 8 -
REF.NO NOTE PART NO D E S C R I P T I O N
品 名
Qty
1 401-43874 FRAME_ASSY
フレーム組
1
2 401-43875 UPPER_COVER_ASSY
アッパーカバー組
1
3 401-43876 UC_FRONT_R_ASSY
アッパーカバーフロント R 組
(1)
4 WP-0320500-SE WASHER 3.2X0.5
平座金小形丸 M 3
(1)
5 401-43877 UC_FRONT_A_R_ASSY_S
アッパーカバーフロント AR 組
(1)
6 PH-0200060-U0 PARALLEL PIN TYPE B 2X6
平行ピン φ2X6
(1)
7 401-03261 WILCO_F_1720N_01
ウィルコなべ小ねじ0番1種 F −1720 N _01
(2)
8 401-43560 UPPER_COVER_EF08HD
アッパーカバー_ EF 08 HD
(1)
9 401-03260 SPKT_BLADE
スプロケットブレード
(1)
10 SM-3030552-TN SCREW M3 L=5
丸ねじ M 3 L =5
(1)
11 401-43878 UC_FRONT_L_ASSY
アッパーカバーフロント L 組
(1)
12 PH-0200060-U0 PARALLEL PIN TYPE B 2X6
平行ピン φ2X6
(1)
13 401-03261 WILCO_F_1720N_01
ウィルコなべ小ねじ0番1種 F −1720 N _01
(2)
14 SM-3030552-TN SCREW M3 L=5
丸ねじ M 3 L =5
(1)
15 WP-0320500-SE WASHER 3.2X0.5
平座金小形丸 M 3
(1)
16 401-43560 UPPER_COVER_EF08HD
アッパーカバー_ EF 08 HD
(1)
17 401-43879 UC_FRONT_A_L_ASSY_S
アッパーカバーフロント AL 組
(1)
18 401-03260 SPKT_BLADE
スプロケットブレード
(1)
19 401-35699 UC_COLLAR_2
アッパーカバーカラー2
(1)
20 SM-8030302-TP SCREW M3X0.5 L=3
止めねじ M 3 X 0.5 L =3
(1)
21 SM-8020202-UZ SCREW M2 L=2
止めねじ M 2 L =2
(2)
22 401-03256 UC_SH
アッパーカバーシャフト
(2)
23 401-03258 UC_COIL_SP
アッパーカバースプリングシャフト
(2)
24 401-03257 UC_COLLAR
アッパーカバーカラー
(1)
25 401-43880 COVER_ASSY
カバー組
1
26 401-35738 FRONT_COVER_8D_L_A
フロントカバー_8D_L_A
(1)
27 401-03402 F_COVER_SH_8D
フロントカバー固定ねじ
(4)
28 SM-1020501-SC SCREW
皿ねじ M 2 L =5
(1)
29 401-43646 FRONT_COVER_8D_R
フロントカバー_8D_R
(1)
30 401-03402 F_COVER_SH_8D
フロントカバー固定ねじ
(6)
31 401-03374 SIDE_COVER_8D_A_L
サイドカバー_8D_A_L
(1)
32 SM-1850501-SC SCREW
皿ねじ M 2.5 L =5
(11)
33 401-03373 SIDE_COVER_8D_A_R
サイドカバー_8D_A_R
(1)
34 SM-1850501-SC SCREW
皿ねじ M 2.5 L =5
(11)
35 401-03375 SIDE_COVER_STUD
サイドカバースタッド
(3)
36 401-43648 SIDE_COVER_8D_B_L
サイドカバー_8D_B_L
(1)
37 SM-1850501-SC SCREW
皿ねじ M 2.5 L =5
(3)
38 SM-1040601-SC SCREW M4X0.7 L=6
皿小ねじ M 4 X 0.7 L =6
(1)
39 401-43647 SIDE_COVER_8D_B_R
サイドカバー_8D_B_R
(1)
40 SM-1850501-SC SCREW
皿ねじ M 2.5 L =5
(3)
41 SM-1040601-SC SCREW M4X0.7 L=6
皿小ねじ M 4 X 0.7 L =6
(1)
42 401-03378 COVER_NUT_M4
カバーナット_ M 4
(1)
43 401-03379 COVER_NUT_SS
カバーナット_ SS
(1)
44 401-43563 COVER_TAPE_U_GUIDE
カバーテープ U ガイド
(1)
45 401-03381 WILCO_FM_0306E
ローヘットスキュリュウM3X10
(1)
46 SL-4030691-SC SCREW M3 L=6
座金付きなべ小ねじ M 3 L =6
(1)
47 401-35739 FRONT_COVER_8D_L_B
フロントカバー_8D_L_B
(1)
48 401-35743 F_COVER_SH_8D_2
フロントカバー固定ねじ2
(2)
49 401-43881 CLAMP_ASSY_8D_P
クランプ組_8D_P
1
50 400-77499 ARM_LINK_GUIDE_SH
アームリンクガイドシャフト
(1)
51 400-68203 CLAMP_SH_F
クランプシャフト F
(1)
52 400-77496 ARM_LINK_PIVOT_SH_M
アームリンクピボットシャフト M
(1)
53 400-77492 CLAMP_SH_M
クランプシャフト M
(1)
54 SM-1040601-SC SCREW M4X0.7 L=6
皿小ねじ M 4 X 0.7 L =6
(1)
55 SM-4030501-SC SCREW M3X0.5 L=5
なべ小ねじ M 3 X 0.5 L =5
(1)
56 400-77497 ARM_LINK_PIVOT_SH_F
アームリンクピボットシャフト F
(1)
57 400-68667 LOCK_LEVER_FLANGE
ロックレバーフランジ
(1)
58 401-43882 CLAMP_LEVER_ASSY_8D_P
クランプレバー組_8D_P
(1)
59 SM-1030801-SC SCREW M3 L=8
皿小ねじ M 3 X 0.5 L =8
(1)
60 401-03279 LOCK_LEVER_SENS_DOG
ロックレバーセンサドグ
(1)
61 NM-6030002-SC NUT M3X0.5 TYPE2
六角ナット M 3 X 0.5 2種
(1)
62 400-69659 LOCK_SP_STOPPER
ロックスプリングストッパー
(1)
63 400-77500 LOCK_STOPPER_BOLT
ロックストッパーボルト
(3)
64 SM-1040601-SC SCREW M4X0.7 L=6
皿小ねじ M 4 X 0.7 L =6
(1)
65 401-25829 LOCK_BUSHING
ロックブッシング
(1)
66 401-25828 LOCK_SPRING_32
ロックスプリング_32
(1)
67 401-43883 LOCK_RELEASE_LEVER_ASSY_8D_P
ロックリリースレバー組_8D_P
(1)
68 401-43547 LEVER_CAP_BK
レバーキャップ_ BK
(1)
69 SL-4020591-SC SCREW M2X5
なべ小ねじセムス M 2 L =5
(1)
70 401-36032 LOCK_PLATE_R_ASSY_P
ロックプレート R 組_ P
(1)
71 401-03277 CLAMP_SENSOR_ASSY
クランプセンサ組
(1)
72 401-03283 LOCK_SENS_BKT
ロックセンサブラケット
(1)
73 401-02832 WILCO_F_0205N_D
ウィルコセットなべ小ねじ F −0205 N _ D
(1)
74 400-99236 LOCK SENS D PCB ASM
ロックセンサ D 基板組
(1)
75 401-03396 PCB_PROTECT_R
メイン基板プロテクト_ R
1
76 401-03395 PCB_PROTECT_L
メイン基板プロテクト_ L
1

- 9 -
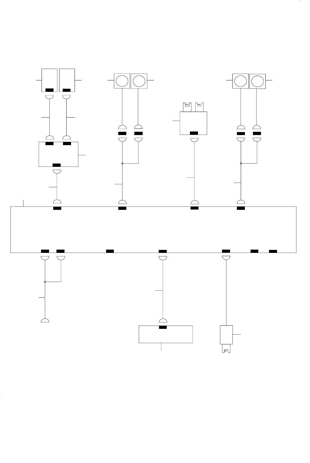
5. SYSTEM DIAGRAM
1
ENC INT PCB ASM
CN5
CN10
CN18
CN17
SW PANEL D
CN2
CN2
CN4
MOUNTER I/F
CN3
CN1
CN9
LOCK SENS D PCB ASM
FEED MOTOR D ASM
TS SENS D PCB ASM
PULL MOTOR D ASM
ENC HD
ENC HDCN15
CN7
8D_R MAIN PCB ASM
PULL MOTOR D ASM
FEED MOTOR D ASM
2
3
4
5
6
7
8
9
10
11 12
15
13 14 1613 14 16