FX-3R-Rev03 - 第166页
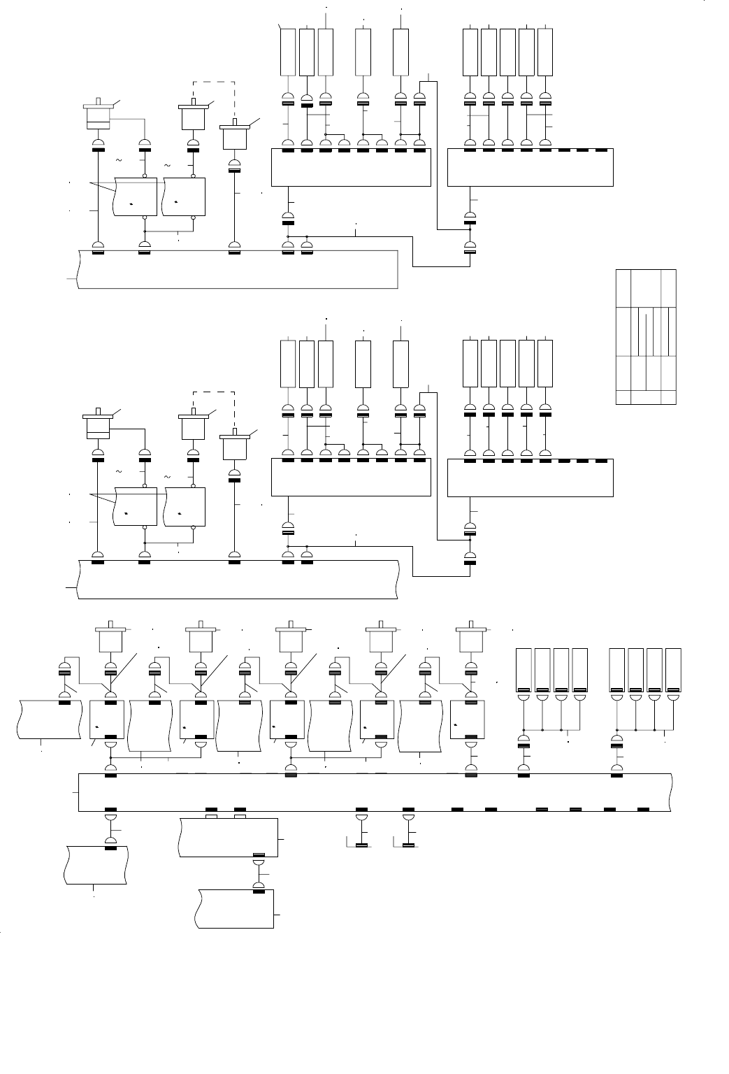
- 159 - 80. SYSTEM DIAGRAM (BASE-CARRY) SYSTEM DIAGRAM (BASE − CARRY) EN1 SBR 2 SBR1/2 7-3A POWER UNIT(R) CN027 8-2B PWRR027 BCPW R 7-1A ETHE R-MAIN PCB EN3 ES-BC CN1 SMEMA(L) SMEMA(R) SMEM A_U SMEM A_L COVER COVER OUT I…

- 158 -
NOTE( 注記 ) #01....TYPE XL XL 仕様
#02....FOR EN EN 用
REF.NO NOTE PART NO D E S C R I P T I O N
品 名
Qty
1 400-98950 POWER_SUPPLY_ASSY_R(ST)
電源供給組(右)ST
2
2
#02
400-93150 POWER SUPPLY ASSY R(EN)
電源供給組(右)EN
2
3
401-49647
ETHER MAIN BOARD
ETHER メイン基板
1
4 400-91532 HEAD MAIN PWR CABLE (RF) ASM
ヘッドメイン電源ケーブル(RF)組
1
5 400-47500 XY BEAR CABLES D ASM
XY ベアケーブル D 組
4
6
#01
400-89837 XY BEAR CABLES D ASM XL
XY ベアケーブル組 XL
4
7 400-47506 HEAD-MAIN PCB ASM
HEAD − MAIN 基板組
4
8 400-47865 OCC CAMERA CABLE ASM
OCC カメラケーブル組
2
9 400-48028 OCC CAMERA
OCC カメラ
2
10 400-47866 OCC C LIGHT CABLE ASM
OCC C ライトケーブル組
2
11 400-47511 OCC C LIGHT PCB
OCC C ライト基板
2
12 400-47867 OCC A1 LIGHT CABLE ASM
OCC A 1 ライトケーブル組
2
13 400-47868 OCC A2 LIGHT CABLE ASM
OCC A 2 ライトケーブル組
2
14 400-47507 OCC A LIGHT PCB
OCC A ライト基板
3
15 400-47948 ETHER HEAD RF CABLE ASM
イーサ ヘッド RF ケーブル組
1
16 400-47949 ETHER HEAD RR CABLE ASM
イーサ ヘッド RR ケーブル組
1
17 400-47811 Y BEAR B CABLES ASM
Y ベア B ケーブル組
2
18
#01
400-89839 Y BEAR B CABLES ASM XL
Y ベアケーブル B 組 XL
2
19 400-47810 Y BEAR A CABLES ASM
Y ベア A ケーブル組
1
20
#01
400-89838 Y BEAR A CABLES ASM XL
Y ベアケーブル A 組 XL
1
21 400-47528 IP-X5 PCB ASM
IP − X 5基板 組図
1
22 400-47944 OCC CABLE RF ASM
OCC ケーブル RF 組
1
23 400-47945 OCC CABLE RR ASM
OCC ケーブル RR 組
1
24 400-92835 NOZZLE DOWN SENSOR1 ASM
ノズル DOWN センサー1ケーブル組
2
25 400-92836 NOZZLE DOWN SENSOR2 ASM
ノズル DOWN センサー2ケーブル組
2
26 HD-0022500-00 SENSOR
センサ
2
27 400-47874 HIGHT SENSOR UNIT ASM
ハイトセンサユニット組
2
28 400-29824 TEMPERATURE SENSOR PCB ASM
温度センサ基板組
2
29 400-48272 BASE TEMP CABLE ASM
ベース温度ケーブル組
2
30 400-82666 HEAD FAN CABLE ASM
ヘッドファンケーブル組
2
31 400-47869 VAC CABLE ASM
VAC ケーブル組
2
32 400-47870 BLOW CABLE ASM
BLOW ケーブル組
2
33 400-47982 NOZZLE UP SV ASM
ノズル UP SV 組
2
34 HD-0013100-30 FIBER UNIT
ファイバユニット
1
35 E9638-729-000 FIBER LENS
ファイバレンズ
1
36 400-47981 BAD MARK FIBER AMP ASM
バッドマークファイバアンプ組
1
37 400-47877 Z PRESSURE RELAY CABLE ASM
Z PRESSURE 中継ケーブル組
2
38 400-48279 Z1 PRESSURE SENSOR ASM
Z 1 PRESSURE センサー組
2
39 400-48280 Z2 PRESSURE SENSOR ASM
Z 2 PRESSURE センサー組
2
40 400-48281 Z3 PRESSURE SENSOR ASM
Z 3 PRESSURE センサー組
2
41 400-48282 Z4 PRESSURE SENSOR ASM
Z 4 PRESSURE センサー組
1
42 400-48283 Z5 PRESSURE SENSOR ASM
Z 5 PRESSURE センサー組
2
43 400-48284 Z6 PRESSURE SENSOR ASM
Z 6 PRESSURE センサー組
2
44 400-47980 NOZZLE DOWN RELAY CABLE ASM
ノズル DOWN 中継ケーブル組
2
45 400-91542 HEAD MAIN PWR CABLE (RR) ASM
ヘッドメイン電源ケーブル(RR)組
1

- 159 -
80.SYSTEM DIAGRAM (BASE-CARRY)
SYSTEM DIAGRAM(BASE − CARRY)
EN1
SBR2SBR1/2
7-3A
POWER UNIT(R)
CN027
8-2B
PWRR027 BCPWR
7-1A
ETHER-MAIN
PCB
EN3
ES-BC CN1
SMEMA(L)
SMEMA(R)
SMEMA_U
SMEMA_L
COVER
COVER
OUT
IN
EN1
3-1B
ETHER-SLAVE
PCB(BC)
J1
J2
CN6
MTR1-2
PWR
CN17
BASE-CARRY
PCB
P1
P2
CN9
MTR3-5
CN31
SMEMA-L
CN30
SMEM A-U
CN13
AN1
CN14
AN2
CN20
SPO1
CN16
SPO2
CN24
CN10
MTR6-8
CN32
CN28
SPO1
CN29
SPO2
8-2A
BC-3 2
EV-R
EV
BC-24
EV-L EV
MT6-8 OTM- 1
MT3-5
JM-1
CML-1
MT1-2
INM-1
6-3A
POWER UNIT(L)
CN033
8-2A
PWRL033
5 DRIVER
CN2
CN1
(IN)
INM-2
8-2A
CN035
9-1A
POWER UNIT(L)
PWRL035
5DRIVER
CN2
CN1
(CENTER L)
CML-2
8-1A
POWER UNIT(R)
CN034
8-2B
PWRR034
JM-2
5DRIVER
CN1
CN2
(JOINT)
PWRR035
8-2B
POWER UNIT(R)
CN035
8-2C
CMR-1
5DRIVER
CN1
CN2
(CENTER R)
8-2B
POWER UNIT(R)
CN033
9-2A
CMR-2
PWRR033
5 DRIVER
CN1
CN2
(OUT)
OTM-2
STOP
SHAPE_X
SHAPE_Y
BU_L OCK
STOP
SHAPE_X
SHAPE_Y
BU_L OCK
BU(R) LOCK
SOLV.
SHAPE Y(R)
SOLV.
SHAPE X(R)
SOLV.
STOPPER(R)
SOLV.
STOPPER(L)
SOLV.
SHAPE X(L)
SOLV.
SHAPE Y(L)
SOLV.
BU(L) LOCK
SOLV.
OTM
CN665
CN656
OTM-P
CN665
CN656
CMR
OUT MOTOR
CENTER MOTOR(R)
CMR-P
JOINT MOTOR
CN665
CN65 6
JM
JM-P
CML CN 665
CN656
CENTER MOTOR(L)
CML-P
INM
CN665
CN656
IN MOTOR
INM-P
8-1D
CN23
ENC3
CN15
MTR9-10
BASE-CARRY
PCB
ENC3
MT9-1 0
ENC1
CN19
ENC1
SPWR- L
CN25
SPWR-L
CN27
SENS-L
SBL1
SENS-L
8-4A
SBL1 /2
SBL2
(EN ONLY)
(EN ONLY)
1-3B
5DRIVER
(AWC L)
1-3C
5 DRIVER
(BU L)
BULE
CN668
CN658
BULM
AWCLM
AWCLE CN659
CN660
AUTOW IDTH ADJUSTMEN T MOTOR(L)
BACK UP MOTOR(L)
CN657
CN667
BU UP ENCODER(L)
SBL1
S1
S2
S3
S4
S5
S6
S7
S8
SBL1-78
SBL1-56
SBL1-34
SBL1-2
SBL1-1
IN
BPIN
WAIT-L
STOP-L
COUT-L
PWR2
CSL-5
CSL-4
CSL-3
OUT-L
CN437
IN
SENSOR
SUPPORT PIN
EMITTER SENSOR
WAIT(L)
SENSOR
STOP(L)
SENSOR
COUT(L)
SENSOR
SBL2
S1
S2
S3
S4
S5
S6
S7
S8
SBL2-1
SBL2-2
SBL2-3
SBL2-4
SBL2-5
BU-L
BULK-L
TPIN-L
AWC-L
CN445
CN442
CN446
CN409L
BU(L) ORG
SENSOR
BU(L) LOCK
SENSOR
TPIN(L)
SENSOR
AWC(L) ORG
SENSOR
Note1
(EN ONLY)
(XL ONLY)
8-2C
CN22
ENC4
CN12
MTR11-12
BASE-CARRY
PCB
CN18
ENC2
CN21
SPWR-R
CN26
SENS-R
SPWR-R
SENS-R
SBR1
ENC2
MT11-12
ENC4
1-5B
1-5B
5 DRIVER
5DRIVER
(AWC R)
(BU R )
AUTOWIDTH ADJUSTMENT MOTOR(R)
CN659AWCRE
AWCRM
CN660
BACK UP MOTOR(R)
BURM
CN657
CN667
BURE CN668
CN658
BU UP ENCODER(R)
(XL ONLY)
OUT
SENSOR
SUPPORT PIN
EMITTER SENSOR
WAIT(R)
SENSOR
STOP(R)
SENSOR
COUT(R)
SENS OR
CN438
OUT-R
CSR-3
CSR-4
CSR-5
PWR2
OUT
BPIN
WAIT-R
STOP-R
COUT -R
SBR1-78
SBR1-56
SBR1-34
SBR1-2
SBR1- 1
SBR1
S1
S2
S3
S4
S5
S6
S7
S8
SBR2
S1
S2
S3
S4
S5
S6
S7
S8
SBR2-5
SBR2- 4
SBR2- 2
SBR2-1
BU(R) ORG
SENSOR
BU(R) LOCK
SENSOR
TPIN (R)
SENS OR
AWC( R) ORG
SENS OR
(EN ONLY)
Note1
CN445
CN446
CN409L
BU-R
BULK-R
TPIN-R
AWC-R
CN442
1
2
3
4
5
11 12
6
7
8
6
715
8
2
3
8
8
2
3
2
3
16
17 18
19
38
39
38
39
36
37
21
22
35
33
34
21
22
32
30
31
23
21
22
21
22
29
27
28
26
24
25
20
1
40
41
9
10
45
46
42
43
44
47
48
88
50
53
54
57
49
58
59
74
75
76
77
78
90
89
91
92
96959493
85
86
83
84
81
82
8079
87
100
101
102
103
104
106
96959493
115
116
113
114
111
112
80
110
117
59
70
73
97
60
61
98
99
64
65
9
10
66
69
62
63
58
49
105
108
109
107
1
14
13
SPEC
CARRY
DIREC TION
RELAY CABLE SENSOR
L
XL
LR
RL
Don't Care
SBL2-3:4006 5185
SBR2-3:4006 5185
SEL2-3:4006 5186
SER2-3:4006 5186
SBL2-3:4008 9930
SBR2-3:4008 9932
40065184
L829E5210A0
Note1

- 160 -
NOTE( 注記 ) #01....TYPE XL XL 仕様
#02....FOR EN EN 用
#03....TYPE XL(EN) XL 仕様(EN)
REF.NO NOTE PART NO D E S C R I P T I O N
品 名
Qty
1 400-47559 BASE-CARRY PCB ASM
BASE − CARRY 基板組
3
2 400-98950 POWER_SUPPLY_ASSY_R(ST)
電源供給組(右)ST
4
3
#02
400-93150 POWER SUPPLY ASSY R(EN)
電源供給組(右)EN
4
4
401-49647
ETHER MAIN BOARD
ETHER メイン基板
1
5 400-47557 ETHER-SLAVE PCB ASM
ETHER − SLAVE 基板組
1
6 400-98974 POWER_SUPPLY_ASSY_L(ST)
電源供給組(左)ST
2
7
#02
400-93149 POWER SUPPLY ASSY L(EN)
電源供給組(左)EN
2
8 HM-0013200-00 MOTOR DRIVER
モータドライバ
5
9 HX-0042000-00 5 PHASE STEP DRIVER
5相ステッピングモータドライバ
4
10
#02
HX-0068900-00 5 PHASE STEP DRIVER
5相ステッピングモータドライバ
4
11 400-47845 SMEMA IN CABLE ASM
スメマ IN ケーブル組
1
12 400-47846 SMEMA OUT CABLE ASM
スメマ OUT ケーブル組
1
13 400-91463 ETHER CABLE MAIN-BC ASM
イーサケーブル MAIN − BASECARRY 組
1
14 400-89924 BASE-CARRY PWR CABLE ASM
BASE − CARRY 電源ケーブル組
1
15 400-89944 MT1-2 PULSE CABLE ASM
モータ1−2パルスケーブル組
1
16 400-47825 MT3-5 PULSE CABLE ASM
モータ3−5パルスケーブル組
1
17 400-47826 MT6-8 PULSE CABLE ASM
モータ6−8パルスケーブル組
1
18 400-47847 SV-L CABLE ASM
ソレノイドバルブ L ケーブル組
1
19 400-47848 SV-R CABLE ASM
ソレノイドバルブ R ケーブル組
1
20 400-89902 IN/OUT MOTOR PWR CABLE (L) ASM
IN / OUT モータ電源ケーブル(L)組
1
21 400-48074 CENTER MOTOR ASM
センタモータ組
4
22
#01
400-48075 JOINT MOTOR ASM
ジョイントモータ組
4
23 400-48075 JOINT MOTOR ASM
ジョイントモータ組
1
24 400-47807 IN-MOTOR CABLE ASM
IN モータリレーケーブル組
1
25
#01
400-89913 IN-MOTOR CABLE ASM
IN モータリレーケーブル組
1
26 400-89905 CENTER MOTOR PWR CABLE (L) ASM
CENTER モータ電源ケーブル(L)組
1
27 400-47805 CENT-MOTOR(L) CABLE ASM
CENT モータ(L)リレーケーブル組
1
28
#01
400-89911 CENT-MOTOR(L) CABLE ASM
CENT モータ(L)リレーケーブル組
1
29 400-89904 JOINT MOTOR PWR CABLE ASM
JOINT モータ電源ケーブル組
1
30 400-47808 JOINT-MOTOR CABLE ASM
JOINT モータリレーケーブル組
1
31
#01
400-89914 JOINT-MOTOR CABLE ASM
JOINT モータリレーケーブル組
1
32 400-89906 CENTER MOTOR PWR CABLE (R) ASM
CENTER モータ電源ケーブル(R)組
1
33 400-47806 CENT-MOTOR(R) CABLE ASM
CENT モータ(R)リレーケーブル組
1
34
#01
400-89912 CENT-MOTOR(R) CABLE ASM
CENT モータ(R)リレーケーブル組
1
35 400-89903 IN/OUT MOTOR PWR CABLE (R) ASM
IN / OUT モータ電源ケーブル(R)組
1
36 400-47809 OUT-MOTOR CABLE ASM
OUT モータリレーケーブル組
1
37
#01
400-89915 OUT-MOTOR CABLE ASM
OUT モータリレーケーブル組
1
38 400-47849 SV WIRE ASM
ソレノイドバルブワイヤー組
2
39
#02
400-48260 SV WIRE ASM(EN)
SV ワイヤー組 (EN)
2
40 400-47843 AWC-L ENC CABLE ASM
AWC − L エンコーダケーブル組
1
41
#01
400-89844 AWC-L ENC CABLE ASM XL
AWC − L エンコーダケーブル組 XL
1
42 400-47841 BU-L ENC CABLE ASM
BU−Lエンコーダケーブル組
1
43
#01
400-89920 BU-L ENC CABLE ASM
BU−Lエンコーダケーブル組
1
44 400-47904 SBL1 CABLE ASM
センサブロック L 1束線組
1
45 400-89945 MT9-10 PULSE CABLE ASM
モータ9−10パルスケーブル組
1
46
#02
400-89950 MT9-10 PULSE CABLE ASM(EN)
モータ9−10パルスケーブル組(EN)
1
47 400-47902 SBL CABLE ASM
センサブロック L 束線組
1
48
#01
400-89925 SBL CABLE ASM
センサブロック L 束線組
1
49 400-48077 AWC MOTOR ASM
幅調モータ組
2
50 400-47833 AWC-L MOTOR CABLE ASM
幅調モータ L 中継ケーブル組
1
51
#02
400-47837 AWC-L MOTOR CABLE ASM(EN)
AWC モータ L 中継ケーブル組(EN)
1
52
#01
400-89842 AWC-L MOTOR CABLE ASM XL
AWC − L モータケーブル組 XL
1
53
#03
400-89953 AWC-L MOTOR CABLE ASM(EN) XL
AWC モータ L 中継ケーブル組(EN)XL
1
54 400-47831 BU-L MOTOR CABLE ASM
バックアップモータ L 中継ケーブル組
1
55
#02
400-47835 BU-L MOTOR CABLE ASM(EN)
BU モータ L 中継ケーブル組(EN)
1
56
#01
400-89916 BU-L MOTOR CABLE ASM
バックアップモータ L 中継ケーブル組
1
57
#03
400-89951 BU-L MOTOR CABLE ASM(EN)
BU モータ L 中継ケーブル組(EN)
1
58 E9432-729-0A0 BU MOTOR ASM.
BU モータ組
2
59 E9433-729-0A0 BU ENC ASM.
BU ENC 組
2
60 400-47844 AWC-R ENC CABLE ASM
AWC − R エンコーダケーブル組
1
61
#01
400-89845 AWC-R ENC CABLE ASM XL
AWC − R エンコーダケーブル組 XL
1
62 400-91848 MT11-12 PULSE CABLE ASM
モータ11−12パルスケーブル組
1
63
#02
400-93167 MT11-12 PULSE CABLE ASM(EN)
モータ11−12パルスケーブル組(EN)
1
64 400-47842 BU-R ENC CABLE ASM
BU−Rエンコーダケーブル組
1
65
#01
400-89921 BU-R ENC CABLE ASM
BU−Rエンコーダケーブル組
1
66 400-47834 AWC-R MOTOR CABLE ASM
幅調モータ R 中継ケーブル組
1
67
#02
400-47838 AWC-R MOTOR CABLE ASM(EN)
AWC モータ R 中継ケーブル組(EN)
1
68
#01
400-89843 AWC-R MOTOR CABLE ASM XL
AWC − R モータケーブル組 XL
1
69
#03
400-89954 AWC-R MOTOR CABLE ASM(EN) XL
AWC モータ R 中継ケーブル組(EN)XL
1
70 400-47832 BU-R MOTOR CABLE ASM
バックアップモータ R 中継ケーブル組
1
71
#02
400-47836 BU-R MOTOR CABLE ASM(EN)
BU モータ R 中継ケーブル組(EN)
1
72
#01
400-89917 BU-R MOTOR CABLE ASM
バックアップモータ R 中継ケーブル組
1
73
#03
400-89952 BU-R MOTOR CABLE ASM(EN)
BU モータ R 中継ケーブル組(EN)
1
74 400-47910 IN SENS CABLE ASM
インセンサ束線組
1
75 400-89929 BU PIN-L SENSOR CABLE ASM XL
BU PIN − L センサ投光束線組 XL
1
76 400-47912 WAIT-L SENSOR CABLE ASM
WAIT − L センサ束線組
1
77 400-47913 STOP-L SENSOR CABLE ASM
STOP − L センサ束線組
1
78 400-47914 COUT-L SENSOR CABLE ASM
COUT − L センサ束線組
1
79 400-02208 IN_SENSOR_ASM
インセンサ組
1
80
#01
L829E-121-0A0 SUPPORT PIN EMITTER SENSOR ASM
サポートピン投光センサ組
2
81 400-47772 WAIT-L SENSOR ASM
ウェイト L センサ組
1
82
#01
400-90061 WAIT-L SENSOR ASM
WAIT − L センサ組
1
83 400-47774 STOP-L SENSOR ASM
STOP − L センサ組
1
84
#01
400-90063 STOP-L SENSOR ASM
STOP − L センサ組
1
85 400-47773 COUT-L SENSOR ASM
COUT − L センサ組
1
86 400-90062 COUT-L SENSOR ASM
COUT − L センサ組
1
87 400-47906 SBL2 RELAY CABLE ASM
センサブロック L 2中継束線組
1
88 400-47908 SBL2 CABLE ASM
センサブロック L 2束線組
1
89 400-47915 BU ORG-L SENSOR CABLE ASM
BU ORG − L センサ束線組
1
90 400-47916 BU LK-L SENSOR CABLE ASM
BU LK−Lセンサ束線組
1
91 400-47917 TPN-L SENSOR CABLE ASM
TPIN − L センサ束線組
1
92 400-47918 AWC-L SENSOR CABLE ASM
AWC ORG − L センサ束線組
1
93 400-02124 BU ORG SENSOR ASM
バックアップテーブル原点センサ組
2
94
#02
400-02241 BU LOCK SENSOR ASM
BU ロックセンサ組
2
95 400-02122 T.PIN SENSOR ASM
ティーピンセンサ組
2
96 400-02120 AWC ORG SENSOR ASM
自動幅調原点センサ組
2
97 400-47905 SBR1 CABLE ASM
センサブロック R 1束線組
1
98 400-47903 SBR CABLE ASM
センサブロック R 束線組
1
99
#01
400-89926 SBR CABLE ASM
センサブロック R 束線組
1
100 400-47920 OUT SENSOR CABLE ASM
OUT センサ束線組
1
101 400-89931 BU PIN-R SENSOR CABLE ASM XL
BU PIN − R センサ投光束線組 XL
1
102 400-47922 WAIT-R SENSOR CABLE ASM
WAIT − R センサ束線組
1
103 400-47923 STOP-R SENSOR CABLE ASM
STOP − R センサ束線組
1
104 400-47924 COUT-R SENSOR CABLE ASM
COUT − R センサ束線組
1
105 400-47909 SBR2 CABLE ASM
センサブロック R 2束線組
1
106 400-47925 BU ORG-R SENSOR CABLE ASM
BU ORG − R センサ束線組
1
107 400-47926 BU LK-R SENSOR CABLE ASM
BU LK−Rセンサ束線組
1
108 400-47927 TPN-R SENSOR CABLE ASM
TPIN − R センサ束線組
1
109 400-47928 AWC-R SENSOR CABLE ASM
AWC ORG − R センサ束線組
1
110 400-02210 OUT SENSOR ASM
アウトセンサ組
1
111 400-47775 WAIT-R SENSOR ASM
ウェイト R センサ組
1
112
#01
400-90064 WAIT-R SENSOR ASM
WAIT − R センサ組
1
113 400-47777 STOP-R SENSOR ASM
STOP − R センサ組
1
114
#01
400-90066 STOP-R SENSOR ASM
STOP − R センサ組
1
115 400-47776 COUT-R SENSOR ASM
COUT − R センサ組
1
116
#01
400-90065 COUT-R SENSOR ASM
COUT − R センサ組
1
117 400-47907 SBR2 RELAY CABLE ASM
センサブロック R 2中継束線組
1