FX-3R-Rev03 - 第170页
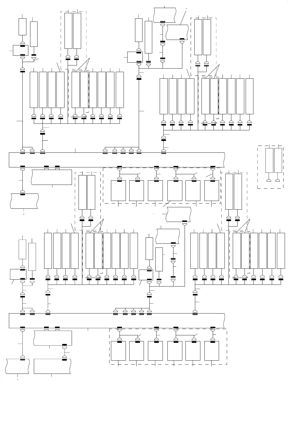
- 163 - 82. SYSTEM DIAGRAM (FEEDER STATION) SYSTEM DIAGRAM (FEEDER STATION ) PW R L 6 7 9- 1 A POW ER UNI T ( L ) CN0 23 10- 3 C P W R L023 ETHER- SL AVE PCB( FEEDER_ R) CN1 10- 3 A CN1 CN2 CN2 J2 J1 8- 1B ET HER- SL AVE…

- 162 -
NOTE( 注記 ) #01....TYPE XL XL 仕様
#02....FOR EN EN 用
REF.NO NOTE PART NO D E S C R I P T I O N
品 名
Qty
1 400-98974 POWER_SUPPLY_ASSY_L(ST)
電源供給組(左)ST
1
2
#02
400-93149 POWER SUPPLY ASSY L(EN)
電源供給組(左)EN
1
3 400-03281 MOUSE/KEYBOARD SELECTOR
マウス/キーボード切換器
3
4 400-47520 OPERATION PCB FRONT ASM
オペレーション基板前面組
1
5
#02
400-47543 OPERATION PCB FRONT ASM (EN)
オペレーション基板前面組(EN)
1
6 400-93148 POWER_SUPPLY_ASSY
電源供給組
1
7
#02
400-93150 POWER SUPPLY ASSY R(EN)
電源供給組(右)EN
1
8 401-19361 XY-RELAY PCB ASM
XY − RELAY 基板組
1
9 400-48060 HOD ASM
HOD 組
2
10
#02
400-48061 HOD ASM(EN)
HOD 組(EN)
2
11 400-47542 OPERATION PCB REAR ASM
オペレーション基板背面組
1
12
#02
400-47544 OPERATION PCB REAR ASM (EN)
オペレーション基板背面組(EN)
1
13 400-48006 ATX PSU
ATX 電源
2
14 400-48007 BATTERY UNIT
バッテリユニット
1
15 401-07372 CPU BOARD
CPU ボード
1
16 400-48082 SUPER INPAUSE BOARD
スーパーインポーズボード
1
17 400-48083 15INCH LCD MODULE
15インチ LCD モジュール
2
18 400-89883 OPERATION PWR CABLE (F) ASM XL
オペレーション電源ケーブル組(F)XL
1
19 400-47823 CONSOLE SELECT CABLE ASM
コンソール切換ケーブル組
1
20 400-47839 MINIPAT RLY CABLE (FL) ASM
ミニパトリレーケーブル(FL)組
1
21 400-47840 MINIPAT RLY CABLE (FR) ASM
ミニパトリレーケーブル(FR)組
1
22 400-48055 MINI PATLITE ASM
ミニパトライト組
4
23 400-92833 EMG SW(F) ASM
非常停止スイッチ(F)組
1
24
#01
400-92905 EM SW F CABLE ASM(EN)
EM SW F ケーブル組(EN)
1
25 400-89884 OPERATION PWR CABLE (R) ASM XL
オペレーション電源ケーブル組(R) XL
1
26 400-48246 COVER OPEN SW L RELAY CABLE ASM
カバーオープン SW L 中継ケーブル組
2
27 400-48247 COVER OPEN SW R RELAY CABLE ASM
カバーオープン SW R 中継ケーブル組
2
28 400-02254 COVER OPEN SW CABLE ASM
カバーオープン SW ケーブル組
4
29 400-02251 OPERATION ON SW CABLE ASM
オペレーションオン SW ケーブル組
1
30 400-89885 OPERATION RLY CABLE (F) ASM XL
オペレーションリレーケーブル組(F)XL
1
31 400-89886 OPERATION RLY CABLE (R) ASM XL
オペレーションリレーケーブル組(R)XL
1
32 400-79872 HOD CABLE ASM
HOD 束線組
2
33
#02
400-79873 HOD CABLE1 ASM
HOD 束線組_1(EN)
2
34 400-47861 MINIPAT RLY CABLE (RL) ASM
ミニパトリレーケーブル(RL)組
1
35 400-47862 MINIPAT RLY CABLE (RR) ASM
ミニパトリレーケーブル(RR)組
1
36 400-92860 EMG SW(R) ASM
非常停止スイッチ(R)組
1
37
#01
400-89956 EM SW R CABLE ASM(EN) XL
EM SW R ケーブル組(EN)XL
1
38 400-48045 SIGNAL TOWER LIGHT ASM
シグナルタワーライト組
1
39 400-47855 BU DRV FG CABLE (L) ASM
BU ドライバ FG ケーブル(L)組
1
40 400-48030 UPS 232C CABLE ASM
UPS 通信ケーブル組
1
41 401-19514 HLC LAN CABLE ASM
HLC LAN ケーブル組
1
42 401-09193 ENVIRONMENT SYSTEM 132 ASM
環境ディスク組132(システム&データ)
1
43 400-98974 POWER_SUPPLY_ASSY_L(ST)
電源供給組(左)ST
1
44 400-47492 HDD I/F CABLE ASM
HDD インターフェイスケーブル組
1
45 400-44522 USB RELAY CABLE
USB 延長ケーブル
2
46 400-47494 F-KEYBOARD CABLE ASM
F キーボードケーブル組
2
47 400-47493 F-MOUSE CABLE ASM
F マウスケーブル組
2
48 400-03284 KEY BOARD
キーボード
3
49 400-44521 PS/2 OPTICAL MOUSE
PS /2接続オプティカルマウス
3
50 400-89899 R-KEY BOARD CABLE ASM XL
R −キーボードケーブル組 XL
1
51 400-89898 R-MOUSE CABLE ASM XL
R −マウスケーブル組 XL
1
52 400-03282 MOUSE/KEYBOARD SELECTOR CABLE ASM
マウス/キーボード切換器ケーブル組
1
53 400-48031 PANEL LINK CABLE 1M
パネルリンクケーブル 1 M
1
54 400-02264 OP-232C CABLE ASM
オプション232 C ケーブル組
2
55 400-98948 MONITOR 232C RLY CABLE ASM
モニタ通信中継ケーブル組
1
56 400-27815 F-232C CABLE ASM
F −232 C ケーブル組
1
57 400-03312 PANEL LINK CABLE
パネルリンクケーブル
1
58 400-47852 INPAUSE BOARD PWR CABLE ASM
インポーズ基板電源ケーブル組
1
59 400-48081 PANEL LINK CABLE 5.0M
パネルリンクケーブル 5.0 M
1
60 400-48042 VIDEO CABLE
ビデオケーブル
2
61 400-47528 IP-X5 PCB ASM
IP−X5基板 組図
1
62 400-27815 F-232C CABLE ASM
F −232 C ケーブル組
1
6
3 400-89887 F LCD POWER CABLE ASM XL
フロント LCD 電源ケーブル組 XL
1
64 400-89888 R LCD POWER CABLE ASM XL
リア LCD 電源ケーブル組 XL
1
65 400-89889 OP-232C CABLE (R) ASM XL
232 C ケーブル(R)組 XL
1

- 163 -
82.SYSTEM DIAGRAM (FEEDER STATION)
SYSTEM DIAGRAM(FEEDER STATION)
PWRL 6 7
9- 1 A
POWER UNI T ( L )
CN0 23
10- 3 C
PWRL023
ETHER- SL AVE
PCB( FEEDER_ R)
CN1
10- 3 A
CN1
CN2
CN2
J2
J1
8- 1B
ETHER- SL AVE
PCB( F EEDER_L )
LED PCB LF 1
CN1
LED PCB LF 2
CN1
LED PCB LF 3
CN1
LED PCB LR 1
CN1
CN541
FDL15
CN5 51
CN561
CN5 41
CN5 5 1
FDL 17
FDL16
LED PCB LR 2
LED PCB LR 3
CN1
CN1
FPI OPTI ON
CN561 FLD18
CN1 8
11- 1A
CN2 1
CN1 7
CN1 6
CN21
CN1 5
CN3 0
CN2 7
CN2 8
CN5
CN2 0
CN3 0
CN2 7
CN28
CN5
CN2 0
P2
P1
CN1 9
CN1 9
CN5
CN20
CN2 0
CN5
CN1
FE EDER P CB ( L)
FDL- 1
FDRL1 9
FDRL19
CAL F
CAL F ( L )
CN4 9 1
CN669
CA L P CB
CN1 CN2
ATC- OP
ATC- CL
FROAT- F( RCV)
FROAT- R( RCV)
BANK- UPL
BANK- UPR
ATC S. V
FROAT- F( E)
FROAT- R( E)
SOT- CHK
CAL R
CAL R( L )
CN4 9 1
CN669
XYEMGL
CAL PCB
CN1
CN2
CN4 9 2
FDRL 21
FDRL21
ATC- OP
AT C- CL
FROAT- F( RCV)
FROAT - R( RCV)
BANK- UPL
BANK- UPR
ATC S. V
FROAT- F( E)
FROAT- R( E)
SOT- CHK
SOT CHECK S. V.
FEEDER F L OAT SENSOR( L R- R)
FEEDER FL OAT SENSOR( LR- F)
ATC S. V ( L R)
BANK UP SE NSOR ( L R- R)
BANK UP SENSOR ( L R- L )
in the case of "FIXEDELECBANK",
r ef er t o 10- 3D
(EMI SSI ON)
(EMISSION)
FEE DER F L OAT SENSOR( L R- R)
FEE DER F L OAT SENSOR( L R- F)
ATC CLOSE SENSOR( L R)
ATC OPEN SENSOR( LR)
( RECEI VI NG)
( RECEI VI NG)
CAL S. V. ( L R)
CAL V ACUUM S ENS OR ( L R)
XYEMGL
XY7
10- 5C
CN7
XY REL AY PCB
9- 2C
SOT C HECK S. V.
FEEDER FL OAT SENSOR( LF- R)
FEEDER FL OAT SENSOR( LF- F)
ATC S. V ( LF )
BA NK UP S ENS OR ( L F- R)
BANK UP S ENSOR ( L F - L )
( EMI SSI ON)
(EMISSION)
in the case of "FIXEDELECBANK",
refer to 10-3D
FEEDER FL OAT SENSOR( LF - R)
( RECEI VI NG)
( RECEI VI NG)
FEEDER FL OAT SENSOR( LF- F)
ATC CLOSE SENSOR( L F)
ATC OPEN SENSOR( LF)
CAL VACU UM S ENS OR ( L F)
CAL S. V. ( L F)
MECH/ E LEC T ROLY OPTI ON
ETF FORA SENSOR( LR) ( EMI SSI ON)
ETF FOAT SENSOR( LR) ( RECEI VI NG)
E- FROAT( E)
E- FROAT( RCV)
LED PCB RR 3
LED PCB RR 2
L ED PCB RR 1
LED PCB RF 3
LED PCB RF 2
L ED PCB RF 1
FPI OPTI ON
CN1
CN1
CN1
CN1
CN1
CN1
10- 1 A
POWER UNI T( L )
CN067
11- 1A
MECH/ EL EC T ROL Y OPTI ON
ETF FORA SENSOR( L F) ( EMI SSI ON)
ETFFOATSENSOR(LF)(RECEIVING)
E- FROAT( E)
E- FROAT( RCV)
9- 2B
POWER UNI T( R)
CN023
10- 5C
PWRR023
10- 1A
ETHER- SL AVE
PCB( FEEDER_ R)
J1
J2
FDR- 1
FEEDER PCB ( R)
CN1
P1
P2
CN1 9
CN5
CN2 0
CN2 0
CN5
CN19
FDR1 5
CN541
CN551
CN1 5
CN1 6
FDR1 6
CN5 6 1
CN5 4 1
FDR17
CN5 5 1
CN1 7
CN561
FLR18
CN1 8
11- 1C
CN2 1
CN2 1
F DRL 2 1 FDR L 2 1
CN3 0
CN2 7
CN2 8
CN5
CN2 0
CN2 0
CN5
CN2 8
CN2 7
CN3 0
F DRL 1 9 F DRL 19
ATC- OP
ATC- CL
FROAT- F( RCV)
FROAT- R( RCV)
BANK- UPL
BANK- UPR
ATC S. V
FROAT- F( E)
FROAT- R( E)
SOT- CHK
ATC- OP
AT C- CL
FROAT- F( RCV)
FROAT- R( RCV)
BANK- UPL
BANK- UPR
ATC S. V
FROAT- F( E)
FROAT- R( E)
SOT- CHK
SOT CHECK S. V.
FEEDER FLOAT SENSOR( RR- R)
FEEDER FL OAT SENSOR( RR- F)
ATC S. V ( RF)
BA NK UP S ENSOR ( RR - R)
BANK UP SE NSOR ( RR- L )
(EMISSION)
(EMISSION)
in the case of "FIXED ELEC BANK",
refer to 10-3D
FEEDER F LOAT SE NSOR( RR- R)
FEEDER F LOAT SE NSOR( RR- F)
ATC CL OSE SENSOR( RR)
ATC OPEN SENSOR( RR)
( RECEI VI NG)
( RECEI VI NG)
CAL R
CAL R( R)
SOT CHECK S. V.
FEEDER FLOAT SENSOR( RF- R)
FEEDER FLOAT SENSOR( RF- F)
ATC S. V ( RF)
BA NK UP S ENS OR ( R F- R)
BANK UP SENSOR ( RF- L)
(EMISSION)
(EMISSION)
in thecase of "FIXEDELECBANK",
r ef er t o 10- 3D
FEEDER FLOAT SENSOR( RF- R)
FEEDER FLOAT SENSOR( RF- F)
ATC CL OSE SENSOR( RF)
ATC OPEN SENSOR( RF)
( RECEI VI NG)
( RECEI VI NG)
CAL F
CAL F ( R)
CN4 9 1
CN6 6 9
CAL VACUUM SENSOR ( RF)
CAL PCB
CN1
CN2
CA L S . V . ( RF )
ETFFOATSENSOR(RF)(RECEIVING)
ETF F ORA S ENSOR( RF) ( EMI SSI ON)
E- FROAT( RCV)
E- FROAT( E)
MECH/ E L EC TROL Y OP TI ON
CAL S. V. ( L R)
CAL VA CUUM SENSOR ( LR)
CA L P CB
CN1 CN2
CN66 9
CN4 91
XYEMGR XYEMGR
PWRL6 7
10- 3A
POWER UNI T( R)
CN067
11- 1C
XY7
10- 3C
XY REL AY PCB
CN7
12- 1B
ET F F OAT SENSOR( RR) ( RECEI VI NG)
ETF F ORA SENSOR( RR) ( E MI SSI ON)
MECH / E L EC T ROL Y OPT I ON
E- FROAT( E)
E- FROAT( RCV)
1 2
4
30 30 30 30 30 30
26
27
28
29
4
6
13
8
14
31
9
10
11
12
15 16 17
18
22 23 24 25
11
21
32
33
34
10
12
35
36
37
2019
42
43
22 44 45 25
21
BUPSENSSHORTASM
BUP S ENS S HORT A SM
FI XED EL EC BANK
BANK- UPL
BANK- UPR
4646
38
39
2019
30 30 3030 3030
40
41
4
7
6
1615
11
33
48
20
15
19
42
43
16 22 44 45 25
21
12
26
28
27
29
31
47
13
12
11
49
8
2019
10
21
2524232216
18
1715
50
10
35
36
40
41
37
5
3
CN4 92

- 164 -
NOTE( 注記 ) #01....FOR EN EN 用
REF.NO NOTE PART NO D E S C R I P T I O N
品 名
Qty
1 400-98974 POWER_SUPPLY_ASSY_L(ST)
電源供給組(左)ST
1
2
#01
400-93149 POWER SUPPLY ASSY L(EN)
電源供給組(左)EN
1
3 400-91470 FEEDER PWR CABLE (LR) ASM
フィーダ電源ケーブル(LR)組
1
4 400-47557 ETHER-SLAVE PCB ASM
ETHER − SLAVE 基板組
3
5 400-91922 ETHER CABLE FEEDER LF-LR ASM
イーサケーブルフィーダ LF − LR 組
1
6 400-47560 FEEDER PCB ASM
フィーダ基板組
2
7 400-91471 FEEDER PWR CABLE (RR) ASM
フィーダ電源ケーブル(RR)組
1
8 400-47483 FEEDER CAL(F) CABLE ASM
CAL(F)ケーブル組
2
9 400-89890 CAL BLOCK CABLE(LF) ASM
CAL ブロックケーブル(LF)組
1
10 400-07376 CALBLOCK PCB ASM
CAL ブロック基板組
4
11 400-47986 CAL VACUUM SV ASM
CAL バキューム SV 組
4
12 400-02126 CAL VACUUM SENSOR ASSY
CAL バキュームセンサ組
4
13 400-48176 FEEDER SENSOR RELAY(F) CABLE ASM
フィーダセンサ中継ケーブル(F)組
2
14 400-89891 FEEDER SENSOR CABLE (LF) ASM
フィーダセンスケーブル(LF)組
1
15 400-02128 ATC OPEN SENSOR ASM
ATC オープンセンサ組
4
16 400-02127 ATC CLOSE SENSOR ASM
ATC クローズセンサ組
4
17 400-47496 FD-FLOAT(FF)RECEIVE SENSOR ASM
フィーダ浮きセンサ(FF)受光組
2
18 400-47498 FD-FLOAT(FR)RECEIVE SENSOR ASM
フィーダ浮きセンサ(FR)受光組
2
19 400-84847 ETF-FLOAT RECEIVE SENS ASM
ETF − FLOAT 受光センサ組
4
20 400-84848 ETF-FLOAT SENSOR ASM
ETF − FLOAT センサ組
4
21 400-02167 BANK UP(F)SENSOR ASM
バンクアップ(F)センサ組
8
22 400-47485 ATC SV CABLE ASM
ATC SV ケーブル組
4
23 400-47495 FD-FLOAT(FF)SENSOR ASM
フィーダ浮きセンサ(FF)投光組
2
24 400-47497 FD-FLOAT(FR)SENSOR ASM
フィーダ浮きセンサ(FR)投光組
2
25 400-47486 SOT CHECK SV CABLE ASM
SOT 検査台 SV ケーブル組
4
26 400-93064 FPI-LED 1 CABLE(F) ASM
FPI − LED 1ケーブル(F)組
2
27 400-93065 FPI-LED 2 CABLE(F) ASM
FPI − LED 2ケーブル(F)組
2
28 400-93066 FPI-LED 1 CABLE(R) ASM
FPI − LED 1ケーブル(R)組
2
29 400-93067 FPI-LED 2 CABLE(R) ASM
FPI − LED 2ケーブル(R)組
2
30 E8626-729-0A0 FPI LED BOARD ASM.
FPI LED 基板組
12
31 400-47484 FEEDER CAL(R) CABLE ASM
CAL(R)ケーブル組
2
32 400-89892 CAL BLOCK CABLE(LR)ASM
CAL ブロックケーブル(LR)組
2
33 400-48177 FEEDER SENSOR RELAY(R) CABLE ASM
フィーダセンサ中継ケーブル(R)組
2
34 400-89876 FEEDER SENSOR CABLE (LR) ASM
フィーダセンスケーブル(LR)組
1
35 400-89675 FD EMG RLY CABLE ASM
フィーダ非常停止中継束線組
2
36 400-89885 OPERATION RLY CABLE (F) ASM XL
オペレーションリレーケーブル組(F) XL
2
37 401-19361 XY-RELAY PCB ASM
XY − RELAY 基板組
2
38 400-98974 POWER_SUPPLY_ASSY_L(ST)
電源供給組(左)ST
1
39
#01
400-93149 POWER SUPPLY ASSY L(EN)
電源供給組(左)EN
1
40 400-98950 POWER_SUPPLY_ASSY_R(ST)
電源供給組(右)ST
2
41
#01
400-93150 POWER SUPPLY ASSY R(EN)
電源供給組(右)EN
2
42 400-70398 FD-FLOAT(RF)RECEIVE SENSOR ASM
フィーダ浮きセンサ(RF)受光組
2
43 400-70400 FD-FLOAT(RR)RECEIVE SENSOR ASM
フィーダ浮きセンサ(RR)受光組
2
44 400-70397 FD-FLOAT(RF)SENSOR ASM
フィーダ浮きセンサ(RF)投光組
2
45 400-70399 FD-FLOAT(RR)SENSOR ASM
フィーダ浮きセンサ(RR)投光組
2
46 400-95637 BUP SENSOR SHORT ASM
BUP センサショート組
2
47 400-89897 FEEDER SENSOR CABLE (RF) ASM
フィーダセンスケーブル(RF)組
1
48 400-89875 FEEDER SENSOR CABLE (RR) ASM
フィーダセンスケーブル(RR)組
1
49 400-89877 CAL BLOCK CABLE(RF) ASM
CAL ブロックケーブル(RF)組
1
50 400-89878 CAL BLOCK CABLE(RR) ASM
CAL ブロックケーブル(RR)組
1