FX-3R-Rev03 - 第172页
- 165 - 83. SYSTEM DIAGRAM (MECH TOROLY I/F) SYSTEM DIAGRAM (MECH TOROLY I / F) in the cas e of "FIXED BAN K", refer to 1 1-5A in the ca se of "FIXED BA NK", refer to 11-5A in the case of "FIXED …

- 164 -
NOTE( 注記 ) #01....FOR EN EN 用
REF.NO NOTE PART NO D E S C R I P T I O N
品 名
Qty
1 400-98974 POWER_SUPPLY_ASSY_L(ST)
電源供給組(左)ST
1
2
#01
400-93149 POWER SUPPLY ASSY L(EN)
電源供給組(左)EN
1
3 400-91470 FEEDER PWR CABLE (LR) ASM
フィーダ電源ケーブル(LR)組
1
4 400-47557 ETHER-SLAVE PCB ASM
ETHER − SLAVE 基板組
3
5 400-91922 ETHER CABLE FEEDER LF-LR ASM
イーサケーブルフィーダ LF − LR 組
1
6 400-47560 FEEDER PCB ASM
フィーダ基板組
2
7 400-91471 FEEDER PWR CABLE (RR) ASM
フィーダ電源ケーブル(RR)組
1
8 400-47483 FEEDER CAL(F) CABLE ASM
CAL(F)ケーブル組
2
9 400-89890 CAL BLOCK CABLE(LF) ASM
CAL ブロックケーブル(LF)組
1
10 400-07376 CALBLOCK PCB ASM
CAL ブロック基板組
4
11 400-47986 CAL VACUUM SV ASM
CAL バキューム SV 組
4
12 400-02126 CAL VACUUM SENSOR ASSY
CAL バキュームセンサ組
4
13 400-48176 FEEDER SENSOR RELAY(F) CABLE ASM
フィーダセンサ中継ケーブル(F)組
2
14 400-89891 FEEDER SENSOR CABLE (LF) ASM
フィーダセンスケーブル(LF)組
1
15 400-02128 ATC OPEN SENSOR ASM
ATC オープンセンサ組
4
16 400-02127 ATC CLOSE SENSOR ASM
ATC クローズセンサ組
4
17 400-47496 FD-FLOAT(FF)RECEIVE SENSOR ASM
フィーダ浮きセンサ(FF)受光組
2
18 400-47498 FD-FLOAT(FR)RECEIVE SENSOR ASM
フィーダ浮きセンサ(FR)受光組
2
19 400-84847 ETF-FLOAT RECEIVE SENS ASM
ETF − FLOAT 受光センサ組
4
20 400-84848 ETF-FLOAT SENSOR ASM
ETF − FLOAT センサ組
4
21 400-02167 BANK UP(F)SENSOR ASM
バンクアップ(F)センサ組
8
22 400-47485 ATC SV CABLE ASM
ATC SV ケーブル組
4
23 400-47495 FD-FLOAT(FF)SENSOR ASM
フィーダ浮きセンサ(FF)投光組
2
24 400-47497 FD-FLOAT(FR)SENSOR ASM
フィーダ浮きセンサ(FR)投光組
2
25 400-47486 SOT CHECK SV CABLE ASM
SOT 検査台 SV ケーブル組
4
26 400-93064 FPI-LED 1 CABLE(F) ASM
FPI − LED 1ケーブル(F)組
2
27 400-93065 FPI-LED 2 CABLE(F) ASM
FPI − LED 2ケーブル(F)組
2
28 400-93066 FPI-LED 1 CABLE(R) ASM
FPI − LED 1ケーブル(R)組
2
29 400-93067 FPI-LED 2 CABLE(R) ASM
FPI − LED 2ケーブル(R)組
2
30 E8626-729-0A0 FPI LED BOARD ASM.
FPI LED 基板組
12
31 400-47484 FEEDER CAL(R) CABLE ASM
CAL(R)ケーブル組
2
32 400-89892 CAL BLOCK CABLE(LR)ASM
CAL ブロックケーブル(LR)組
2
33 400-48177 FEEDER SENSOR RELAY(R) CABLE ASM
フィーダセンサ中継ケーブル(R)組
2
34 400-89876 FEEDER SENSOR CABLE (LR) ASM
フィーダセンスケーブル(LR)組
1
35 400-89675 FD EMG RLY CABLE ASM
フィーダ非常停止中継束線組
2
36 400-89885 OPERATION RLY CABLE (F) ASM XL
オペレーションリレーケーブル組(F) XL
2
37 401-19361 XY-RELAY PCB ASM
XY − RELAY 基板組
2
38 400-98974 POWER_SUPPLY_ASSY_L(ST)
電源供給組(左)ST
1
39
#01
400-93149 POWER SUPPLY ASSY L(EN)
電源供給組(左)EN
1
40 400-98950 POWER_SUPPLY_ASSY_R(ST)
電源供給組(右)ST
2
41
#01
400-93150 POWER SUPPLY ASSY R(EN)
電源供給組(右)EN
2
42 400-70398 FD-FLOAT(RF)RECEIVE SENSOR ASM
フィーダ浮きセンサ(RF)受光組
2
43 400-70400 FD-FLOAT(RR)RECEIVE SENSOR ASM
フィーダ浮きセンサ(RR)受光組
2
44 400-70397 FD-FLOAT(RF)SENSOR ASM
フィーダ浮きセンサ(RF)投光組
2
45 400-70399 FD-FLOAT(RR)SENSOR ASM
フィーダ浮きセンサ(RR)投光組
2
46 400-95637 BUP SENSOR SHORT ASM
BUP センサショート組
2
47 400-89897 FEEDER SENSOR CABLE (RF) ASM
フィーダセンスケーブル(RF)組
1
48 400-89875 FEEDER SENSOR CABLE (RR) ASM
フィーダセンスケーブル(RR)組
1
49 400-89877 CAL BLOCK CABLE(RF) ASM
CAL ブロックケーブル(RF)組
1
50 400-89878 CAL BLOCK CABLE(RR) ASM
CAL ブロックケーブル(RR)組
1

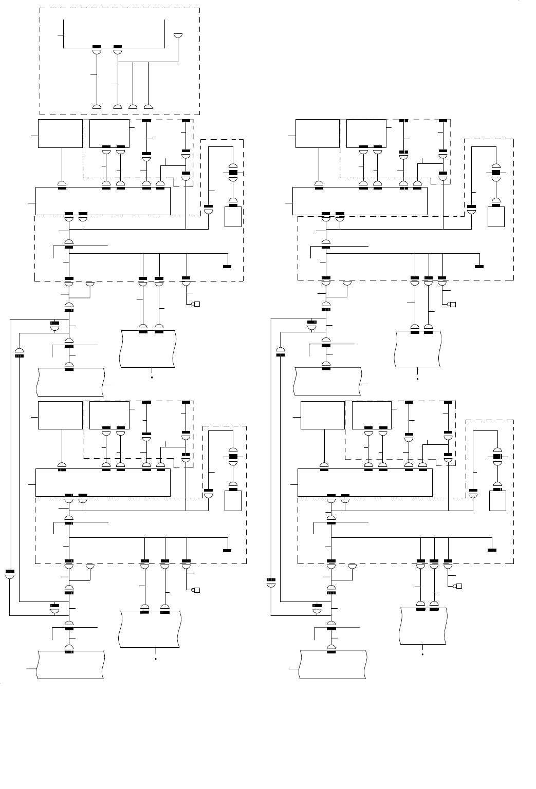
- 165 -
83.SYSTEM DIAGRAM (MECH TOROLY I/F)
SYSTEM DIAGRAM(MECH TOROLY I / F)
in the case of
"FIXED BANK",
refer to 11-5A
in the case of
"FIXED BANK",
refer to 11-5A
in the case of
"FIXED BANK",
refer to 11-5A
in the case of
"FIXED BANK",
refer to 11-5A
10-1D
FEED ER PCB (L)
CN3
11-3A
10-3C
POWER UNIT(L)
CN024
CN065
11-3B
10-4C
POWER UNIT(R)
CN024
CN065
11-3C
FG-TAP(RF)
CN352
CN206
CN205
FG-TAP(LF)
PWRL065
PWRL024
CN205
CN206
CN352
CN3
CN3
CN03
CN350
CN370
FEEDER PCB (L)
CN350
13-1A
ELEC
TOROLY
I/F
M BANK BK31
BK40
COVER (LF)
CN205
CN206
CN352
CN383
CVS OPTION/RFID
12-5B
CN350
COVER (RF)
MBANK
BK31
13-1C
ELEC
TOROLY
I/F
BK40
CN205
CN206
CN352
CN383
12-5C
CVS OPTION/RFID
RFID
ANTENNA
RFID
OUT
IN
CONNECTOR BRAC KET OPT ION
CN357
CN357 CN507
CN507
CN38
CN37
CN39
CN34
CN40
CN31
CN36
MECH BANK PCB
RFID
ANTENNA
RFID
OUT
IN
CONNECTOR BRACKET OPTION
CN357
CN357 CN507
CN507
MECH BANK PCB
CN31
CN40
CN36
BK36
CN34
CN39
CN37
CN38
BK34
BK39
BK37
BK38
KNOCK PIN S.V.
FEEDER BANK
PCB
CN9
CN10
CN649
CN649
CN10
CN9
KNOCK PIN S.V.
FEEDER BANK
PCB
CN9
CN10
CN649
CN649
CN10
CN9
BK36
BK34
BK39
BK37
BK38
11-1B
POWER UNIT(L)
CN025
CN066
12-1A
PWRL066
PWRL025 CN205
CN206
CN352
FG-TAP(LR)
CN350
COVER (LR)
MBANK
BK31
BK40
13-3A
ELEC
TOROLY
I/F
CN205
CN206
CN352
CN383
12-5B
CVS O PTION/RFID
RFID
ANTENNA
RFID
MECH BANK PCB
CN36
CN31
CN40
CN34
CN39
CN37
CN38
BK38
BK37
BK39
BK34
BK36
KNOCK PIN S. V.
FEEDER BANK
PCB
CN9
CN10
CN649
CN649
CN507
CN507
CN357
CN357
CONNECTOR BRACKET OPTION
IN
OUT
CN10
CN9
FIXED BANK
CN350
CN205
CN206
CN352
CN357
CN40
CN31
MECH BANK PCB
BK31
BK40
11-1C
POWER UNIT(R)
12-1C
CN066
CN025
PWRR025
PWRR066
FG-TAP(RR)
CN352
CN206
CN205
COVER (RR)
M BANK BK31
BK40
CN350
13-3C
ELEC
TOROLY
I/F
CN205
CN206
CN352
CN383
12-5B
CVS OPTION/RFID
RFID
ANTENNA
RFID
CN40
CN31
IN
OUT
CONNECTOR BRACKET OPTION
CN507
CN507
CN357
CN357
CN38
CN37
CN39
CN34
CN36
MECH BANK PCB
BK36
BK34
BK39
BK37
BK38
CN649 CN649
CN10
CN9
FEEDER BANK
PCB
KNOCK PIN S.V.
CN9
CN10
19 20
21
21
17
5
6
8
7
12
9
10
11
10
10
11
13
6
5
8
7
12
9
10
11
10
10
13
11
PWRR024
PWRR065
14 15
23
23
17
6
5
8
7
12
9
10
11
10
10
13
11
19
20
25
25
17
6
5
8
7
12
9
10
11
10
10
13
11
27
28
26
4
14
15
2
16
16
17
FCAN1
29
RYL03
RLYL03
FCAN2
CN4
FEEDER PCB (L)
13-1A
CN4
FEEDER PCB (L)
11-1A
CN370
RLYL04
RLY04
30
RCAN1
3
22
CN350
CN04
CN4
1
1
RCAN2
RCAN2
CN4
FEEDER PCB (R)
1
11-1C
FEEDER PCB (R)
CN4
13-1B
CN370
CN4
CN04
CN350
24
3
RCAN1
30
RLY04
RLYR04
CN3
FEEDER PCB (R)
1
2
CN3
11-3C
CN3
FEED ER PCB (R)
10-3D
CN370
RLYR03
RYL03
29
FCAN1
18
CN350
CN03
FCAN2

- 166 -
NOTE( 注記 ) #01....FOR EN EN 用
REF.NO NOTE PART NO D E S C R I P T I O N
品 名
Qty
1 400-47560 FEEDER PCB ASM
フィーダ基板組
4
2 400-47481 FEEDER IF RELAY(F) CABLE ASM
フィーダ IF 中継ケーブル(F)組
2
3 400-47482 FEEDER IF RELAY(R) CABLE ASM
フィーダ IF 中継ケーブル(R)組
2
4 401-11737 FEEDER PCB(LF) IF CABLE ASM
フィーダ基板(IF)IF ケーブル組
1
5 400-48189 MECH BANK RELAY WIRE ASM
メカバンク中継束線組
4
6 400-48190 MECH BANK IF CABLE ASM
メカバンク IF ケーブル組
4
7 400-82807 MECHANICAL BANK PCB SET
メカバンク基板セット
4
8 400-63859 DRIVE_CYLINDER
ドライブシリンダー
4
9 400-48193 CONNECTOR BRACKET IF CABLE ASM
コネクタブラケット IF ケーブル組
4
10 400-48194 CONNECTOR BRACKET PWR CABLE ASM
コネクタブラケット PWR ケーブル組
12
11 E9395-721-0A0 IC FULL RELAY CABLE 3 ASM.
IC FULL 中継ケ−ブル3組
8
12 E8615-715-0A0 FEEDER BANK CIRCUIT BOARD ASM.
フィーダバンク基板組
4
13 400-79659 RFID JOINT CABLE ASM
RFID ジョイントケーブル組
4
14 400-98974 POWER_SUPPLY_ASSY_L(ST)
電源供給組(左)ST
2
15
#01
400-93149 POWER SUPPLY ASSY L(EN)
電源供給組(左)EN
2
16 400-91543 BANK RLY CABLE (LF) ASM
バンク中継ケーブル(LF)組
2
17 400-48183 BANK(F) FG CABLE ASM
バンク(F)FG ケーブル組
4
18 401-11738 FEEDER PCB(RF) IF CABLE ASM
フィーダ基板(RF)IF ケーブル組
1
19 400-98950 POWER_SUPPLY_ASSY_R(ST)
電源供給組(右)ST
2
20
#01
400-93150 POWER SUPPLY ASSY R(EN)
電源供給組(右)EN
2
21 400-91546 BANK RLY CABLE (RF) ASM
バンク中継ケーブル(RF)組
2
22 401-11735 FEEDER PCB(LR) IF CABLE ASM
フィーダ基板(LR)IF ケーブル組
1
23 400-91544 BANK RLY CABLE (LR) ASM
バンク中継ケーブル(LR)組
2
24 401-11736 FEEDER PCB(RR) IF CABLE ASM
フィーダ基板(RR)IF ケーブル組
1
25 400-91550 BANK RLY CABLE (RR) ASM
バンク中継ケーブル(RR)組
2
26 400-82807 MECHANICAL BANK PCB SET
メカバンク基板セット
1
27 400-48158 BANK CABLE ASM
バンクケーブル組
1
28 400-65159 BANK PCB PWR RELAY CABLE ASM
バンク基板電源中継ケーブル組
1
29 401-07941 FEEDER IF RELAY-03 CABLE ASM
フィーダ IF RELAY −03ケーブル組
1
30 401-07942 FEEDER IF RELAY-04 CABLE ASM
フィーダ IF RELAY −04ケーブル組
1