FX-3R-Rev03 - 第175页
- 168 - NOTE( 注記 ) #01....TYPE XL XL 仕様 #02....FOR EN EN 用 REF.NO NOTE PART NO D E S C R I P T I O N 品 名 Qty 1 400-98974 POWER_ SUPPLY_ASSY_L(ST) 電源供給組(左)ST 1 2 #02 400-93149 POWER SU PPLY ASSY L(EN) 電源供給組(左)EN 1 3 400-4…

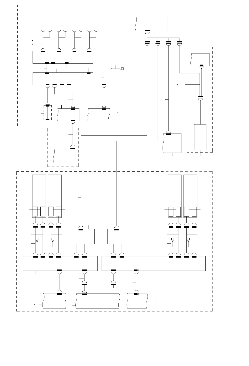
- 167 -
84.SYSTEM DIAGRAM (CVS/RFID/TRACEABILITY)
SYSTEM DIAGRAM(CVS / RFID / TRACEABILITY)
11-3B
POWER UNIT(L)
PWRL028
13-1B
CN028L CVSL C1
CVSLC2
CVSLIO
XYCN12
CVSRIO
CVSRC2
10-5C
CN12
XY-RELAY
PCB
12-3A
11-3D
POWER UNIT(R)
PWRR028
12-4B
CN028R CVSRC1
CVS PCB (L)
CN5
CN6
CN7
CN8
CN1
CN2
CN4
CN3
CN3CVS
CN4
CN8/CVS
CN7/CVS
CN6/CVS
CN5/CVS
CVS PCB (R)
CN2
CN1
CN4
CN3
CN3CVS
CN4
CN5
CN6
CN7
CN8
CN8/CVS
CN7/CVS
CN6/CVS
CN5/CVS
J043/RF
J042/RF
J043/RR
J042/RR
FG-TAP(RR)
FG-TAP(RF)
DMM (R )
J43
J42
J43
J42
CVS OPTION
SOLENOID VALVE
PROBE
SURFACE VERIFICATION UNIT(RR)
SURFACE VERIFICATION UNIT(RF)
SOLENOID VALVE
PROBE
DMM (L)
FG-TAP(LF)
FG-TAP(LR)
J043/LF
J042/LF
J043/LR
J042/LR
J42
J43
J42
J43
PROBE
SOLENOID VAL VE
PROBE
SOLENOID VAL VE
SURFACE VERIFICATION UNIT(LR)
SURFACE VERIFICATION UNIT(LF)
12-1C
XY-RELAY PCB
CN49
XY-49
HOD OPT ION
BARCORD REEDER
HOST
(CN9)
SUPER
IMPOSE
BOARD
9-4D
PS-PC
BR
TRACEABILITY OPTION
ATX-6
CN6
ATX POWER
9-5C
5-5D
IEEE1394 BOARD
UART
UART
COM A
COM B
COM C
COM D
EXT1
RFID OPTION
11-3B
MECH
TOROLY I/F
13-3B
ELEC
TOROLY I/F
11-3D
MECH
TOROLY I/F
13-3D
ELEC
TOROLY I/F
11-1B
MECH
TOROLY I/F
13-1B
ELEC
TOROLY I/F
11-1D
MECH
TOROLY I/F
13-1D
ELEC
TOROLY I/F
LR383
LR382
RR383
RR382
LF383
LF382
RF383
RF382
RF
CH2
LF
CH1
RR
CH4
LR
CH3
MPC-4C
CN3
ETHERNET
PROG
CN4
CN1
CN2
DC_INPUT
HUB_BOX
SWITCHING HUB
X5
DC INPUT
X4
X3
X2
X1
FG-TAP
FRONT
RFID_PWR
PWRR22
CN022
POWER U NIT(R)
12-1D
13-1C
COM2
LAN
LAN
CPU BOARD
9-4C
HLC
LAN
1 2
4
9
10
3
5
6
8
11
7
7
14
15
17
16
20
18
19
20
18
19
13
13
12 12
24
2322
21
20
18
19
20
18
19
43 45
44
46
47
48
31
36
4
25
26
27
29
30
28
9
10
35
34
37
38
33
32
39
40
41 42

- 168 -
NOTE( 注記 ) #01....TYPE XL XL 仕様
#02....FOR EN EN 用
REF.NO NOTE PART NO D E S C R I P T I O N
品 名
Qty
1 400-98974 POWER_SUPPLY_ASSY_L(ST)
電源供給組(左)ST
1
2
#02
400-93149 POWER SUPPLY ASSY L(EN)
電源供給組(左)EN
1
3 400-48294 CVS PCB(L) POWER CABLE ASM
CVS 基板(L)電源ケーブル組
1
4 401-19361 XY-RELAY PCB ASM
XY − RELAY 基板組
2
5 400-48293 CVS IO(L) CABLE ASM
CVS IO(L)ケーブル組
1
6 400-48169 CVS IO CABLE ASM
CVS IO ケーブル組
1
7 400-47537 CVS PCB ASM
CVS 基板組
2
8 400-48295 CVS IO(R) CABLE ASM
CVS IO(R)ケーブル組
1
9 400-98950 POWER_SUPPLY_ASSY_R(ST)
電源供給組(右)ST
2
10
#02
400-93150 POWER SUPPLY ASSY R(EN)
電源供給組(右)EN
2
11 400-48296 CVS PCB(R) POWER CABLE ASM
CVS 基板(R)電源ケーブル組
1
12 400-48056 CVS DMM ASM
デジタルマルチメータ組
2
13 400-48057 CVS PROBE I/F CABLE ASM
CVS プローブI/Fケーブル組
2
14 400-93238 CVS LF PROBE CABLE ASM
CVS LF プローブケーブル組
1
15 400-48297 CVS LF PROBE CABLE ASM
CVS LF プローブケーブル組
1
16 400-93239 CVS LR PROBE CABLE ASM
CVS LR プローブケーブル組
1
17 400-48298 CVS LR PROBE CABLE ASM
CVS LR プローブケーブル組
1
18 400-47886 CVS PROBE CABLE ASM
CVS プローブケーブル組
4
19 E9589-705-0A0 VRFY SV CABLE ASM.
VRFY SV ケ−ブル組
4
20 400-46825 SURFACE VERIFICATION UNIT
CVS 外観組
4
21 400-93240 CVS RF PROBE CABLE ASM
CVS RF プローブケーブル組
1
22 400-48299 CVS RF PROBE CABLE ASM
CVS RF プローブケーブル組
1
23 400-93241 CVS RR PROBE CABLE ASM
CVS RR プローブケーブル組
1
24 400-48300 CVS RR PROBE CABLE ASM
CVS RR プローブケーブル組
1
25 400-91903 HOD RS232C CABLE ASM
HOD RS 232 C ケーブル組
1
26 HK-0651200-80 MODULAR KAPLA
モジュラーカプラ
1
27
#02
400-73738 RFID LAN CABLE (4.5M) ASM
RFID LAN ケーブル(4.5 M)組
1
28 401-07372 CPU BOARD
CPU ボード
1
29 400-79652 RFID LAN CABLE ASM
RFID LAN ケーブル組
1
30 400-79653 RFID PWR CABLE ASM
RFID PWR ケーブル組
1
31 400-48003 IEEE1394 BOARD
IEEE 1394ボード
1
32 400-73033 SWITCHING HUB
スイッチングハブ
1
33 400-73032 4 PORT MPC
4ポート MPC
1
34 400-72813 MPC RJ45 CABLE ASM
MPC 用 RJ 45ケーブル組
1
35 400-72814 MPC POWER CABLE ASM
MPC 電源ケーブル組
1
36 400-79656 RFID FG CABLE ASM
RFID FG ケーブル組
1
37 400-79654 RFID BRANCH1 CBL ASM
RFID BRANCH 1ケーブル組
1
38
#01
400-89957 RFID BRANCH1 CBL ASM XL
RFID BRANCH 1ケーブル組 XL
1
39 400-79655 RFID BRANCH2 CBL ASM
RFID BRANCH 2ケーブル組
1
40
#01
400-89958 RFID BRANCH2 CBL ASM XL
RFID BRANCH 2ケーブル組 XL
1
41 400-79657 RFID BRANCH3 CBL ASM
RFID BRANCH 3ケーブル組
1
42 400-79658 RFID BRANCH4 CBL ASM
RFID BRANCH 4ケーブル組
1
43 400-48082 SUPER INPAUSE BOARD
スーパーインポーズボード
1
44 400-02264 OP-232C CABLE ASM
オプション232 C ケーブル組
1
45 HX-0061000-00 BARCODE READER
バーコードリーダ
1
46 400-48200 BARCODE READER CABLE ASM
バーコードリーダケーブル組
1
47
#01
400-89959 BARCODE READER CABLE ASM XL
バーコードリーダケーブル組 XL
1
48 400-48006 ATX PSU
ATX 電源
1

- 169 -
85.SYSTEM DIAGRAM (ELEC TOROLY I/F)
SYSTEM DIAGRAM(ELEC TOROLY I / F)
CP
3A
CP
3A
CP
3A
POWER
LAMP
POWER
LAMP
POWER
LAMP
POWER
LAMP
FRONT
CUTTER
SV
REAR
CUTTER
CYLINDER
CLOSE
SENSOR
OPEN
SENSOR
FRONT
CUTTER
SV
REAR
CUTTER
CYLINDER
CLOSE
SENSOR
OPEN
SENSOR
FRONT
CUTTER
SV
FRONT
CUTTER
CYLINDER
CLOSE
SENSOR
OPEN
SENSOR
FRONT
CUTTER
SV
FRONT
CUTTER
CYLINDER
CLOSE
SENSOR
OPEN
SENSOR
11-3A
FEEDER PCB (L)
CN23
13-3A
FEEDER
PCB(L)
PANEL
CUT F
CN370
11-1A
MECH
TOROLY
I/F
12-1B
POWER UNIT(L)
CN069
13-3B
CN069 CN351
12-5C
CVS
OPTION/RFID
FG TAP
CN353
CN353
CN382
CN351
in rhe case of "FIXED
ELEC BANK"
refer to 13-5A
11-3C
FEEDER PCB (R)
CN23
13-3C
FEEDER
PCB(R)
PANEL
11-1C
MECH
TOROLY
I/F
12-4B
POWER UNIT(R)
CN069
13-3D
CN069 CN351
12-5C
CVS
OPTION/RFID
CN353
FG TAP
in rhe case of "FIXED
ELEC BANK"
refer to 13-5A
CN353
CN382
CN351
CN370
EBANK
COVER (RF)
CUT F
CN381
E BANK
COVER ( LF)
CN381
OPEN
CLOSE
SV
BK31
BK33
E-BANK FG
RFID
E-BANK FG
SV
CLOSE
OPEN
BK31
BK33
E-BANK FG
RFID
E-BANK FG
RFID
ANTENNA
ANTOUTIN
CN26
30
CN21
25
CN16
20
CN11
15
CN06
10
CN01
05
BANK26
30
BANK21
25
BANK16
20
BANK11
15
BANK06
10
BANK01
05
CN26
CN30
CN21
CN25
CN16
CN20
CN11
CN15
CN6
CN10
CN1
CN5
CN32
ELEC BANK PCB
CN31
CN33
BK32
CP
RLY
PWR
RFID
ANTENNA
ANT
OUT
IN
CN26
30
CN21
25
CN16
20
CN11
15
CN06
10
CN01
05
BANK01
05
BANK06
10
BANK11
15
BANK16
20
BANK21
25
BANK26
30
CN26
CN30
CN21
CN25
CN16
CN20
CN11
CN15
CN6
CN10
CN1
CN5
CN32
ELEC BANK PCB
CN31
CN33
PWRRLY
CP
CP
3A
BK32
13-1A
FEEDER PCB (L)
CN24
11-4A
MECH
TOROLY
I/F
FEEDER
PCB(L)
PANEL
CUT R
CN370
CN351CN351
CN070
13-1B
POWER UNIT(L)
CN070
12-5B
CVS
OPTION/RFID
CN353
FG TAP
CN353
CN382
in rhe case of "FIXED
ELEC BANK"
refer to 13-5A
13-1C
FEEDER PCB (R)
CN24
FEEDER
PCB(R)
PANEL
CUT R
CN381
COVER (RR)
E BANK
CN370
11-4C
MECH
TOROLY
I/F
13-1D
POWER UNIT(R)
CN070
CN070
CN351
CN351
CN382
CN353CN353
12-5B
CVS
OPTION/RFID
FG TAP
in rhe case of "FIXED
ELEC BANK"
refer to 13-5A
E-BANK FG
RFID
E-BANK FG
RFID
ANTENNA
ANT
OUT
IN
CN26
30
CN21
25
CN16
20
CN11
15
CN06
10
CN01
05
BANK26
30
BANK21
25
BANK16
20
BANK11
15
BANK06
10
BANK01
05
PWR
RLY
CP
BK32
CN32
ELEC BANK PCB
CN31
CN33
CN1
CN5
CN6
CN10
CN11
CN15
CN16
CN20
CN21
CN25
CN26
CN30
OPEN
CLOSE
SV
BK31
BK33
E-BANK FG
E-BANK FG
RFID
BK33
BK31
COVER ( LR)
EBANK
CN381
OPEN
CLOSE
SV
ELEC B ANK PCB
CN32
CN31
CN33
CN1
CN5
CN6 CN10
CN11
CN15
CN16
CN20
CN21
CN25
CN26
CN30
BANK26
30
BANK21
25
BANK16
20
BANK11 15
BANK06
10
BANK0 1
05
BK32
CP
RLY
CN01
05
CN06
10
CN11
15
CN16
20
CN21
25
CN26
30
PWR
RFID
ANTENNA
ANT
OUT
IN
E-BANK FG
CN33
CN31
ELEC BANK PCB
E-BANK FG
BK33CN351
CN353
CN370
FIXED ELEC BANK
BK31
1
2
3
7
6
10
12
17
13
14
15
16
19
20
21
23
24
26
25 27
28
22
29
33
18
22
25
28
27
29
18
26
24
20
21
15
14
16
6
7
12
13
10
17
1
4
5
33
23
29
27
22
25
28
18
26
24
20
21
15
14
16
8
9
12
13
11
17
1
4
5
33
23
29
27
22
25
28
18
26
24
20
21
15
14
16
8
9
12
13
11
17
1
2
3
33
23
33
31
30
32