FX-3R-Rev03 - 第185页
- 178 - REF.NO NOTE PART NO D E S C R I P T I O N 品 名 Qty 1 400-89209 4AXIS SERVO AMP 4軸一体型サーボアンプ 3 2 401-04734 ENCODER CABLE ASM エンコーダケーブル組 1 3 400-89198 LNC61 LNC 61 1 4 401-13554 EPV63 EPV 63 1 5 400-44517 1394 ROBOT …

- 177 -
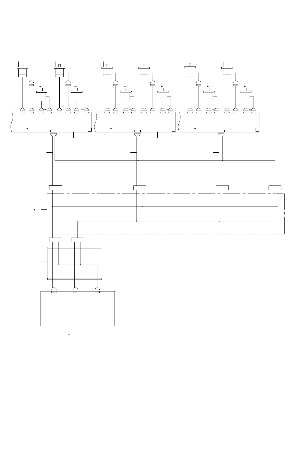
89.SYSTEM DIAGRAM (LNC61/EPV63 RR)
SYSTEM DIAGRAM(LNC 61/ EPV 63 RR)
3-5C
8-4C
8-4B
8-4A
3-5A
IEEE1394a
REPEATER
EPV61 CH1CH2
IEEE1394a
REPEATER HUB(R)
EPV63
CN1
ZTC
SERVO
AMP
(RR-1/2)
MR-MD110
CN5
CN8
ZTB
SERVO
AMP
(RR-1/2)
MR-MD110
CN5
CN8
ZTA
SERVO
AMP
(RR-1/2)
MR-MD110
CN5
CN8
LNC61
IEEE1394a
REPEATER
IEEE1394a
BOARD(4/4)
LNC61/62 CH4CH1CH2
CN1
1 1 1
2
3 4
5
6
7
9
5
6
8
10

- 178 -
REF.NO NOTE PART NO D E S C R I P T I O N
品 名
Qty
1 400-89209 4AXIS SERVO AMP
4軸一体型サーボアンプ
3
2 401-04734 ENCODER CABLE ASM
エンコーダケーブル組
1
3 400-89198 LNC61
LNC 61
1
4 401-13554 EPV63
EPV 63
1
5 400-44517 1394 ROBOT CABLE ASM
1394ロボットケーブル組
2
6 400-48078 IEEE1394 REPEATER BOARD
IEEE 1394リピータボード
2
7 400-48033 1394 CABLE 4.5M
1394ケーブル 4.5 M
1
8 400-89213 1394 RELAY CABLE ASM
1394中継ケーブル組
1
9 400-48003 IEEE1394 BOARD
IEEE 1394ボード
1
10 400-89211 1394 REPEATER HUB
1394リピータハブ
1

- 179 -
90.SYSTEM DIAGRAM (Z-THETA MOTOR LF)
SYSTEM DIAGRAM(Zθ MOTOR LF)
CABLE BEAR
CN213
CN201
CN202
CN214
CN212
CN211
ZTCCN1 CNP1
ZTBCN1 CNP1
CN013
CN014
CN037CN037
CN014
CN013
POWER UNIT(L)
ZTACN1
ID
2
1
ID
0
ID
CNP1
1-1B
1-1C
1-1C
Z6
MOTOR
ZP6
6
MOTOR
Z5
MOTOR
5
MOTOR
ZP5
Z6
6
5
Z5
ZTC
SERVO
AMP
Z
(LF-2/2)
CNP2A
CN2A
CNP2B
CN2B
CNP2C
CN2C
CNP2D
CN2D
Z4
MOTOR
ZP4
4
MOTOR
Z3
MOTOR
3
MOTOR
ZP3
Z4
4
3
Z3
TZB
SERVO
AMP
Z
(LF-2/2)
CNP2A
CN2A
CNP2B
CN2B
CNP2C
CN2C
CNP2D
CN2D
Z1
MOTOR
Z2
MOTOR
ZP2
CNP2A
CN2A
CNP2B
CN2B
CNP2C
CN2C
ZTA
SERVO
AMP
Z
(LF-2/2)
CNP2D
CN2D
Z2
2
1
2
MOTOR
1
MOTOR
Z1
ZP1
1 2
3
4 5
6 7 8
9 9 9
10 10 11 11 12 12
14 14 14 14 14 14
13 13 13 13
13
13