FX-3R-Rev03 - 第189页
- 182 - NOTE( 注記 ) # 01....FOR EN EN 用 #02....TYPE XL XL 仕様 REF.NO NOTE PART NO D E S C R I P T I O N 品 名 Qty 1 400-98974 POWER SUPPLY ASSY L(ST) 電源供給組(左)ST 1 2 #01 400-93149 POWER SUPPLY ASSY L(EN) 電源供給組(左)EN 1 3 400-91…

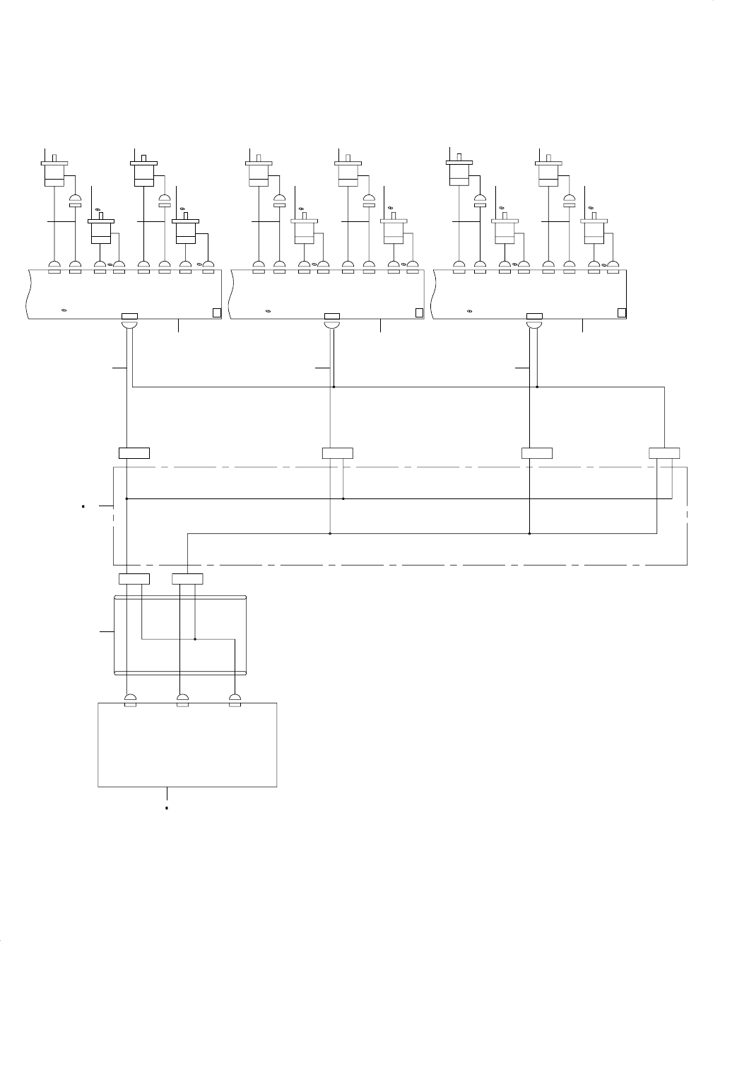
- 181 -
91.SYSTEM DIAGRAM (Z-THETA MOTOR LR)
SYSTEM DIAGRAM(Zθ MOTOR LR)
CABLE BEAR
CN213
CN201
CN202
CN214
CN212
CN211
ZTCCN1 CNP1
ZTBCN1 CNP1
CN015
CN016
CN038CN038
CN016
CN015
POWER UNIT(L)
ZTACN1
ID
2
1
ID
0
ID
CNP1
2-1B
2-1C
2-1C
Z6
MOTOR
ZP6
6
MOTOR
Z5
MOTOR
5
MOTOR
ZP5
Z6
6
5
Z5
ZTC
SERVO
AMP
Z
(LR-2/2)
CNP2A
CN2A
CNP2B
CN2B
CNP2C
CN2C
CNP2D
CN2D
Z4
MOTOR
ZP4
4
MOTOR
Z3
MOTOR
3
MOTOR
ZP3
Z4
4
3
Z3
ZTB
SERVO
AMP
Z
(LR-2/2)
CNP2A
CN2A
CNP2B
CN2B
CNP2C
CN2C
CNP2D
CN2D
Z1
MOTOR
Z2
MOTOR
ZP2
CNP2A
CN2A
CNP2B
CN2B
CNP2C
CN2C
ZTA
SERVO
AMP
Z
(LR-2/2)
CNP2D
CN2D
Z2
2
1
2
MOTOR
1
MOTOR
Z1
ZP1
1 2
3
4 5
6 7 8
9 9 9
10 10 11 11 12 12
14 14 14 14 14 14
13 13 13 13
13
13

- 182 -
NOTE( 注記 ) #01....FOR EN EN 用
#02....TYPE XL XL 仕様
REF.NO NOTE PART NO D E S C R I P T I O N
品 名
Qty
1 400-98974 POWER SUPPLY ASSY L(ST)
電源供給組(左)ST
1
2
#01
400-93149 POWER SUPPLY ASSY L(EN)
電源供給組(左)EN
1
3 400-91529 ZT PWR R RELAY CABLE ASM
ZT 電源 R 中継ケーブル組
1
4 400-47500 XY BEAR CABLES D ASM
XY ベアケーブル D 組
1
5
#02
400-89837 XY BEAR CABLES D ASM XL
XY ベアケーブル D 組 XL
1
6 400-47769 ZT PWR CABLE ASM A
ZT 電源ケーブル A 組
1
7 400-47770 ZT PWR CABLE ASM B
ZT 電源ケーブル B 組
1
8 400-47771 ZT PWR CABLE ASM C
ZT 電源ケーブル C 組
1
9 400-89209 4AXIS SERVO AMP
4軸一体型サーボアンプ
3
10 400-48287 Z1-Z2 MOTOR EXTENSION CABLE ASM
Z 1− Z 2モータ延長ケーブル組
2
11 400-48288 Z3-Z4 MOTOR EXTENSION CABLE ASM
Z 3− Z 4モータ延長ケーブル組
2
12 400-48289 Z5-Z6 MOTOR EXTENSION CABLE ASM
Z 5− Z 6モータ延長ケーブル組
2
13 400-48065 SERVO MOTOR 30W
サーボモータ30 W
6
14 400-44533 SERVO MOTOR 10W
サーボモータ10 W
6

- 183 -
92.SYSTEM DIAGRAM (Z-THETA MOTOR RF)
SYSTEM DIAGRAM(Zθ MOTOR RF)
CABLE BEAR
CN213
CN201
CN202
CN214
CN212
CN211
ZTCCN1 CNP1
ZTBCN1 CNP1
CN013
CN014
CN037CN037
CN014
CN013
POWER UNIT(R)
ZTACN1
ID
2
1
ID
0
ID
CNP1
3-1B
3-1C
3-1C
Z6
MOTOR
ZP6
6
MOTOR
Z5
MOTOR
5
MOTOR
ZP5
Z6
6
5
Z5
ZTC
SERVO
AMP
Z
(RF-2/2)
CNP2A
CN2A
CNP2B
CN2B
CNP2C
CN2C
CNP2D
CN2D
Z4
MOTOR
ZP4
4
MOTOR
Z3
MOTOR
3
MOTOR
ZP3
Z4
4
3
Z3
ZTB
SERVO
AMP
Z
(RF-2/2)
CNP2A
CN2A
CNP2B
CN2B
CNP2C
CN2C
CNP2D
CN2D
Z1
MOTOR
Z2
MOTOR
ZP2
CNP2A
CN2A
CNP2B
CN2B
CNP2C
CN2C
ZTA
SERVO
AMP
Z
(RF-2/2)
CNP2D
CN2D
Z2
2
1
2
MOTOR
1
MOTOR
Z1
ZP1
1 2
3
4 5
6 7 8
9 9 9
10
10 11 11 12 12
14 14 14 14 14 14
13 13 13 13
13
13