YS24(DS)_KKE_e - 第18页
Confidential & P roprietary P A G E ≧AWG10 (5.3sq) PE PE L1 L1 L2 L3 L2 L3 MAX750V/44A XB11 J0071 BRACKET MAIN SWITCH J0001 L1 L2 L3 J0001 L1 L2 L3 T3 T2 T1 MAX690V/40A QS11 S2 T2 R2 J0002 J0013 R2 J0014 J0012 S2 J00…

Confidential & Proprietary
PAGE
200V 208V 220V 240V 380V 400V 416V
N N
200V 208V 220V 240V 380V 400V 416V
N N
V10
U10
V10
U10
V10
U10
V10
U10
V10
U10
V10
U10
V10
U10
N N N R2
R2
R2
R2
R2
R2
R2
S2
S2
S2
S2
S2
S2
S2
T2
T2
T2
T2
T2
T2
T2
100V
100V
0V
0V
100V
100V
0V
0V
100V
100V
0V
0V
100V
100V
0V
0V
100V
100V
0V
0V
100V
100V
0V
0V
100V
100V
0V
0V
240V
0V
190V
200V
208V
220V
240V
0V
190V
200V
208V
220V
0V
100V
240V
0V
190V
200V
208V
220V
240V
0V
190V
200V
208V
220V
0V
100V
240V
0V
190V
200V
208V
220V
240V
0V
190V
200V
208V
220V
0V
100V
240V
0V
190V
200V
208V
220V
240V
0V
190V
200V
208V
220V
0V
100V
240V
0V
190V
200V
208V
220V
240V
0V
190V
200V
208V
220V
0V
100V
240V
0V
190V
200V
208V
220V
240V
0V
190V
200V
208V
220V
0V
100V
240V
0V
190V
200V
208V
220V
240V
0V
190V
200V
208V
220V
0V
100V
240V
220V
208V
200V
190V
0V
240V
220V
208V
200V
190V
0V
240V
220V
208V
200V
190V
0V
240V
220V
208V
200V
190V
0V
240V
220V
208V
200V
190V
0V
240V
220V
208V
200V
190V
0V
230V
230V
230V
W
V
U
220V
220V
240V
220V
208V
200V
190V
0V
240V
220V
208V
200V
190V
0V
240V
220V
208V
200V
190V
0V
240V
220V
208V
200V
190V
0V
240V
220V
208V
200V
190V
0V
240V
220V
208V
200V
190V
0V
230VW
V
U
240V
220V
208V
200V
190V
0V
240V
220V
208V
200V
190V
0V
240V
220V
208V
200V
190V
0V
240V
220V
208V
200V
190V
0V
240V
220V
208V
200V
190V
0V
240V
220V
208V
200V
190V
0V
230VW
V
U
240V
220V
208V
200V
190V
0V
240V
220V
208V
200V
190V
0V
240V
220V
208V
200V
190V
0V
240V
220V
208V
200V
190V
0V
240V
220V
208V
200V
190V
0V
240V
220V
208V
200V
190V
0V
230VW
V
U
240V
220V
208V
200V
190V
0V
240V
220V
208V
200V
190V
0V
240V
220V
208V
200V
190V
0V
240V
220V
208V
200V
190V
0V
240V
220V
208V
200V
190V
0V
240V
220V
208V
200V
190V
0V
230VW
V
U
240V
220V
208V
200V
190V
0V
240V
220V
208V
200V
190V
0V
240V
220V
208V
200V
190V
0V
240V
220V
208V
200V
190V
0V
240V
220V
208V
200V
190V
0V
240V
220V
208V
200V
190V
0V
230VW
V
U
230V
230V
230V
230V
230V
230V
230V
230V
230V
230V
240V
220V
208V
200V
190V
0V
240V
220V
208V
200V
190V
0V
240V
220V
208V
200V
190V
0V
240V
220V
208V
200V
190V
0V
240V
220V
208V
200V
190V
0V
240V
220V
208V
200V
190V
0V
230VW
V
U
230V
230V
S3
S3
S3
S3
S3
S3
S3
R3 R3 R3 R3 R3 R3 R3
TC11:The selection of POWER SOURCE 1.75KVA
TM11:The selection of POWER SOURCE 5.18KVA
W50
V50
U50
W50
V50
U50
W50
V50
U50
200V
200V
200V
200V
200V
200V
200V
200V
200V
200V
200V
200V
200V
200V
200V
200V
200V
200V200V
W50
V50
U50
W50
V50
U50
W50 W50
V50
U50
V50
U50
CC.V4
15
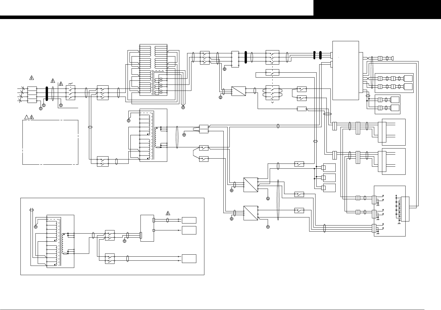
POWER TRANSFORMER
YS24(DS)

Confidential & Proprietary
PAGE
≧AWG10
(5.3sq)
PE
PE
L1
L1
L2
L3
L2
L3
MAX750V/44A
XB11
J0071
BRACKET MAIN SWITCH
J0001
L1
L2
L3
J0001
L1
L2
L3 T3
T2
T1
MAX690V/40A
QS11
S2
T2
R2
J0002
J0013
R2
J0014
J0012
S2
J0016
J0015
J0072
J0073
J0074
T2
J0017
J0009
J0010
J0011
W50
V50
U50
TM11
W
V
U
230V
200V
230V
200V
230V
200V
N
0V
190V
200V
208V
220V
240V
0V
190V
200V
208V
220V
240V240V
220V
208V
200V
190V
0V
240V
220V
208V
200V
190V
0V
240V
220V
208V
200V
190V
0V
240V
220V
208V
200V
190V
0V
5.18KVA
R1
S1
T1
L1
L2
L3
T2
T3
T1
R1
S1
L1
L2 T2
T1R1
S1
R3
S3
R3
S3
J0007
J0008
J0076
J0077
J0028
QF11
MAX690V/20A
NOTE:Icu≧7.5kV(AC440V)
MAX690V/15A
NOTE:Icu≧6kV(AC440V)
QF12
1.75KVA
J0046
1
2
1
2
LCD1J0263 J0265
1
2
1
2
J0266J0264 LCD2
1
2
1
2
1
2
1
2
BUZZER
LCD+12V
1
2
1
2
LCD+12V
1
2
3
ACINAC230V
1
2
3
AC100V
AC100V:CONTROL
See Page2
B10
A10
B9
A9
B8
A8
B7
A7
B6
A6
B5
A5
B4
A4
B3
A3
B2
A2
B1
A1
EXT.PWR
J0041
LCD1
FRONT
LCD2
REAR
EXT.PWR
CONTROL BOX
A1
V10
U10
J0029
1
2
1
2
1
2
1
2
CONVEYOR
DRIVER
P011
1
2
CONVEYOR
DRIVER
P012
J0037
CONV+24VQF43 +24A
FDR+24V+24B
QF41 15A
+24VQF41 +24A
J0036
XT21
QF21 10A
J0031
QF22 5A
J0033
V10
V10
V10
V10
V10
U11C
U11A
U11A
L
N
FG
-
-
GS21
+
+
600W 27A
L
N
FG
-
-
+
+
1000W 21A
Peak 63A 10sec
J0080
+24B
0V24B
0V24A
J0036
See Page3-6
A1
B1
A2
B2
A3
B3
A4
B4
A5
B5
A6
B6
A1
B1
A2
B2
A3
B3
A4
B4
A5
B5
A6
B6
CN27
CN27
+24VF5
1
2
3
4
1
2
3
4
1
2
3
4
1
2
3
4
1
2
3
4
1
2
3
4
CN45
CN43
+24VF3
+24VC1
+24VF4
+24VB6
+24V
+24V2
CN45
CN43
1
2
1
2
1
2
1
2
J0022HA+24V
HB+24V J0023
I/O CONVEYOR BOARD ASSY
P025
See Page7
A1
B1
A2
B2
A3
B3
A1
B1
A2
B2
A3
B3
A4 A4
B4B4
A5 A5
B5B5
GND+24V
GND+48V
I/O CN1
+24V
+48V
CN1J0026
A1
B1
A2
B2
A3
B3
A1
B1
A2
B2
A3
B3
A4 A4
B4B4
A5 A5
B5B5
GND+24V
GND+48V
See Page8
I/O CN1
+48V
+24V
CN1
1
2
3
4
5
6
1
2
3
4
5
6
POW/EMG
1
2
3
4
5
6
1
2
3
4
5
6
POW/EMG
J0024
J0025 J0027
I/O HEAD BOARD ASSY B
I/O HEAD BOARD ASSY A
P042
P041
DCN1
DCN1
DCN1
1
2
3
4
1
2
3
4
HA+48V
1
2
3
4
1
2
3
4
HB+48V
J0021
J0030
1
2
1
2
1
2
1
2
+5V
+5V
FRONT
A43
REAR
A44
J0852
J0853
BARCODE READER(OPTION)
TC11
J0003
*
・Between INCOMING SUPPLY TERMINAL BLOCKS XB11
・Secondary side of UPS.
and MAIN SW QS11.
・Chemical capacity for motor power in
CONTROL BOX A1.
Residual risk
when MAIN SW QS11 is OFF.
*The charge mark is put on the place
that might be gotten an electric shock.
・Lower of INCOMING SUPPLY TERMINAL BLOCKS XB11.
・Around J0001 harness.
・Near the MAIN SW QS11.
・On the lower former cover at CONTROL BOX A1.
・On the cover under the front right side.
・On the cover under the rear right side.
・On the cover under the rear center.
・On the cover under the rear left side.
・On the rear side of the right side panel.
・On the rear side of the left side panel.
QF51 5A
+48V
0V48
0V48
MAX600V/15A
J0075
E E
6 3
25
4 1
L
N
FG
+
-
Peak 41.5A 5sec
U51
V51
0V48
J0019
V52
U52
W52
NF11
600W 12.5A
GS31
J0004
W51
V51
U51
V51
U51
W50
V50
QF31 10A
240V
220V
208V
200V
190V
0V
240V
220V
208V
200V
190V
0V
0V
100V
100V
100V
0V
0V
!
High Voltage
R3
S3
J0007
J0008
J0076
J0077
1.75KVA
TC11
J0028
V10B
U10B
V10B
V10
U10B
U10
V10
U10
J0033
J0031
QF61 15A
U11C
J0721
J0038
V10A
U10A
GS22 N
GS22 L
U11C
UPS IN
UPS OUT
GB1
SIGNAL
UPS
UPS
EXT.PWR
CONTROL BOX
See Page 2
UPS IN
UPS OUT J0722
J0723
XT21
QF21
V10
U10
At the UPS specification
QF52 5A
QF42 20A
GS22
J0035
J0038
V10
U11A
U11C
U50
W51
V51
U51
J0119
BUZZER
HA01
CN1CN1
XT31
AC230V:DRIVE
POWER
MOTOR
+48A
0V480V48
E04E03E02
73 74
EMERGENCY CIRCUIT
5/L3
3/L2
1/L1 2/T1
4/T2
6/T3
+48V
See Page 18
CONV+24V
W54
V54
U54
J0006
MAX690V/6A
KM12
KM11A
3/L2
1/L1
5/L3 6/T3
4/T2
2/T1
MAX660V/13A
KM11
CONV+24E
+48A J0018
J0005
0V24
T1
T2
T3
V10
U10
J0029
V10C V10C
V10
+48VA
+48VB
J0851
W52
V52
U52
J0079
+24A
+24A
J0037
See Page 15
See Page 15
240V
220V
208V
200V
190V
0V
240V
220V
208V
200V
190V
0V
0V
100V
100V
100V
0V
0V
See Page 15
1
2
CONVEYOR
DRIVER
P013
QF43 3A
MAX500V/20A
MAX600V/30A
J0078
MONITOR POWER
QF62 5A
E01
CC.V4
16
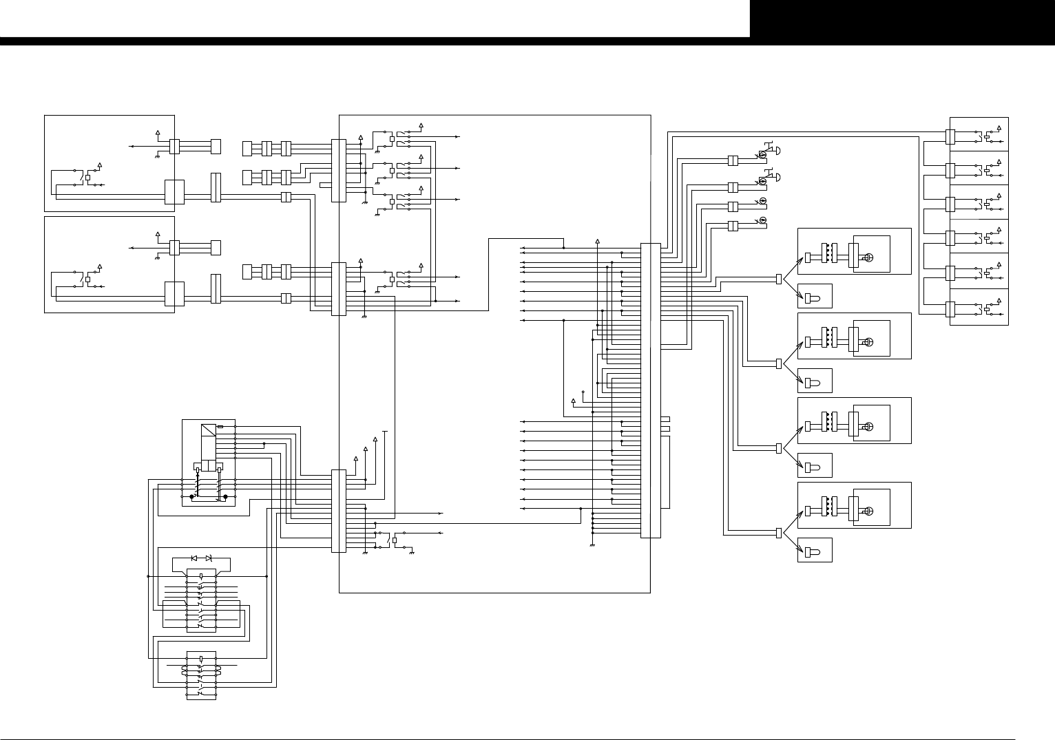
POWER CIRCUIT
YS24(DS)

Confidential & Proprietary
PAGE
2
3
4
5
6
7
8
9
10
1
2
3
4
5
6
7
8
9
10
1
11
12
11
12
CN48
1
2
3
1
2
3
1
2
3
1
2
3
1
2
3
1
2
3
1
2
3
1
2
3
SQ005
Y SAFE
+24VS3
+24VB2
+24VB2
+24VB2
RL7
RL8
RL9
EMG1-1
EMG1-2
EMG1-3
EMG1
+24VB2
EMG3
EMG2
EMG1
EMG0
RL1
2
3
4
5
6
7
8
9
10
1
2
3
4
5
6
7
8
9
10
11
2
3
1
2
3
1
2
3
1
2
3
1
2
1
2
HA EMG
1
2
1
2
HB EMG
RL2
SAFE0
SAFE1
RL2
SAFE0
SAFE1
XB OT
(LOW ACTIVE)
(LOW ACTIVE)
XA OT
+5V
+5V
1
2
3
1
2
3
+24VA
CN7
I/O HEAD BOARD ASSY A P041
1
2
3
1
2
3
+24VA
CN7
I/O HEAD BOARD ASSY B P042
XB0T
XAOT
SAFE0
SAFE0
SAFE1
SAFE1
A1
B1
A2
B2
A3
B3
A4
B4
A5
B5
A6
B6
A7
B7
A8
B8
A9
B9
A10
B10
A11
B11
A12
B12
A13
B13
A14
B14
A15
B15
A16
B16
A17
B17
A18
B18
A19
B19
A20
B20
A21
B21
A22
B22
A23
B23
A24
B24
A25
B25
A26
B26
A27
B27
A28
B28
A29
B29
A30
B30
A1
B1
A2
B2
A3
B3
A4
B4
A5
B5
A6
B6
A7
B7
A8
B8
A9
B9
A10
B10
A11
B11
A12
B12
A13
B13
A14
B14
A15
B15
A16
B16
A17
B17
A18
B18
A19
B19
A20
B20
A21
B21
A22
B22
A23
B23
A24
B24
A25
B25
A26
B26
A27
B27
A28
B28
A29
B29
A30
B30
EMG3
EMG4
EMG5
EMG6
EMG7
EMG8
EMG9
EMG10
EMG11
EMG12
+24VS3
0V
+24VS3
0V
EMG5
EMG6
E12A
EMG11
EMG6
E11A
E13A
EMG16
E12A
E13A
E11A
E12A
+24E
+24VB2
0V
EMG12
EMG13
EMG14
EMG15
EMG16
EMG17
EMG18
EMG19
EMG20
EMG21
EMG22
+24VS3
+24E
FRONT COVER SW
SPARE
SPARE
SPARE
SPARE
SPARE
+24VB2
1
2
1
2
F EMG EMG
1
2
1
2
EMG
1
2
1
2
F COVER COVER
1
2
1
2
COVER
EMG
1
・
8
9
1
・
8
9
1010
FET
1
2
CN33
1
2
9
8
・
1
9
8
・
1
1
2
FDR EMG
EMG
1
・
8
9
1
・
8
9
1010
FET
1
2
CN33
1
2
9
8
・
1
9
8
・
1
F2 FDR EMG
P104
FDR CTRL BOARD ASSY F2
1
2
FDR EMG
FES24 FRONT-2 FEEDER
EMG
1
・
8
9
1
・
8
9
1010
FET
1
2
CN33
1
2
9
8
・
1
9
8
・
1
1
2
FDR EMG
EMG
1
・
8
9
1
・
8
9
1010
FET
1
2
CN33
1
2
9
8
・
1
9
8
・
1
1
2
FDR EMG
T32
T31
T22 EMG22
T12 EMG22
T11 EMG0
A2 0V24
T32
T31
T22
T12
T11
A2
A1 +24VA1
13 +24V
23 +24V
33 +24V
14
24 +24E
34 +24B
14
24
34 33
23
13
42 41
CH1CH2
K1K2
LOGIC
DC
AC
+24E
0V
0V
DI
EMG22
T31
T32B
EMG0
EMG22
EMG22
2
3
4
5
6
7
8
9
10
11
12
13
14
15
16
1
2
3
4
5
6
7
8
9
10
11
12
13
14
15
16
1
+24VB3
READY OUT
SERVO ON
RL2
+24VB2
+24VB4
+24E
T0100037
KM10
U52
V52
W52
U54
V54
W54
EMG0
I/O CONVEYOR BOARD ASSY P025
FES24 REAR-2 FEEDER
R2 FDR EMG
FDR CTRL BOARD ASSY R2
CUNET R2 CUNET
CUNET
CUNET
CUNETCUNET F1
FDR CTRL BOARD ASSY F1
P103
FES24 FRONT-1 FEEDER
F1 FDR EMG
CUNET F2
CUNET R1
FES24 REAR-1 FEEDER
SPARE
SPARE
R2 FEEDER EMG
R1 FEEDER EMG
F2 FEEDER EMG
F1 FEEDER EMG
REAR COVER SW
REAR EMG SW
FRONT EMG SW
XB OT
CONTROLLER
+24VS3
YAOT
XAOT
YAOTYAOTYAOT
SQ003
SQ004
FRONT EMG SW
SB31
FRONT COVER SW
SQ101
1
2
3
1
2
3
GOOD
1
2
3
1
2
3
GOOD
GOOD
GOOD
CONTROL BOX ASSY A1
1
2
3
1
2
3
GOOD
GOOD
1
2
3
1
2
3
GOOD
GOOD
1
2
3
1
2
3
GOOD
GOOD
SERVO1
SERVO2
SERVO3
SERVO4
1
2
3
1
2
3
GOOD
GOOD
INTERFACE 2
INTERFACE 1
SRV1 GOOD
SRV2 GOOD
SRV3 GOOD
SRV4 GOOD
I/F1 GOOD
I/F2 GOOD
SQ102
SB32R EMG
R COVER
REAR COVER SW
REAR EMG SW
YBOT YBOT YBOT
SPARE
YSAFE
YBOT
R1 FDR EMG
YSAFEYSAFE
1
22
33
4
5
6
4
5
6
1
POW/EMG
XAOT
SQ303
1
22
33
4
5
6
4
5
6
1
POW/EMG
XBOT
SQ304
I/O A CN7
I/O B CN7 CN48
CN12
CN13
CN12
CN13
CN11 CN11
+24VB3
+24VB2
+24VB2
+24VB4
SPARE
FIX60 & FIX24 REAR-2 FEEDER
FIX60 & FIX24 REAR-1 FEEDER
FIX60 & FIX24 FRONT-2 FEEDER
FIX60 & FIX24 FRONT-1 FEEDER
P105
P106
FDR CTRL BOARD ASSY R1
SPARE
SPARE
N0100482
N0100483
N0100484
N0100485
N0100486
N0100487
N0100490
N0100491
N0100492
N0100493
N0100494
N0100495
N0100497
N0100496
N01004A7
N01004A6
N01004A5
N01004A4
N01004A3
N01004A2
N01004A1
N01004A0
N01004B6
N01004E7
N01004E5
N01004E1
A2A1
1/L1
3/L2
5/L3
21
2/T1
4/T2
6/T3
22
A1 A2 0V24
+48A
1221 T32A 1222 T32
+48V
+48V
+48V
+48A
+48A
KM12/KM12A
1233 +24C
13
1/L1
3/L2
5/L3
14
2/T1
4/T2
6/T3
CONV+24V
1122 T32A
1154+24C
CONV+24E
21
53
63
73
22
54
64
74
1121 T32B
1153 +24B
81 82
33 34
41 42
1181 T32B 1182 T32A
A2 0V24A1
S10
KM11/KM11A
A1 A2
1234 SRV ON
N102D002
N002D002
A5
B5
A5
B5
B5 B5
A5A5
・ ・
・・
A1A1
CN1 CN1
A1A1
CN1 CN1
CC.V4
17
EMERGENCY CIRCUIT
YS24(DS)