YS24(DS)_KKE_e - 第25页
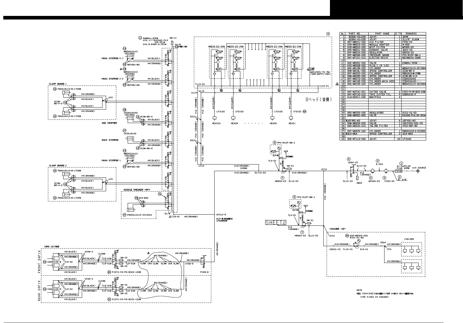
PA G E 23 Con fi dential & Proprietary Y S 2 4 ( D S ) YS24(DS) H014130 Air circuit FIX24 2/2

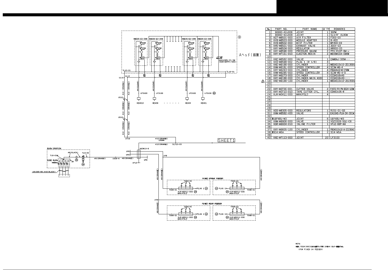
PAG E
22
Confi dential & Proprietary
YS24(DS)
YS24(DS)
H014130
Air circuit
FIX24 1/2

PAG E
23
Confi dential & Proprietary
YS24(DS)
YS24(DS)
H014130
Air circuit
FIX24 2/2

W i r i n g p a r t s l i s t
KKE1309
PAGE
24
Condential & Proprietary
No Part No. Part Name Q'ty Remarks No Part No. Part Name Q'ty Remarks
1
KHM-M654F-020 AMP,SENSOR 3 1 CV2 ENT,EXIT
39
KHY-M663N-000 HNS,ANC POWER 1 J0044
2
KHM-M654D-020 AMP,SENSOR 1 1 CVE ENT
40
KKE-M661C-000 HNS,QF11-QF12 1 J0046
3
KK1-M6563-200 FERRITE CORE 8 E01-E08
41
KKE-M663V-000 HNS,ANC DC24V 1 J0047
4
KGA-M4187-000 FAN GUARD 119MM 14
FAN 1,FAN 2,FAN 3 FAN 4,FAN 5,FAN T1
42
KKE-M665F-000 HNS,CONV.DRIVER 3 J0051,J0053,J0056
5
KKE-M6185-000 FAN MOTOR ASSY 2 FAN 1,FAN 4
43
KKE-M665E-000 HNS,CONV.MO 1 1 J0052
6
KKE-M6185-600 FAN MOTOR ASSY 1 FAN 2
44
KKE-M665E-100 HNS,CONV.MO 2 EXIT 2 J0054,J0057
7
KKE-M6185-100 FAN MOTOR ASSY 1 FAN 3
45
KKE-M665G-000 HNS,BRAKE SRV1 2 2 J0058,J0059
8
KKE-M6185-701 FAN MOTOR ASSY 1 FAN 5
46
KKE-M536A-020 HNS,PE 1 J0071
9
KKE-M6185-500 FAN MOTOR ASSY 1 FAN 6
47
90K30-789080 HNS,EARTH 3 J0072-J0074
10
KKE-M6185-200 FAN MOTOR ASSY 2 FAN T1,FAN T2
48
90K30-367015 HNS,EARTH 1 J0075
11
KKE-M6185-400 FAN MOTOR ASSY 2 FAN XA,FAN XB
49
90K30-789030 HNS,EARTH 2 J0076,J0077
12
KGN-M4187-000 FAN GUARD 4 FAN XA,FAN XB
50
90K30-377025 HNS,EARTH 1 J0079
13
KKE-M26CL-021 FAN MOTOR ASSY 4
FAN YA1,FAN YA2,FAN YB1,FAN YB2
51
90K30-367040 HNS,EARTH 1 J0080
14
KJ3-M4187-000 FAN GUARD 8
FAN YA1,FAN YA2,FAN YB1,FAN YB2
52
KV8-M66L1-001 HNS,FG-C/R 1 J0081
15
KKE-M6564-020 UPS ASSY1 1 GB1
53
90K30-544078 HNS,EARTH 1 J0082
16
KHN-M6561-000 POWER SUPPLY 1 1 GS21
54
90K30-444060 HNS,FG-CONV.M 1 J0083
17
KKE-M6561-000 POWER SUPPLY 1 1 GS22
55
90K30-444070 HNS,PE 700 1 J0084
18
KKE-M6561-100 POWER SUPPLY 1 1 GS31
56
90K30-544084 HNS,EARTH 1 J0085
19
KKE-M661A-004 HNS,XB11-QS11-QF11 1 J0001
57
90K30-245060 HNS,EARTH 5 J0086,J0090
20
KKE-M661L-002 HNS,QF11-TM11 1 J0002
58
90K30-244035 HNS,FG-CNT.BOX 1 J0091
21
KKE-M661G-000 HNS,NF11-KM11 1 J0005
59
90K30-544180 HNS,EARTH 2 J0092,J0093
22
KKE-M661H-001 HNS,C/R AC230V 1 J0006
60
90K30-544110 HNS,EARTH 2 J0094,J0095
23
KHN-M661M-000 HNS,TAP CHANGE 10 J0007-J0014,J0016-J0017
61
KHY-M668A-000 HNS,I/O CMN 1 J0101
24
KHN-M661M-100 HNS,TAP CHANGE 1 J0015
62
KKE-M668F-000 HNS,I/O CONV CMN 1 J0102
25
KKE-M664G-000 HNS,KM12-QF51,52 1 J0018
63
KKE-M66B3-000 HNS,ANC CMN 1 1 J0103
26
KKE-M664A-000 HNS,GS31-KM12 1 J0019
64
KHY-M66RB-000 HNS,FEEDER F1 CMN 1 J0104
27
KKE-M664F-002 HNS,QF51 QF52 +48V 1 J0021
65
KHY-M66RB-100 HNS,FEEDER R1 CMN 1 J0105
28
KKE-M663E-000 HNS,I/O HEAD DC24V 2 J0022,J0023
66
KHY-M66RF-200 HNS,FEEDER COM 2 1 J0106
29
KKE-M663F-000 HNS,Y-FLEX H.PWR EMG 2 J0024,J0025
67
KKE-M66RB-200 HNS,FEEDER CMN 2 2 J0106,J0107
30
KKE-M663G-001 HNS,X-FLEX HA PWR 1 J0026
68
KKE-M66RF-000 HNS,FEEDER COM 1 1 J0106/J0107
31
KKE-M663G-100 HNS,X-FLEX HB PWR 1 J0027
69
KHY-M66RF-200 HNS,FEEDER COM 2 1 J0107
32
KKE-M662F-002 HNS,QF12-TC11 1 J0028
70
KHY-M66RG-002 HNS,TERMINATION 1 J0108
33
KKE-M662A-000 HNS,TC11-QF21 1 J0029
71
KHY-M66X9-001 HNS,TERMINATION 2 J0108,J0109
34
KKE-M662A-100 HNS,TC11-QF61 1 J0029
72
KHY-M66RG-002 HNS,TERMINATION 1 J0108/J0109
35
KKE-M663K-001 HNS,CONV PWR 1 J0036
73
KHY-M66RG-002 HNS,TERMINATION 1 J0109
36
KKE-M663J-001 HNS,I/O CONV.PWR 1 J0037
74
KHY-M66RF-000 HNS,FEEDER I/O 1 J0110
37
KKE-M663R-001 HNS,C/R EXT.POWER 1 J0041
75
KHY-M66RF-000 HNS,FEEDER I/O 1 J0110/J0111
38
KKE-M663M-000 HNS,MULTI CAM.DC24V 1 J0043
76
KHY-M66RF-000 HNS,FEEDER I/O 1 J0111