YS12_P_KKD_e - 第17页
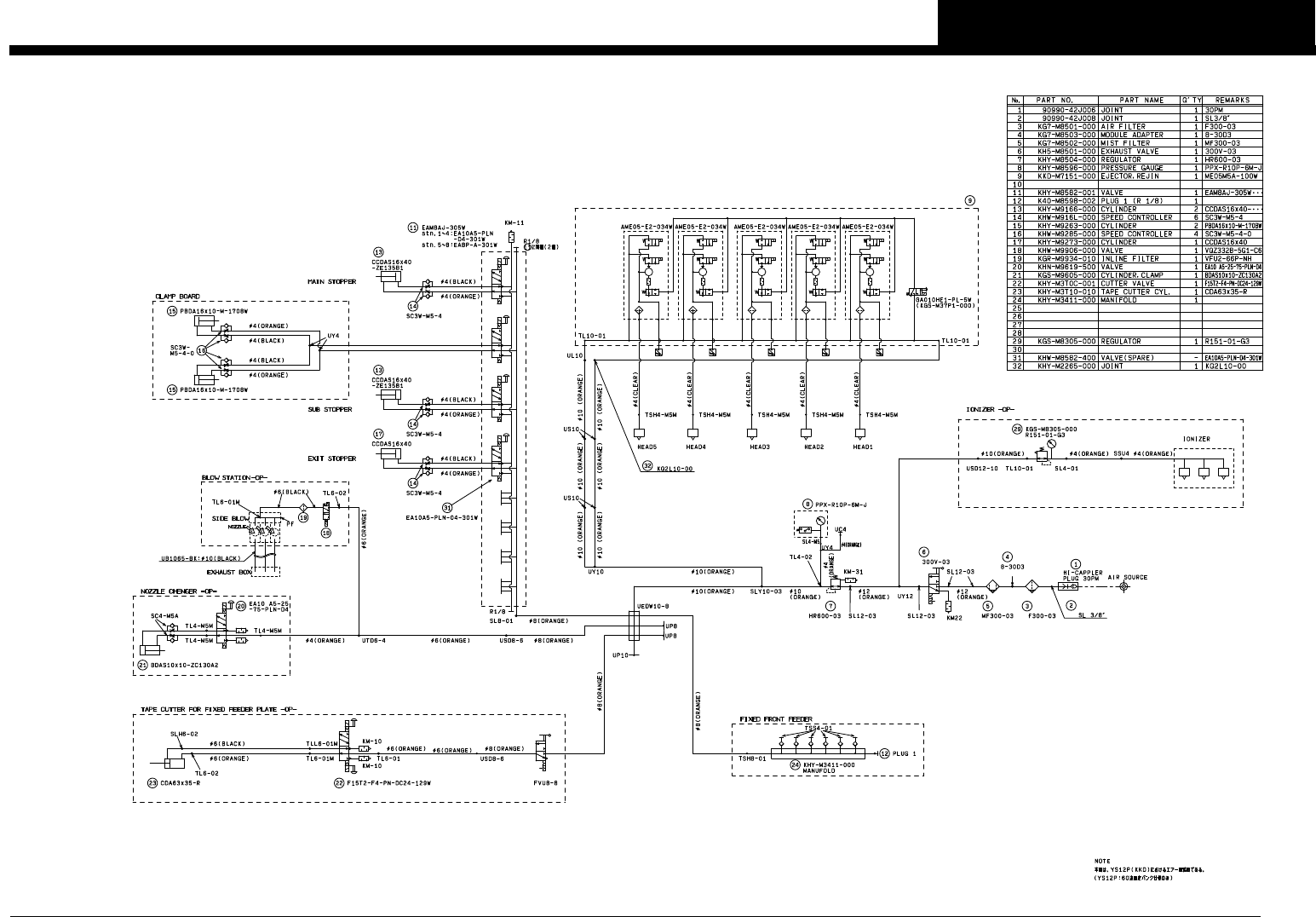
PA G E 14 Con fi dential & Proprietary Y S 1 2 P YS12P Air circuit H13345

Confidential & Proprietary
PAGE
A1
B1
A2
B2
A3
B3
A4
B4
A5
B5
A6
B6
A7
B7
A8
B8
A9
B9
A10
B10
A11
B11
A12
B12
A13
B13
A14
B14
A15
B15
A16
B16
A17
B17
A18
B18
A19
B19
A20
B20
A21
B21
A22
B22
A23
B23
A24
B24
A25
B25
A26
B26
A27
B27
A28
B28
A29
B29
A30
B30
A1
B1
A2
B2
A3
B3
A4
B4
A5
B5
A6
B6
A7
B7
A8
B8
A9
B9
A10
B10
A11
B11
A12
B12
A13
B13
A14
B14
A15
B15
A16
B16
A17
B17
A18
B18
A19
B19
A20
B20
A21
B21
A22
B22
A23
B23
A24
B24
A25
B25
A26
B26
A27
B27
A28
B28
A29
B29
A30
B30
EMG3
EMG4
EMG5
EMG6
EMG7
EMG8
EMG9
EMG10
EMG11
EMG12
+24VS3
0V
+24VS3
0V
EMG5
EMG6
E12A
EMG11
EMG6
E11A
E13A
EMG16
E12A
E13A
E11A
E12A
+24E
+24VB2
0V
EMG12
EMG13
EMG14
EMG15
EMG16
EMG17
EMG18
EMG19
EMG20
EMG21
EMG22
+24VS3
+24E
N0100995
N0100994
N0100993
N0100992
N0100991
N0100990
N0100987
N0100986
N0100985
N0100984
CONTROLLER
FRONT EMG SW
REAR EMG SW
ENABLING SW
FRONT COVER SW
DYTF MAINTENANCE COVER
SPARE
F1 FEEDER EMG
F2 FEEDER EMG
REAR COVER SW
CN11
EMG1
EMG1
+24VB2
+24VA7
CN12
N0100982
N0100983
XOT
Y1OT
1
2
3
1
2
3
GOOD
1
2
3
1
2
3
GOOD
1
2
3
1
2
3
1
2
3
1
2
3
Y1OTY1OTY1OT
SQ005
1
2
1
2
A1
B1
A2
B2
A3
B3
A1
B1
A2
B2
A3
B3
CN1
1
2
3
1
2
3
CN16
+24VA
X1OT
SQ302
1
22
33
4
5
6
4
5
6
1
POW/EMG
HEAD EMG
EMG3
EMG2
EMG1
EMG0
RL1
GOOD LED
ALARM
+5V
DI
RL2
RL1
+24VA
2
3
4
5
6
7
8
9
10
1
2
3
4
5
6
7
8
9
10
1
SERVO1
GOOD
SERVO2
1
2
3
1
2
3
GOOD
GOOD
GOOD
CONTROL BOX ASSY A1
T32
T31
T22 EMG22
T12 EMG22
T11 EMG0
A2 0V24
T32
T31
T22
T12
T11
A2
A1 +24VA1
13 +24V
23 +24V
33 +24V
14
24 +24E
34 +24B
14
24
34 33
23
13
42 41
CH1CH2
K1K2
LOGIC
DC
AC
+24V
+24V
+24V
+24V
+24E
0V
0V
DI
EMG22
T31
T32B
EMG0
EMG22
EMG22
2
3
4
5
6
7
8
9
10
11
12
13
14
15
16
CN13
1
2
3
4
5
6
7
8
9
10
11
12
13
14
15
16
1
+24VB3
READY OUT
SERVO ON
RL2
S10
SPARE
SPARE
R1 FEEDER EMG
R2 FEEDER EMG
SPARE
SPARE
SPARE
SPARE
SPARE
SPARE
+24VB2
+24VB4
+24E
T0100037
N01009B6
N01009A7
N01009A6
N01009A5
N01009A4
N01009A3
N01009A2
N01009A1
N01009A0
N0100997
N0100996
+24VB2
1
2
1
2
F COVER COVER
1
2
1
2
1
2
1
2
F EMG
R EMG EMG
EMG
FRONT EMG SW
SB31
REAR EMG SW
SB32
FRONT COVER SW
SQ101
1
2
R COVER
1
2
1
2
F1 FDR EMG
F2 FDR EMG
1
2
R1 FDR EMG
1
2
R2 FDR EMG
1
2
COVER
REAR COVER SW
SQ102
1
2
R COVER
REAR COVER
REAR FIXED COVER
INTERFACE
I/O CONVEYOR BOARD ASSY P025
I/O HEAD BOARD ASSY P041
KM10
A2 0V24A1
U52
V52
W52
1121 T32B
1153 +24B
CONV+24V
U54
V54
W54
1122 T32A
1154+24C
CONV+24E
A1
13
1/L1
3/L2
5/L3
21
53
63
73
83
A2
14
2/T1
4/T2
6/T3
22
54
64
74
84
KM11/KM11A
A2A1
1/L1
3/L2
5/L3
21
2/T1
4/T2
6/T3
22
A1 A2 0V24
+48A
1221 T32A 1222 T32
+48V
KM12/KM12A
1
2
FDR EMG
1
2
FDR EMG
1
2
FDR EMG
1
2
FDR EMG
33
41 42
34 1234 SRV ON1233 +24C
CC.V4
13
EMERGENCY CIRCUIT
YS12P

PAG E
14
Confi dential & Proprietary
YS12P
YS12P
Air circuit
H13345

Wiring parts list
KKD2010
PAGE
15
Condential & Proprietary
No Part No. Part Name Q'ty Remarks No Part No. Part Name Q'ty Remarks
1
KGA-M55G0-106 LAN CABLE 10M 1 10M
39
KHG-M4896-011 ERROR LIGHT ASSY 2 HL12,HL13
2
KGA-M66X3-021 HNS,RS232C-BCR-F 1 1500MM J876
40
KHG-M4897-011 LIGHT,ERROR 1 HL12,HL13
3
KGA-M66X3-121 HNS,RS232C-BCR-R 1 2700MM J877
41
KHY-M661A-003 HNS,XB11-QS11-QF11 1 J0001
4
KGA-M55G0-406 LAN CABLE 30M 1 30M
42
KHY-M661L-003 HNS,QF11-TM11 1 J0003
5
KGA-M55G0-006 LAN CABLE 5M 1 5M
43
KHY-M661E-000 HNS,TM11-QF31 1 J0004
6
KW3-M5150-501 KEYBOARD J 2 A10(F),A11(R)
44
KHY-M661F-010 HNS,QF31-NF11.GS31 1 J0005
7
KW3-M5150-601 KEYBOARD E 2 A10(F),A11(R)
45
KHY-M661G-000 HNS,NF11-KM11 1 J0006
8
KW3-M5169-043 MOUSE 2 A12(F),A13(R)
46
KHY-M661H-001 HNS,C/R AC230V 1 J0007
9
KHN-M8302-000 IONIZER 1 A21
47
KHY-M661M-000 HNS,C/R AC100V 1 J0009
10
KGA-M55B2-020 BCR,SYMBOL TYPE 5M 2 A43/A44
48
KHN-M661M-401 HNS,TAP CHANGE 1 10 J0010,J0019
11
KHY-M656V-000 SENSOR(ZC230A) 1 CN 3A 6A
49
KHN-M661M-501 HNS,TAP CHANGE 2 1 J0020
12
KHY-M656V-000 SENSOR(ZC230A) 1 CN 5A 7A
50
KHY-M662A-011 HNS,TC11-QF21 XT21 1 J0021
13
KK1-M6563-200 FERRITE CORE 2 E01,E02
51
KHY-M662E-011 HNS,QF21 XT21-GS21 1 J0023
14
KK1-M6563-200 FERRITE CORE 1 E03
52
KHY-M662F-101 HNS,TM11-TC11 1 J0027
15
KHY-M6185-001 FAN MOTOR ASSY 2 FAN1,FAN4
53
KHY-M663R-002 HNS,C/R EXT.POWER 1 J0028
16
KHY-M6185-101 FAN MOTOR ASSY 1 FAN2
54
KHY-M663E-001 HNS,I/O HEAD DC24V 1 J0042
17
KHN-M6185-101 FAN MOTOR ASSY 1 FAN3
55
KHY-M663F-001 HNS,Y-FLEX H.PWR EMG 1 J0043
18
KHY-M6186-000 FAN MOTOR ASSY 1 FAN5
56
KHY-M663G-001 HNS,X-FLEX H.PWR EMG 1 J0044
19
KGS-M4187-000 FAN GUARD 40MM 2 FAN5,6
57
KHY-M663J-012 HNS,I/O CONV.PWR 1 J0046
20
KHY-M6186-100 FAN MOTOR ASSY 1 FAN6
58
KHY-M663K-003 HNS,CONV PWR 1 J0047
21
KHY-M6561-A00 POWER SUPPLY 1 ASSY 1 GS21
59
KHY-M66GF-000 HNS,FAN 1 J0048
22
KHN-M6561-000 POWER SUPPLY 1 1 GS21
60
KHY-M663M-001 HNS,MULTI CAM. DC24V 1 J0049
23
KHY-M6561-B00 POWER SUPPLY 1 ASSY 1 GS31
61
KHY-M663N-000 HNS,ANC POWER 1 J0051
24
KGS-M6561-000 POWER SUPPLY 1 1 GS31
62
KHY-M664A-010 HNS,GS31-KM12 XT31 1 J0052
25
KMM-M4899-000 SIG.TOWER ASSY 1 HL11
63
KHY-M664F-011 HNS,KM12 +48V 1 J0055
26
KMM-M4899-100 SIG.TOWER ASSY 1 HL11
64
KHY-M663V-001 HNS,ANC DC24V 1 J0056
27
KMM-M4899-200 SIG.TOWER ASSY 1 HL11
65
KHY-M665A-000 HNS,BRAKE SRV2 1 J0061
28
KMM-M4899-300 SIG.TOWER ASSY 1 HL11
66
KHY-M665F-000 HNS,CONV.DRIVER 1 J0062
29
KMM-M4899-400 SIG.TOWER ASSY 1 HL11
67
KHW-M665E-000 HNS,CONV. MOTOR 1 J0064
30
KMM-M4899-500 SIG.TOWER ASSY 1 HL11
68
90K30-9PR035 HNS,EARTH 1 J0069
31
KMM-M4899-600 SIG.TOWER ASSY 1 HL11
69
90K30-9PR025 HNS,EARTH 1 J0070
32
KMM-M4899-700 SIG.TOWER ASSY 1 HL11
70
90K30-2KL070 HNS,EARTH 1 J0071
33
KMM-M4899-800 SIG.TOWER ASSY 1 HL11
71
90K30-5PP180 HNS,EARTH 1 J0072
34
KMM-M4899-900 SIG.TOWER ASSY 1 HL11
72
90K30-5PP130 HNS,EARTH 1 J0073
35
KMM-M4899-A00 SIG.TOWER ASSY 1 HL11
73
90K30-9PR070 HNS,EARTH 3 J0075,J0077
36
KMM-M4899-B00 SIG.TOWER ASSY 1 HL11
74
90K30-2PR020 HNS,EARTH 1 J0078
37
KGS-M4896-011 ERROR LIGHT ASSY 2 HL12,HL13
75
90K30-2PR080 HNS,EARTH 1 J0080
38
KGS-M4897-011 LIGHT,ERROR 1 HL12,HL13
76
90K30-4PP100 HNS,EARTH 1 J0081